+7 (701) 588 50 05 Телефон для связи
RU

WhatsApp

Позвонить

ЭЛЕКТРИЧЕСКАЯ СИСТЕМА в Алматы

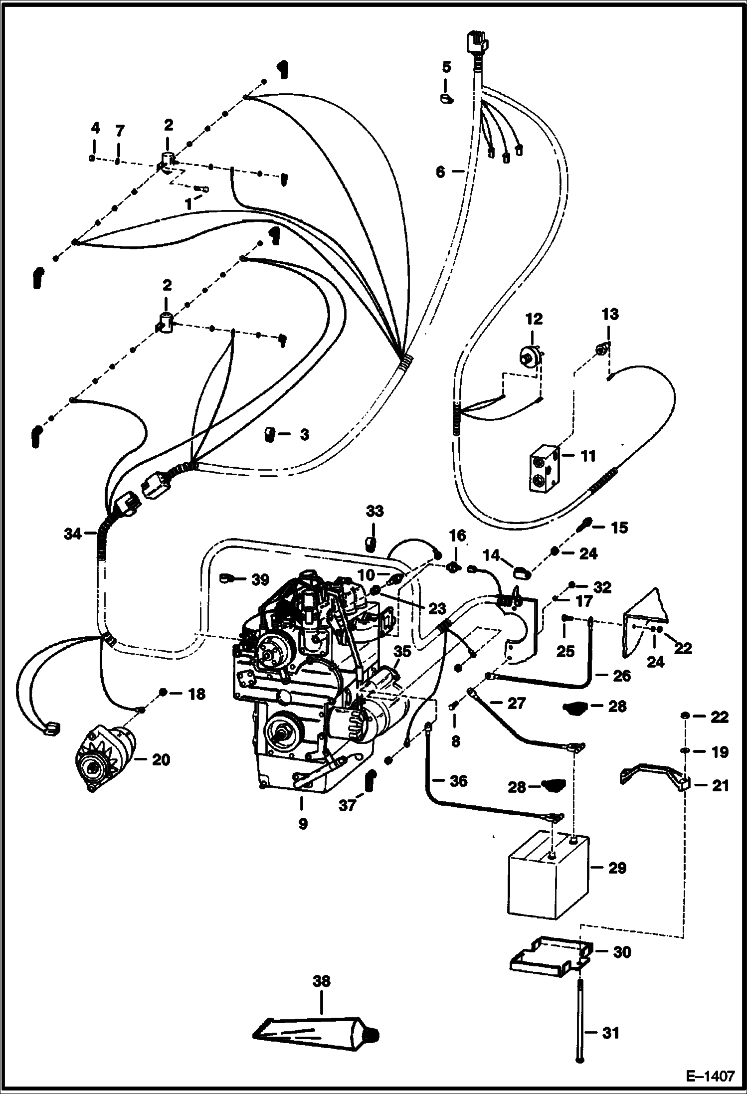
ЭЛЕКТРИЧЕСКАЯ СИСТЕМА ДВИГАТЕЛЯ (СЕРИЙНЫЙ НОМЕР 25463 И ВЫШЕ)

ЭЛЕКТРИЧЕСКАЯ СИСТЕМА ДВИГАТЕЛЯ (СЕРИЙНЫЙ НОМЕР 25463 И ВЫШЕ)

1Артикул: 17C412, BOLT 5
2Артикул: 6651975, SWITCH
3Артикул: 6702650, MOUNT
Подробнее >
ЭЛЕКТРИЧЕСКАЯ СИСТЕМА КАБИНЫ (СЕРИЙНЫЙ НОМЕР 19999 И НИЖЕ)

ЭЛЕКТРИЧЕСКАЯ СИСТЕМА КАБИНЫ (СЕРИЙНЫЙ НОМЕР 19999 И НИЖЕ)

1Артикул: 6558142, HOUSING
2Артикул: 6557486, LAMP
3Артикул: 6564837, HARNESS
Подробнее >
ЭЛЕКТРИЧЕСКАЯ СИСТЕМА КАБИНЫ (СЕРИЙНЫЙ НОМЕР 20001 ЧЕРЕЗ 22126)

ЭЛЕКТРИЧЕСКАЯ СИСТЕМА КАБИНЫ (СЕРИЙНЫЙ НОМЕР 20001 ЧЕРЕЗ 22126)

1Артикул: 6558142, HOUSING
2Артикул: 6557486, LAMP
3Артикул: 6567802, HARNESS
Подробнее >
ЭЛЕКТРИЧЕСКАЯ СИСТЕМА КАБИНЫ (СЕРИЙНЫЙ НОМЕР 22127 И ВЫШЕ)

ЭЛЕКТРИЧЕСКАЯ СИСТЕМА КАБИНЫ (СЕРИЙНЫЙ НОМЕР 22127 И ВЫШЕ)

1Артикул: 6558142, HOUSING
2Артикул: 6557486, LAMP
3Артикул: 6572060, HARNESS
Подробнее >
ГЕНЕРАТОР ПЕРЕМЕННОГО ТОКА (BOBCAT)

ГЕНЕРАТОР ПЕРЕМЕННОГО ТОКА (BOBCAT)

1Артикул: 6661611, ALTERNATOR Less Fan & Pulley
2Артикул: 6661611REM, ALTERNATOR, 55 AMP
3Артикул: 6661611, ALTERNATOR Was 6661611EF
Подробнее >
ЭЛЕКТРИЧЕСКАЯ СИСТЕМА ДВИГАТЕЛЯ (СЕРИЙНЫЙ НОМЕР 25462 И НИЖЕ)

ЭЛЕКТРИЧЕСКАЯ СИСТЕМА ДВИГАТЕЛЯ (СЕРИЙНЫЙ НОМЕР 25462 И НИЖЕ)

1Артикул: 17C410, BOLT 10
2Артикул: 6659319, SOLENOID Was 6632186 - A
3Артикул: 30H54, CLIP
Подробнее >
СТАРТЕР (С УПЛОТНЕНИЕМ) (ДОПОЛНИТЕЛЬНЫЙ СТАРТЕР)

СТАРТЕР (С УПЛОТНЕНИЕМ) (ДОПОЛНИТЕЛЬНЫЙ СТАРТЕР)

1Артикул: STARTER, STARTER See Illustration STARTER/ B1192 NLA - SEALED - ORDER 6671014 STARTER - WAS 6658841 - A
2Артикул: 880609, BOLT
3Артикул: FRAME, FRAME NLA - W/Bushing - Was 999460B - A
Подробнее >
ГЕНЕРАТОР ПЕРЕМЕННОГО ТОКА (DELCO 1103133) (ОТКРЫТЫЙ)

ГЕНЕРАТОР ПЕРЕМЕННОГО ТОКА (DELCO 1103133) (ОТКРЫТЫЙ)

1Артикул: ALTERNATOR, ALTERNATOR NLA - Order 908221B
2Артикул: BEARING, BEARING NLA - Was 905351B - A
3Артикул: BOLT, BOLT NLA - Was 897467B - A
Подробнее >
ГЕНЕРАТОР ПЕРЕМЕННОГО ТОКА (DELCO 1105070 ИЛИ 1105422) (ОТКРЫТЫЙ)

ГЕНЕРАТОР ПЕРЕМЕННОГО ТОКА (DELCO 1105070 ИЛИ 1105422) (ОТКРЫТЫЙ)

1Артикул: 908221REM, ALTERNATOR Less Pulley & Fan - Was 908221B - A
2Артикул: BEARING, BEARING NLA - Was 905351B - A
3Артикул: BOLT, BOLT NLA - Was 897467B - A
Подробнее >
СТАРТЕР

СТАРТЕР

1Артикул: STARTER, STARTER NLA - 1998281 - Order 6671014REM starter
2Артикул: STARTER, STARTER NLA - 10455340 - Order 6671014REM starter - Was 6658835 - A
3Артикул: 6671014REM, STARTER 10465417
Подробнее >