ЭЛЕКТРИЧЕСКАЯ СИСТЕМА в Алматы
ЭЛЕКТРИКА (АККУМУЛЯТОР, НАСОС ОМЫВАТЕЛЯ, КЛАКСОН, РЕЛЕ)
1Артикул: 7269857, BATTERY WET 1000 CCA - Was 6665427D - A
2Артикул: 7010546, BRACKET, BATTERY
3Артикул: 7010547, BOLT
ЭЛЕКТРИКА (БЛОК УПРАВЛЕНИЯ ДВИГАТЕЛЕМ)
1Артикул: 7271993, CONTROLLER ECU PREPROGRAMMED Ref. 2-6
2Артикул: 7028925, CONTROLLER ECU BLANK
3Артикул: 7007142, PLATE ECU
ЭЛЕКТРИКА (ФАРА РАБОЧЕГО ОСВЕЩЕНИЯ КАБИНЫ)
1Артикул: 7021836, LAMP
2Артикул: 7021838, HARNESS
3Артикул: 7004886, LIGHT, BULB 12V 55W
ЭЛЕКТРИКА (РАБОЧЕЕ ОСВЕЩЕНИЕ СТРЕЛЫ)
1Артикул: 7021862, BRACKET
2Артикул: 7021836, LAMP W/Ref. 5
3Артикул: 7029078, HARNESS, LIGHT WORK
ЭЛЕКТРИКА (СИГНАЛИЗАЦИЯ О ПЕРЕГРУЗКЕ СТРЕЛЫ)
1Артикул: 7004912, SENSOR PRESSURE
2Артикул: 7311397, SENSOR PRESS
3Артикул: 7005561, ELBOW
ЭЛЕКТРИКА (КОНСОЛИ)
1Артикул: 7029080, HARNESS, CONSOLE LH
2Артикул: 7029081, HARNESS, CONSOLE RH
3Артикул: 7006801, SWITCH STARTER W/Ref. 5 - Was 7028841 - C
СИГНАЛИЗАТОР ДВИЖЕНИЯ
1Артикул: 7005006, ALARM
2Артикул: 7007615, BOLT
3Артикул: 7276756, WASHER Was 7007834 - A
СТАРТЕР
1Артикул: 7029416, STARTER W/Ref. 2-30
2Артикул: 7007146, ARMATURE ASSY
3Артикул: 7007147, COIL ASSY FIELD W/Ref. 6-8
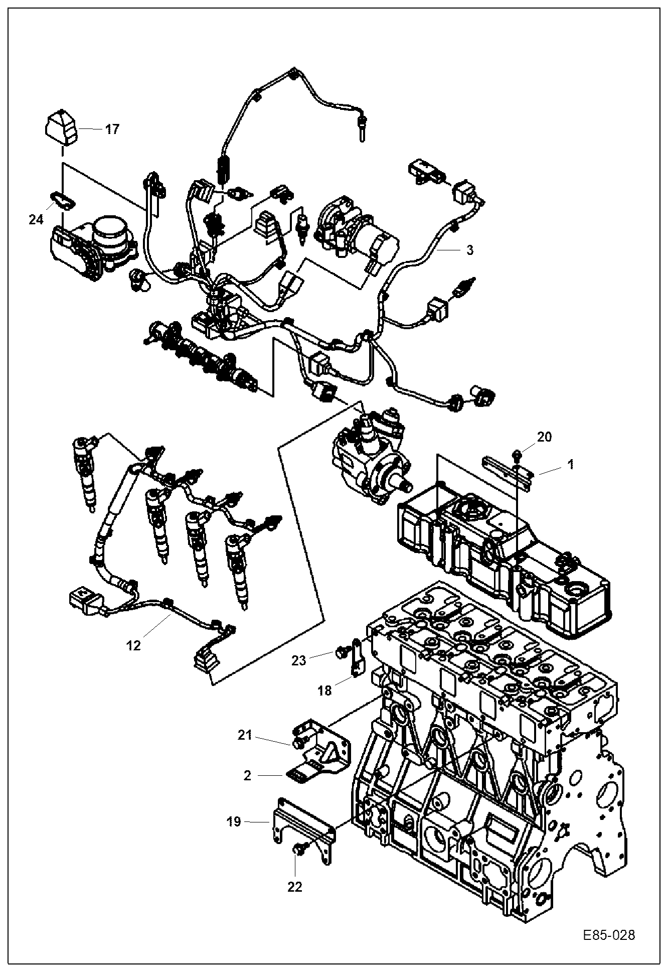
ЭЛЕКТРИЧЕСКАЯ СИСТЕМА ДВИГАТЕЛЯ
1Артикул: 7028759, BRACKET, HARNESS
2Артикул: 7028747, BRACKET
3Артикул: 7029074, HARNESS, ENG
ЭЛЕКТРИКА (ДВИГАТЕЛЬ)
1Артикул: 7029071, HARNESS, MFR
2Артикул: HARNESS,, HARNESS, MAIN NLA - Order 7270241 harness - Was 7270240 - A
3Артикул: 7270241, HARNESS, MAIN
ЭЛЕКТРИЧЕСКИЙ (КАБИНА)
1Артикул: CONTROLLER,, CONTROLLER, BOBCAT NLA - Order 7261983 controller - Was 7028926
2Артикул: 7261983, CONTROLLER VCU
3Артикул: 7301855, CONTROLLER