+7 (701) 588 50 05 Телефон для связи
RU

WhatsApp

Позвонить

ЭЛЕКТРИЧЕСКАЯ СИСТЕМА в Алматы

АККУМУЛЯТОР ДИЗЕЛЬ

АККУМУЛЯТОР ДИЗЕЛЬ

1Артикул: 1010934CC, SCREW
2Артикул: 7305038, BATTERY 525 CCA - Was 6686662D - A
3Артикул: 1014375CC, SCREW
Подробнее >
ЭЛЕКТРИЧЕСКАЯ УСТАНОВКА

ЭЛЕКТРИЧЕСКАЯ УСТАНОВКА

1Артикул: 102710101CC, SWITCH TURN SIGNAL
2Артикул: 102740601CC, DECAL DIRECTIONAL
3Артикул: 102529202CC, WIRE COVER
Подробнее >
СТАРТЕР (ДИЗЕЛЬ)

СТАРТЕР (ДИЗЕЛЬ)

1Артикул: 6680663, NUT Was 102645501CC - A
2Артикул: 6652792, NUT Was 102647701CC - A
3Артикул: 6683053, BOLT Was 102648401CC - A
Подробнее >
ЭЛЕКТРИКА (ПАНЕЛЬ ИЗМЕРИТЕЛЬНЫХ ПРИБОРОВ)

ЭЛЕКТРИКА (ПАНЕЛЬ ИЗМЕРИТЕЛЬНЫХ ПРИБОРОВ)

1Артикул: 103348101CC, GUAGE, FUEL/HOUR
2Артикул: 102708301CC, SWITCH, HEADLIGHT NLA - Was 102708301CC - A
3Артикул: 1016630CC, LIGHT oil warning/indicator
Подробнее >
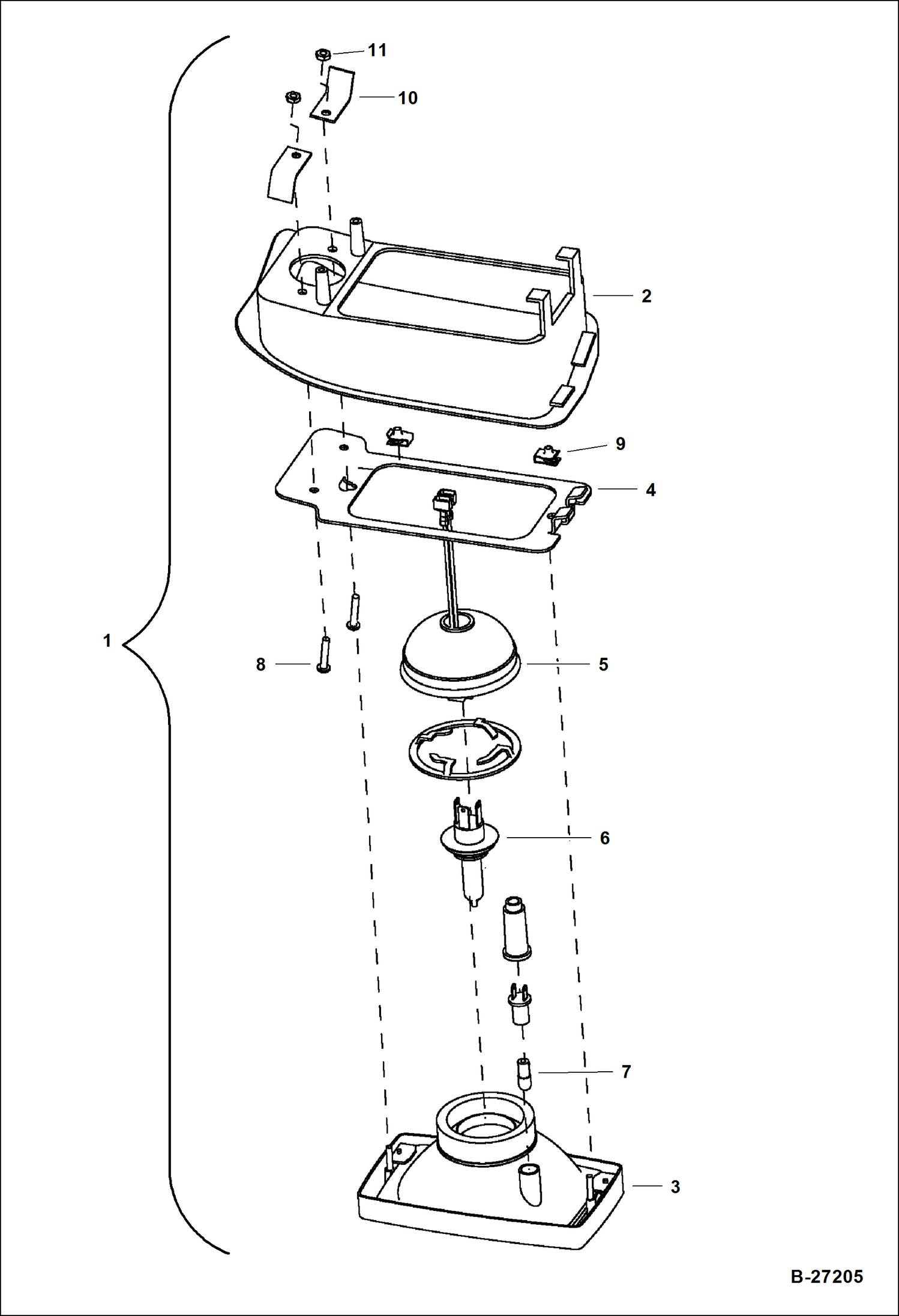
СРЕДСТВА ОСВЕЩЕНИЯ

СРЕДСТВА ОСВЕЩЕНИЯ

1Артикул: 102833901CC, KIT, LIGHTS ROAD W/Ref. 2-19 includes instructions
2Артикул: 102710701CC, LAMP KIT W/Ref. 3-5
3Артикул: 102678501CC, PLATE
Подробнее >
ГЕНЕРАТОР ПЕРЕМЕННОГО ТОКА ДИЗЕЛЬ

ГЕНЕРАТОР ПЕРЕМЕННОГО ТОКА ДИЗЕЛЬ

1Артикул: 102601101CC, V-BELT
2Артикул: 102630601CC, PULLEY
3Артикул: 102631601CC, BOLT
Подробнее >
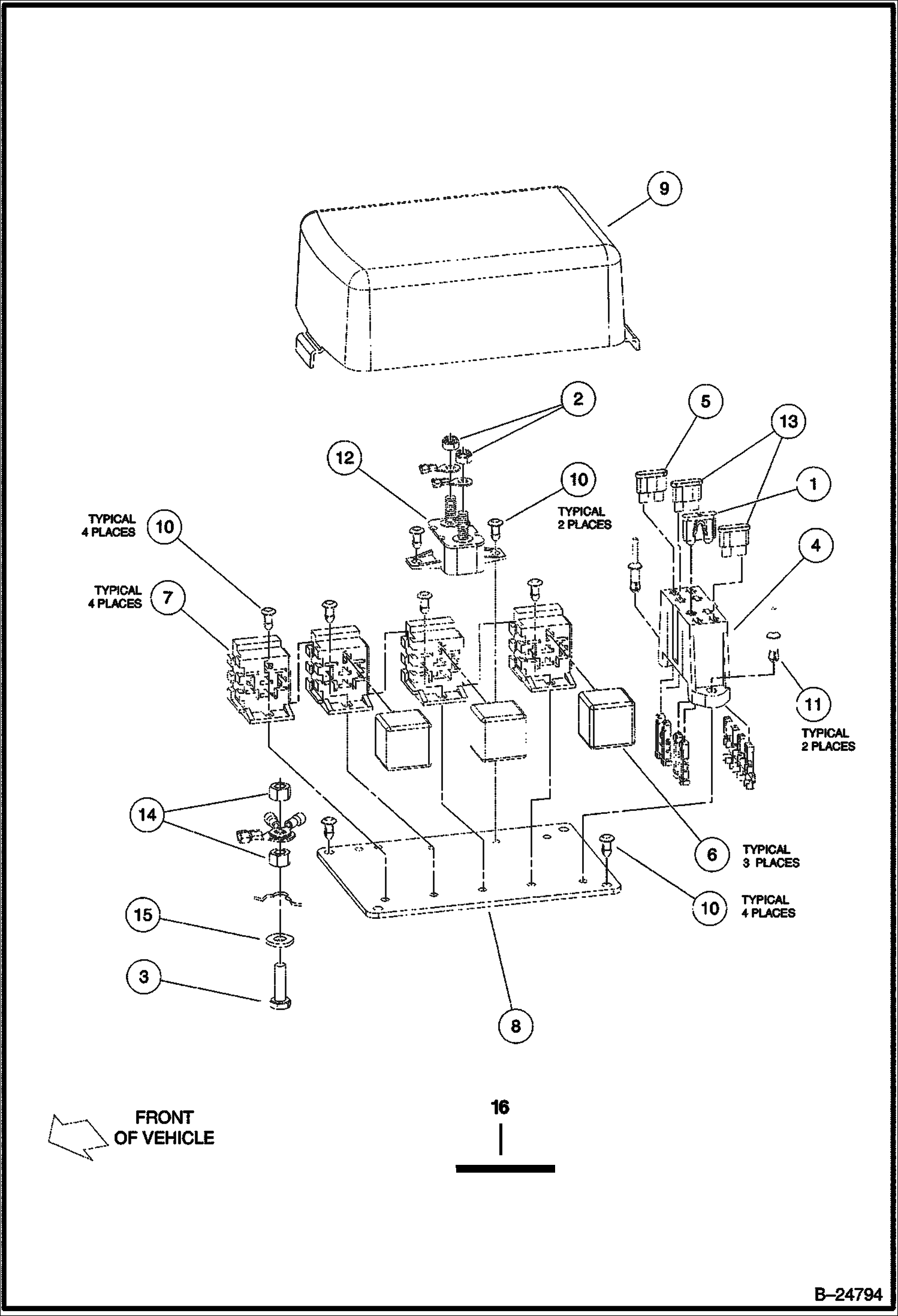
ЯЩИК ДЛЯ КОМПОНЕНТОВ ДИЗЕЛЬ

ЯЩИК ДЛЯ КОМПОНЕНТОВ ДИЗЕЛЬ

1Артикул: 1012295CC, FUSE
2Артикул: 1013061CC, NUT
3Артикул: SCREW, SCREW NLA - 1/4-20x88, hex head - Order 17C414 - Was 1015521CC - A
Подробнее >
ФАРЫ БЛИЖНЕГО СВЕТА

ФАРЫ БЛИЖНЕГО СВЕТА

1Артикул: 102708901CC, LIGHT, FRONT ASSY drivers side - W/Ref. 2-11
2Артикул: 102708902CC, LIGHT, FRONT ASSY passenger side - W/Ref. 2-11
3Артикул: 1016880CC, BEZEL drivers side
Подробнее >