+7 (701) 588 50 05 Телефон для связи
RU

WhatsApp

Позвонить

ЭЛЕКТРИЧЕСКАЯ СИСТЕМА в Алматы

ЭЛЕКТРОСХЕМА ДВИГАТЕЛЯ (СЕРИЙНЫЙ НОМЕР 12999 И НИЖЕ)

ЭЛЕКТРОСХЕМА ДВИГАТЕЛЯ (СЕРИЙНЫЙ НОМЕР 12999 И НИЖЕ)

1Артикул: 17C412, BOLT 5
2Артикул: 6659319, SOLENOID Was 6632186 - A
3Артикул: 30H41, CLIP
Подробнее >
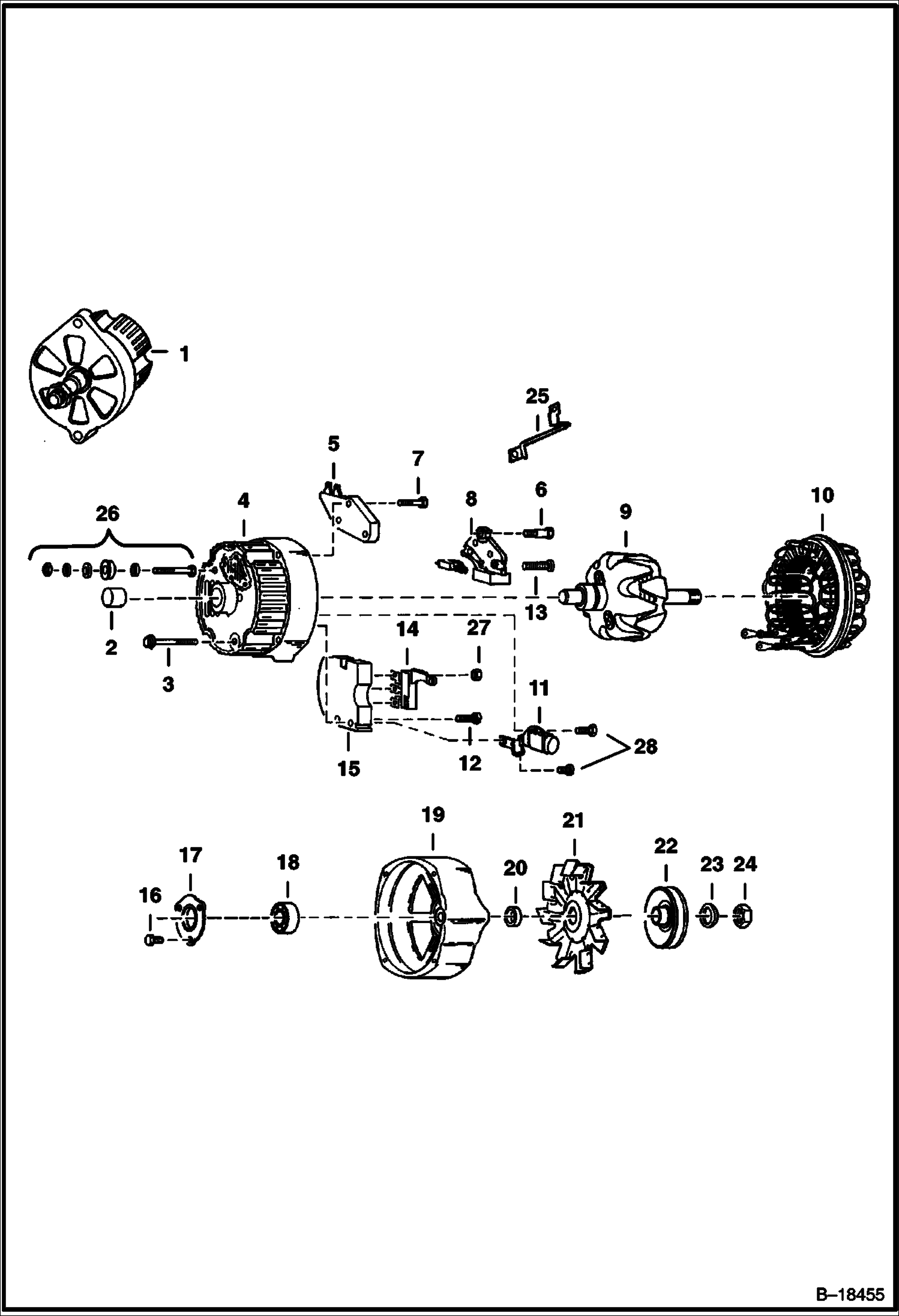
ГЕНЕРАТОР ПЕРЕМЕННОГО ТОКА (DELCO 1103133) (ОТКРЫТЫЙ)

ГЕНЕРАТОР ПЕРЕМЕННОГО ТОКА (DELCO 1103133) (ОТКРЫТЫЙ)

1Артикул: ALTERNATOR, ALTERNATOR NLA - Order 908221B
2Артикул: BEARING, BEARING NLA - Was 905351B - A
3Артикул: BOLT, BOLT NLA - Was 897467B - A
Подробнее >
СТАРТЕР (DELCO 1998339 И 1113598)

СТАРТЕР (DELCO 1998339 И 1113598)

1Артикул: STARTER, STARTER NLA - Delco 1998339 - Order 6660797 , (1) 6701847 & (2) 6CM01220B - Was 6630182 - A
2Артикул: STARTER, STARTER NLA - Delco 1113598 - Order 6649676 (1) 6649676 , (1) 6701847 & (2) 6CM01220B - Was 6645246 - A
3Артикул: 6630182REM, STARTER Remanufactured
Подробнее >
СТАРТЕР

СТАРТЕР

1Артикул: STARTER, STARTER NLA - Delco 1107588 - Order (1) 6660797 , (1) 4DM-5, (1) 4DM00010B & (1) 6567048 mount
2Артикул: STARTER, STARTER NLA - Delco 1108692 - Order (1) 6649676 , (1) 4DM-5, (1) 4DM00010B & (1) 6567048 mount
3Артикул: BOLT, BOLT Was 895675B - A
Подробнее >
ЭЛЕКТРОСХЕМА КАБИНЫ (СЕРИЙНЫЙ НОМЕР 22556 И ВЫШЕ)

ЭЛЕКТРОСХЕМА КАБИНЫ (СЕРИЙНЫЙ НОМЕР 22556 И ВЫШЕ)

1Артикул: 6558142, HOUSING
2Артикул: 6557486, LAMP
3Артикул: 6572060, HARNESS
Подробнее >
ЭЛЕКТРОСХЕМА ДВИГАТЕЛЯ (СЕРИЙНЫЙ НОМЕР 25014 И ВЫШЕ)

ЭЛЕКТРОСХЕМА ДВИГАТЕЛЯ (СЕРИЙНЫЙ НОМЕР 25014 И ВЫШЕ)

1Артикул: 6651975, SWITCH
2Артикул: 6703685, BRACKET
3Артикул: 37C512, BOLT Was 7C512 - A
Подробнее >
ЭЛЕКТРИЧЕСКАЯ СИСТЕМА КАБИНЫ (СЕРИЙНЫЙ НОМЕР 13001 ЧЕРЕЗ 19999)

ЭЛЕКТРИЧЕСКАЯ СИСТЕМА КАБИНЫ (СЕРИЙНЫЙ НОМЕР 13001 ЧЕРЕЗ 19999)

1Артикул: 6558142, HOUSING
2Артикул: 6557486, LAMP
3Артикул: 6564837, HARNESS
Подробнее >
ЭЛЕКТРИЧЕСКАЯ СИСТЕМА КАБИНЫ (СЕРИЙНЫЙ НОМЕР 20001 ЧЕРЕЗ 22555)

ЭЛЕКТРИЧЕСКАЯ СИСТЕМА КАБИНЫ (СЕРИЙНЫЙ НОМЕР 20001 ЧЕРЕЗ 22555)

1Артикул: 6558142, HOUSING
2Артикул: 6557486, LAMP
3Артикул: 6567802, HARNESS
Подробнее >
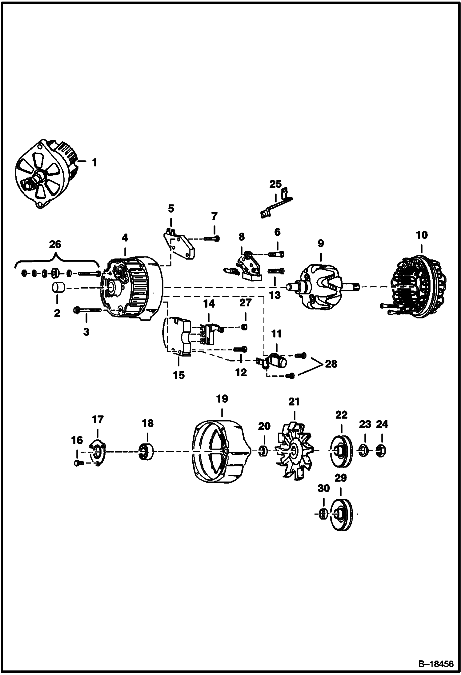
ГЕНЕРАТОР ПЕРЕМЕННОГО ТОКА (DELCO 1105070 ИЛИ 1105422) (ОТКРЫТЫЙ)

ГЕНЕРАТОР ПЕРЕМЕННОГО ТОКА (DELCO 1105070 ИЛИ 1105422) (ОТКРЫТЫЙ)

1Артикул: ALTERNATOR, ALTERNATOR NLA - Less Pulley & Fan - Order 908221REM Alternator - Was 908221 - A
2Артикул: BEARING, BEARING NLA - Was 905351B - A
3Артикул: BOLT, BOLT NLA - Was 897467B - A
Подробнее >
СТАРТЕР (DELCO 1113273 ИЛИ 10479613)

СТАРТЕР (DELCO 1113273 ИЛИ 10479613)

1Артикул: STARTER, STARTER See Illustration STARTER/ D2297 NLA - WAS 6660797 - A
2Артикул: 6660797REM, STARTER Reman
3Артикул: SCREW, SCREW NSS
Подробнее >
ГЕНЕРАТОР ПЕРЕМЕННОГО ТОКА (BOBCAT)

ГЕНЕРАТОР ПЕРЕМЕННОГО ТОКА (BOBCAT)

1Артикул: 6661611, ALTERNATOR Less Fan & Pulley
2Артикул: 6661611REM, ALTERNATOR, 55 AMP
3Артикул: 6661611, ALTERNATOR Was 6661611EF
Подробнее >
ЭЛЕКТРОСХЕМА ДВИГАТЕЛЯ (СЕРИЙНЫЙ НОМЕР 13001 ЧЕРЕЗ 25013)

ЭЛЕКТРОСХЕМА ДВИГАТЕЛЯ (СЕРИЙНЫЙ НОМЕР 13001 ЧЕРЕЗ 25013)

1Артикул: 17C412, BOLT 5
2Артикул: 6659319, SOLENOID Was 6632186 - A
3Артикул: 6599701, CLAMP
Подробнее >
ЭЛЕКТРИЧЕСКАЯ СИСТЕМА КАБИНЫ (СЕРИЙНЫЙ НОМЕР 12999 И НИЖЕ)

ЭЛЕКТРИЧЕСКАЯ СИСТЕМА КАБИНЫ (СЕРИЙНЫЙ НОМЕР 12999 И НИЖЕ)

1Артикул: 6558142, HOUSING
2Артикул: 6557486, LAMP
3Артикул: 6561500, HARNESS
Подробнее >
КОМПЛЕКТ СТАРТЕРА (СОВРЕМЕННОЕ ОБОРУДОВАНИЕ ДЛЯ КОМПАНИИ DELCO )

КОМПЛЕКТ СТАРТЕРА (СОВРЕМЕННОЕ ОБОРУДОВАНИЕ ДЛЯ КОМПАНИИ DELCO )

1Артикул: STARTER, STARTER KIT See BTI342 NLA - Ref. 2 - 9 - Was 6714082 - A
2Артикул: STARTER, STARTER See Illustration STARTER/ D2297 See BTI342 NLA - Was 6667587
3Артикул: 6670558, TERMINAL
Подробнее >
СТАРТЕР (NIPPONDENSO)

СТАРТЕР (NIPPONDENSO)

1Артикул: STARTER, STARTER See BTI342 NLA - Was 6667587 - A
2Артикул: 6667587REM, STARTER
3Артикул: 6666621, ARMATURE W/Ref. 3 & 4
Подробнее >