+7 (701) 588 50 05 Телефон для связи
RU

WhatsApp

Позвонить

Продажа: ЭЛЕКТРИЧЕСКАЯ СИСТЕМА в Алматы и Астане Цены официального дилера с доставкой по всему Казахстану

Официальный дилер Все запчасти в наличии Лизинг / Рассрочка Сервис и гарантия
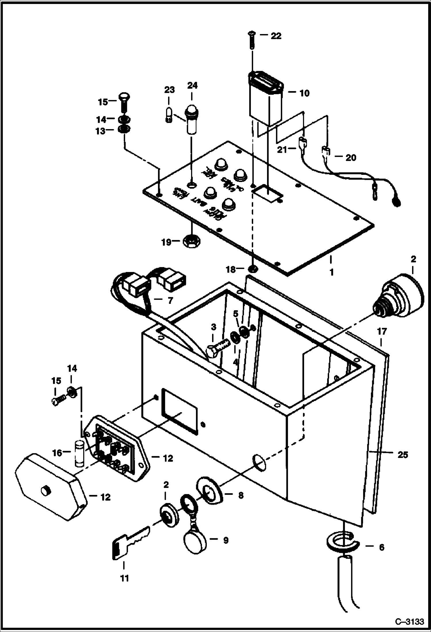
Спецтехника ГЕНЕРАТОР ПЕРЕМЕННОГО ТОКА (KUBOTA) от Globus Machinery

ГЕНЕРАТОР ПЕРЕМЕННОГО ТОКА (KUBOTA)

1Артикул: 6652721, ...
2Артикул: 6652722, ...
3Артикул: 6652723, ...
Подробнее >
Спецтехника ПАНЕЛЬ ИЗМЕРИТЕЛЬНЫХ ПРИБОРОВ от Globus Machinery

ПАНЕЛЬ ИЗМЕРИТЕЛЬНЫХ ПРИБОРОВ

1Артикул: 6533894, ...
2Артикул: 6652767, ...
3Артикул: 1CM610, B...
Подробнее >
Спецтехника СТАРТЕР (KUBOTA) от Globus Machinery

СТАРТЕР (KUBOTA)

1Артикул: 6652713, ...
2Артикул: 6652714, ...
3Артикул: 3390002, ...
Подробнее >