+7 (701) 588 50 05 Телефон для связи
RU

WhatsApp

Позвонить

ЭЛЕКТРИЧЕСКАЯ СИСТЕМА в Алматы

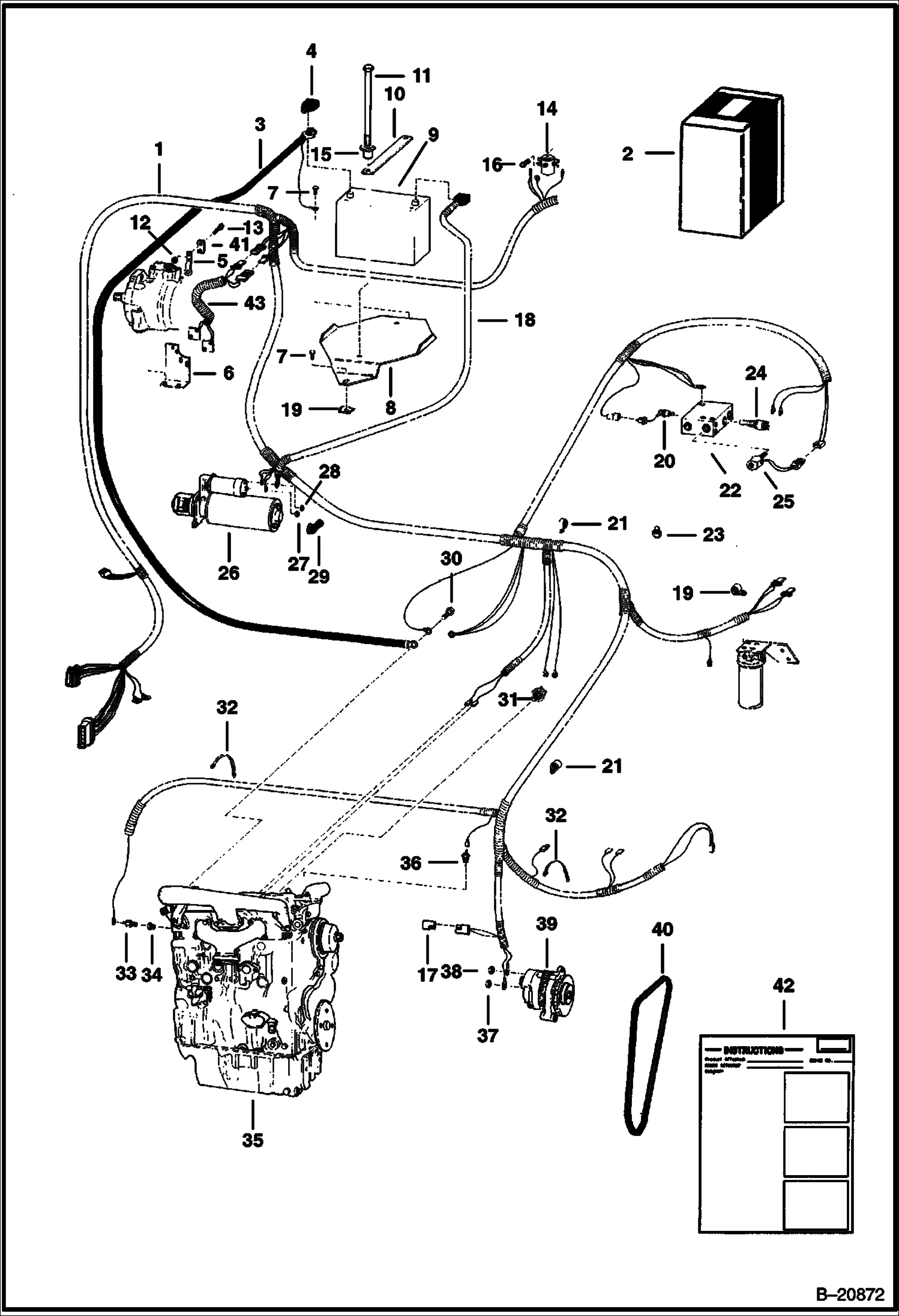
ЭЛЕКТРООБОРУДОВАНИЕ ДВИГАТЕЛЯ

ЭЛЕКТРООБОРУДОВАНИЕ ДВИГАТЕЛЯ

1Артикул: 6539460, HARNESS engine - Was 6537209 - A
2Артикул: 6660084, FUSE KIT See Illustration MASTER FUSE KIT/ B13319 W/100 AMP FUSE - REPLACES 80 AMP - WAS 6657265 - A
3Артикул: 6586096, CABLE negative
Подробнее >
ЭЛЕКТРООБОРУДОВАНИЕ РУЛЕВОЙ КОЛОНКИ

ЭЛЕКТРООБОРУДОВАНИЕ РУЛЕВОЙ КОЛОНКИ

1Артикул: 6586117, PLATE
2Артикул: 6631898, SWITCH actuator
3Артикул: 6646840, HARDWARE KIT
Подробнее >
ПАНЕЛЬ ИЗМЕРИТЕЛЬНЫХ ПРИБОРОВ

ПАНЕЛЬ ИЗМЕРИТЕЛЬНЫХ ПРИБОРОВ

1Артикул: 6599781, KNOB light switch
2Артикул: FUEL, FUEL GUAGE NLA - W/clamp - Order 6669665 gauge & 6679027 clamp - Was 6658820 - A
3Артикул: 6669665, FUEL GUAGE W/O clamp
Подробнее >
РАМА ЭЛЕКТРООБОРУДОВАНИЯ

РАМА ЭЛЕКТРООБОРУДОВАНИЯ

1Артикул: 6586117, PLATE
2Артикул: 6531159, HARNESS Includes 6631898 Switch - Also Order 6631749 Hardware Kit
3Артикул: 6631898, SWITCH Also Order 6631749 Hardware Kit
Подробнее >
ГЕНЕРАТОР ПЕРЕМЕННОГО ТОКА (PRESTOLITE 8EA2013NA)

ГЕНЕРАТОР ПЕРЕМЕННОГО ТОКА (PRESTOLITE 8EA2013NA)

1Артикул: ALTERNATOR, ALTERNATOR See BTI308 NLA - Order 6667344 -Was 6633295 - A
2Артикул: 6635526, NUT
3Артикул: 6635557, WASHER
Подробнее >
ЭЛЕКТРОПРОВОДКА СИСТЕМЫ ЗАЩИТЫ ПРИ ОПРОКИДЫВАНИИ

ЭЛЕКТРОПРОВОДКА СИСТЕМЫ ЗАЩИТЫ ПРИ ОПРОКИДЫВАНИИ

1Артикул: 6644961, LAMP
2Артикул: 6557493, GROMMET
3Артикул: LAMP, LAMP NLA - turn signal - Was 6647435 - A
Подробнее >
СТАРТЕР (DELCO 1113281 ИЛИ 1113285)

СТАРТЕР (DELCO 1113281 ИЛИ 1113285)

1Артикул: 6651664, STARTER Was 6651210 - A
2Артикул: SCREW, SCREW NSS
3Артикул: 6658582, SOLENOID, STARTER Was 6658562 - A
Подробнее >
ГЕНЕРАТОР ПЕРЕМЕННОГО ТОКА PRESTOLITE 8AR2013L

ГЕНЕРАТОР ПЕРЕМЕННОГО ТОКА PRESTOLITE 8AR2013L

1Артикул: ALTERNATOR, ALTERNATOR See BTI308 W/Ref. 2-37 - Order 6667344REM - Was 6667344 - A
2Артикул: 6635526, NUT
3Артикул: 6635557, WASHER
Подробнее >