+7 (701) 588 50 05 Телефон для связи
RU

WhatsApp

Позвонить

ЭЛЕКТРИЧЕСКАЯ СИСТЕМА в Алматы

ГЕНЕРАТОР ПЕРЕМЕННОГО ТОКА (DELCO 1100499) (ЗАКРЫТ)

ГЕНЕРАТОР ПЕРЕМЕННОГО ТОКА (DELCO 1100499) (ЗАКРЫТ)

1Артикул: ALTERNATOR, ALTERNATOR See Illustration ALTERNATOR/ B17935 NLA - ORDER 6599740 ALTERNATOR, 4CM00825B BOLT & 33DM00060B NUT
2Артикул: BOLT, BOLT NLA - thru
3Артикул: FRAME, FRAME NLA - Was 6511954 - A
Подробнее >
КОНТУР ЭЛЕКТРИЧЕСКОЙ ЦЕПИ

КОНТУР ЭЛЕКТРИЧЕСКОЙ ЦЕПИ

1Артикул: 6543185, COVER instrument
2Артикул: LIGHT, LIGHT alternator - Was 6518962 - A
3Артикул: LIGHT, LIGHT NLA - transmission temp - Was 6515525 - A
Подробнее >
СТАРТЕР (BOSCH #0-001-108-158)

СТАРТЕР (BOSCH #0-001-108-158)

1Артикул: 6670269, STARTER
2Артикул: STARTER, STARTER NLA - Was 6670269REM
3Артикул: 6670267, HOUSING
Подробнее >
СТАРТЕР (BOSCH #0-001-211-228)

СТАРТЕР (BOSCH #0-001-211-228)

1Артикул: 7303331, STARTER Was 6514006 - A
2Артикул: 7303331, STARTER Was 6665502REM - A
3Артикул: NLA, NLA - Was 6513289
Подробнее >
СТАРТЕР (LUCAS)

СТАРТЕР (LUCAS)

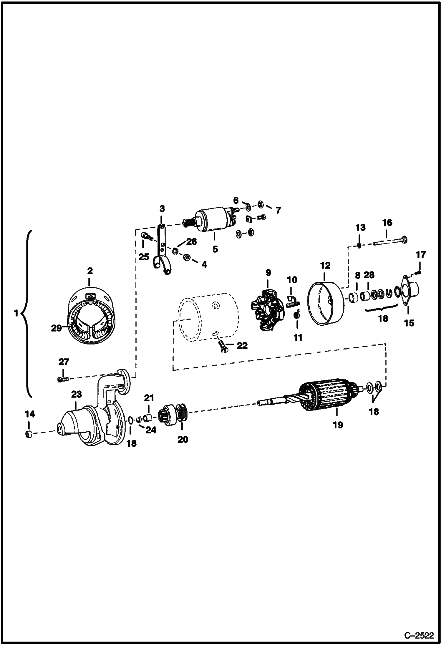
1Артикул: STARTER, STARTER See Illustration STARTER/ B17983 NLA - Was - 6665502REM
2Артикул: 6512800, BRUSH KIT
3Артикул: ARMATURE, ARMATURE NLA - Was 6512799 - A
Подробнее >
ГЕНЕРАТОР ПЕРЕМЕННОГО ТОКА (DELCO 1100092) (ЗАКРЫТ)

ГЕНЕРАТОР ПЕРЕМЕННОГО ТОКА (DELCO 1100092) (ЗАКРЫТ)

1Артикул: ALTERNATOR, ALTERNATOR See Illustration ALTERNATOR/ B17935 NLA - ORDER 6599740 ALTERNATOR
2Артикул: BEARING, BEARING NLA - Was 999306B - A
3Артикул: BOLT, BOLT NLA - Was 897467B - A
Подробнее >
СТАРТЕР (BOSCH #0-001-211-206)

СТАРТЕР (BOSCH #0-001-211-206)

1Артикул: STARTER, STARTER See Illustration STARTER/ B17983 NLA - Was 6665502REM - ORDER 7303331
2Артикул: NLA, NLA - Was 6513289
3Артикул: LEVER, LEVER NLA - Was 6513298
Подробнее >
СТАРТЕР (BOSCH #0-001-311-113)

СТАРТЕР (BOSCH #0-001-311-113)

1Артикул: STARTER, STARTER See Illustration STARTER/ C3497 NLA - ORDER 6670269 STARTER - WAS 6514398 - A
2Артикул: 6514875, HOUSING
3Артикул: LEVER, LEVER NLA - Was 6513298
Подробнее >
ГЕНЕРАТОР ПЕРЕМЕННОГО ТОКА (DELCO 1105063) (ЗАКРЫТ)

ГЕНЕРАТОР ПЕРЕМЕННОГО ТОКА (DELCO 1105063) (ЗАКРЫТ)

1Артикул: ALTERNATOR, ALTERNATOR NLA - Less Pulley & Fan - Order 6599740REM - Was 6599740 - A
2Артикул: BEARING, BEARING NLA - Was 999306B - A
3Артикул: BOLT, BOLT NLA - Was 897467B - A
Подробнее >