ЭЛЕКТРИЧЕСКАЯ СИСТЕМА в Алматы
ЭЛЕКТРИЧЕСКИЕ СИСТЕМЫ (ДВИГАТЕЛЬ) (СЕРИЙНЫЙ НОМЕР 512911001 - 512911999)
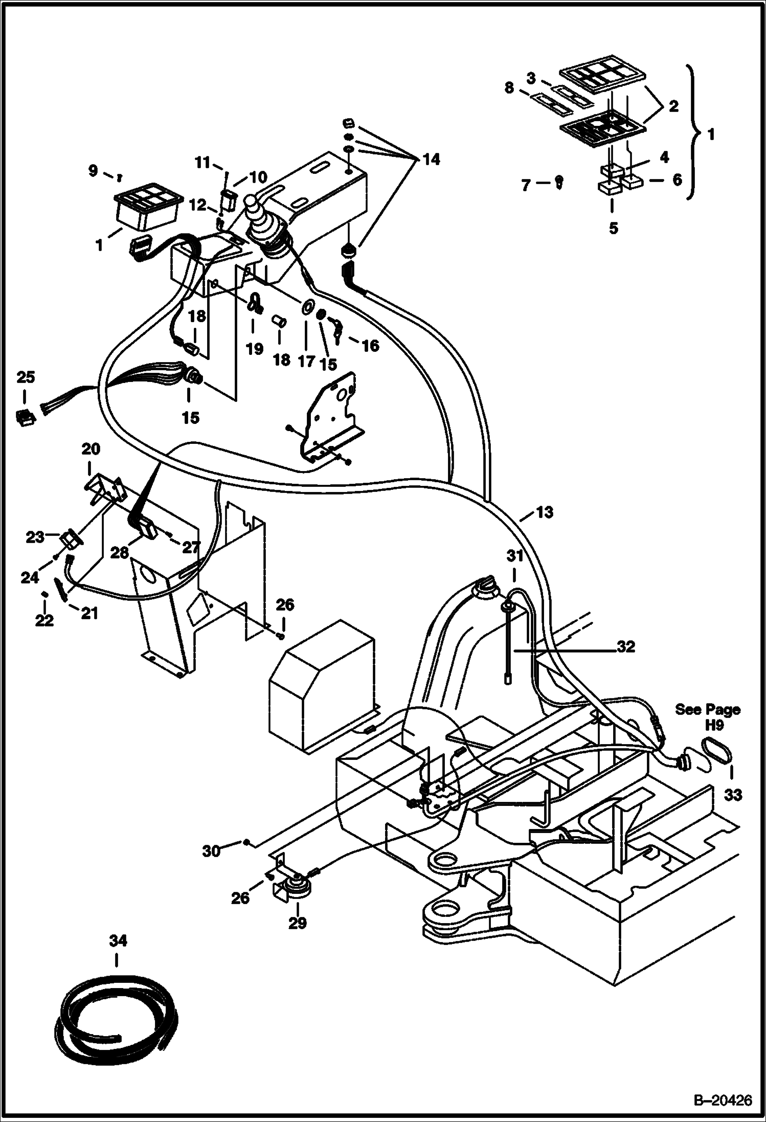
1Артикул: HARNESS, HARNESS NLA - One piece -order 6595651 (1) & 6595652 (1) - Was 6589318 - B
2Артикул: 6595652, HARNESS See Illustration ELECTRICAL SYSTEMS CONSOLE/ B20424 - Engine - 2 piece - H7 for console harness
3Артикул: 6651975, SWITCH Magnetic
ГЕНЕРАТОР
1Артикул: 6661611, ALTERNATOR Less pulley & fan - W/Ref. 2-4,
2Артикул: 6661611REM, ALTERNATOR, 55 AMP
3Артикул: 6661611, ALTERNATOR Was 6661611EF
ГЕНЕРАТОР ПЕРЕМЕННОГО ТОКА (BOBCAT)
1Артикул: ALTERNATOR, ALTERNATOR NLA - Less Fan & Pulley -Order 6661611 , 6659373 & 6659375
2Артикул: 6632210, WASHER
3Артикул: 6632209, FAN
ЭЛЕКТРИЧЕСКИЕ СИСТЕМЫ (КОНСОЛЬ) (СЕРИЙНЫЙ НОМЕР 512912001 - 512912999)
1Артикул: GAUGES, GAUGES NLA - Dash - order components - W/Ref. 2-8 - Was 6664268 - A
2Артикул: 6664022, COVER Lens - W/gasket
3Артикул: LENS, LENS NLA - warning lights - Was 6661205 - A
СТАРТЕР (10479606)
1Артикул: 6665088, STARTER
2Артикул: 6665088REM, STARTER
3Артикул: SCREW, SCREW NSS
ЭЛЕКТРИЧЕСКИЕ СИСТЕМЫ (ДВИГАТЕЛЬ) (СЕРИЙНЫЙ НОМЕР 512912001 И ВЫШЕ)
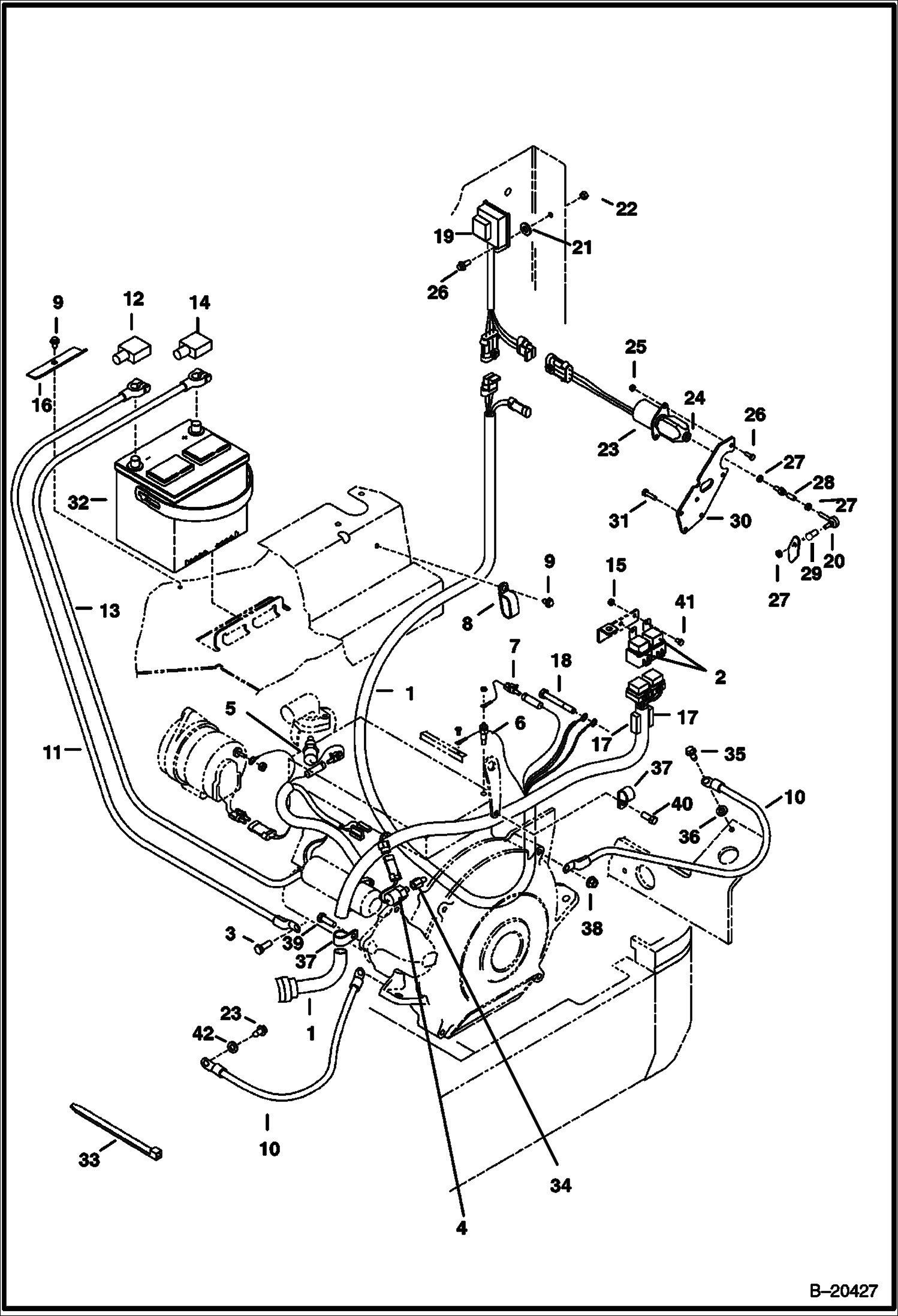
1Артикул: 6596799, HARNESS See Illustration ELECTRICAL SYSTEMS/ B20426 - Engine - 2 piece - for console harness
2Артикул: 6670312, SWITCH, MAGNETIC relay - Was 6665005 - A
3Артикул: 6CM1220, BOLT
ЭЛЕКТРИЧЕСКИЕ СИСТЕМЫ КОНСОЛЬ (СЕРИЙНЫЙ НОМЕР 512911001 - 512911999)
1Артикул: GAUGES, GAUGES NLA - Dash - order components - W/Ref. 2-8 - Was 6664268 - A
2Артикул: 6664022, COVER Lens - W/gasket
3Артикул: LENS, LENS NLA - warning lights - Was 6661205 - A
СТАРТЕР (2280006921)
1Артикул: 6670727, STARTER
2Артикул: 6670727REM, STARTER
3Артикул: 6670727, STARTER Was 6670727EF