+7 (701) 588 50 05 Телефон для связи
RU

WhatsApp

Позвонить

ЭЛЕКТРИЧЕСКАЯ СИСТЕМА в Алматы

ГЕНЕРАТОР ПЕРЕМЕННОГО ТОКА BOBCAT)

ГЕНЕРАТОР ПЕРЕМЕННОГО ТОКА BOBCAT)

1Артикул: 6661611, ALTERNATOR Less Fan & Pulley
2Артикул: 6661611REM, ALTERNATOR, 55 AMP
3Артикул: 6661611, ALTERNATOR Was 6661611EF
Подробнее >
СТАРТЕР

СТАРТЕР

1Артикул: 6671014REM, STARTER 1998281 - Remanufactured - Was 6599152REM - A
2Артикул: 6671014, STARTER Remanufactured 10465417
3Артикул: STARTER, STARTER NLA - 10455340 - Order 6671014 - Was 6658835 - A
Подробнее >
СТАРТЕР (С УПЛОТНЕНИЕМ) (ДОПОЛНИТЕЛЬНЫЙ СТАРТЕР)

СТАРТЕР (С УПЛОТНЕНИЕМ) (ДОПОЛНИТЕЛЬНЫЙ СТАРТЕР)

1Артикул: STARTER, STARTER NLA - Sealed - Order 6671014 - Was 6658841 - A
2Артикул: 880609, BOLT
3Артикул: FRAME, FRAME NLA - W/Bushing - Was 999460B - A
Подробнее >
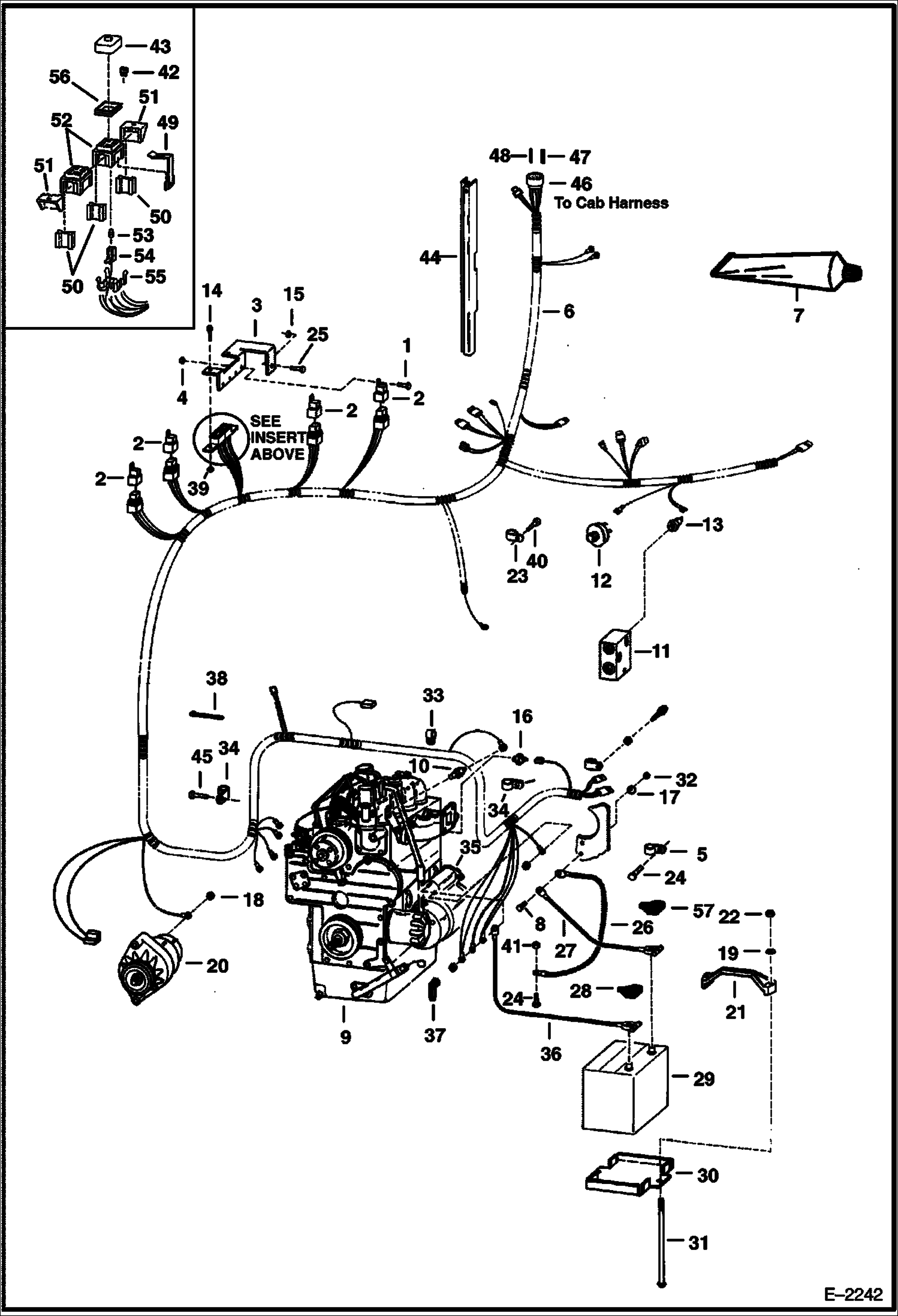
ЭЛЕКТРИЧЕСКАЯ СИСТЕМА ДВИГАТЕЛЯ

ЭЛЕКТРИЧЕСКАЯ СИСТЕМА ДВИГАТЕЛЯ

1Артикул: 17C412, BOLT 5
2Артикул: 6670312, SWITCH, MAGNETIC relay - Was 6665005 - A
3Артикул: 6708475, BRACKET
Подробнее >
ЭЛЕКТРИЧЕСКАЯ СИСТЕМА КАБИНЫ

ЭЛЕКТРИЧЕСКАЯ СИСТЕМА КАБИНЫ

1Артикул: 6707665, HARNESS
2Артикул: 35C410, BOLT 5
3Артикул: 30H56, CLIP
Подробнее >