+7 (701) 588 50 05 Телефон для связи
RU

WhatsApp

Позвонить

ЭЛЕКТРИЧЕСКАЯ СИСТЕМА в Алматы

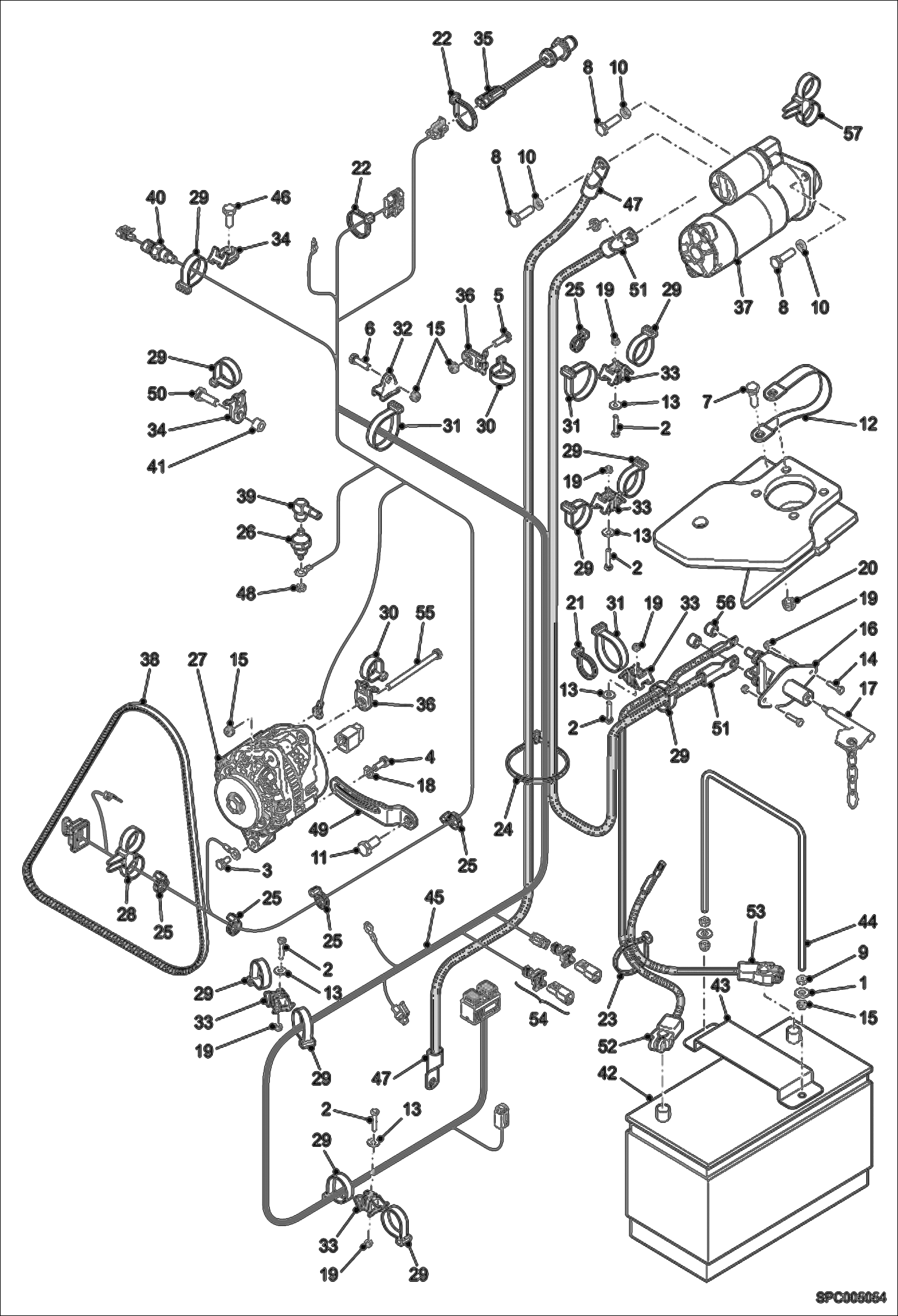
ЭЛЕКТРИЧЕСКАЯ СХЕМА (ДВИГАТЕЛЬ)

ЭЛЕКТРИЧЕСКАЯ СХЕМА (ДВИГАТЕЛЬ)

1Артикул: 000350-20Q, WASHER
2Артикул: 01593.3, Screw
3Артикул: 1CM816, BOLT Was 01595.8 - A
Подробнее >
ЭЛЕКТРИЧЕСКАЯ СХЕМА (КАБИНА)

ЭЛЕКТРИЧЕСКАЯ СХЕМА (КАБИНА)

1Артикул: 000348-12P, WASHER
2Артикул: 7228077, BULB, LIGHT Was 01443.1 - A
3Артикул: 1CM816, BOLT Was 01595.8 - A
Подробнее >
ЭЛЕКТРИЧЕСКАЯ СХЕМА ( ПАНЕЛЬ ПРИБОРОВ)

ЭЛЕКТРИЧЕСКАЯ СХЕМА ( ПАНЕЛЬ ПРИБОРОВ)

1Артикул: 01478.7, Screw
2Артикул: 6925010, SCREW
3Артикул: 65784.1, Blank Plug
Подробнее >
ЭЛЕКТРИЧЕСКАЯ СХЕМА (РАМА ШАССИ)

ЭЛЕКТРИЧЕСКАЯ СХЕМА (РАМА ШАССИ)

1Артикул: 1CM820, BOLT Was 01596.6 - B
2Артикул: 4CM825, BOLT Was 01597.4 - B
3Артикул: 01598.2, SCREW
Подробнее >