ЭЛЕКТРИЧЕСКАЯ СИСТЕМА в Алматы
ЭЛЕКТРИЧЕСКИЕ СИСТЕМЫ
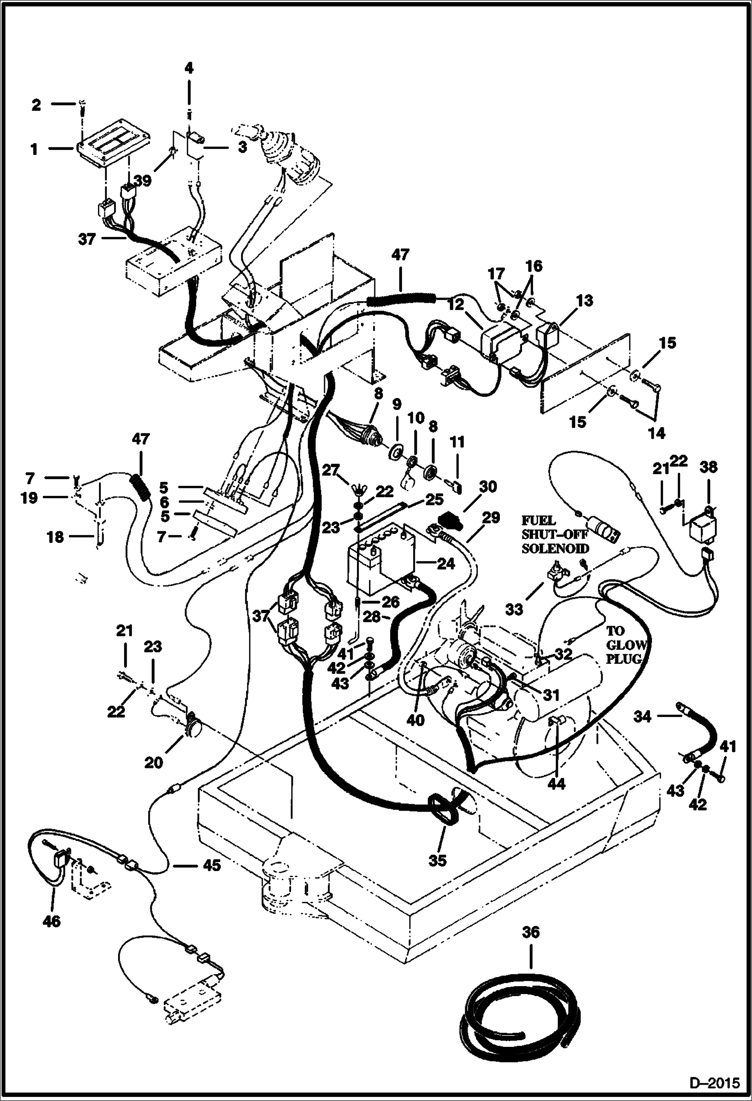
1Артикул: PANEL, PANEL NLA - Dash - Was 6534299 - A
2Артикул: 1CM635, BOLT Was 6535624 - A
3Артикул: 6664886, HOURMETER Was 6631657 - A
СТАРТЕР (KUBOTA#15461 - 63012)
1Артикул: 6988700, STARTER assy - W/Ref. 2-22 - Was 6662323 - A
2Артикул: 6662324, YOKE
3Артикул: 6662325, ARMATURE W/Ref. 4 & 5
СТАРТЕР (KUBOTA #15461 - 63010)
1Артикул: STARTER, STARTER NLA - Ref. 2-29 - order 6662323 -
2Артикул: 6653921, YOKE Was 6655897 - A
3Артикул: 3390002, ARMAT.ASY W/Ref. 4 & 5
ГЕНЕРАТОР ПЕРЕМЕННОГО ТОКА (ОТКРЫТЫЙ)
1Артикул: 6655541, ALTERNATOR Ref. 2-35 - Was 6633277 - A
2Артикул: ALTERNATOR, ALTERNATOR NLA - Order Ref. 1 - Was 6655541REM - A
3Артикул: 3974749, NUT