+7 (701) 588 50 05 Телефон для связи
RU

WhatsApp

Позвонить

ЭЛЕКТРИЧЕСКАЯ СИСТЕМА в Алматы

ЭЛЕКТРИЧЕСКИЕ СИСТЕМЫ (КОНСОЛЬ) (СЕРИЙНЫЙ НОМЕР 512913001 - 512915199)

ЭЛЕКТРИЧЕСКИЕ СИСТЕМЫ (КОНСОЛЬ) (СЕРИЙНЫЙ НОМЕР 512913001 - 512915199)

1Артикул: GAUGES, GAUGES NLA - Dash - order components - W/Ref. 2-8 - Was 6664268 - A
2Артикул: 6664022, COVER Lens - W/gasket
3Артикул: LENS, LENS NLA - warning lights - Was 6661205 - A
Подробнее >
СТАРТЕР (DELCO #10479606) (СЕРИЙНЫЙ НОМЕР 512913001 - 15199)

СТАРТЕР (DELCO #10479606) (СЕРИЙНЫЙ НОМЕР 512913001 - 15199)

1Артикул: 6665088, STARTER
2Артикул: 6665088REM, STARTER
3Артикул: SCREW, SCREW NSS
Подробнее >
ЭЛЕКТРИЧЕСКИЕ СИСТЕМЫ (ДВИГАТЕЛЬ) (СЕРИЙНЫЙ НОМЕР 512913001 - 512915199)

ЭЛЕКТРИЧЕСКИЕ СИСТЕМЫ (ДВИГАТЕЛЬ) (СЕРИЙНЫЙ НОМЕР 512913001 - 512915199)

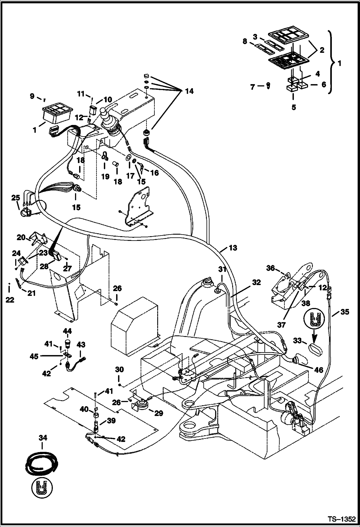
1Артикул: 6596799, HARNESS See Illustration ELECTRICAL SYSTEMS/ TS1352 - Engine - 2 piece - for console harness
2Артикул: 6670312, SWITCH, MAGNETIC relay
3Артикул: 6CM1220, BOLT
Подробнее >
ГЕНЕРАТОР

ГЕНЕРАТОР

1Артикул: 6661611, ALTERNATOR See BTIE-022 - Less pulley & fan - W/Ref. 2-4, 6 & 8-30
2Артикул: 6661611REM, ALTERNATOR, 55 AMP
3Артикул: 6661611, ALTERNATOR Was 6661611EF
Подробнее >
СТАРТЕР (СЕРИЙНЫЙ НОМЕР 512915200 И ВЫШЕ, 516711001 И ВЫШЕ, 517711001 И ВЫШЕ)

СТАРТЕР (СЕРИЙНЫЙ НОМЕР 512915200 И ВЫШЕ, 516711001 И ВЫШЕ, 517711001 И ВЫШЕ)

1Артикул: 6670727, STARTER
2Артикул: 6670727REM, STARTER
3Артикул: 6670727, STARTER Was 6670727EF
Подробнее >
ЭЛЕКТРИЧЕСКАЯ СИСТЕМА (ДВИГАТЕЛЬ) (СЕРИЙНЫЙ НОМЕР 512915200 И ВЫШЕ, 516711001 И ВЫШЕ, 517711001 И ВЫШЕ)

ЭЛЕКТРИЧЕСКАЯ СИСТЕМА (ДВИГАТЕЛЬ) (СЕРИЙНЫЙ НОМЕР 512915200 И ВЫШЕ, 516711001 И ВЫШЕ, 517711001 И ВЫШЕ)

1Артикул: 6802730, HARNESS Engine - W/Ref. 39
2Артикул: 6681513, SOLENOID Fuel Shut Off W/Ref. 3 - Was 6667993 - A
3Артикул: 6664286, BOOT Also Order Cable Tie 6610510 (1)
Подробнее >