+7 (701) 588 50 05 Телефон для связи
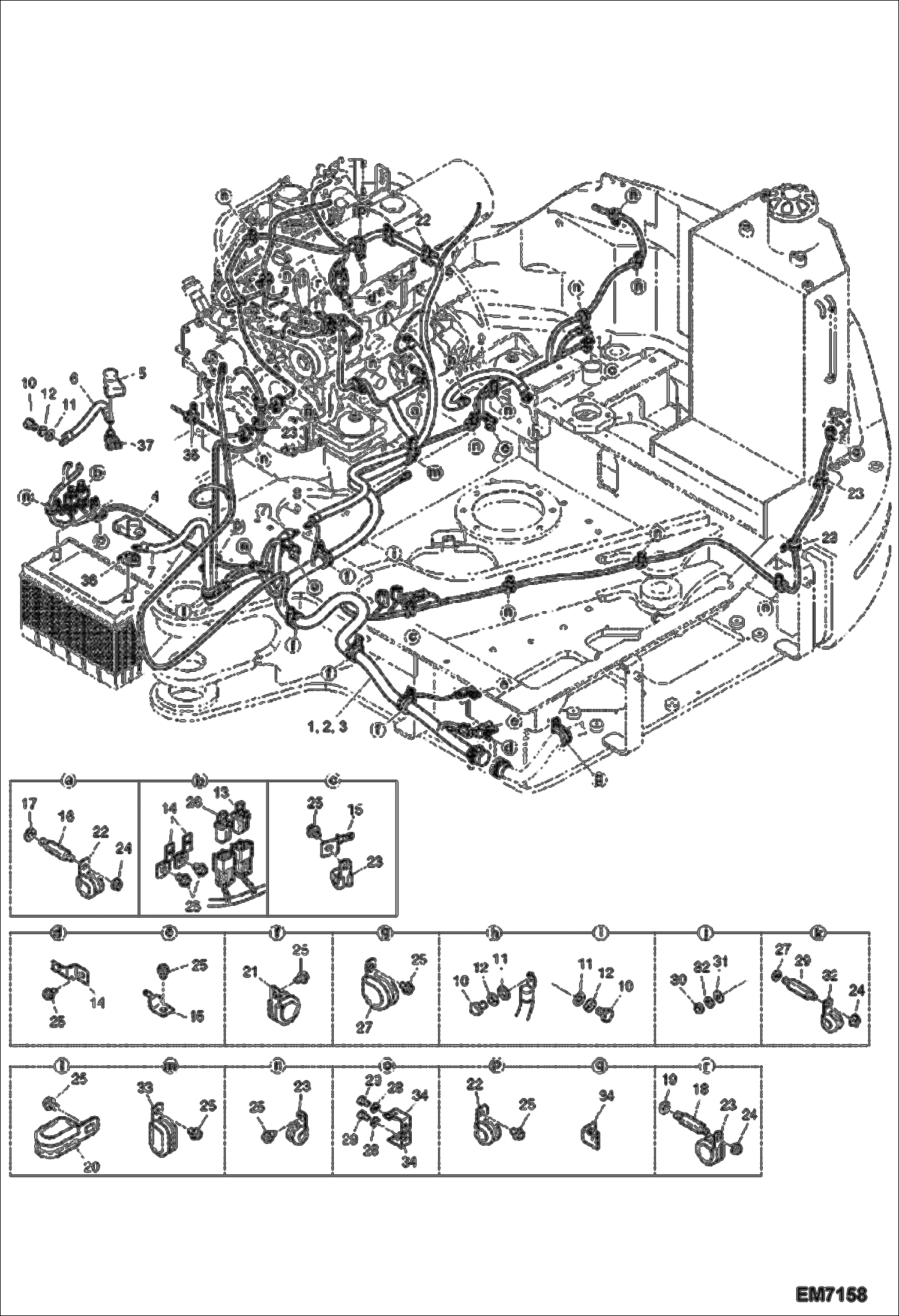
RU

WhatsApp

Позвонить

ЭЛЕКТРИЧЕСКАЯ СИСТЕМА в Алматы

ЭЛЕКТРИКА (АККУМУЛЯТОР, НАСОС ОМЫВАТЕЛЯ, КЛАКСОН, РЕЛЕ)

ЭЛЕКТРИКА (АККУМУЛЯТОР, НАСОС ОМЫВАТЕЛЯ, КЛАКСОН, РЕЛЕ)

1Артикул: 6987600, BATTERY, 100AH EMEA Only
2Артикул: 7269857, BATTERY WET 1000 CCA - Was 6665032 - A
3Артикул: 7006612, BRACKET BATTERY
Подробнее >
КЛАПАН УДЕРЖАНИЯ НАГРУЗКИ СТРЕЛЫ

КЛАПАН УДЕРЖАНИЯ НАГРУЗКИ СТРЕЛЫ

1Артикул: 7004912, SENSOR PRESSURE
2Артикул: 7005561, ELBOW
3Артикул: 7283267, O-RING Was 7007906 - A
Подробнее >
ЭЛЕКТРИКА (ДВИГАТЕЛЬ)

ЭЛЕКТРИКА (ДВИГАТЕЛЬ)

1Артикул: 7008223, HARNESS, MAIN W/Ref. 2-3
2Артикул: 7019189, HARNESS MAIN W/Ref. 2-3
3Артикул: 7004913, RESITOR DIODE
Подробнее >
ЭЛЕКТРИКА (БЛОК УПРАВЛЕНИЯ ДВИГАТЕЛЕМ)

ЭЛЕКТРИКА (БЛОК УПРАВЛЕНИЯ ДВИГАТЕЛЕМ)

1Артикул: 7010294, CONTROLLER ECU PREPROGRAMMED complete - W/Ref. 2-6 - Was 7008799 - A
2Артикул: 7015580, CONTROLLER ECU BLANK
3Артикул: 7007142, PLATE ECU
Подробнее >
СТАРТЕР

СТАРТЕР

1Артикул: 7007145, STARTER W/Ref. 2-30
2Артикул: 7007146, ARMATURE ASSY
3Артикул: 7007147, COIL ASSY FIELD W/Ref. 6-8
Подробнее >
ЭЛЕКТРИЧЕСКИЙ (КАБИНА)

ЭЛЕКТРИЧЕСКИЙ (КАБИНА)

1Артикул: 7006363, HOUSING CONTROL
2Артикул: 7007785, SCREW, M6X1.0X12
3Артикул: 7007833, WASHER, SPRING
Подробнее >
ГЕНЕРАТОР

ГЕНЕРАТОР

1Артикул: GENERATOR, GENERATOR NLA - Ref. 2-7 - Order 7259142 alternator kit - Was 7005002
2Артикул: 7259142, ALTERNATOR
3Артикул: 7004368, ROTOR ASSY
Подробнее >
ЭЛЕКТРИКА (КОНСОЛИ)

ЭЛЕКТРИКА (КОНСОЛИ)

1Артикул: 7006506, HARNESS CONTROL STAND LH
2Артикул: 7015618, HARNESS CONTROL STAND
3Артикул: 7006801, SWITCH STARTER
Подробнее >