+7 (701) 588 50 05 Телефон для связи
RU

WhatsApp

Позвонить

ЭЛЕКТРИЧЕСКАЯ УСТАНОВКА в Алматы

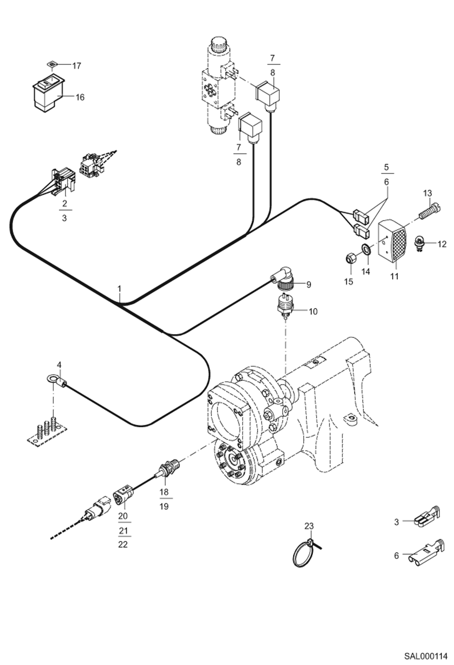
ЭЛЕКТРОПРОВОДКА ЗАДНЕГО ШАССИ

ЭЛЕКТРОПРОВОДКА ЗАДНЕГО ШАССИ

1Артикул: 0453840015, HARNESS, WIRE Was 6453840015 - A
2Артикул: 5110660293, REVERSING LIGHT LEFT Includes Ref. 4
3Артикул: 5110660295, REVERSING LIGHT RIGHT Includes Ref. 5
Подробнее >
КОНСОЛЬ

КОНСОЛЬ

1Артикул: 5110662043, WIRE HARNESS Includes Ref. 20 to 41 + 43 to 50
2Артикул: 5050651355, SWITCH
3Артикул: 5050651363, ROCKER SWITCH
Подробнее >
ПРИБОРНАЯ ПАНЕЛЬ

ПРИБОРНАЯ ПАНЕЛЬ

1Артикул: 5110662040, DISPLAY Was 5110662037
2Артикул: 5110662040, DISPLAY
3Артикул: 1212251006, NUT
Подробнее >
КЛАПАН С ДИСТАНЦИОННЫМ УПРАВЛЕНИЕМ

КЛАПАН С ДИСТАНЦИОННЫМ УПРАВЛЕНИЕМ

1Артикул: 5369661260, PILOT CONTR. VALVE Includes Ref. 2 to 30
2Артикул: 5369661301, JOYSTICK CPL. Includes Ref. 3 to 20
3Артикул: 5369661294, HANDLE RIGHT AND LEFT
Подробнее >
2-ЭЛЕКТРОПРОВОДКА МЕХАНИЧЕСКОЙ КОРОБКИ ПЕРЕДАЧ

2-ЭЛЕКТРОПРОВОДКА МЕХАНИЧЕСКОЙ КОРОБКИ ПЕРЕДАЧ

1Артикул: 0451539015, WIRE HARNESS Ref. 2-9
2Артикул: 5350249683, HOUSING (FEMALE)
3Артикул: 5350249552, CONNECTOR
Подробнее >
УСТРОЙСТВО ДЛЯ ВОЗВРАТА КОВША В ОБРАТНОЕ ПОЛОЖЕНИЕ С ОГРАНИЧИТЕЛЕМ ПО ВЫСОТЕ ПОДЪЕМА

УСТРОЙСТВО ДЛЯ ВОЗВРАТА КОВША В ОБРАТНОЕ ПОЛОЖЕНИЕ С ОГРАНИЧИТЕЛЕМ ПО ВЫСОТЕ ПОДЪЕМА

1Артикул: 0453280003, BRACKET
2Артикул: 5660199646, HOSE CLIP
3Артикул: 1007707914, BOLT
Подробнее >
ЭЛЕКТРООБОРУДОВАНИЕ КАБИНЫ ВОДИТЕЛЯ

ЭЛЕКТРООБОРУДОВАНИЕ КАБИНЫ ВОДИТЕЛЯ

1Артикул: 5110662035, WIRE HARNESS Includes Ref. 2 to 18
2Артикул: 5050226937, RING TONGUE
3Артикул: 5350249753, CONNECTOR
Подробнее >
ЭЛЕКТРОПРОВОДКА ПЕРЕДНЕГО ШАССИ

ЭЛЕКТРОПРОВОДКА ПЕРЕДНЕГО ШАССИ

1Артикул: 5110662034, WIRE HARNESS FRONT CH.
2Артикул: 5110660147, HEAD LIGHT RIGHT Includes Ref. 4 to 11
3Артикул: 5110660148, HEAD LIGHT LEFT Includes Ref. 4 to 10 + 12
Подробнее >
ЭЛЕКТРООБОРУДОВАНИЕ ДВИГАТЕЛЯ И АККУМУЛЯТОР

ЭЛЕКТРООБОРУДОВАНИЕ ДВИГАТЕЛЯ И АККУМУЛЯТОР

1Артикул: 5159650928, BATTERY
2Артикул: 6451011002, BRACKET
3Артикул: 6187505560, CLAMP STRAP
Подробнее >
ИММОБИЛАЙЗЕР

ИММОБИЛАЙЗЕР

1Артикул: 6451230000, IMMOBILIZER Include Ref. 5 to 23
2Артикул: 0451231002, CABLE SET
3Артикул: 0461730111, IMMOBILIZER Include Ref. 4 to 15 + 23
Подробнее >