+7 (701) 588 50 05 Телефон для связи
RU

WhatsApp

Позвонить

G210 EL.SYSTEM FRONT WAGON в Алматы

G210-12 EL.SYSTEM FRONT WAGON S5

G210-12 EL.SYSTEM FRONT WAGON S5

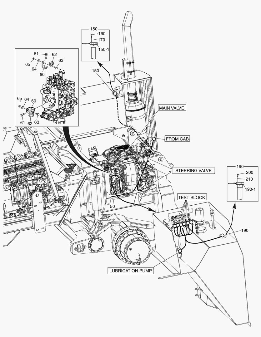
1Артикул: MX528333, CABLE SET
2Артикул: MX033536, BRACKET
3Артикул: MX512360, SCREW
Подробнее >
G210-8 EL.SYSTEM FRONT WAGON S3

G210-8 EL.SYSTEM FRONT WAGON S3

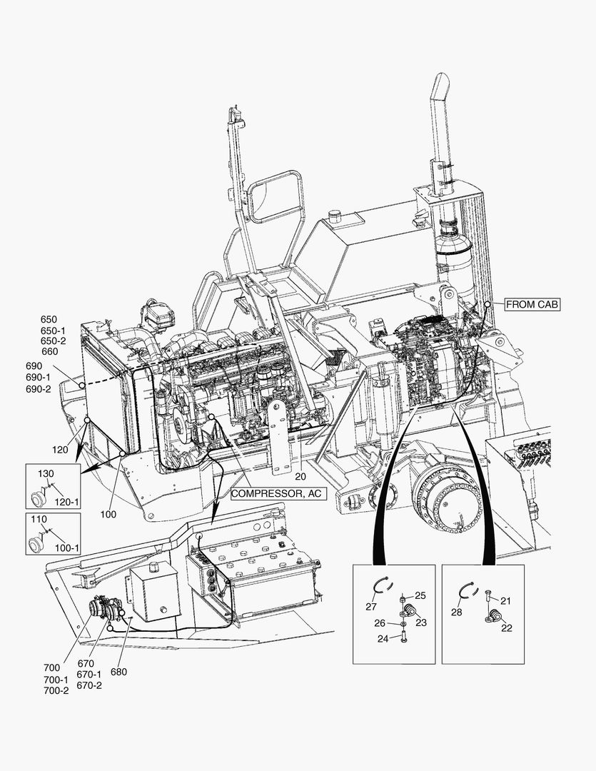
1Артикул: MX529309, CABLE SET
2Артикул: MX156555, SENSOR
3Артикул: MX058280, CONNECTOR
Подробнее >
G210-10 EL.SYSTEM FRONT WAGON S4

G210-10 EL.SYSTEM FRONT WAGON S4

1Артикул: MX528332, CABLE SET
2Артикул: MX061462, SCREW
3Артикул: MX063036, NUT
Подробнее >
G210-6 EL.SYSTEM FRONT WAGON S2

G210-6 EL.SYSTEM FRONT WAGON S2

1Артикул: MX528917, CABLE SET
2Артикул: MX056771, SCREW
3Артикул: MX065004, CLAMP
Подробнее >
G210-4 EL.SYSTEM FRONT WAGON S1

G210-4 EL.SYSTEM FRONT WAGON S1

1Артикул: MX528329, CABLE SET
2Артикул: MX524617, BATTERY
3Артикул: MX523435, SWITCH;MAIN CURRENT
Подробнее >