+7 (701) 588 50 05 Телефон для связи
RU

WhatsApp

Позвонить

ГИДРАВЛИЧЕСКАЯ СИСТЕМА в Алматы

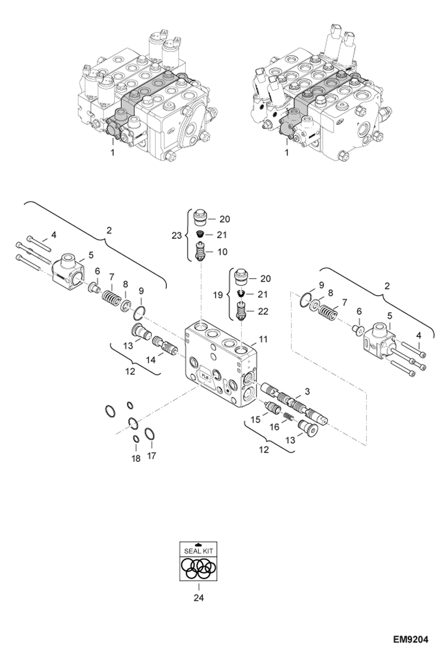
РЕГУЛИРУЮЩИЙ КЛАПАН СЕРИЙНЫЙ НОМЕР AC1C15286 И ВЫШЕ

РЕГУЛИРУЮЩИЙ КЛАПАН СЕРИЙНЫЙ НОМЕР AC1C15286 И ВЫШЕ

1Артикул: 6926273, MAIN VALVE Ref. 2-15
2Артикул: 7019153, KIT FULL INLET SECTION inlet
3Артикул: 7019155, KIT FULL WORKING SECTION lift
Подробнее >
ПРЕДОХРАНИТЕЛЬНЫЙ КЛАПАН

ПРЕДОХРАНИТЕЛЬНЫЙ КЛАПАН

1Артикул: 6918850, VALVE, SAFETY Ref. 2-23
2Артикул: 7015559, SCREW
3Артикул: 7015560, SPRING
Подробнее >
СЕКЦИЯ РЕГУЛИРУЮЩЕГО КЛАПАНА (ТЕЛЕСКОПИЧЕСКИЙ ПОГРУЗЧИК) СЕРИЙНЫЙ НОМЕР AC1C15286 И ВЫШЕ

СЕКЦИЯ РЕГУЛИРУЮЩЕГО КЛАПАНА (ТЕЛЕСКОПИЧЕСКИЙ ПОГРУЗЧИК) СЕРИЙНЫЙ НОМЕР AC1C15286 И ВЫШЕ

1Артикул: 7031592, SECTION WORKING telescope - Ref. 2-29
2Артикул: 6685300, VALVE Ref. 15 & 27-28
3Артикул: NUT, NUT NLA - Order Ref. 1
Подробнее >
СЕКЦИЯ РЕГУЛИРУЮЩЕГО КЛАПАНА (ВСПОМОГАТЕЛЬНОЕ УСТРОЙСТВО) СЕРИЙНЫЙ НОМЕР AC1C15286 И ВЫШЕ

СЕКЦИЯ РЕГУЛИРУЮЩЕГО КЛАПАНА (ВСПОМОГАТЕЛЬНОЕ УСТРОЙСТВО) СЕРИЙНЫЙ НОМЕР AC1C15286 И ВЫШЕ

1Артикул: 7031594, SECTION WORKING auxiliary - Ref. 2-25
2Артикул: 6921044, SPOOL
3Артикул: SPRING, SPRING NLA - Order Ref. 1
Подробнее >
СХЕМА ГИДРАВЛИЧЕСКОЙ СИСТЕМЫ (КЛАПАН БЛОКИРОВКИ) (СЕРИЙНЫЙ НОМЕР AC1C15000 И ВЫШЕ, AC1D15000 И ВЫШЕ)

СХЕМА ГИДРАВЛИЧЕСКОЙ СИСТЕМЫ (КЛАПАН БЛОКИРОВКИ) (СЕРИЙНЫЙ НОМЕР AC1C15000 И ВЫШЕ, AC1D15000 И ВЫШЕ)

1Артикул: 000350-02V, WASHER
2Артикул: 01522-2, SCREW
3Артикул: 01598-2, SCREW
Подробнее >
СХЕМА ГИДРАВЛИЧЕСКОЙ СИСТЕМЫ (КЛАПАН БЛОКИРОВКИ) (СЕРИЙНЫЙ НОМЕР AC1C11239 - AC1C14999, AC1D12000 - AC1D14999)

СХЕМА ГИДРАВЛИЧЕСКОЙ СИСТЕМЫ (КЛАПАН БЛОКИРОВКИ) (СЕРИЙНЫЙ НОМЕР AC1C11239 - AC1C14999, AC1D12000 - AC1D14999)

1Артикул: 000350-02V, WASHER
2Артикул: 01522-2, SCREW
3Артикул: 01598-2, SCREW
Подробнее >
СХЕМА ГИДРАВЛИЧЕСКОЙ СИСТЕМЫ (ВЫДВИЖНОЕ УСТРОЙСТВО СТРЕЛЫ) (СЕРИЙНЫЙ НОМЕР AC1C11239 И ВЫШЕ)

СХЕМА ГИДРАВЛИЧЕСКОЙ СИСТЕМЫ (ВЫДВИЖНОЕ УСТРОЙСТВО СТРЕЛЫ) (СЕРИЙНЫЙ НОМЕР AC1C11239 И ВЫШЕ)

1Артикул: 6692934, PRESSURE SWITCH
2Артикул: 6927237, MANIFOLD See Illustration HYDRAULIC COLLECTOR/ EM8433 - W/Ref. 7
3Артикул: 6927275, PIPE
Подробнее >
ЦИЛИНДР КОМПЕНСАЦИИ

ЦИЛИНДР КОМПЕНСАЦИИ

1Артикул: 6920426, RAM W/Ref. 2-8
2Артикул: 6912993, SET OF SEALS
3Артикул: 6912994, RAM CYLINDER
Подробнее >
СЕКЦИЯ РЕГУЛИРУЮЩЕГО КЛАПАНА (ВСПОМОГАТЕЛЬНОЕ УСТРОЙСТВО) (СЕРИЙНЫЙ НОМЕР AC1C11239 И ВЫШЕ, AC1D12000 И ВЫШЕ)

СЕКЦИЯ РЕГУЛИРУЮЩЕГО КЛАПАНА (ВСПОМОГАТЕЛЬНОЕ УСТРОЙСТВО) (СЕРИЙНЫЙ НОМЕР AC1C11239 И ВЫШЕ, AC1D12000 И ВЫШЕ)

1Артикул: 7019158, KIT FULL WORKING SECTION auxiliary - Ref. 2-26
2Артикул: 6921048, SPOOL COMMAND WITH COIL Ref. 3-12
3Артикул: SPRING, SPRING NLA - Order Ref. 2
Подробнее >
СХЕМА ГИДРАВЛИЧЕСКОЙ СИСТЕМЫ (РЕГУЛИРУЮЩИЙ КЛАПАН) (СЕРИЙНЫЙ НОМЕР AC1C11001 - AC1C11238, AC1D11001 - AC1D11999)

СХЕМА ГИДРАВЛИЧЕСКОЙ СИСТЕМЫ (РЕГУЛИРУЮЩИЙ КЛАПАН) (СЕРИЙНЫЙ НОМЕР AC1C11001 - AC1C11238, AC1D11001 - AC1D11999)

1Артикул: 000326-25M, SCREW
2Артикул: 01598-2, SCREW
3Артикул: 1CM1016, SCREW Was 01603-0 - B
Подробнее >
ГИДРАВЛИЧЕСКИЙ КОЛЛЕКТОР

ГИДРАВЛИЧЕСКИЙ КОЛЛЕКТОР

1Артикул: 6927238, MANIFOLD W/Ref. 2-11
2Артикул: 7011887, KIT, SEAL
3Артикул: 6679078, SEAL KIT Was 7011888 - A
Подробнее >
СЕКЦИЯ РЕГУЛИРУЮЩЕГО КЛАПАНА (ПОДЪЕМНОЕ УСТРОЙСТВО) (СЕРИЙНЫЙ НОМЕР AC1C11239 И ВЫШЕ, AC1D12000 И ВЫШЕ)

СЕКЦИЯ РЕГУЛИРУЮЩЕГО КЛАПАНА (ПОДЪЕМНОЕ УСТРОЙСТВО) (СЕРИЙНЫЙ НОМЕР AC1C11239 И ВЫШЕ, AC1D12000 И ВЫШЕ)

1Артикул: 7019155, KIT FULL WORKING SECTION lift - Ref. 2-24
2Артикул: SCREW, SCREW NLA - Order Ref. 26
3Артикул: PLUG, PLUG NLA - Order Ref. 25
Подробнее >
СЕКЦИЯ РЕГУЛИРУЮЩЕГО КЛАПАНА (НАКЛОН) (СЕРИЙНЫЙ НОМЕР AC1C11239 И ВЫШЕ, AC1D12000 И ВЫШЕ)

СЕКЦИЯ РЕГУЛИРУЮЩЕГО КЛАПАНА (НАКЛОН) (СЕРИЙНЫЙ НОМЕР AC1C11239 И ВЫШЕ, AC1D12000 И ВЫШЕ)

1Артикул: 7019156, KIT FULL WORKING SECTION tilt - Ref. 2-24
2Артикул: 7011911, KIT COMMAND CYLINDER ALONE Ref. 4-10
3Артикул: 6921042, SPOOL
Подробнее >
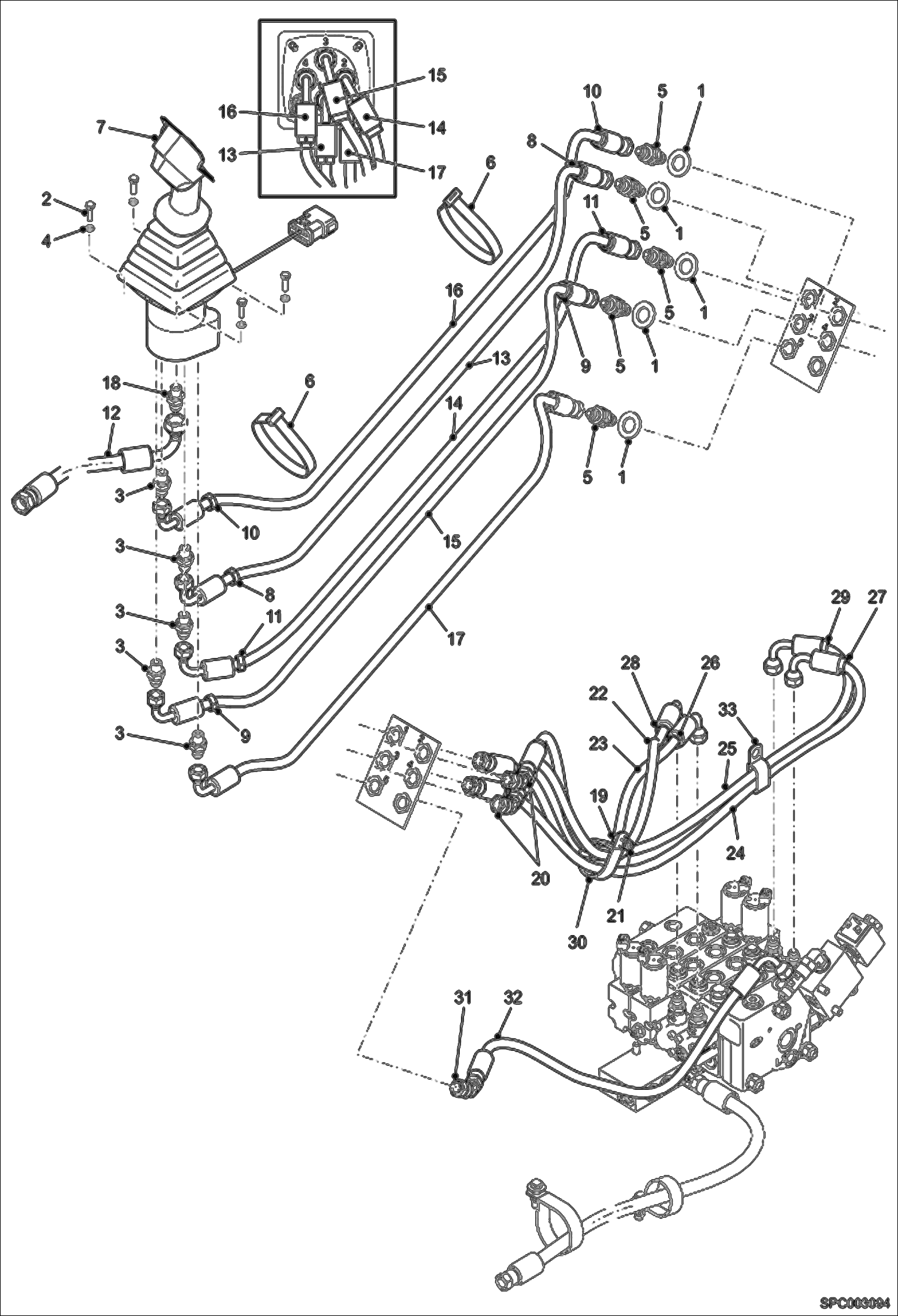
УСТАНОВКА ДЖОЙСТИКА (СЕРИЙНЫЙ НОМЕР AC1C11239 И ВЫШЕ, AC1D12000 И ВЫШЕ)

УСТАНОВКА ДЖОЙСТИКА (СЕРИЙНЫЙ НОМЕР AC1C11239 И ВЫШЕ, AC1D12000 И ВЫШЕ)

1Артикул: 000350-06A, WASHER
2Артикул: 01591-7, SCREW
3Артикул: 022375-31Z, UNION
Подробнее >
СЕКЦИЯ РЕГУЛИРУЮЩЕГО КЛАПАНА (ТЕЛЕСКОПИЧЕСКИЙ ПОГРУЗЧИК) (СЕРИЙНЫЙ НОМЕР AC1C11239 И ВЫШЕ, AC1D12000 И ВЫШЕ)

СЕКЦИЯ РЕГУЛИРУЮЩЕГО КЛАПАНА (ТЕЛЕСКОПИЧЕСКИЙ ПОГРУЗЧИК) (СЕРИЙНЫЙ НОМЕР AC1C11239 И ВЫШЕ, AC1D12000 И ВЫШЕ)

1Артикул: 7019157, KIT FULL WORKING SECTION telescope - Ref. 2-30
2Артикул: 6921047, SPOOL COMMAND WITH COIL Ref. 3-14
3Артикул: NUT, NUT NLA - Order Ref. 2
Подробнее >
ЦИЛИНДР ПОДЪЕМА

ЦИЛИНДР ПОДЪЕМА

1Артикул: 6920427, LIFTING RAM W/Ref. 2-7
2Артикул: 6921000, SET OF SEALS
3Артикул: 6921001, RAM CYLINDER
Подробнее >
ВКЛЮЧАТЕЛЬ (ТОРМОЗНОЙ КЛАПАН)

ВКЛЮЧАТЕЛЬ (ТОРМОЗНОЙ КЛАПАН)

1Артикул: 100372-06G, UNION
2Артикул: 6938297, SWITCH, PRESSURE Was 6912465 - A
3Артикул: 6916745, UNION
Подробнее >
СХЕМА ГИДРАВЛИЧЕСКОЙ СИСТЕМЫ (КЛАПАН БЛОКИРОВКИ) (СЕРИЙНЫЙ НОМЕР AC1C11001 - AC1C11238, AC1D11001 - AC1D11999)

СХЕМА ГИДРАВЛИЧЕСКОЙ СИСТЕМЫ (КЛАПАН БЛОКИРОВКИ) (СЕРИЙНЫЙ НОМЕР AC1C11001 - AC1C11238, AC1D11001 - AC1D11999)

1Артикул: 01522-2, SCREW
2Артикул: 77013-1, UNION
3Артикул: 77014-9, PLATE
Подробнее >
СЕКЦИЯ РЕГУЛИРУЮЩЕГО КЛАПАНА (ВЫХОДНОЙ ПАТРУБОК) (СЕРИЙНЫЙ НОМЕР AC1C11239 И ВЫШЕ, AC1D12000 И ВЫШЕ)

СЕКЦИЯ РЕГУЛИРУЮЩЕГО КЛАПАНА (ВЫХОДНОЙ ПАТРУБОК) (СЕРИЙНЫЙ НОМЕР AC1C11239 И ВЫШЕ, AC1D12000 И ВЫШЕ)

1Артикул: 7011903, KIT OUTLET SECTION outlet - Ref. 2-9
2Артикул: BODY, BODY NLA - Order Ref. 1
3Артикул: 6679600, PLUG
Подробнее >
СХЕМА ГИДРАВЛИЧЕСКОЙ СИСТЕМЫ (РЕГУЛИРУЮЩИЙ КЛАПАН) (СЕРИЙНЫЙ НОМЕР AC1C11239 - AC1C14999, AC1D12000 - AC1D14999)

СХЕМА ГИДРАВЛИЧЕСКОЙ СИСТЕМЫ (РЕГУЛИРУЮЩИЙ КЛАПАН) (СЕРИЙНЫЙ НОМЕР AC1C11239 - AC1C14999, AC1D12000 - AC1D14999)

1Артикул: 1CM820, BOLT Was 01596-6 - B
2Артикул: 01598-2, SCREW
3Артикул: 01681-6, NUT Was 51851-4 - B
Подробнее >
ТЕЛЕСКОПИЧЕСКИЙ ЦИЛИНДР

ТЕЛЕСКОПИЧЕСКИЙ ЦИЛИНДР

1Артикул: 6921439, TELESCOPIC CYLINDER W/Ref. 2-8
2Артикул: 7022165, KIT, SEAL Was 6921006 - A
3Артикул: 6921007, RAM CYLINDER
Подробнее >
ЦИЛИНДР НАКЛОНА

ЦИЛИНДР НАКЛОНА

1Артикул: 6922428, TILT CYLINDER W/Ref. 2-10
2Артикул: 6921011, SET OF SEALS
3Артикул: 6921012, RAM CYLINDER
Подробнее >
СЕКЦИЯ РЕГУЛИРУЮЩЕГО КЛАПАНА (ВПУСКНОЕ ОТВЕРСТИЕ) (СЕРИЙНЫЙ НОМЕР AC1C11239 И ВЫШЕ, AC1D12000 И ВЫШЕ)

СЕКЦИЯ РЕГУЛИРУЮЩЕГО КЛАПАНА (ВПУСКНОЕ ОТВЕРСТИЕ) (СЕРИЙНЫЙ НОМЕР AC1C11239 И ВЫШЕ, AC1D12000 И ВЫШЕ)

1Артикул: 7019153, KIT FULL INLET SECTION inlet - Ref. 2-8
2Артикул: PLUG, PLUG NAP - Order Ref. 4
3Артикул: KIT, KIT SPOOL NLA- Order Ref. 4 - Was 7023764 - D
Подробнее >
УСТАНОВКА ДЖОЙСТИКА (СЕРИЙНЫЙ НОМЕР AC1C11001 - AC1C11238, AC1D11001 - AC1D11999)

УСТАНОВКА ДЖОЙСТИКА (СЕРИЙНЫЙ НОМЕР AC1C11001 - AC1C11238, AC1D11001 - AC1D11999)

1Артикул: 000350-06A, WASHER
2Артикул: 01591-7, SCREW
3Артикул: 022375-31Z, UNION
Подробнее >