+7 (701) 588 50 05 Телефон для связи
RU

WhatsApp

Позвонить

ГИДРАВЛИЧЕСКАЯ СИСТЕМА в Алматы

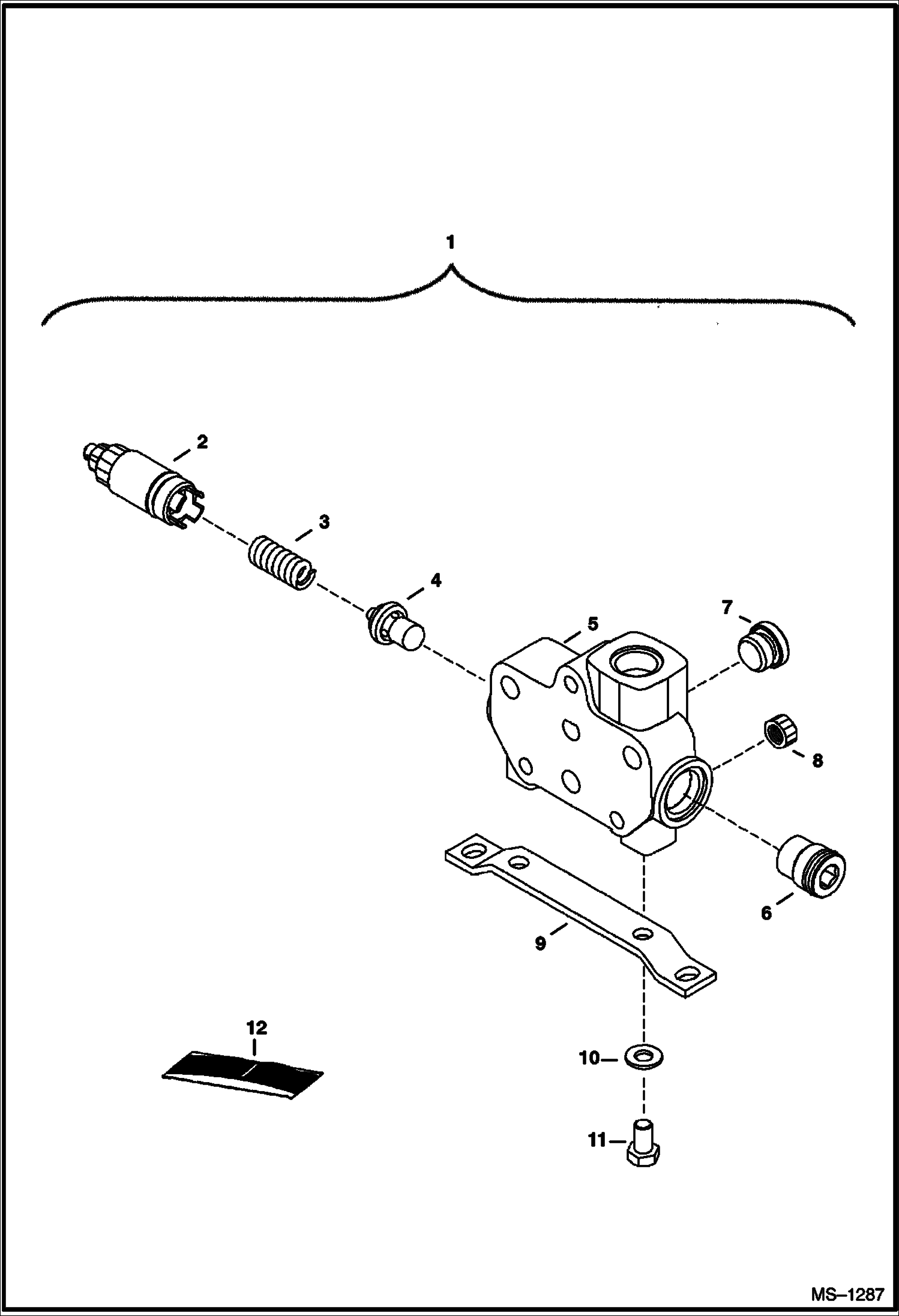
КЛАПАН (БЛОКИРОВКА) (НАКЛОН)

КЛАПАН (БЛОКИРОВКА) (НАКЛОН)

1Артикул: 6679169, VALVE tilt - Ref. 2-4
2Артикул: 6662790, NUT
3Артикул: 6679285, COIL
Подробнее >
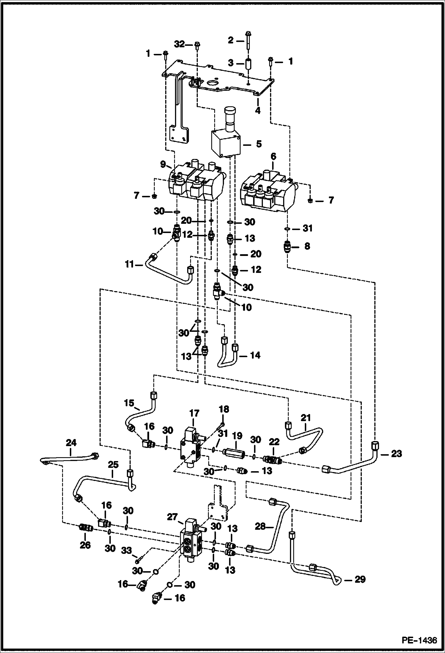
СХЕМА ГИДРАВЛИЧЕСКОЙ СИСТЕМЫ (РАБОЧИЕ ЦИЛИНДРЫ)

СХЕМА ГИДРАВЛИЧЕСКОЙ СИСТЕМЫ (РАБОЧИЕ ЦИЛИНДРЫ)

1Артикул: 84G3724, BOLT
2Артикул: 872229, WASHER
3Артикул: 6592506, CLAMP
Подробнее >
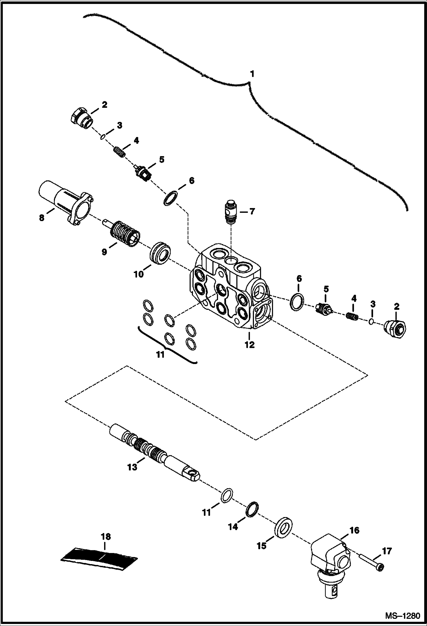
КЛАПАН (СЕРИЙНЫЙ НОМЕР 520611001 - 520612036, 522411001 - 522411117)

КЛАПАН (СЕРИЙНЫЙ НОМЕР 520611001 - 520612036, 522411001 - 522411117)

1Артикул: 6678823, VALVE Ref. 2-10
2Артикул: END, END CAP NLA - Order 6679979 - Was 6679496 - A
3Артикул: SPOOL, SPOOL CONTROL NLA - Order 6679979 - Was 6679497 - A
Подробнее >
ОДИН КЛАПАН (СЕРИЙНЫЙ НОМЕР 520611001 - 520612036, 522411001 - 522411117)

ОДИН КЛАПАН (СЕРИЙНЫЙ НОМЕР 520611001 - 520612036, 522411001 - 522411117)

1Артикул: 6678822, VALVE Ref. 2-10
2Артикул: END, END CAP NLA - Order 6679979 - Was 6679496 - A
3Артикул: SPOOL, SPOOL CONTROL NLA - Order 6679979 - Was 6679497 - A
Подробнее >
СЕКЦИЯ РАСПРЕДЕЛИТЕЛЯ (НАКЛОН)

СЕКЦИЯ РАСПРЕДЕЛИТЕЛЯ (НАКЛОН)

1Артикул: 6679728, VALVE section - tilt - Ref. 2-17
2Артикул: PLUG, PLUG NSS
3Артикул: SPACER, SPACER NSS
Подробнее >
СЕКЦИЯ РАСПРЕДЕЛИТЕЛЯ (ПРАВОСТОРОННИЙ ХОД)

СЕКЦИЯ РАСПРЕДЕЛИТЕЛЯ (ПРАВОСТОРОННИЙ ХОД)

1Артикул: 6679711, VALVE Section - Travel - Ref. 2-20
2Артикул: END, END CAP NSS
3Артикул: SPRING, SPRING ASSY NSS
Подробнее >
СЕКЦИЯ РАСПРЕДЕЛИТЕЛЯ (РАБОЧАЯ)

СЕКЦИЯ РАСПРЕДЕЛИТЕЛЯ (РАБОЧАЯ)

1Артикул: 6679710, VALVE section - work - Ref. 2-12
2Артикул: 6679618, PLUG
3Артикул: O-RING, O-RING NSS
Подробнее >
КЛАПАН РЕГУЛИРОВАНИЯ СКОРОСТИ

КЛАПАН РЕГУЛИРОВАНИЯ СКОРОСТИ

1Артикул: 6678824, VALVE W/Ref. 2-11
2Артикул: 6679492, HANDLE ASSY W/Ref. 3-6
3Артикул: 6679489, KNOB
Подробнее >
СХЕМА ГИДРАВЛИЧЕСКОЙ СИСТЕМЫ (ОХЛАЖДЕНИЕ, ФИЛЬТР, БАК)

СХЕМА ГИДРАВЛИЧЕСКОЙ СИСТЕМЫ (ОХЛАЖДЕНИЕ, ФИЛЬТР, БАК)

1Артикул: 6727475, CAP, OIL HYD hydraulic
2Артикул: 6700631, GASKET
3Артикул: 6730684, TANK hydraulic
Подробнее >
СХЕМА ГИДРАВЛИЧЕСКОЙ СИСТЕМЫ (ХОД) (СЕРИЙНЫЙ НОМЕР 520612037 И ВЫШЕ, 522411118 И ВЫШЕ)

СХЕМА ГИДРАВЛИЧЕСКОЙ СИСТЕМЫ (ХОД) (СЕРИЙНЫЙ НОМЕР 520612037 И ВЫШЕ, 522411118 И ВЫШЕ)

1Артикул: 35C516, BOLT 10
2Артикул: 31C640, BOLT
3Артикул: 6731460, SPACER
Подробнее >
СХЕМА ГИДРАВЛИЧЕСКОЙ СИСТЕМЫ (ХОД) (СЕРИЙНЫЙ НОМЕР 520611001 - 520612036L, 522411001 - 522411117)

СХЕМА ГИДРАВЛИЧЕСКОЙ СИСТЕМЫ (ХОД) (СЕРИЙНЫЙ НОМЕР 520611001 - 520612036L, 522411001 - 522411117)

1Артикул: 35C516, BOLT 10
2Артикул: 31C640, BOLT
3Артикул: 6731460, SPACER
Подробнее >
СЕКЦИЯ РАСПРЕДЕЛИТЕЛЯ (ПОДЪЕМНОЕ УСТРОЙСТВО)

СЕКЦИЯ РАСПРЕДЕЛИТЕЛЯ (ПОДЪЕМНОЕ УСТРОЙСТВО)

1Артикул: 6679727, VALVE section - lift - Ref. 2-18
2Артикул: PLUG, PLUG NSS
3Артикул: SPACER, SPACER NSS
Подробнее >
ШЕСТЕРЕННЫЙ НАСОС (СЕРИЙНЫЙ НОМЕР 520611906 И ВЫШЕ, 522411089 И ВЫШЕ)

ШЕСТЕРЕННЫЙ НАСОС (СЕРИЙНЫЙ НОМЕР 520611906 И ВЫШЕ, 522411089 И ВЫШЕ)

1Артикул: 6681921, GEAR PUMP gear - Ref. 2-25
2Артикул: BLOCK, BLOCK NSS
3Артикул: 6683381, COVER FRONT front
Подробнее >
СЕКЦИЯ РАСПРЕДЕЛИТЕЛЯ (ВЫХОДНОЙ ПАТРУБОК)

СЕКЦИЯ РАСПРЕДЕЛИТЕЛЯ (ВЫХОДНОЙ ПАТРУБОК)

1Артикул: 6679725, VALVE section - outlet - Ref. 2-9
2Артикул: BODY, BODY NSS
3Артикул: 6679629, PLUG
Подробнее >
СЕКЦИЯ РАСПРЕДЕЛИТЕЛЯ (ВСПОМОГАТЕЛЬНАЯ)

СЕКЦИЯ РАСПРЕДЕЛИТЕЛЯ (ВСПОМОГАТЕЛЬНАЯ)

1Артикул: 6679726, VALVE section - auxilliary - Ref. 2-23
2Артикул: END, END CAP NSS
3Артикул: SPOOL, SPOOL LOCK NSS
Подробнее >
КЛАПАН (БЛОКИРОВКА) (ПОДЪЕМНОЕ УСТРОЙСТВО)

КЛАПАН (БЛОКИРОВКА) (ПОДЪЕМНОЕ УСТРОЙСТВО)

1Артикул: 6678925, VALVE lift - Ref. 2-4
2Артикул: 6662790, NUT
3Артикул: 6679285, COIL
Подробнее >
ОДИН КЛАПАН (СЕРИЙНЫЙ НОМЕР 520612037 И ВЫШЕ, 522411118 И ВЫШЕ)

ОДИН КЛАПАН (СЕРИЙНЫЙ НОМЕР 520612037 И ВЫШЕ, 522411118 И ВЫШЕ)

1Артикул: 6682153, VALVE DIVERTER 6WAY Ref. 2-11
2Артикул: 6683821, CAP ASSEMBLY W/Ref. 3
3Артикул: SPRING, SPRING NSS- Order Ref. 2
Подробнее >
ЦИЛИНДР НАКЛОНА

ЦИЛИНДР НАКЛОНА

1Артикул: 6815798, CYLINDER, TILT Ref. 2-13, 16 & 18-20 - Was 6815746 - A
2Артикул: 6808668, CASE
3Артикул: 92D14, NUT
Подробнее >
СЕКЦИЯ РАСПРЕДЕЛИТЕЛЯ (ЛЕВОСТОРОННИЙ ХОД)

СЕКЦИЯ РАСПРЕДЕЛИТЕЛЯ (ЛЕВОСТОРОННИЙ ХОД)

1Артикул: 6679824, VALVE section - travel - Ref. 2-20
2Артикул: END, END CAP NSS
3Артикул: SPRING, SPRING ASSY NSS
Подробнее >
СЕКЦИЯ РАСПРЕДЕЛИТЕЛЯ (ВПУСКНОЕ ОТВЕРСТИЕ)

СЕКЦИЯ РАСПРЕДЕЛИТЕЛЯ (ВПУСКНОЕ ОТВЕРСТИЕ)

1Артикул: 6679709, VALVE section - inlet - Ref. 2-12
2Артикул: CAP, CAP NSS
3Артикул: O-RING, O-RING NSS
Подробнее >
СЕКЦИЯ РАСПРЕДЕЛИТЕЛЯ (ПОДЪЕМНОЕ УСТРОЙСТВО) (СЕРИЙНЫЙ НОМЕР И ВЫШЕ)

СЕКЦИЯ РАСПРЕДЕЛИТЕЛЯ (ПОДЪЕМНОЕ УСТРОЙСТВО) (СЕРИЙНЫЙ НОМЕР И ВЫШЕ)

1Артикул: 6682031, VALVE SECTION Section - Lift - Ref. 2-23
2Артикул: PLUG, PLUG NSS
3Артикул: SPACER, SPACER NSS
Подробнее >
ШЕСТЕРЕННЫЙ НАСОС (СЕРИЙНЫЙ НОМЕР 520611001 - 520611905, 522411001 - 522411088)

ШЕСТЕРЕННЫЙ НАСОС (СЕРИЙНЫЙ НОМЕР 520611001 - 520611905, 522411001 - 522411088)

1Артикул: GEAR, GEAR PUMP NLA - gear - Ref. 2-19 - Order 6681921 - Was 6678819 - A
2Артикул: 6679164, SNAP RING
3Артикул: 6679163, SEAL shaft
Подробнее >
ЦИЛИНДР ПОДЪЕМА

ЦИЛИНДР ПОДЪЕМА

1Артикул: 6812771, CYLINDER Ref. 2-18
2Артикул: 6812773, CASE
3Артикул: 92D14, NUT
Подробнее >