+7 (701) 588 50 05 Телефон для связи
RU

WhatsApp

Позвонить

ГИДРАВЛИЧЕСКАЯ СИСТЕМА в Алматы

СХЕМА ГИДРАВЛИЧЕСКОЙ СИСТЕМЫ (С СОЕДИНИТЕЛЬНОЙ ПАНЕЛЬЮ ОБВОДНОГО КЛАПАНА) (СЕРИЙНЫЙ НОМЕР A3P213445 И ВЫШЕ)

СХЕМА ГИДРАВЛИЧЕСКОЙ СИСТЕМЫ (С СОЕДИНИТЕЛЬНОЙ ПАНЕЛЬЮ ОБВОДНОГО КЛАПАНА) (СЕРИЙНЫЙ НОМЕР A3P213445 И ВЫШЕ)

1Артикул: CYLINDER,, CYLINDER, LIFT See Illustration LIFT CYLINDER/ NA6139
2Артикул: CYLINDER,, CYLINDER, TILT - RH
3Артикул: CYLINDER,, CYLINDER, TILT - LH
Подробнее >
ВСПОМОГАТЕЛЬНЫЕ ГИДРАВЛИЧЕСКИЕ МЕХАНИЗМЫ (СЕРИЙНЫЙ НОМЕР A3P211001 - A3P213444)

ВСПОМОГАТЕЛЬНЫЕ ГИДРАВЛИЧЕСКИЕ МЕХАНИЗМЫ (СЕРИЙНЫЙ НОМЕР A3P211001 - A3P213444)

1Артикул: VALVE,, VALVE, CONTROL See Illustration HYDRAULIC CONTROL VALVE/ NA1216 - manual controls
2Артикул: VALVE,, VALVE, CONTROL See Illustration HYDRAULIC CONTROL VALVE/ NA1217 - AHC, ACS & SJC
3Артикул: 15KB1216, FITTING, HYD CONNECTOR
Подробнее >
ГИДРОЦИЛИНДР ПОДЪЕМА (82,6 ММ) (3.25--) ДИАМЕТР ОТВЕРСТИЯ

ГИДРОЦИЛИНДР ПОДЪЕМА (82,6 ММ) (3.25--) ДИАМЕТР ОТВЕРСТИЯ

1Артикул: 7245374, CYLINDER, HYD Ref. 2-18
2Артикул: 6667328, SEAL
3Артикул: 6686998, WIPER, ROD CYL
Подробнее >
СХЕМА ГИДРАВЛИЧЕСКОЙ СИСТЕМЫ (С СОЕДИНИТЕЛЬНОЙ ПАНЕЛЬЮ ОБВОДНОГО КЛАПАНА) (СЕРИЙНЫЙ НОМЕР A3P211001 - A3P213444)

СХЕМА ГИДРАВЛИЧЕСКОЙ СИСТЕМЫ (С СОЕДИНИТЕЛЬНОЙ ПАНЕЛЬЮ ОБВОДНОГО КЛАПАНА) (СЕРИЙНЫЙ НОМЕР A3P211001 - A3P213444)

1Артикул: CYLINDER,, CYLINDER, LIFT See Illustration LIFT CYLINDER/ NA6139
2Артикул: CYLINDER,, CYLINDER, TILT See Illustration TILT CYLINDER/ NA1210 - RH
3Артикул: CYLINDER,, CYLINDER, TILT See Illustration TILT CYLINDER/ NA1209 - LH
Подробнее >
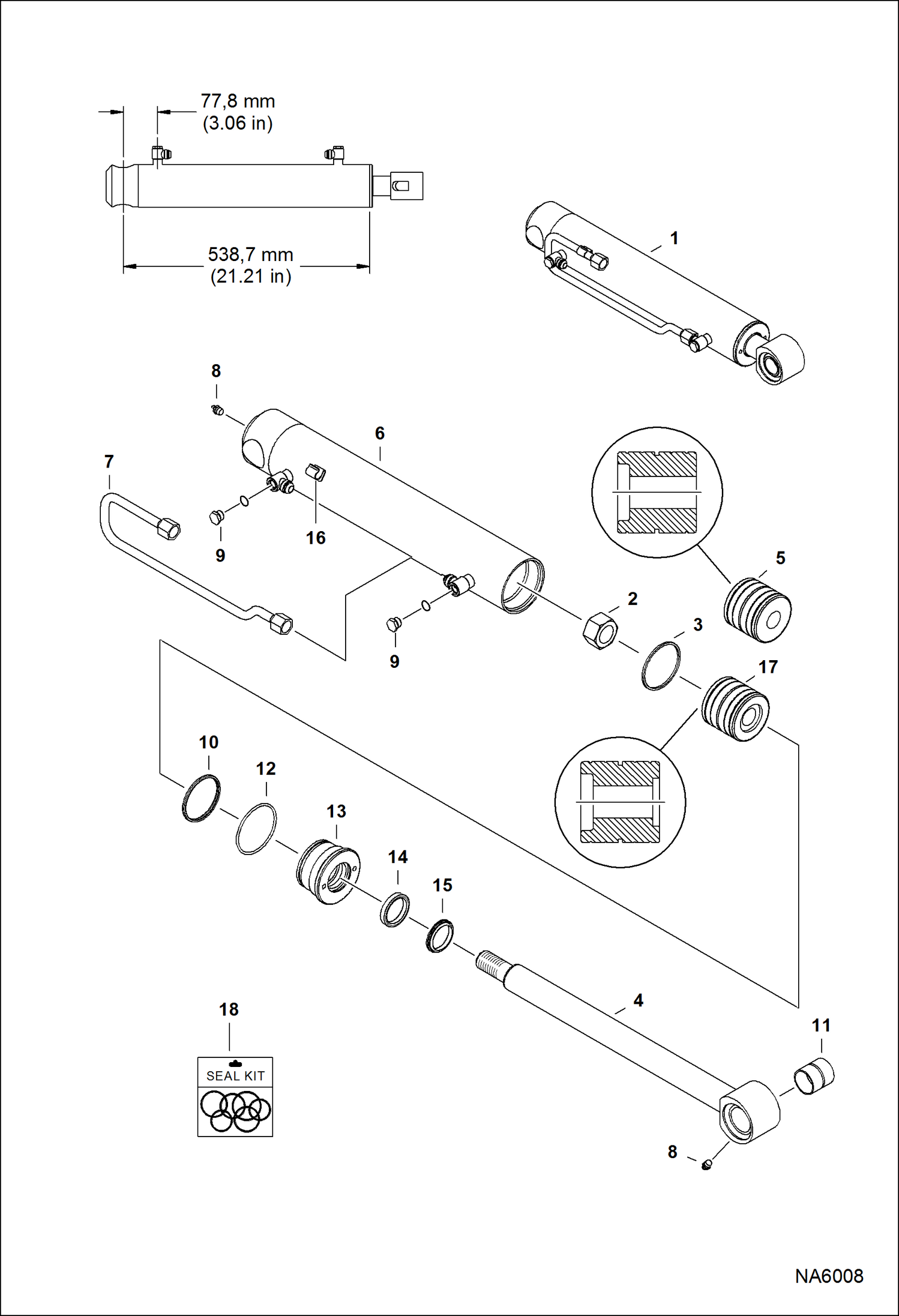
ЦИЛИНДРА НАКЛОНА (ПРАВОСТОРОННИЙ)(538,7 ММ - 21.21-- ДЛИНА ПАТРУБКА КАРТЕРА) (41,3 ММ - 1.625-- OD ВАЛ) (СЕРИЙНЫЙ НОМЕР A3P211001 - A3P214685)

ЦИЛИНДРА НАКЛОНА (ПРАВОСТОРОННИЙ)(538,7 ММ - 21.21-- ДЛИНА ПАТРУБКА КАРТЕРА) (41,3 ММ - 1.625-- OD ВАЛ) (СЕРИЙНЫЙ НОМЕР A3P211001 - A3P214685)

1Артикул: CYLINDER,, CYLINDER, TILT NLA - Ref. 2-16 - before ordering repair parts, make sure that this is the correct style cylinder - note the length shown on the drawing page - extended shaft length 950,7 mm (37.43--) - Order 7205267 cylinder - Was 7202031 - A
2Артикул: CYLINDER,, CYLINDER, TILT See BTI428 - NLA - Ref. 2-4 & 6-17 - before ordering repair parts, make sure that this is the correct style cylinder - note the length shown on the drawing page - extended shaft length 947,9 mm (37.32--) - Was 7205267 - C
3Артикул: 6810539, NUT
Подробнее >
ГИДРАВЛИЧЕСКИЙ РЕГУЛИРУЮЩИЙ КЛАПАН (РУКОВОДСТВО ПОЛЬЗОВАНИЯ УСТРОЙСТВОМ УПРАВЛЕНИЯ) (E СЕРИЯ КАТУШЕК)

ГИДРАВЛИЧЕСКИЙ РЕГУЛИРУЮЩИЙ КЛАПАН (РУКОВОДСТВО ПОЛЬЗОВАНИЯ УСТРОЙСТВОМ УПРАВЛЕНИЯ) (E СЕРИЯ КАТУШЕК)

1Артикул: 7297072, VALVE, CONTROL Ref. 2-66
2Артикул: 6815152, SPOOL, TILT
3Артикул: 7266558, SPOOL, LIFT LOCK
Подробнее >
ЦИЛИНДРА НАКЛОНА (ПРАВОСТОРОННИЙ)(538,7 ММ - 21.21-- ДЛИНА ТРУБОПРОВОДА) (38,1 ММ - 1.5-- OD) (С БУРТ ПОРШНЕМ) (СЕРИЙНЫЙ НОМЕР A3P214686 И ВЫШЕ)

ЦИЛИНДРА НАКЛОНА (ПРАВОСТОРОННИЙ)(538,7 ММ - 21.21-- ДЛИНА ТРУБОПРОВОДА) (38,1 ММ - 1.5-- OD) (С БУРТ ПОРШНЕМ) (СЕРИЙНЫЙ НОМЕР A3P214686 И ВЫШЕ)

1Артикул: 7235736, CYLINDER, TILT Ref. 2-17 - before ordering repair parts, make sure that this is the correct style cylinder - note the length shown on the drawing page
2Артикул: 7230899, SHAFT, ROD CYL TILT
3Артикул: 7222644, HEAD, CYL TILT
Подробнее >
ЦИЛИНДР НАКЛОНА (ПРАВОСТОРОННИЙ) (538,7 ММ - 21.21-- ДЛИНА ПАТРУБКА КАРТЕРА) (38,1 ММ - 1.5-- OD ВАЛ) (БЕЗ БУРТ ПОРШНЯ)

ЦИЛИНДР НАКЛОНА (ПРАВОСТОРОННИЙ) (538,7 ММ - 21.21-- ДЛИНА ПАТРУБКА КАРТЕРА) (38,1 ММ - 1.5-- OD ВАЛ) (БЕЗ БУРТ ПОРШНЯ)

1Артикул: CYLINDER,, CYLINDER, TILT See BTI428 - NLA - Was 7222483 - C
2Артикул: 6810539, NUT
3Артикул: 6692325, SEAL, PISTON 66,68 mm (2.63--) ID
Подробнее >
РУКОВОДСТВО ПО ЭКСПЛУАТАЦИИ КЛАПАНА УСТРОЙСТВА ДЛЯ ОТПУСКАНИЯ

РУКОВОДСТВО ПО ЭКСПЛУАТАЦИИ КЛАПАНА УСТРОЙСТВА ДЛЯ ОТПУСКАНИЯ

1Артикул: 7230495, VALVE, LIFT MANUAL Ref. 2-4 - Was 6667844 - A
2Артикул: BLOCK, BLOCK NSS
3Артикул: 6669087, SEAL KIT
Подробнее >
ЦИЛИНДРА НАКЛОНА (ЛЕВОСТОРОННИЙ) (516,4 ММ - 20.33-- ДЛИНА ПАТРУБКА КАРТЕРА)

ЦИЛИНДРА НАКЛОНА (ЛЕВОСТОРОННИЙ) (516,4 ММ - 20.33-- ДЛИНА ПАТРУБКА КАРТЕРА)

1Артикул: CYLINDER,, CYLINDER, TILT NLA - Ref. 2-19 - Order 7235736 & 7235738 tilt cylinder - before ordering repair parts, make sure that this is the correct style cylinder - note the length shown on the drawing page - Was 7150357 - A
2Артикул: 6810539, NUT
3Артикул: 947088, RING, BACK-UP
Подробнее >
РУКОВОДСТВО ПО ОТКЛЮЧЕНИЮ ПОДЪЕМНОГО УСТРОЙСТВА

РУКОВОДСТВО ПО ОТКЛЮЧЕНИЮ ПОДЪЕМНОГО УСТРОЙСТВА

1Артикул: 7201981, MANIFOLD, DRAIN CASE
2Артикул: 15KB0606, FITTING, HYD CONNECTOR
3Артикул: 79K6, O RING 10
Подробнее >
ВСПОМОГАТЕЛЬНЫЕ ГИДРАВЛИЧЕСКИЕ МЕХАНИЗМЫ (СЕРИЙНЫЙ НОМЕР A3P213445 И ВЫШЕ)

ВСПОМОГАТЕЛЬНЫЕ ГИДРАВЛИЧЕСКИЕ МЕХАНИЗМЫ (СЕРИЙНЫЙ НОМЕР A3P213445 И ВЫШЕ)

1Артикул: VALVE,, VALVE, CONTROL See Illustration HYDRAULIC CONTROL VALVE/ NA6558
2Артикул: 15KB1216, FITTING, HYD CONNECTOR
3Артикул: 79K16, O RING 10
Подробнее >
ПЕДАЛИ УПРАВЛЕНИЯ (РУКОВОДСТВО ПО УПРАВЛЕНИЮ) (СЕРИЙНЫЙ НОМЕР A3P215297 И ВЫШЕ)

ПЕДАЛИ УПРАВЛЕНИЯ (РУКОВОДСТВО ПО УПРАВЛЕНИЮ) (СЕРИЙНЫЙ НОМЕР A3P215297 И ВЫШЕ)

1Артикул: 6557831, WASHER
2Артикул: 7191333, PIN, CLEVIS
3Артикул: 1306637, CLIP
Подробнее >
ПЕДАЛИ УПРАВЛЕНИЯ (РУКОВОДСТВО ПО УПРАВЛЕНИЮ) (СЕРИЙНЫЙ НОМЕР A3P211001 И ВЫШЕ)

ПЕДАЛИ УПРАВЛЕНИЯ (РУКОВОДСТВО ПО УПРАВЛЕНИЮ) (СЕРИЙНЫЙ НОМЕР A3P211001 И ВЫШЕ)

1Артикул: 6557831, WASHER
2Артикул: 7191333, PIN, CLEVIS
3Артикул: 1306637, CLIP
Подробнее >
СХЕМА ГИДРАВЛИЧЕСКОЙ СИСТЕМЫ (БЕЗ СОЕДИНИТЕЛЬНОЙ ПАНЕЛИ ОБВОДНОГО КЛАПАНА) (СЕРИЙНЫЙ НОМЕР A3P213445 И ВЫШЕ)

СХЕМА ГИДРАВЛИЧЕСКОЙ СИСТЕМЫ (БЕЗ СОЕДИНИТЕЛЬНОЙ ПАНЕЛИ ОБВОДНОГО КЛАПАНА) (СЕРИЙНЫЙ НОМЕР A3P213445 И ВЫШЕ)

1Артикул: CYLINDER,, CYLINDER, LIFT See Illustration LIFT CYLINDER/ NA6139
2Артикул: CYLINDER,, CYLINDER, TILT - RH
3Артикул: CYLINDER,, CYLINDER, TILT - LH
Подробнее >
ГИДРАВЛИЧЕСКИЙ РЕГУЛИРУЮЩИЙ КЛАПАН (РУКОВОДСТВО ПО УПРАВЛЕНИЮ) (2 БЛОКА ФИКСАТОРА) (СЕРИЙНЫЙ НОМЕР A3P211001 - A3P214676)

ГИДРАВЛИЧЕСКИЙ РЕГУЛИРУЮЩИЙ КЛАПАН (РУКОВОДСТВО ПО УПРАВЛЕНИЮ) (2 БЛОКА ФИКСАТОРА) (СЕРИЙНЫЙ НОМЕР A3P211001 - A3P214676)

1Артикул: VALVE,, VALVE, CONTROL See Illustration HYDRAULIC CONTROL VALVE/ NA6557 - NLA - Ref. 2-77 - Was 7168276 - A
2Артикул: 6815152, SPOOL, TILT
3Артикул: 7266558, SPOOL, LIFT LOCK Was 7209460 - A
Подробнее >
ЦИЛИНДРА НАКЛОНА (ЛЕВОСТОРОННИЙ) (538,7 ММ - 21.21-- ДЛИНА ПАТРУБКА КАРТЕРА) (38,1 ММ - 1.5-- OD ВАЛ) (БЕЗ БУРТ ПОРШНЯ)

ЦИЛИНДРА НАКЛОНА (ЛЕВОСТОРОННИЙ) (538,7 ММ - 21.21-- ДЛИНА ПАТРУБКА КАРТЕРА) (38,1 ММ - 1.5-- OD ВАЛ) (БЕЗ БУРТ ПОРШНЯ)

1Артикул: CYLINDER,, CYLINDER, TILT See BTI428 - NLA - Was 7222704 - C
2Артикул: 6810539, NUT
3Артикул: 6692325, SEAL, PISTON 66,68 mm (2.63--) ID
Подробнее >
ЦИЛИНДРА НАКЛОНА (ПРАВОСТОРОННИЙ) (516,4 ММ - 20.33-- ДЛИНА ПАТРУБКА КАРТЕРА)

ЦИЛИНДРА НАКЛОНА (ПРАВОСТОРОННИЙ) (516,4 ММ - 20.33-- ДЛИНА ПАТРУБКА КАРТЕРА)

1Артикул: CYLINDER,, CYLINDER, TILT NLA - Ref. 2-19 - Order 7235736 & 7235738 tilt cylinder - before ordering repair parts, make sure that this is the correct style cylinder - note the length shown on the drawing page - Was 7154161 - A
2Артикул: 6810539, NUT
3Артикул: 947088, RING, BACK-UP
Подробнее >
ЦИЛИНДРА НАКЛОНА (ЛЕВОСТОРОННИЙ) (538,7 ММ - 21.21-- ДЛИНА ПАТРУБКА КАРТЕРА) (41,3 ММ - 1.625-- OD ВАЛ) (СЕРИЙНЫЙ НОМЕР A3P211001 - A3P214685)

ЦИЛИНДРА НАКЛОНА (ЛЕВОСТОРОННИЙ) (538,7 ММ - 21.21-- ДЛИНА ПАТРУБКА КАРТЕРА) (41,3 ММ - 1.625-- OD ВАЛ) (СЕРИЙНЫЙ НОМЕР A3P211001 - A3P214685)

1Артикул: CYLINDER,, CYLINDER, TILT NLA - Ref. 2-16 - before ordering repair parts, make sure that this is the correct style cylinder - note the length shown on the drawing page - extended shaft length 950,7 mm (37.43--) - Order 7205266 cylinder - Was 7201527 - A
2Артикул: CYLINDER,, CYLINDER, TILT See BTI428 - NLA - Ref. 2-4 & 6-17 - before ordering repair parts, make sure that this is the correct style cylinder - note the length shown on the drawing page - extended shaft length 947,9 mm (37.32--) - Was 7205266 - C
3Артикул: 6810539, NUT
Подробнее >
ГИДРОЦИЛИНДР ПОДЪЕМА (76,2 ММ) (3--) ДИАМЕТР ОТВЕРСТИЯ

ГИДРОЦИЛИНДР ПОДЪЕМА (76,2 ММ) (3--) ДИАМЕТР ОТВЕРСТИЯ

1Артикул: 7203494, CYLINDER, LIFT Ref. 2-18
2Артикул: 6667327, SEAL
3Артикул: 6686999, WIPER, ROD CYL
Подробнее >
ЦИЛИНДРА НАКЛОНА (ЛЕВОСТОРОННИЙ) (538,7 ММ - 21.21-- ДЛИНА ТРУБОПРОВОДА) (38,1 ММ - 1.5-- OD) (С БУРТ ПОРШНЕМ) (СЕРИЙНЫЙ НОМЕР A3P214686 И ВЫШЕ)

ЦИЛИНДРА НАКЛОНА (ЛЕВОСТОРОННИЙ) (538,7 ММ - 21.21-- ДЛИНА ТРУБОПРОВОДА) (38,1 ММ - 1.5-- OD) (С БУРТ ПОРШНЕМ) (СЕРИЙНЫЙ НОМЕР A3P214686 И ВЫШЕ)

1Артикул: 7235738, CYLINDER, TILT Ref. 2-17 - before ordering repair parts, make sure that this is the correct style cylinder - note the length shown on the drawing page
2Артикул: 7230899, SHAFT, ROD CYL TILT
3Артикул: 7222644, HEAD, CYL TILT
Подробнее >
СХЕМА ГИДРАВЛИЧЕСКОЙ СИСТЕМЫ (БЕЗ СОЕДИНИТЕЛЬНОЙ ПАНЕЛИ ОБВОДНОГО КЛАПАНА) (СЕРИЙНЫЙ НОМЕР A3P211001 - A3P213444)

СХЕМА ГИДРАВЛИЧЕСКОЙ СИСТЕМЫ (БЕЗ СОЕДИНИТЕЛЬНОЙ ПАНЕЛИ ОБВОДНОГО КЛАПАНА) (СЕРИЙНЫЙ НОМЕР A3P211001 - A3P213444)

1Артикул: CYLINDER,, CYLINDER, LIFT See Illustration LIFT CYLINDER/ NA6139
2Артикул: CYLINDER,, CYLINDER, TILT See Illustration TILT CYLINDER/ NA6008 - RH
3Артикул: CYLINDER,, CYLINDER, TILT See Illustration TILT CYLINDER/ NA6007 - LH
Подробнее >