+7 (701) 588 50 05 Телефон для связи
RU

WhatsApp

Позвонить

ГИДРАВЛИЧЕСКАЯ СИСТЕМА в Алматы

ГИДРАВЛИЧЕСКИЙ РЕГУЛИРУЮЩИЙ КЛАПАН (СЕКЦИЯ ПОДЪЕМА)

ГИДРАВЛИЧЕСКИЙ РЕГУЛИРУЮЩИЙ КЛАПАН (СЕКЦИЯ ПОДЪЕМА)

1Артикул: 7012486, ELEMENT, LIFTING W/Ref. 2-10 - Was 6910749 - A
2Артикул: 97301-6, SERVO Was 6910712 - A
3Артикул: VALVE, VALVE NAP - Order Ref. 1
Подробнее >
ГИДРАВЛИЧЕСКИЙ РЕГУЛИРУЮЩИЙ КЛАПАН (ТЕЛЕСКОПИЧЕСКАЯ СЕКЦИЯ) (НОМЕР ПРОДАВЦА 08 404 391)

ГИДРАВЛИЧЕСКИЙ РЕГУЛИРУЮЩИЙ КЛАПАН (ТЕЛЕСКОПИЧЕСКАЯ СЕКЦИЯ) (НОМЕР ПРОДАВЦА 08 404 391)

1Артикул: SECTION,, SECTION, TELESCOPE NAP - Vendor partnumber 08 404 391 - W/Ref. 2-14 - Was 7012606 - A
2Артикул: 6910714, SPOOL RETURN
3Артикул: VALVE, VALVE NAP - Order Ref. 1
Подробнее >
УСТАНОВКА ГИДРАВЛИЧЕСКОГО РЕГУЛИРУЮЩЕГО КЛАПАНА

УСТАНОВКА ГИДРАВЛИЧЕСКОГО РЕГУЛИРУЮЩЕГО КЛАПАНА

1Артикул: 008372-28F, UNION
2Артикул: 014375-02C, UNION 7/8 JIC 3/4 BSPP
3Артикул: 022375-30X, UNION
Подробнее >
ГИДРАВЛИЧЕСКИЙ РЕГУЛИРУЮЩИЙ КЛАПАН (СЕКЦИЯ ВСПОМОГАТЕЛЬНЫХ ГИДРАВЛИЧЕСКИХ МЕХАНИЗМОВ) (НОМЕР ПРОДАВЦА 08 404 390)

ГИДРАВЛИЧЕСКИЙ РЕГУЛИРУЮЩИЙ КЛАПАН (СЕКЦИЯ ВСПОМОГАТЕЛЬНЫХ ГИДРАВЛИЧЕСКИХ МЕХАНИЗМОВ) (НОМЕР ПРОДАВЦА 08 404 390)

1Артикул: SECTION,, SECTION, AUXILIARY HYDRAULICS NAP - Vendor partnumber 08 404 390 - W/Ref. 2-12 - Was 7012607 - A
2Артикул: 6910714, SPOOL RETURN
3Артикул: VALVE, VALVE NAP - Order Ref. 1
Подробнее >
ГИДРАВЛИЧЕСКАЯ СИСТЕМА КАБИНЫ (БЕЗ АККУМУЛЯТОРА) (СЕРИЙНЫЙ НОМЕР A8G811001 И ВЫШЕ)

ГИДРАВЛИЧЕСКАЯ СИСТЕМА КАБИНЫ (БЕЗ АККУМУЛЯТОРА) (СЕРИЙНЫЙ НОМЕР A8G811001 И ВЫШЕ)

1Артикул: 000350-01U, WASHER
2Артикул: 01578-4, SCREW
3Артикул: 01604-8, SCREW Was 01604-8 - A
Подробнее >
УПРАВЛЕНИЕ ГИДРАВЛИКОЙ КАБИНЫ (СЕРИЙНЫЙ НОМЕР A8G811001 И ВЫШЕ)

УПРАВЛЕНИЕ ГИДРАВЛИКОЙ КАБИНЫ (СЕРИЙНЫЙ НОМЕР A8G811001 И ВЫШЕ)

1Артикул: 01604-8, SCREW Was 01604-8 - A
2Артикул: 01720-2, WASHER
3Артикул: 010370-87T, ELBOW PIECE
Подробнее >
ГИДРАВЛИЧЕСКИЙ РЕГУЛИРУЮЩИЙ КЛАПАН (УЗЕЛ) (НОМЕР ПРОДАВЦА 08 404 947) (СЕРИЙНЫЙ НОМЕР A8G12048 И ВЫШЕ, A8G912000 И ВЫШЕ)

ГИДРАВЛИЧЕСКИЙ РЕГУЛИРУЮЩИЙ КЛАПАН (УЗЕЛ) (НОМЕР ПРОДАВЦА 08 404 947) (СЕРИЙНЫЙ НОМЕР A8G12048 И ВЫШЕ, A8G912000 И ВЫШЕ)

1Артикул: 6927619, MAIN VALVE Vendor partnumber 08 404 947 - W/Ref. 2-19 - Was 6924089 - B
2Артикул: 7012486, ELEMENT, LIFTING See Illustration HYDRAULIC CONTROL VALVE/ EM1644
3Артикул: 7012487, ELEMENT, TILTING See Illustration HYDRAULIC CONTROL VALVE/ EM1645
Подробнее >
СХЕМА СНИЖЕНИЯ ДАВЛЕНИЯ СТРЕЛЫ (СЕРИЙНЫЙ НОМЕР A8G811001 - A8G814999, A8G911001 - A8G914999)

СХЕМА СНИЖЕНИЯ ДАВЛЕНИЯ СТРЕЛЫ (СЕРИЙНЫЙ НОМЕР A8G811001 - A8G814999, A8G911001 - A8G914999)

1Артикул: 100378-03F, SHUTOFF auxiliary pressure release
2Артикул: 01522-2, SCREW
3Артикул: 77014-9, PLATE
Подробнее >
ШЛАНГИ РУЛЕВОГО УПРАВЛЕНИЯ И ФИТИНГИ (БЕЗ ДЕМФЕРА)

ШЛАНГИ РУЛЕВОГО УПРАВЛЕНИЯ И ФИТИНГИ (БЕЗ ДЕМФЕРА)

1Артикул: 10167-5, SCREW
2Артикул: 7229301, FITTING, HYD ELBOW Was 010370-94B - B
3Артикул: 79147-5, HOSE +
Подробнее >
ГИДРАВЛИЧЕСКИЙ РЕГУЛИРУЮЩИЙ КЛАПАН (СЕКЦИЯ НАКЛОНА)

ГИДРАВЛИЧЕСКИЙ РЕГУЛИРУЮЩИЙ КЛАПАН (СЕКЦИЯ НАКЛОНА)

1Артикул: 7012487, ELEMENT, TILTING W/Ref. 2-9 - Was 6910748 - A
2Артикул: 97301-6, SERVO Was 6910712 - A
3Артикул: VALVE, VALVE NAP - Order Ref. 1
Подробнее >
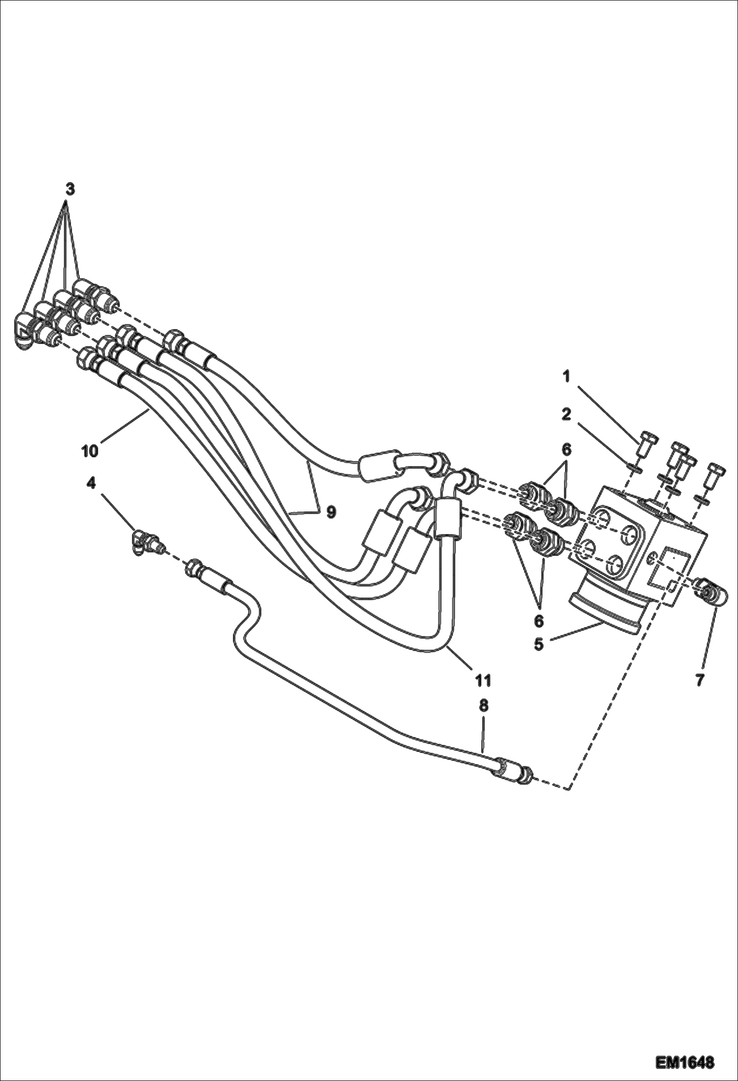
ФИКСАЦИЯ ГИДРАВЛИЧЕСКОГО РЕГУЛИРУЮЩЕГО КЛАПАНА

ФИКСАЦИЯ ГИДРАВЛИЧЕСКОГО РЕГУЛИРУЮЩЕГО КЛАПАНА

1Артикул: 000326-25M, SCREW
2Артикул: 000350-21R, WASHER
3Артикул: 1CM840, BOLT Was 01599-0 - A
Подробнее >
СХЕМА СНИЖЕНИЯ ДАВЛЕНИЯ СТРЕЛЫ (СЕРИЙНЫЙ НОМЕР A8G815000 И ВЫШЕ, A8G915000 И ВЫШЕ)

СХЕМА СНИЖЕНИЯ ДАВЛЕНИЯ СТРЕЛЫ (СЕРИЙНЫЙ НОМЕР A8G815000 И ВЫШЕ, A8G915000 И ВЫШЕ)

1Артикул: 01522-2, SCREW
2Артикул: 77013-1, UNION
3Артикул: 77014-9, PLATE
Подробнее >
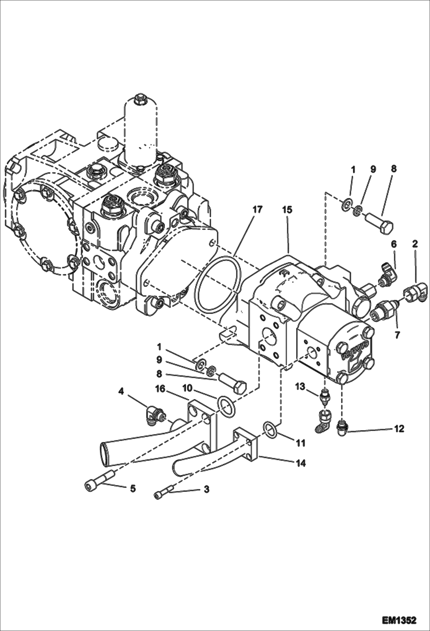
УСТАНОВКА ГИДРОПРИВОДНОГО НАСОСА

УСТАНОВКА ГИДРОПРИВОДНОГО НАСОСА

1Артикул: 000350-04X, WASHER, M12
2Артикул: 008372-01B, ELBOW PIECE
3Артикул: 10167-5, SCREW
Подробнее >
ГИДРАВЛИЧЕСКАЯ СИСТЕМА РАБОЧЕГО ТОРМОЗА

ГИДРАВЛИЧЕСКАЯ СИСТЕМА РАБОЧЕГО ТОРМОЗА

1Артикул: 1CM1025, BOLT Was 01605-5 - B
2Артикул: 65717-1, HOSE
3Артикул: 90289-0, UNION
Подробнее >
ГИДРАВЛИЧЕСКИЙ РЕГУЛИРУЮЩИЙ КЛАПАН (ТЕЛЕСКОПИЧЕСКАЯ СЕКЦИЯ) (НОМЕР ПРОДАВЦА 08 405 026)

ГИДРАВЛИЧЕСКИЙ РЕГУЛИРУЮЩИЙ КЛАПАН (ТЕЛЕСКОПИЧЕСКАЯ СЕКЦИЯ) (НОМЕР ПРОДАВЦА 08 405 026)

1Артикул: 7012488, ELEMENT, TELESCOPE Vendor partnumber 08 405 026 - W/Ref. 2-14 - Was 7012606 - A
2Артикул: 6910714, SPOOL RETURN
3Артикул: VALVE, VALVE NAP - Order Ref. 1
Подробнее >
ГИДРОПРИВОДНОЙ НАСОС В СБОРЕ

ГИДРОПРИВОДНОЙ НАСОС В СБОРЕ

1Артикул: 6909807, PUMP See Illustration HYDRAULIC PUMP INSTALLATION/ EM1352 W/Ref. 2-5
2Артикул: 6912522, VALVE W/Ref. 3
3Артикул: 6912523, SET OF SEALS
Подробнее >
ГИДРАВЛИЧЕСКИЙ РЕГУЛИРУЮЩИЙ КЛАПАН (СЕКЦИЯ ВСПОМОГАТЕЛЬНЫХ ГИДРАВЛИЧЕСКИХ МЕХАНИЗМОВ) (НОМЕР ПРОДАВЦА 08 405 025)

ГИДРАВЛИЧЕСКИЙ РЕГУЛИРУЮЩИЙ КЛАПАН (СЕКЦИЯ ВСПОМОГАТЕЛЬНЫХ ГИДРАВЛИЧЕСКИХ МЕХАНИЗМОВ) (НОМЕР ПРОДАВЦА 08 405 025)

1Артикул: 7012489, ELEMENT, EQUIPMENT Vendor partnumber 08 405 025 - W/Ref. 2-13 - Was 7012607 - A
2Артикул: 6910714, SPOOL RETURN
3Артикул: VALVE, VALVE NAP - Order Ref. 1
Подробнее >