+7 (701) 588 50 05 Телефон для связи
RU

WhatsApp

Позвонить

ГИДРАВЛИЧЕСКАЯ СИСТЕМА в Алматы

ГИДРОУСТАНОВКА - АМОРТИЗАТОР ДЛЯ ГАШЕНИЯ КОЛЕБАНИЙ ОТ НАГРУЗКИ

ГИДРОУСТАНОВКА - АМОРТИЗАТОР ДЛЯ ГАШЕНИЯ КОЛЕБАНИЙ ОТ НАГРУЗКИ

1Артикул: 5320001012, CONTROL VALVE
2Артикул: 1007707126, BOLT M 10X140
3Артикул: 1290707020, WASHER 10,5
Подробнее >
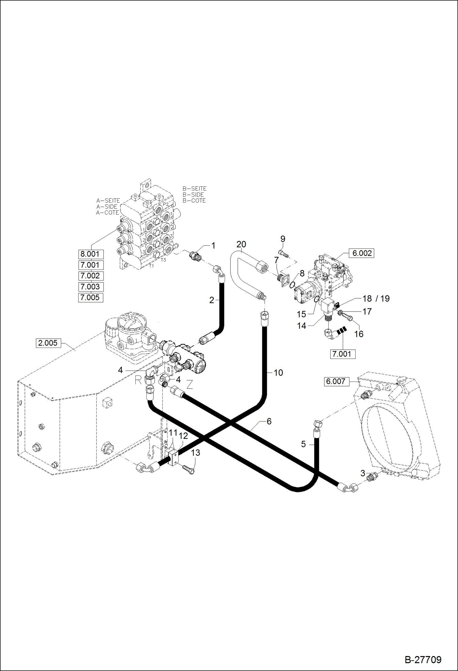
ГИДРОУСТАНОВКА - HYD ПОДКЛЮЧЕНИЕ ГИДРОМОЛОТА

ГИДРОУСТАНОВКА - HYD ПОДКЛЮЧЕНИЕ ГИДРОМОЛОТА

1Артикул: 6461746002, BRACKET
2Артикул: 6461746006, CLAMPING DEVICE
3Артикул: 5508318010, CLAMPING LEVER
Подробнее >
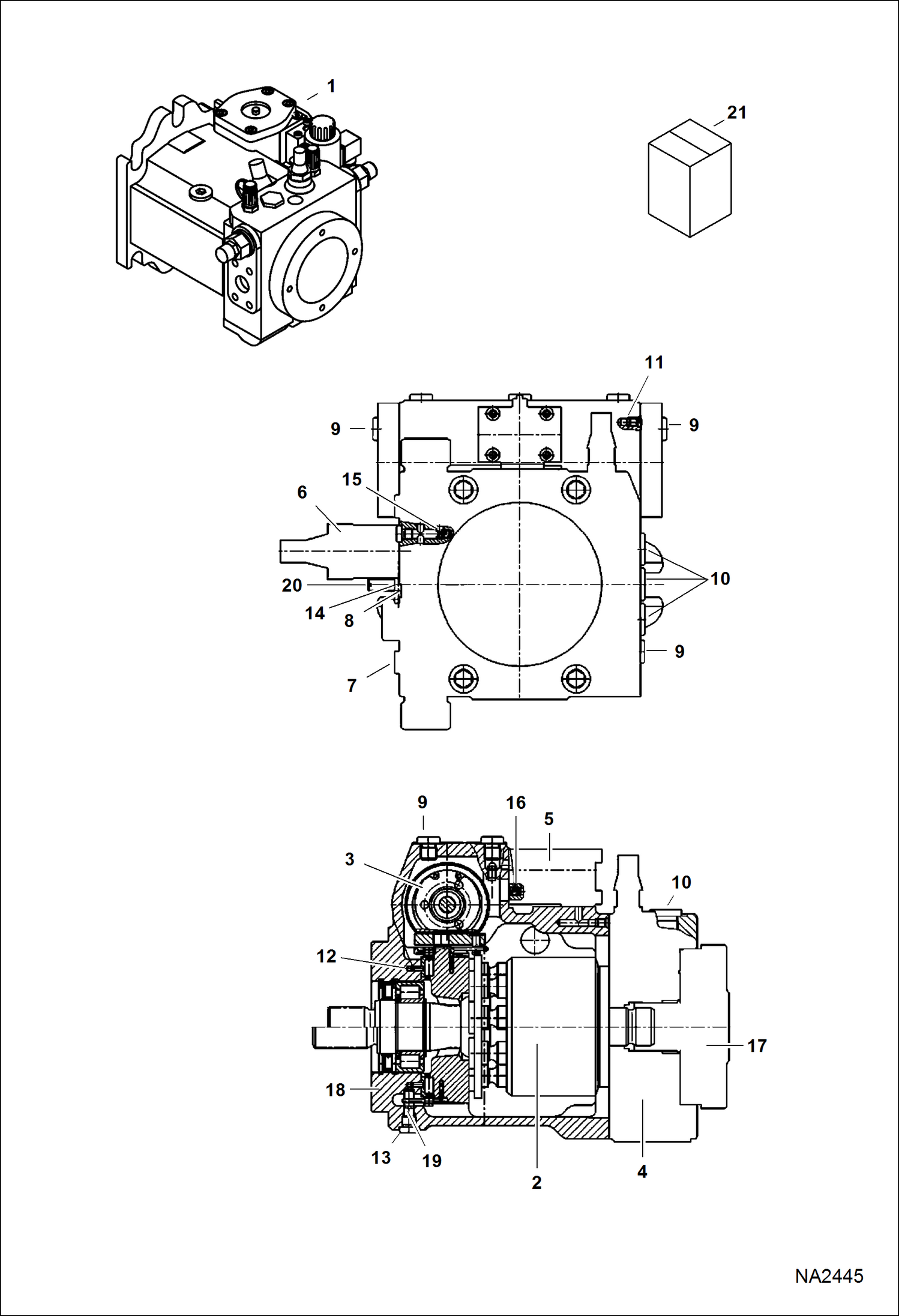
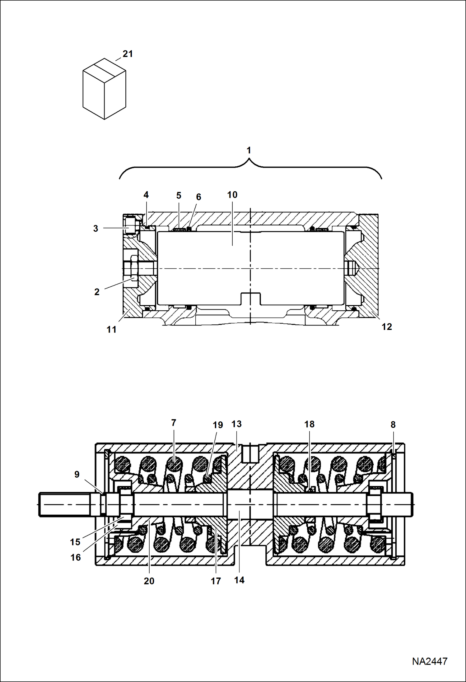
ГИДРОПРИВОДНОЙ НАСОС (ГИДРАВЛИЧЕСКАЯ СИСТЕМА УПРАВЛЕНИЯ)

ГИДРОПРИВОДНОЙ НАСОС (ГИДРАВЛИЧЕСКАЯ СИСТЕМА УПРАВЛЕНИЯ)

1Артикул: 5364663478, CONTROL, HYD Ref. 2-20
2Артикул: 1208707614, NUT
3Артикул: 1045707817, BOLT
Подробнее >
ГИДРОПРИВОДНОЙ НАСОС

ГИДРОПРИВОДНОЙ НАСОС

1Артикул: 5364662425, VARIABLE DISPLACEMENT PUMP
2Артикул: 5364663477, GROUP ROTATING See Illustration HYDRAULIC PUMP/ NA2446
3Артикул: 5364663478, CONTROL, HYD See Illustration HYDRAULIC PUMP/ NA2447
Подробнее >
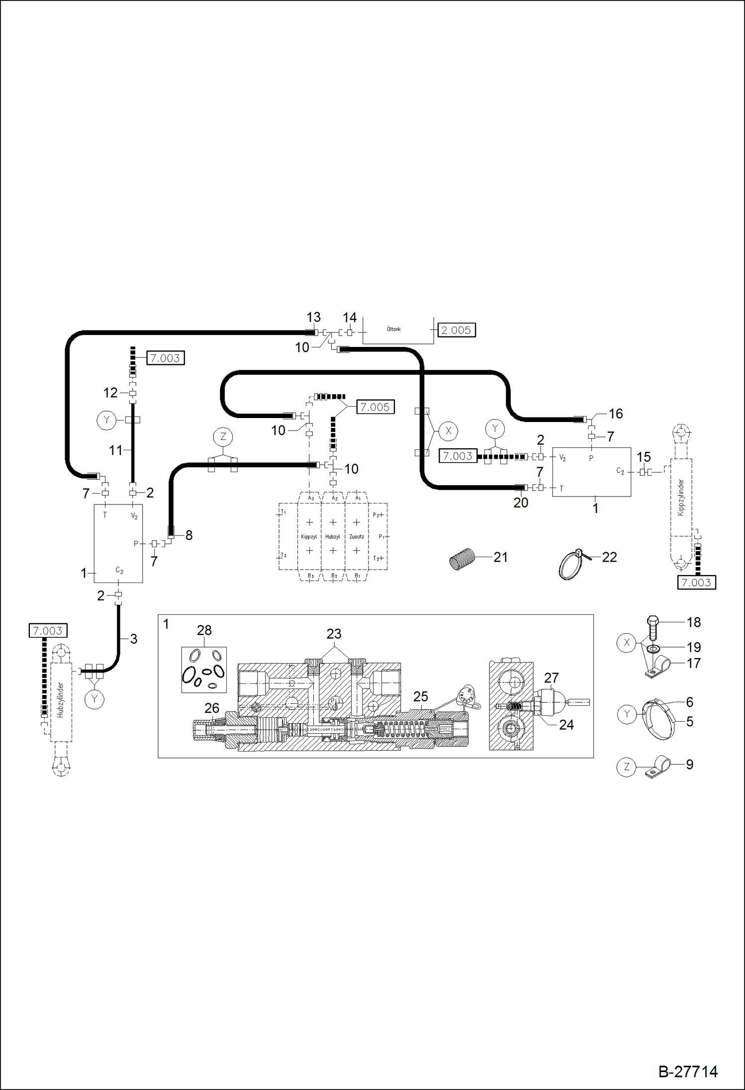
ГРУППА КЛАПАНОВ - 5520661873 СЕРИЙНЫЙ НОМЕР И ВЫШЕ

ГРУППА КЛАПАНОВ - 5520661873 СЕРИЙНЫЙ НОМЕР И ВЫШЕ

1Артикул: 5520661873, VALVE, CONTROL Ref. 2-21
2Артикул: 5520662051, MAIN RELIEF VALVE CPL. 240 BAR
3Артикул: 5520662052, VALVE PILOT PART
Подробнее >
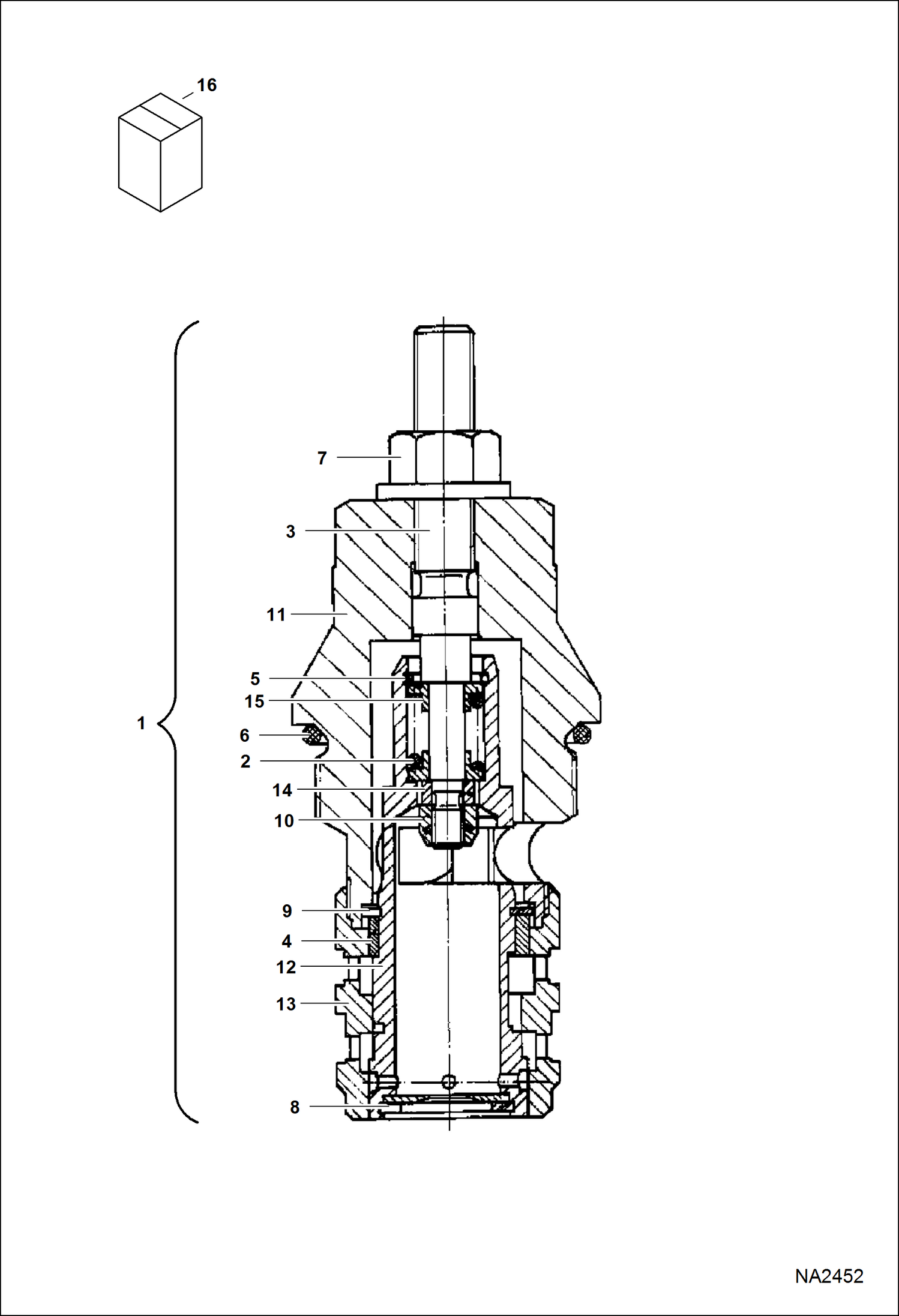
ГИДРОУСТАНОВКА - ГИДРОЗАМОК

ГИДРОУСТАНОВКА - ГИДРОЗАМОК

1Артикул: 5167659802, LOAD CHECK VALVE
2Артикул: 1915000633, FITTING
3Артикул: 0460763006, TUBE
Подробнее >
КЛАПАН СЕРВОУПРАВЛЕНИЯ - 4 СХЕМА УПРАВЛЕНИЯ

КЛАПАН СЕРВОУПРАВЛЕНИЯ - 4 СХЕМА УПРАВЛЕНИЯ

1Артикул: 5369661327, JOYSTICK, CPL. JP 67
2Артикул: 5369661249, BINDER
3Артикул: 5350249757, CONNECTOR 9-POLIG
Подробнее >
ГИДРОЦИЛИНДР - ПОДЪЕМНАЯ РАМА

ГИДРОЦИЛИНДР - ПОДЪЕМНАЯ РАМА

1Артикул: 6501086500, HYDR. CYLINDER CPL. Z 105/60 - Ref. 2-14
2Артикул: 6501086503, PIPE
3Артикул: 1950010413, LINKAGE BEARING
Подробнее >
ГИДРОПРИВОДНОЙ НАСОС (РОТОР В СБОРЕ)

ГИДРОПРИВОДНОЙ НАСОС (РОТОР В СБОРЕ)

1Артикул: 5364663477, GROUP ROTATING Ref. 2-22
2Артикул: 5364663431, SHAFT, DRIVE
3Артикул: 5364656047, WIRE
Подробнее >
ГИДРОУСТАНОВКА - ПРИВОД

ГИДРОУСТАНОВКА - ПРИВОД

1Артикул: 1915060568, FITTING
2Артикул: 4125117151, HOSE
3Артикул: 1924060157, FITTING
Подробнее >
ГИДРОУСТАНОВКА -ПОГРУЗОЧНОЕ ОБОРУДОВАНИЕ 2

ГИДРОУСТАНОВКА -ПОГРУЗОЧНОЕ ОБОРУДОВАНИЕ 2

1Артикул: 5260310273, FITTING
2Артикул: 4125081156, HOSE
3Артикул: 1915060567, FITTING
Подробнее >
ГИДРОПРИВОДНОЙ НАСОС (ПРЕДОХРАНИТЕЛЬНЫЕ КЛАПАНЫ)

ГИДРОПРИВОДНОЙ НАСОС (ПРЕДОХРАНИТЕЛЬНЫЕ КЛАПАНЫ)

1Артикул: 5364663105, VALVE, RELIEF Ref. 4-8 & 14-20
2Артикул: 5364656225, VALVE, OVERRIDE Ref. 11-13 & 26-34 - Was 5364666225 - D
3Артикул: 5364663202, VALVE, RELIEF Ref. 9-10 & 21-25
Подробнее >
ГИДРОПРИВОДНОЙ НАСОС (БЛОК КОНТРОЛЯ)

ГИДРОПРИВОДНОЙ НАСОС (БЛОК КОНТРОЛЯ)

1Артикул: 5364663106, CARTRIDGE, CONTROL W/orifice W/ orifice - Was 5364654909 - A
2Артикул: 5364663106, CARTRIDGE, CONTROL W/O orifice
3Артикул: 5364663156, ORIFICE, 4,6/16,0
Подробнее >
ГИДРОУСТАНОВКА -ПОГРУЗОЧНОЕ ОБОРУДОВАНИЕ 1

ГИДРОУСТАНОВКА -ПОГРУЗОЧНОЕ ОБОРУДОВАНИЕ 1

1Артикул: 1915000633, FITTING
2Артикул: 4260305374, HOSE
3Артикул: 4260360374, HOSE
Подробнее >
БАК ДЛЯ МАСЛА ГИДРАВЛИЧЕСКОЙ СИСТЕМЫ

БАК ДЛЯ МАСЛА ГИДРАВЛИЧЕСКОЙ СИСТЕМЫ

1Артикул: 6452013001, HYDRAULIC OIL TANK
2Артикул: 5003659205, RETURN FILTER CPL. Ref. 8-12,15
3Артикул: 1045707923, BOLT M 10X25
Подробнее >
ГИДРОПРИВОДНОЙ НАСОС (ВНУТРЕННИЙ ШЕСТЕРЕННЫЙ НАСОС

ГИДРОПРИВОДНОЙ НАСОС (ВНУТРЕННИЙ ШЕСТЕРЕННЫЙ НАСОС

1Артикул: 5364663404, PLATE, WEAR W/Ref. 3
2Артикул: 5364663207, RING, SNAP
3Артикул: 5364656140, RING, SEAL in kit
Подробнее >
КЛАПАН С ДИСТАНЦИОННЫМ УПРАВЛЕНИЕМ - 5369661308

КЛАПАН С ДИСТАНЦИОННЫМ УПРАВЛЕНИЕМ - 5369661308

1Артикул: 5369661310, JOYSTICK JP 67
2Артикул: 5369661249, BINDER
3Артикул: 5350249757, CONNECTOR 9-POLIG
Подробнее >
ГИДРОЦИЛИНДР - ОПРОКИДЫВАНИЕ

ГИДРОЦИЛИНДР - ОПРОКИДЫВАНИЕ

1Артикул: 6500757000, HYDRAULIC CYLINDER Z 90/45
2Артикул: 6500757003, PIPE
3Артикул: 1950000411, LINKAGE BEARING
Подробнее >
ГИДРОУСТАНОВКА -СЕРВОУПРАВЛЕНИЕ

ГИДРОУСТАНОВКА -СЕРВОУПРАВЛЕНИЕ

1Артикул: VALVE,, VALVE, CONTROL See Illustration VALVE BANK - 5520661872/ B27717 NLA - Was 5520661972 - A
2Артикул: 5520661873, VALVE, CONTROL See Illustration VALVE BANK - 5520661873/ B27718
3Артикул: 1212251013, NUT M 10
Подробнее >
ГИДРОПРИВОДНОЙ НАСОС (РЕГУЛИРУЮЩИЙ КЛАПАН)

ГИДРОПРИВОДНОЙ НАСОС (РЕГУЛИРУЮЩИЙ КЛАПАН)

1Артикул: 5364663302, VALVE Ref. 2-37
2Артикул: 5364663305, CONTROL, INCHING Ref. 21-27
3Артикул: 5364663304, VALVE, DIRECTIONAL Ref. 8-20 & 28-37
Подробнее >
ГИДРОУСТАНОВКА - РУЛЕВОЕ УПРАВЛЕНИЕ

ГИДРОУСТАНОВКА - РУЛЕВОЕ УПРАВЛЕНИЕ

1Артикул: 1924060153, FITTING
2Артикул: 4260089359, HOSE
3Артикул: 4260093310, HOSE
Подробнее >
ГИДРОПРИВОДНОЙ НАСОС (РАСПРЕДЕЛИТЕЛЬНАЯ КРЫШКА)

ГИДРОПРИВОДНОЙ НАСОС (РАСПРЕДЕЛИТЕЛЬНАЯ КРЫШКА)

1Артикул: 5364663479, PLATE ASSY, PORT Ref. 2-16
2Артикул: 5364663105, VALVE, RELIEF See Illustration HYDRAULIC PUMP/ NA2449
3Артикул: 5364663202, VALVE, RELIEF See Illustration HYDRAULIC PUMP/ NA2449
Подробнее >
ГИДРОУСТАНОВКА - ОБРАТНАЯ МАГИСТРАЛЬ БЕЗ ДАВЛЕНИЯ

ГИДРОУСТАНОВКА - ОБРАТНАЯ МАГИСТРАЛЬ БЕЗ ДАВЛЕНИЯ

1Артикул: 1919000693, FITTING
2Артикул: 1934000742, FITTING
3Артикул: 4120177189, HOSE
Подробнее >
ГИДРОЦИЛИНДР - РУЛЕВОЕ УПРАВЛЕНИЕ

ГИДРОЦИЛИНДР - РУЛЕВОЕ УПРАВЛЕНИЕ

1Артикул: 6500507500, HYDR. CYLINDER CPL. Z 70/30 - Ref. 2-15
2Артикул: 6500507503, PIPE
3Артикул: 1950000810, LINKAGE BEARING
Подробнее >
ГИДРОУСТАНОВКА - 4 В 1 ЛОПАТА

ГИДРОУСТАНОВКА - 4 В 1 ЛОПАТА

1Артикул: 5000080003, COUPLING SOCKET W/Ref. 3
2Артикул: 5000080004, DUST CAP
3Артикул: 5000080006, SEAL KIT
Подробнее >
ГИДРОУСТАНОВКА -2-МЕХАНИЧЕСКАЯ КОРОБКА ПЕРЕДАЧ

ГИДРОУСТАНОВКА -2-МЕХАНИЧЕСКАЯ КОРОБКА ПЕРЕДАЧ

1Артикул: 5050656088, CONTROL VALVE
2Артикул: 5003700003, CONNECTING PLATE
3Артикул: 1045907011, BOLT M 5X45
Подробнее >
ГРУППА КЛАПАНОВ - 5520661872 СЕРИЙНЫЙ НОМЕР И НИЖЕ

ГРУППА КЛАПАНОВ - 5520661872 СЕРИЙНЫЙ НОМЕР И НИЖЕ

1Артикул: 5520661872, CONTROL VALVE Ref. 2-19
2Артикул: 5520662051, MAIN RELIEF VALVE CPL. 250 BAR
3Артикул: 5520662052, VALVE PILOT PART
Подробнее >