+7 (701) 588 50 05 Телефон для связи
RU

WhatsApp

Позвонить

ГИДРАВЛИЧЕСКАЯ СИСТЕМА в Алматы

СХЕМА ГИДРАВЛИЧЕСКОЙ СИСТЕМЫ (ДЖОЙСТИК УПРАВЛЕНИЯ) (СТАНДАРТНЫЙ)

СХЕМА ГИДРАВЛИЧЕСКОЙ СИСТЕМЫ (ДЖОЙСТИК УПРАВЛЕНИЯ) (СТАНДАРТНЫЙ)

1Артикул: 6654120, JOYSTICK ASSY. See Illustration R.H. JOYSTICK CONTROLS/ D1972 NLA - RH - Was 6654120 - A
2Артикул: 6654119, JOYSTICK ASSY. See Illustration L.H. JOYSTICK CONTROLS/ D1973 -L.H. - Was 6654119 - A
3Артикул: 1CM625, BOLT
Подробнее >
ШЕСТЕРЕННЫЙ НАСОС (WEBSTER)

ШЕСТЕРЕННЫЙ НАСОС (WEBSTER)

1Артикул: GEAR, GEAR PUMP See BTIE-025 NLA - W/Ref. 2-16 - Was Webster pump 6661566
2Артикул: 6657228, PLATE W/Ref. 6
3Артикул: 6657229, COVER W/Ref. 6
Подробнее >
ПОВОРОТНОЕ СОЕДИНЕНИЕ

ПОВОРОТНОЕ СОЕДИНЕНИЕ

1Артикул: 6803396, SWIVEL JOINT W/Ref. 2-11 - Was 6800517 - A
2Артикул: 6664900, HOUSING
3Артикул: O-RING, O-RING NLA
Подробнее >
СХЕМА ГИДРАВЛИЧЕСКОЙ СИСТЕМЫ (СТРЕЛА, РУКОЯТЬ И ВСПОМОГАТЕЛЬНОЕ ОБОРУДОВАНИЕ)

СХЕМА ГИДРАВЛИЧЕСКОЙ СИСТЕМЫ (СТРЕЛА, РУКОЯТЬ И ВСПОМОГАТЕЛЬНОЕ ОБОРУДОВАНИЕ)

1Артикул: 6587390, TUBE
2Артикул: 6578870, CLAMP
3Артикул: 6535422, COVER
Подробнее >
ЛЕВОСТОРОННИЙ ДЖОЙСТИК УПРАВЛЕНИЯ

ЛЕВОСТОРОННИЙ ДЖОЙСТИК УПРАВЛЕНИЯ

1Артикул: 6654119, JOYSTICK ASSY. NLA - Assy. - W/Ref. 2-34 - Was 6654119 - A
2Артикул: HOUSING, HOUSING NSS
3Артикул: 6655289, PLATE
Подробнее >
СЕКЦИЯ РАСПРЕДЕЛИТЕЛЯ (РУКОЯТЬ, СТРЕЛА И КОВШ)

СЕКЦИЯ РАСПРЕДЕЛИТЕЛЯ (РУКОЯТЬ, СТРЕЛА И КОВШ)

1Артикул: 6662212, VALVE section - Boom
2Артикул: 6662211, VALVE section - Arm or Bucket - W/Ref. 2-14
3Артикул: HOUSING, HOUSING NLA
Подробнее >
ОБРАТНЫЙ КЛАПАН

ОБРАТНЫЙ КЛАПАН

1Артикул: NLA, NLA - Was 6658327
2Артикул: NLA, NLA - Was 6658336
3Артикул: HOUSING, HOUSING NSS
Подробнее >
ЦИЛИНДР ОТВАЛА

ЦИЛИНДР ОТВАЛА

1Артикул: 6804682, CYLINDER Ref. 2-16 - Was 6587000 - A
2Артикул: 6804685, ROD Was 6587003 - A
3Артикул: 6586721, HEAD
Подробнее >
СХЕМА ГИДРАВЛИЧЕСКОЙ СИСТЕМЫ (КЛАПАН ХОДОВОЙ ГИДРОМОТОРА)

СХЕМА ГИДРАВЛИЧЕСКОЙ СИСТЕМЫ (КЛАПАН ХОДОВОЙ ГИДРОМОТОРА)

1Артикул: 6661592, VALVE See Illustration CONTROL VALVE ASSEMBLY/ D2099 6-Spool
2Артикул: 6586860, PLATE mounting
3Артикул: 2C512, SCREW
Подробнее >
СЕКЦИЯ РАСПРЕДЕЛИТЕЛЯ (ОТВАЛ)

СЕКЦИЯ РАСПРЕДЕЛИТЕЛЯ (ОТВАЛ)

1Артикул: 6662205, VALVE Blade - W/Ref. 2-11
2Артикул: HOUSING, HOUSING NLA
3Артикул: SPOOL, SPOOL NLA
Подробнее >
ЦИЛИНДР РУКОЯТИ

ЦИЛИНДР РУКОЯТИ

1Артикул: 6588297, CYLINDER Ref. 2-15 - Was 6587079 - A
2Артикул: 6587082, ROD
3Артикул: 6586721, HEAD
Подробнее >
СХЕМА ГИДРАВЛИЧЕСКОЙ СИСТЕМЫ (ГИДРАВЛИЧЕСКИЙ РЕЗЕРВУАР)

СХЕМА ГИДРАВЛИЧЕСКОЙ СИСТЕМЫ (ГИДРАВЛИЧЕСКИЙ РЕЗЕРВУАР)

1Артикул: 6586799, RESERVOIR hydraulic
2Артикул: 6665915, GAUGE Was 6656338 - A
3Артикул: 79K12, O RING 10
Подробнее >
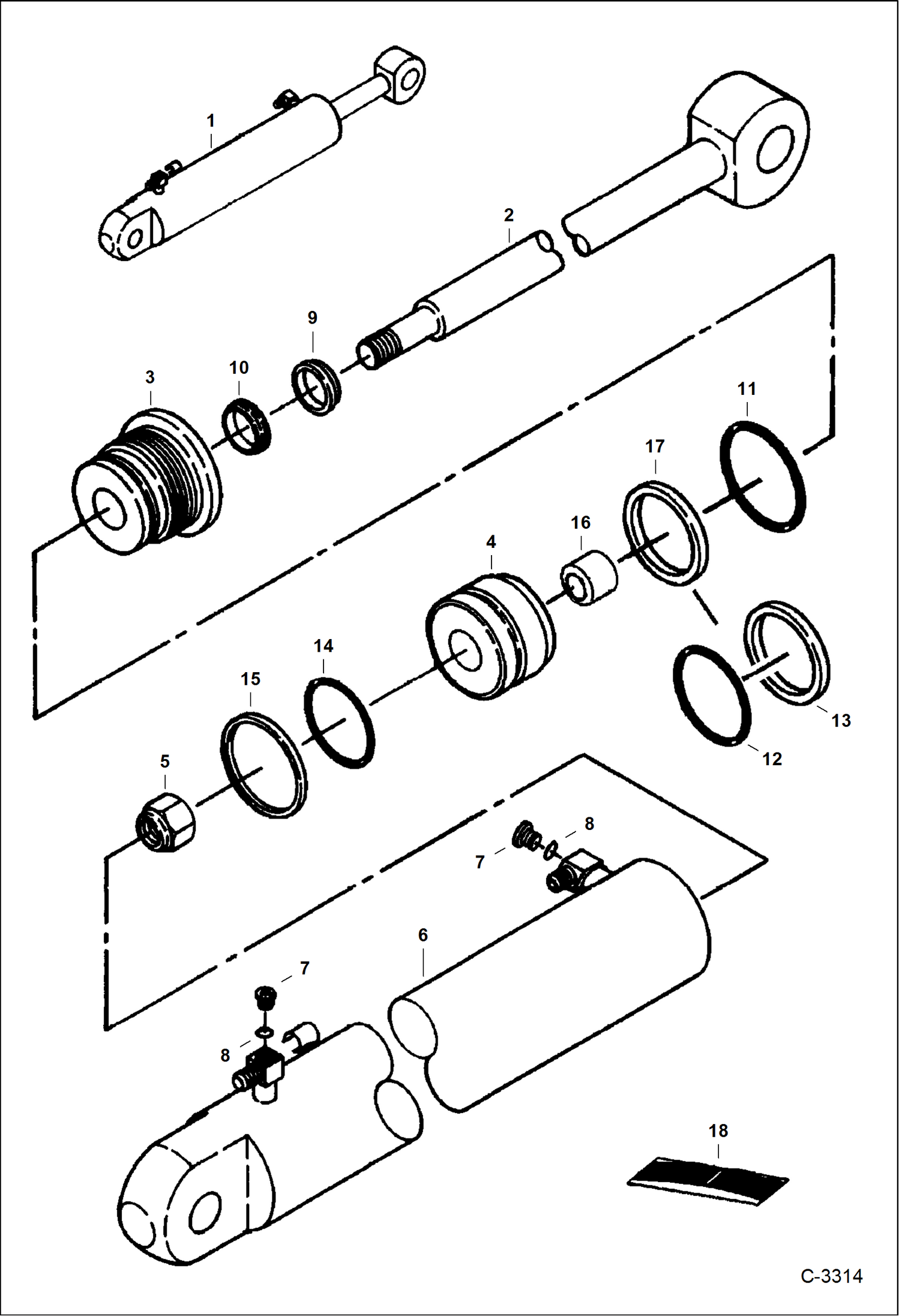
ЦИЛИНДР СТРЕЛЫ

ЦИЛИНДР СТРЕЛЫ

1Артикул: 6587019, CYLINDER Ref. 2-15
2Артикул: 6587022, ROD W/Ref. 16
3Артикул: 6586721, HEAD
Подробнее >
ТОРМОЗНОЙ КЛАПАН

ТОРМОЗНОЙ КЛАПАН

1Артикул: 6656374, VALVE assy. - W/Ref. 2-11 - Was 6656371 - A
2Артикул: HOUSING, HOUSING NSS
3Артикул: 994793, POPPET
Подробнее >
ХОДОВОЙ ГИДРОМОТОР

ХОДОВОЙ ГИДРОМОТОР

1Артикул: VALVE, VALVE ASSY. NSS - Ref. 2-15
2Артикул: BODY, BODY NSS
3Артикул: 6653021, PLUG
Подробнее >
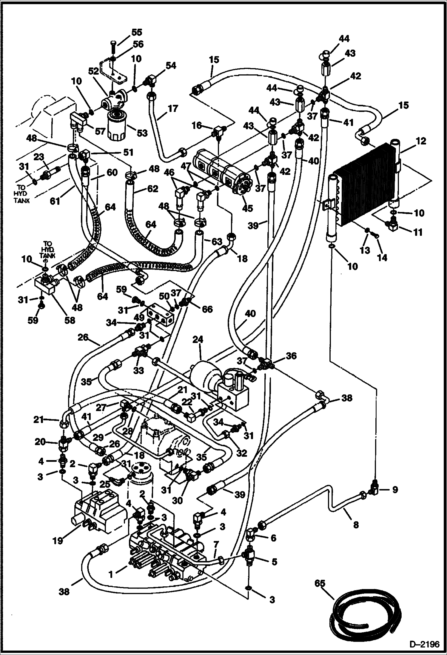
СХЕМА ГИДРАВЛИЧЕСКОЙ СИСТЕМЫ (ИЗ НАСОСА В КЛАПАН В КАМЕРУ ОХЛАЖДЕНИЯ В ФИЛЬТР) (СЕРИЙНЫЙ НОМЕР 508215738 И ВЫШЕ)

СХЕМА ГИДРАВЛИЧЕСКОЙ СИСТЕМЫ (ИЗ НАСОСА В КЛАПАН В КАМЕРУ ОХЛАЖДЕНИЯ В ФИЛЬТР) (СЕРИЙНЫЙ НОМЕР 508215738 И ВЫШЕ)

1Артикул: 6661592, VALVE See Illustration CONTROL VALVE ASSEMBLY/ D2099 6-SPOOL
2Артикул: 784568, ELBOW W/Ref. 3
3Артикул: 79K10, O RING 10
Подробнее >
ЦИЛИНДР ПОВОРОТА (С 1.25-- ВАЛОМ OD)

ЦИЛИНДР ПОВОРОТА (С 1.25-- ВАЛОМ OD)

1Артикул: 6587963, CYLINDER Ref. 2-14
2Артикул: 6587956, ROD
3Артикул: 6587958, HEAD, CYL SWING Was 6587955 - D
Подробнее >
СХЕМА ГИДРАВЛИЧЕСКОЙ СИСТЕМЫ (ИЗ НАСОСА В КЛАПАН В КАМЕРУ ОХЛАЖДЕНИЯ В ФИЛЬТР) (СЕРИЙНЫЙ НОМЕР 508215001 - 15737)

СХЕМА ГИДРАВЛИЧЕСКОЙ СИСТЕМЫ (ИЗ НАСОСА В КЛАПАН В КАМЕРУ ОХЛАЖДЕНИЯ В ФИЛЬТР) (СЕРИЙНЫЙ НОМЕР 508215001 - 15737)

1Артикул: 6661592, VALVE See Illustration CONTROL VALVE ASSEMBLY/ D2099 6-SPOOL
2Артикул: 784568, ELBOW W/Ref. 3
3Артикул: 79K10, O RING 10
Подробнее >
СХЕМА ГИДРАВЛИЧЕСКОЙ СИСТЕМЫ (С КЛАПАНА В РУКОЯТЬ В СТРЕЛУ В КОВШ ВО ВСПОМОГАТЕЛЬНОЕ УСТРОЙСТВО)

СХЕМА ГИДРАВЛИЧЕСКОЙ СИСТЕМЫ (С КЛАПАНА В РУКОЯТЬ В СТРЕЛУ В КОВШ ВО ВСПОМОГАТЕЛЬНОЕ УСТРОЙСТВО)

1Артикул: 6661592, VALVE See Illustration CONTROL VALVE ASSEMBLY/ D2099 6 spool
2Артикул: 16KB0608, FITTING, HYD CONNECTOR W/Ref. 3 - Was 6587170 - A
3Артикул: 79K8, O RING 10
Подробнее >
СХЕМА ГИДРАВЛИЧЕСКОЙ СИСТЕМЫ (ОТВАЛ И ПОВОРОТ)

СХЕМА ГИДРАВЛИЧЕСКОЙ СИСТЕМЫ (ОТВАЛ И ПОВОРОТ)

1Артикул: VALVE, VALVE See Illustration CONTROL VALVE ASSEMBLY/ D2118 NLA - 3 spool - Was 6661593 - A
2Артикул: 743108, FITTING W/Ref. 3
3Артикул: 79K8, O RING 10
Подробнее >
ВПУСКНАЯ СЕКЦИЯ КЛАПАНА (ЛЕВОСТОРОННИЙ ХОД)

ВПУСКНАЯ СЕКЦИЯ КЛАПАНА (ЛЕВОСТОРОННИЙ ХОД)

1Артикул: NLA, NLA - Was 6658312
2Артикул: HOUSING, HOUSING NLA
3Артикул: SPOOL, SPOOL NLA
Подробнее >
ПРАВОСТОРОННИЙ ДЖОЙСТИК УПРАВЛЕНИЯ

ПРАВОСТОРОННИЙ ДЖОЙСТИК УПРАВЛЕНИЯ

1Артикул: 6654120, JOYSTICK ASSY. assy. - W/Ref. 2-39
2Артикул: HOUSING, HOUSING NSS
3Артикул: 6655289, PLATE
Подробнее >
СЕКЦИЯ ВЫХОДНОГО ПАТРУБКА (ПОВОРОТ СТРЕЛЫ)

СЕКЦИЯ ВЫХОДНОГО ПАТРУБКА (ПОВОРОТ СТРЕЛЫ)

1Артикул: 6658324, VALVE outlet section - W/Ref. 2-14
2Артикул: HOUSING, HOUSING NLA
3Артикул: SPOOL, SPOOL NLA
Подробнее >
РЕГУЛИРУЮЩИЙ КЛАПАН В СБОРЕ (3 КАТУШКА)

РЕГУЛИРУЮЩИЙ КЛАПАН В СБОРЕ (3 КАТУШКА)

1Артикул: VALVE, VALVE NLA - assy - W/Ref. 2-32 - Was 6661593 - A
2Артикул: 6662206, VALVE See Illustration INLET VALVE SECTION/ D2103 swing motor
3Артикул: 6662205, VALVE See Illustration VALVE SECTION/ C3278 blade
Подробнее >
СХЕМА ГИДРАВЛИЧЕСКОЙ СИСТЕМЫ (ДЖОЙСТИК УПРАВЛЕНИЯ) (ISO)

СХЕМА ГИДРАВЛИЧЕСКОЙ СИСТЕМЫ (ДЖОЙСТИК УПРАВЛЕНИЯ) (ISO)

1Артикул: 6654120, JOYSTICK ASSY. See Illustration R.H. JOYSTICK CONTROLS/ D1972 NLA - RH - Was 6654120 - A
2Артикул: 6654119, JOYSTICK ASSY. See Illustration L.H. JOYSTICK CONTROLS/ D1973 -L.H. - Was 6654119 - A
3Артикул: 1CM625, BOLT
Подробнее >
СЕКЦИЯ РАСПРЕДЕЛИТЕЛЯ (ВСПОМОГАТЕЛЬНОЕ УСТРОЙСТВО)

СЕКЦИЯ РАСПРЕДЕЛИТЕЛЯ (ВСПОМОГАТЕЛЬНОЕ УСТРОЙСТВО)

1Артикул: 6662213, VALVE section - W/Ref. 2-15
2Артикул: HOUSING, HOUSING NLA
3Артикул: SPOOL, SPOOL NLA
Подробнее >
ВПУСКНАЯ СЕКЦИЯ КЛАПАНА (ГИДРОМОТОР ПОВОРОТА ПЛАТФОРМЫ)

ВПУСКНАЯ СЕКЦИЯ КЛАПАНА (ГИДРОМОТОР ПОВОРОТА ПЛАТФОРМЫ)

1Артикул: 6662206, VALVE inlet section - W/Ref. 2-14
2Артикул: HOUSING, HOUSING NLA
3Артикул: SPOOL, SPOOL NLA
Подробнее >
ЦИЛИНДР КОВША

ЦИЛИНДР КОВША

1Артикул: 6588658, CYLINDER Ref. 2-7
2Артикул: 6588663, ROD
3Артикул: 6539236, HEAD
Подробнее >
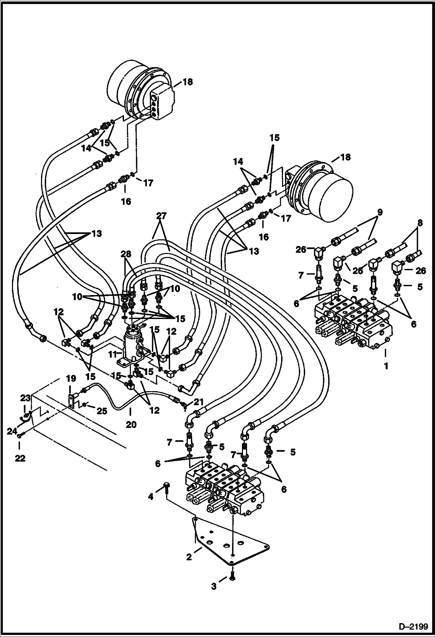
ГИДРОМОТОР ПОВОРОТА ПЛАТФОРМЫ

ГИДРОМОТОР ПОВОРОТА ПЛАТФОРМЫ

1Артикул: SWING, SWING MOTOR NLA - assy. - W/Ref. 2-33 & 37 - Order Ref. 38 - Was 6659533 - A
2Артикул: 6671069, SHAFT assy. - W/Ref. 3-13, 32 & 37 - Was 6659995 - A
3Артикул: 6656359, SNAP RING
Подробнее >
ВПУСКНАЯ СЕКЦИЯ КЛАПАНА (ПРАВОСТОРОННИЙ ХОД)

ВПУСКНАЯ СЕКЦИЯ КЛАПАНА (ПРАВОСТОРОННИЙ ХОД)

1Артикул: 6658313, VALVE inlet section - W/Ref. 2-12
2Артикул: HOUSING, HOUSING NLA
3Артикул: SPOOL, SPOOL NLA
Подробнее >
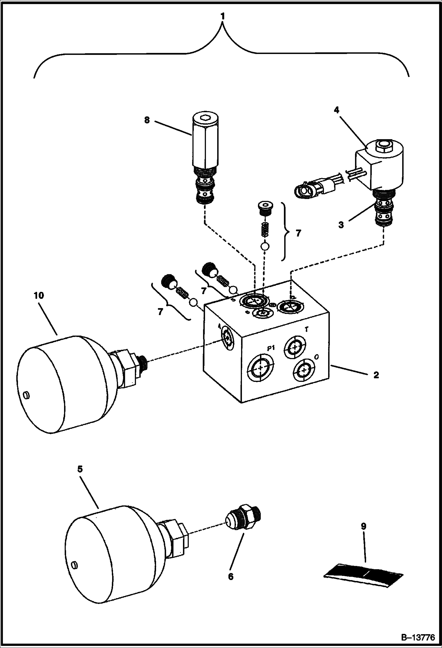
КОЛЛЕКТОР ДЖОЙСТИКА

КОЛЛЕКТОР ДЖОЙСТИКА

1Артикул: MANIFOLD, MANIFOLD NLA - joystick - W/Ref. 2-8 - order 6665015 - Was 6661346 - A
2Артикул: 6665015, MANIFOLD joystick - W/Ref. 2-4, 7, 8 & 10
3Артикул: 6662068, BLOCK manifold
Подробнее >
ШЕСТЕРЕННЫЙ НАСОС (BARNES)

ШЕСТЕРЕННЫЙ НАСОС (BARNES)

1Артикул: PUMP, PUMP See BTIE-025 NLA - W/Ref. 2-24 - Was Barnes pump 6664309
2Артикул: 6662925, SNAP RING
3Артикул: 6662926, SEAL Included W/Ref. 28
Подробнее >
РЕГУЛИРУЮЩИЙ КЛАПАН В СБОРЕ (6-КАТУШКА)

РЕГУЛИРУЮЩИЙ КЛАПАН В СБОРЕ (6-КАТУШКА)

1Артикул: 6661592, VALVE assy - W/Ref. 2-35
2Артикул: See, See Illustration INLET VALVE SECTION/ C3230 NLA - Was 6658312
3Артикул: 6662211, VALVE See Illustration VALVE SECTION/ D2100 arm or bucket
Подробнее >
ЦИЛИНДР ПОВОРОТА (С 1.375-- ВАЛОМ OD)

ЦИЛИНДР ПОВОРОТА (С 1.375-- ВАЛОМ OD)

1Артикул: CYLINDER, CYLINDER NLA - Ref. 2-14 - Order 6587963 - Was 6587364 - A
2Артикул: 6587367, ROD
3Артикул: 6586721, HEAD
Подробнее >
ШЕСТЕРЕННЫЙ НАСОС (ВСПОМОГАТЕЛЬНЫЙ)(EATON)

ШЕСТЕРЕННЫЙ НАСОС (ВСПОМОГАТЕЛЬНЫЙ)(EATON)

1Артикул: PUMP,, PUMP, GEAR TRIPLE See BTIE-025 - Was 7024871 - A
2Артикул: 7030250, KIT, SEAL
Подробнее >