+7 (701) 588 50 05 Телефон для связи
RU

WhatsApp

Позвонить

ГИДРАВЛИЧЕСКАЯ СИСТЕМА в Алматы

СХЕМА ГИДРАВЛИЧЕСКОЙ СИСТЕМЫ (ЦИЛИНДР НАКЛОНА)

СХЕМА ГИДРАВЛИЧЕСКОЙ СИСТЕМЫ (ЦИЛИНДР НАКЛОНА)

1Артикул: 6922428, TILT CYLINDER See Illustration TILT CYLINDER/ SPC003101
2Артикул: 014375-29G, UNION
3Артикул: 6922442, HYDRAULIC HOSE + PIPE
Подробнее >
СХЕМА ГИДРАВЛИЧЕСКОЙ СИСТЕМЫ (РЕЗЕРВУАР ДЛЯ МАСЛА)

СХЕМА ГИДРАВЛИЧЕСКОЙ СИСТЕМЫ (РЕЗЕРВУАР ДЛЯ МАСЛА)

1Артикул: 4CM825, BOLT Was 01597.4 - B
2Артикул: 4CM1030, BOLT Was 01605.5 - Was 01606.3 - B
3Артикул: 1EM100, WASHER Was 01698.0 - B
Подробнее >
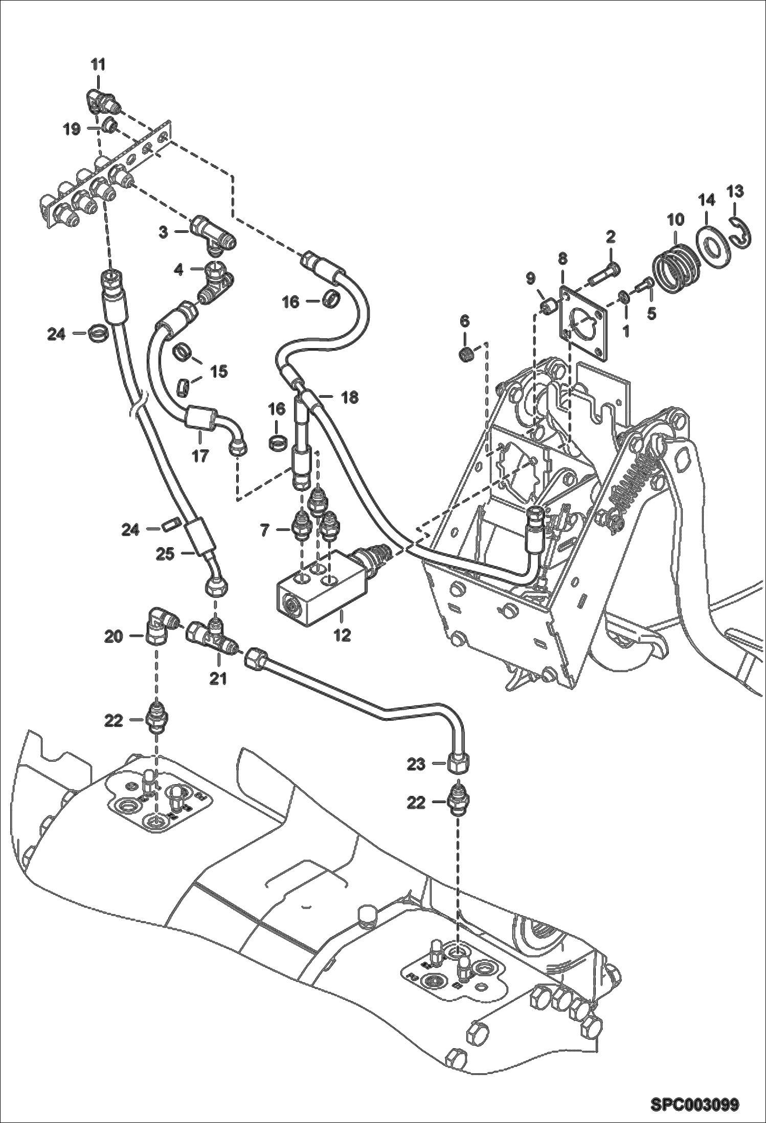
СХЕМА ГИДРАВЛИЧЕСКОЙ СИСТЕМЫ (РУЛЕВОЕ УПРАВЛЕНИЕ)

СХЕМА ГИДРАВЛИЧЕСКОЙ СИСТЕМЫ (РУЛЕВОЕ УПРАВЛЕНИЕ)

1Артикул: 6923972, HOSE
2Артикул: 4CM1030, BOLT Was 01606.3 - B
3Артикул: 6923959, T-UNION
Подробнее >
СХЕМА ГИДРАВЛИЧЕСКОЙ СИСТЕМЫ (ГИДРОЦИЛИНДР ПОДЪЕМА, ЦИЛИНДР КОМПЕНСАЦИИ)

СХЕМА ГИДРАВЛИЧЕСКОЙ СИСТЕМЫ (ГИДРОЦИЛИНДР ПОДЪЕМА, ЦИЛИНДР КОМПЕНСАЦИИ)

1Артикул: 010370-93A, ELBOW PIECE
2Артикул: 46240.8, SCREW
3Артикул: 1CM1470, BOLT Was 52294.6 - A
Подробнее >
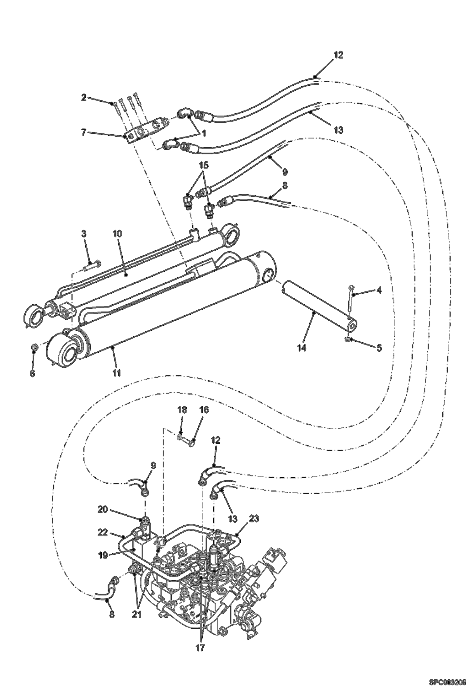
СХЕМА ГИДРАВЛИЧЕСКОЙ СИСТЕМЫ (СТРЕЛА)

СХЕМА ГИДРАВЛИЧЕСКОЙ СИСТЕМЫ (СТРЕЛА)

1Артикул: 01508.1, Screw
2Артикул: 1CM880, BOLT Was 01512.3 - A
3Артикул: 01549.5, Screw
Подробнее >
ПРЕДОХРАНИТЕЛЬНЫЙ КЛАПАН

ПРЕДОХРАНИТЕЛЬНЫЙ КЛАПАН

1Артикул: 6918850, VALVE, SAFETY Ref. 2-23
2Артикул: 7015559, SCREW
3Артикул: 7015560, SPRING
Подробнее >
ЦИЛИНДР КОМПЕНСАЦИИ

ЦИЛИНДР КОМПЕНСАЦИИ

1Артикул: 6920426, RAM W/Ref. 2-8
2Артикул: 6912993, SET OF SEALS
3Артикул: 6912994, RAM CYLINDER
Подробнее >
СХЕМА ГИДРАВЛИЧЕСКОЙ СИСТЕМЫ (РАБОЧИЙ ТОРМОЗ)

СХЕМА ГИДРАВЛИЧЕСКОЙ СИСТЕМЫ (РАБОЧИЙ ТОРМОЗ)

1Артикул: 000350-01U, WASHER
2Артикул: 01578.4, Screw
3Артикул: 008372-02C, UNION
Подробнее >
УСТАНОВКА РЕГУЛИРУЮЩЕГО КЛАПАНА (ВПУСКНОЕ ОТВЕРСТИЕ, СЕКЦИЯ ПАТРУБКА)

УСТАНОВКА РЕГУЛИРУЮЩЕГО КЛАПАНА (ВПУСКНОЕ ОТВЕРСТИЕ, СЕКЦИЯ ПАТРУБКА)

1Артикул: 6923669, MAIN VALVE W/Ref. 2-36
2Артикул: 6921049, TIE ROD KIT W/Ref. 3-7
3Артикул: WASHER,, WASHER, ELASTIC NAP - Order Ref. 2
Подробнее >
БЫСТРОСЪЕМНЫЙ ГИДРОЗАМОК

БЫСТРОСЪЕМНЫЙ ГИДРОЗАМОК

1Артикул: 6624289, STRAP, TIE only if second hydraulic function on boom is installed
2Артикул: 1JM5028, PIN Was 01735.0 - A
3Артикул: 1JM8030, PIN, HEAVY ROLL Was 01744.2 - A
Подробнее >
СЕКЦИЯ РЕГУЛИРУЮЩЕГО КЛАПАНА (СЕКЦИЯ ВСПОМОГАТЕЛЬНЫХ ГИДРАВЛИЧЕСКИХ МЕХАНИЗМОВ)

СЕКЦИЯ РЕГУЛИРУЮЩЕГО КЛАПАНА (СЕКЦИЯ ВСПОМОГАТЕЛЬНЫХ ГИДРАВЛИЧЕСКИХ МЕХАНИЗМОВ)

1Артикул: 6924960, AUXILIARY SECTION ASSY auxiliary section
2Артикул: 6921044, SPOOL
3Артикул: 6921057, WORKING SECTION KIT
Подробнее >
СХЕМА ГИДРАВЛИЧЕСКОЙ СИСТЕМЫ

СХЕМА ГИДРАВЛИЧЕСКОЙ СИСТЕМЫ

1Артикул: 01598.2, SCREW
2Артикул: 000350-02V, WASHER
3Артикул: 10167.5, Screw
Подробнее >
ЦИЛИНДР ПОДЪЕМА

ЦИЛИНДР ПОДЪЕМА

1Артикул: 6920427, LIFTING RAM W/Ref. 2-7
2Артикул: 6921000, SET OF SEALS
3Артикул: 6921001, RAM CYLINDER
Подробнее >
СХЕМА ГИДРАВЛИЧЕСКОЙ СИСТЕМЫ (ОХЛАЖДЕНИЕ)

СХЕМА ГИДРАВЛИЧЕСКОЙ СИСТЕМЫ (ОХЛАЖДЕНИЕ)

1Артикул: 1CM820, BOLT Was 01596.6 - B
2Артикул: 30H84, CLAMP
3Артикул: 010370-91X, ELBOW 90 1.5/16JIC 5/16UNF
Подробнее >
СЕКЦИЯ РЕГУЛИРУЮЩЕГО КЛАПАНА (СЕКЦИЯ ПОДЪЕМА)

СЕКЦИЯ РЕГУЛИРУЮЩЕГО КЛАПАНА (СЕКЦИЯ ПОДЪЕМА)

1Артикул: 6924962, LIFT SECTION ASSY lift section
2Артикул: 6924972, SPOOL
3Артикул: 6924978, VALVE
Подробнее >
СХЕМА ГИДРАВЛИЧЕСКОЙ СИСТЕМЫ (РЕГУЛИРУЮЩИЙ КЛАПАН) (СЕРИЙНЫЙ НОМЕР A85911000 - A85911152)

СХЕМА ГИДРАВЛИЧЕСКОЙ СИСТЕМЫ (РЕГУЛИРУЮЩИЙ КЛАПАН) (СЕРИЙНЫЙ НОМЕР A85911000 - A85911152)

1Артикул: 01579.2, Screw
2Артикул: 01598.2, SCREW
3Артикул: 1CM1016, SCREW Was 01603.0 - B
Подробнее >
СХЕМА ГИДРАВЛИЧЕСКОЙ СИСТЕМЫ (СТОЯНОЧНЫЙ ТОРМОЗ)

СХЕМА ГИДРАВЛИЧЕСКОЙ СИСТЕМЫ (СТОЯНОЧНЫЙ ТОРМОЗ)

1Артикул: 01604.8, Screw
2Артикул: 008372-01B, ELBOW PIECE
3Артикул: 10167.5, Screw
Подробнее >
СХЕМА ГИДРАВЛИЧЕСКОЙ СИСТЕМЫ (НАПРАВЛЯЮЩЕЕ УСТРОЙСТВО) (С АВАРИЙНЫМ ОГРАНИЧИТЕЛЕМ ХОДА СТРЕЛЫ (AMA))

СХЕМА ГИДРАВЛИЧЕСКОЙ СИСТЕМЫ (НАПРАВЛЯЮЩЕЕ УСТРОЙСТВО) (С АВАРИЙНЫМ ОГРАНИЧИТЕЛЕМ ХОДА СТРЕЛЫ (AMA))

1Артикул: 000350-06A, WASHER
2Артикул: 01591.7, Screw
3Артикул: 022375-31Z, UNION
Подробнее >
СЕКЦИЯ РЕГУЛИРУЮЩЕГО КЛАПАНА (СЕКЦИЯ НАКЛОНА)

СЕКЦИЯ РЕГУЛИРУЮЩЕГО КЛАПАНА (СЕКЦИЯ НАКЛОНА)

1Артикул: 6924977, TILT SECTION ASSY tilt section
2Артикул: 6921042, SPOOL
3Артикул: 6921056, WORKING SECTION KIT
Подробнее >
СХЕМА ГИДРАВЛИЧЕСКОЙ СИСТЕМЫ (РЕГУЛИРУЮЩИЙ КЛАПАН) (СЕРИЙНЫЙ НОМЕР A85911153 И ВЫШЕ)

СХЕМА ГИДРАВЛИЧЕСКОЙ СИСТЕМЫ (РЕГУЛИРУЮЩИЙ КЛАПАН) (СЕРИЙНЫЙ НОМЕР A85911153 И ВЫШЕ)

1Артикул: 000326-25M, SCREW
2Артикул: 01598.2, SCREW
3Артикул: 1CM1016, SCREW Was 01603.0 - B
Подробнее >
СЕКЦИЯ РЕГУЛИРУЮЩЕГО КЛАПАНА (ТЕЛЕСКОПИЧЕСКАЯ СЕКЦИЯ)

СЕКЦИЯ РЕГУЛИРУЮЩЕГО КЛАПАНА (ТЕЛЕСКОПИЧЕСКАЯ СЕКЦИЯ)

1Артикул: 6924976, TELESCOPE SECTION ASSY telescope section
2Артикул: 6924973, SPOOL
3Артикул: 6921057, WORKING SECTION KIT
Подробнее >
СХЕМА ГИДРАВЛИЧЕСКОЙ СИСТЕМЫ (СТОЯНОЧНЫЙ ТОРМОЗ) (С АККУМУЛЯТОРОМ)

СХЕМА ГИДРАВЛИЧЕСКОЙ СИСТЕМЫ (СТОЯНОЧНЫЙ ТОРМОЗ) (С АККУМУЛЯТОРОМ)

1Артикул: 000350-02V, WASHER
2Артикул: 1CM816, BOLT Was 01595.8 - A
3Артикул: 01604.8, Screw
Подробнее >
ЦИЛИНДР НАКЛОНА

ЦИЛИНДР НАКЛОНА

1Артикул: 6922428, TILT CYLINDER W/Ref. 2-10
2Артикул: 6921011, SET OF SEALS
3Артикул: 6921012, RAM CYLINDER
Подробнее >
ТЕЛЕСКОПИЧЕСКИЙ ЦИЛИНДР

ТЕЛЕСКОПИЧЕСКИЙ ЦИЛИНДР

1Артикул: 6921439, TELESCOPIC CYLINDER W/Ref. 2-8
2Артикул: 7022165, KIT, SEAL Was 6921006 - A
3Артикул: 6921007, RAM CYLINDER
Подробнее >