+7 (701) 588 50 05 Телефон для связи
RU

WhatsApp

Позвонить

ГИДРАВЛИЧЕСКАЯ СИСТЕМА в Алматы

СХЕМА ГИДРАВЛИЧЕСКОЙ СИСТЕМЫ (ХОД)

СХЕМА ГИДРАВЛИЧЕСКОЙ СИСТЕМЫ (ХОД)

1Артикул: 7006067, SWIVEL, ASSY
2Артикул: 7007640, BOLT
3Артикул: 7007836, WASHER SPRING M12
Подробнее >
СХЕМА ГИДРАВЛИЧЕСКОЙ СИСТЕМЫ (ПРАВОСТОРОННИЙ ДЖОЙСТИК И ГИДРОЗАМОК СТРЕЛЫ)

СХЕМА ГИДРАВЛИЧЕСКОЙ СИСТЕМЫ (ПРАВОСТОРОННИЙ ДЖОЙСТИК И ГИДРОЗАМОК СТРЕЛЫ)

1Артикул: 7029201, HOSE, HYD
2Артикул: 7029158, HOSE, HYD
3Артикул: 7005558, ELBOW
Подробнее >
СЕКЦИЯ РАСПРЕДЕЛИТЕЛЯ (ВСПОМОГАТЕЛЬНАЯ СЕКЦИЯ)

СЕКЦИЯ РАСПРЕДЕЛИТЕЛЯ (ВСПОМОГАТЕЛЬНАЯ СЕКЦИЯ)

1Артикул: 7029373, SECTION, VALVE Ref. 2-3 & 6-19 - auxiliary
2Артикул: 7284552, SECTION, VALVE Ref. 2-19 - auxiliary - Was 7277025 - A
3Артикул: 6691133, CHECK VALVE Was 7029475 - A
Подробнее >
ЦИЛИНДР ОТВАЛА (ПРАВОСТОРОННИЙ С ГИДРОЗАМКОМ)

ЦИЛИНДР ОТВАЛА (ПРАВОСТОРОННИЙ С ГИДРОЗАМКОМ)

1Артикул: 7006548, CYLINDER BLADE RH W/Ref. 2-24
2Артикул: 7003706, BUSHING
3Артикул: 7007517, ROD ASSY
Подробнее >
ЦИЛИНДР ОТВАЛА (ЛЕВОСТОРОННИЙ С ГИДРОЗАМКОМ)

ЦИЛИНДР ОТВАЛА (ЛЕВОСТОРОННИЙ С ГИДРОЗАМКОМ)

1Артикул: 7006547, CYLINDER BLADE LH W/Ref. 2-24
2Артикул: 7003706, BUSHING
3Артикул: 7007517, ROD ASSY
Подробнее >
ЦИЛИНДР ОТВАЛА (ЛЕВОСТОРОННИЙ БЕЗ ГИДРОЗАМКА)

ЦИЛИНДР ОТВАЛА (ЛЕВОСТОРОННИЙ БЕЗ ГИДРОЗАМКА)

1Артикул: 7006095, CYLINDER BLADE LH W/Ref. 2-24
2Артикул: 7003706, BUSHING
3Артикул: 7007517, ROD ASSY
Подробнее >
СХЕМА ГИДРАВЛИЧЕСКОЙ СИСТЕМЫ (ОТВАЛ БЕЗ ГИДРОЗАМКА)

СХЕМА ГИДРАВЛИЧЕСКОЙ СИСТЕМЫ (ОТВАЛ БЕЗ ГИДРОЗАМКА)

1Артикул: 7006095, CYLINDER BLADE LH
2Артикул: 7006096, CYLINDER BLADE RH
3Артикул: 7004716, ELBOW
Подробнее >
ГИДРОПРИВОДНОЙ НАСОС (РОТОР В СБОРЕ)

ГИДРОПРИВОДНОЙ НАСОС (РОТОР В СБОРЕ)

1Артикул: 7007368, ROTATOR ASSY W/Ref. 2-36
2Артикул: 7007352, HOUSING CONTROL
3Артикул: 7007355, PISTON ASSY
Подробнее >
СХЕМА ГИДРАВЛИЧЕСКОЙ СИСТЕМЫ (ЛЕВОСТРОННИЙ ДЖОЙСТИК И КЛАПАН ЗАМКА РУКОЯТИ)

СХЕМА ГИДРАВЛИЧЕСКОЙ СИСТЕМЫ (ЛЕВОСТРОННИЙ ДЖОЙСТИК И КЛАПАН ЗАМКА РУКОЯТИ)

1Артикул: 7029157, HOSE, HYD
2Артикул: 7029160, HOSE, HYD
3Артикул: 7278413, HOSE, HYD Was 7029148 - B,D
Подробнее >
КЛАПАН КОЛЛЕКТОРА

КЛАПАН КОЛЛЕКТОРА

1Артикул: 7028853, VALVE, PILOT
2Артикул: 7024801, SPOOL
3Артикул: 7028917, COIL, SOLENOID
Подробнее >
РЕГУЛИРУЮЩИЙ КЛАПАН (СТРЕЛА С ИЗМЕНЯЕМОЙ ГЕОМЕТРИЕЙ)

РЕГУЛИРУЮЩИЙ КЛАПАН (СТРЕЛА С ИЗМЕНЯЕМОЙ ГЕОМЕТРИЕЙ)

1Артикул: 7029371, SECTION, VALVE (Inlet)
2Артикул: 7029367, SECTION, VALVE (Boom)
3Артикул: 7029368, SECTION, VALVE (Bucket)
Подробнее >
СЕКЦИЯ РАСПРЕДЕЛИТЕЛЯ (ВЫХОДНОЙ ПАТРУБОК)

СЕКЦИЯ РАСПРЕДЕЛИТЕЛЯ (ВЫХОДНОЙ ПАТРУБОК)

1Артикул: 7028696, BLOCK, OUTLET
2Артикул: 7029310, PLUG
Подробнее >
СЕКЦИЯ РАСПРЕДЕЛИТЕЛЯ (СЕКЦИЯ БУЛЬДОЗЕРА)

СЕКЦИЯ РАСПРЕДЕЛИТЕЛЯ (СЕКЦИЯ БУЛЬДОЗЕРА)

1Артикул: 7029370, SECTION, VALVE
2Артикул: 6691133, CHECK VALVE Was 7029475 - A
3Артикул: 7007572, VALVE
Подробнее >
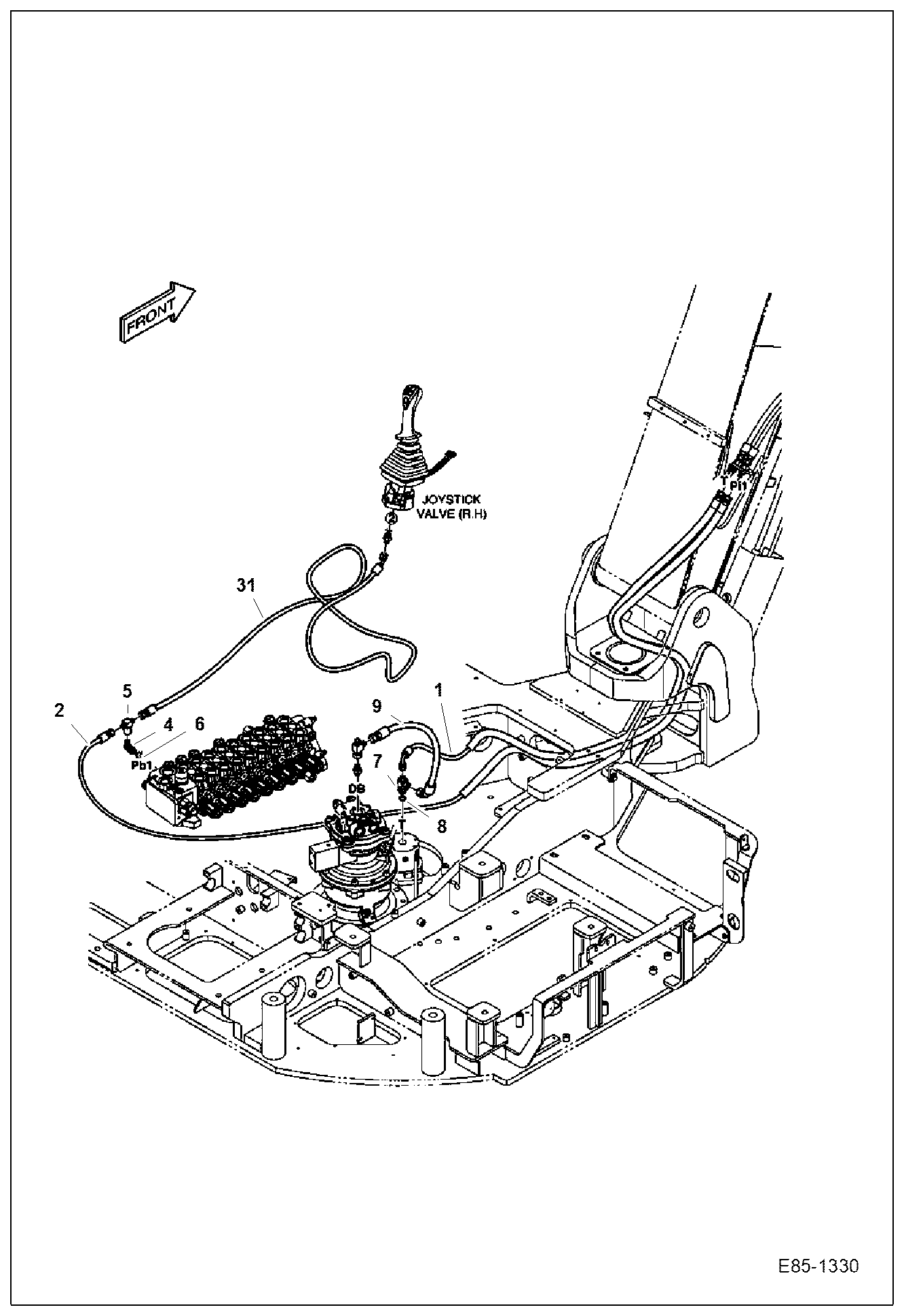
СХЕМА ГИДРАВЛИЧЕСКОЙ СИСТЕМЫ (ПРАВОСТОРОННИЙ ДЖОЙСТИК И КЛАПАН РАСПРЕДЕЛИТЕЛЯ ОТВАЛА)

СХЕМА ГИДРАВЛИЧЕСКОЙ СИСТЕМЫ (ПРАВОСТОРОННИЙ ДЖОЙСТИК И КЛАПАН РАСПРЕДЕЛИТЕЛЯ ОТВАЛА)

1Артикул: 7259143, VALVE, JOYSTICK RH Was 7028848 - A
2Артикул: 7301828, VALVE, JOYSTICK RH
3Артикул: 7028849, VALVE, JOYSTICK BLADE
Подробнее >
НАПРАВЛЯЮЩАЯ СХЕМА ГИДРАВЛИЧЕСКОЙ СИСТЕМЫ (РУКОЯТЬ И СТРЕЛА)

НАПРАВЛЯЮЩАЯ СХЕМА ГИДРАВЛИЧЕСКОЙ СИСТЕМЫ (РУКОЯТЬ И СТРЕЛА)

1Артикул: 7029154, HOSE, HYD
2Артикул: 7029152, HOSE, HYD
3Артикул: 7005307, HOSE
Подробнее >
ЦИЛИНДР ПОВОРОТА СТРЕЛЫ

ЦИЛИНДР ПОВОРОТА СТРЕЛЫ

1Артикул: 7006155, CYLINDER BOOM SWING W/Ref. 2-23
2Артикул: 7003705, BUSHING
3Артикул: 7007548, ROD ASSY
Подробнее >
СХЕМА ГИДРАВЛИЧЕСКОЙ СИСТЕМЫ (КЛАПАН УДЕРЖАНИЯ НАГРУЗКИ СТРЕЛЫ)

СХЕМА ГИДРАВЛИЧЕСКОЙ СИСТЕМЫ (КЛАПАН УДЕРЖАНИЯ НАГРУЗКИ СТРЕЛЫ)

1Артикул: 7028984, CYLINDER, BOOM
2Артикул: 7028851, VALVE, LOCK
3Артикул: 7029119, HOSE, HYD
Подробнее >
КЛАПАНЫ ДЖОЙСТИКА

КЛАПАНЫ ДЖОЙСТИКА

1Артикул: VALVE,, VALVE, JOYSTICK LH NLA - Order 7311732 - Was 7261980 - A
2Артикул: 7311732, VALVE JOYSTICK LH
3Артикул: VALVE,, VALVE, JOYSTICK RH NLA - Order 7311733 valve - Was 7259143 - A
Подробнее >
СХЕМА ГИДРАВЛИЧЕСКОЙ СИСТЕМЫ (НАСОС И ПРИВОД ПОВОРОТНОГО МЕХАНИЗМА)

СХЕМА ГИДРАВЛИЧЕСКОЙ СИСТЕМЫ (НАСОС И ПРИВОД ПОВОРОТНОГО МЕХАНИЗМА)

1Артикул: 7028853, VALVE, PILOT
2Артикул: 7004876, ACCUMULATOR
3Артикул: FILTER, FILTER PILOT NLA - Order 7276722 element - Was 7004880 - A
Подробнее >
ЦИЛИНДР ОТВАЛА (ПРАВОСТОРОННИЙ БЕЗ ГИДРОЗАМКА)

ЦИЛИНДР ОТВАЛА (ПРАВОСТОРОННИЙ БЕЗ ГИДРОЗАМКА)

1Артикул: 7006096, CYLINDER BLADE RH W/Ref. 2-24
2Артикул: 7003706, BUSHING
3Артикул: 7007517, ROD ASSY
Подробнее >
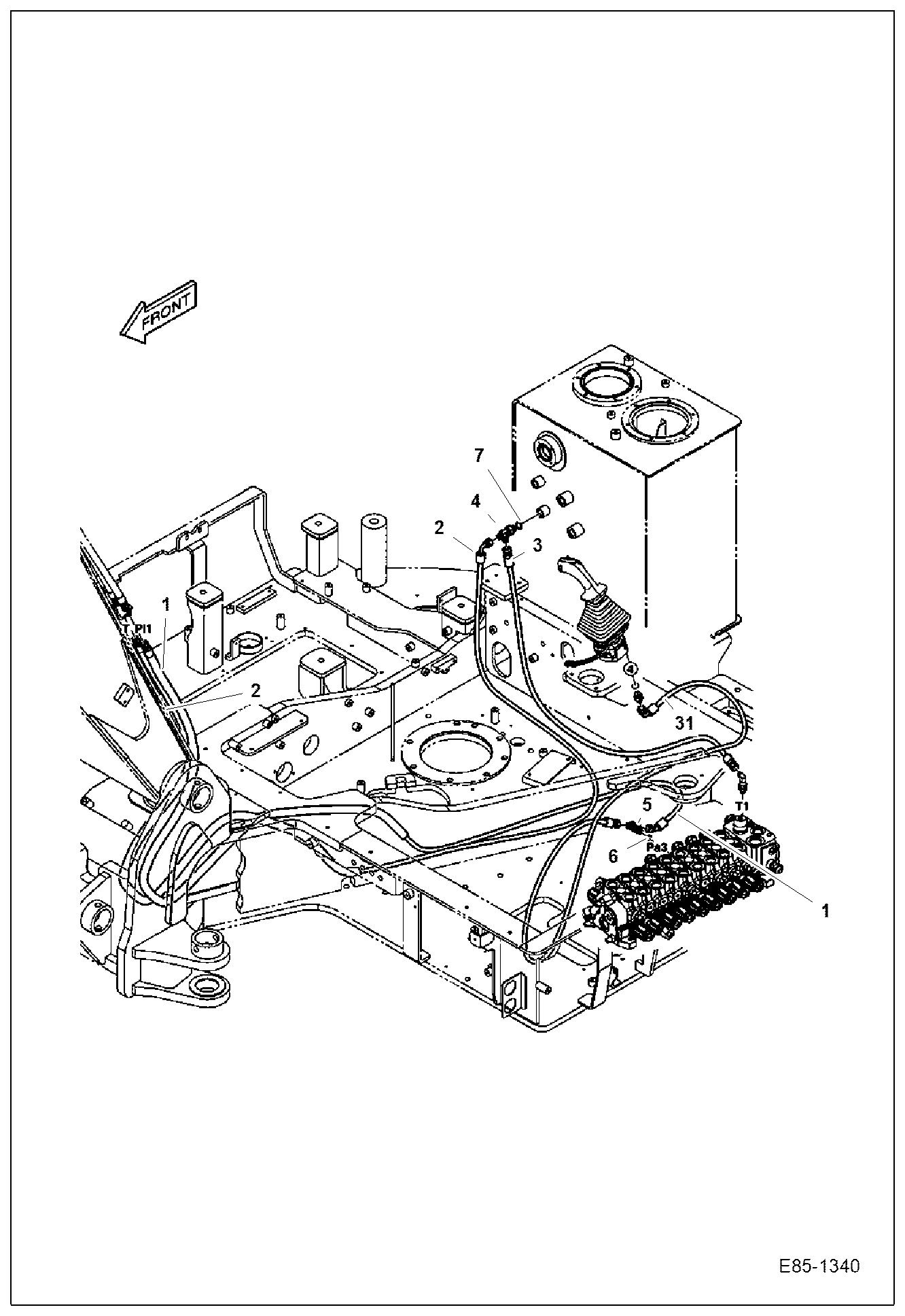
СХЕМА ГИДРАВЛИЧЕСКОЙ СИСТЕМЫ (ЭЛЕКТРОПИТАНИЕ И ВОЗВРАТ)

СХЕМА ГИДРАВЛИЧЕСКОЙ СИСТЕМЫ (ЭЛЕКТРОПИТАНИЕ И ВОЗВРАТ)

1Артикул: 7029275, PIPE, SUCTION
2Артикул: 7006408, TUBELINE SUCTION
3Артикул: 7028826, PIPE, HYDRAULIC COOLER
Подробнее >
СХЕМА ГИДРАВЛИЧЕСКОЙ СИСТЕМЫ (РЕГУЛИРУЮЩИЙ КЛАПАН)

СХЕМА ГИДРАВЛИЧЕСКОЙ СИСТЕМЫ (РЕГУЛИРУЮЩИЙ КЛАПАН)

1Артикул: 7028678, ADAPTER orifice
2Артикул: 7007961, O-RING
3Артикул: 7003958, ELBOW
Подробнее >
КЛАПАНЫ ДЖОЙСТИКА (ОТВАЛ)

КЛАПАНЫ ДЖОЙСТИКА (ОТВАЛ)

1Артикул: 7028849, VALVE, JOYSTICK BLADE W/Ref. 2-35
2Артикул: BODY, BODY NLA - Order Ref. 1
3Артикул: 7029410, SPRING
Подробнее >
РЕГУЛИРУЮЩИЙ КЛАПАН

РЕГУЛИРУЮЩИЙ КЛАПАН

1Артикул: VALVE,, VALVE, CONTROL NLA - Ref. 2-13 - Order 7277024 valve - Was 7028852 - A
2Артикул: 7277024, VALVE, CONTROL Ref. 2-13
3Артикул: 7029367, SECTION, VALVE boom
Подробнее >
СХЕМА ГИДРАВЛИЧЕСКОЙ СИСТЕМЫ (РУКОЯТЬ 2.25 М)

СХЕМА ГИДРАВЛИЧЕСКОЙ СИСТЕМЫ (РУКОЯТЬ 2.25 М)

1Артикул: 7028985, CYLINDER, BUCKET
2Артикул: 7005187, HOSE
3Артикул: 7015433, ADAPTER
Подробнее >
СЕКЦИЯ РАСПРЕДЕЛИТЕЛЯ (СЕКЦИЯ РУКОЯТИ)

СЕКЦИЯ РАСПРЕДЕЛИТЕЛЯ (СЕКЦИЯ РУКОЯТИ)

1Артикул: 7029366, SECTION, VALVE
2Артикул: 6691133, CHECK VALVE Was 7029475 - A
3Артикул: 7007576, CAP PLUNGER KIT
Подробнее >
СХЕМА ГИДРАВЛИЧЕСКОЙ СИСТЕМЫ (СТРЕЛА И ЦИЛИНДРЫ РУКОЯТИ)

СХЕМА ГИДРАВЛИЧЕСКОЙ СИСТЕМЫ (СТРЕЛА И ЦИЛИНДРЫ РУКОЯТИ)

1Артикул: 7028823, TUBELINE HYD
2Артикул: 7006031, TUBELINE
3Артикул: 7006032, TUBELINE
Подробнее >
КЛАПАНЫ ДЖОЙСТИКА (БУЛЬДОЗЕР)

КЛАПАНЫ ДЖОЙСТИКА (БУЛЬДОЗЕР)

1Артикул: VALVE,, VALVE, PEDAL NLA - Order 7283299 pedal valve - Was 7028854
2Артикул: VALVE,, VALVE, PEDAL NLA - Order 7283299 pedal valve - Was 7283629
3Артикул: 7283299, VALVE PEDAL
Подробнее >
СЕКЦИЯ РАСПРЕДЕЛИТЕЛЯ (ВРАЩАЮЩИЙСЯ И ШАРНИРНО-СОЧЛЕНЕННЫЙ) (СТРЕЛА С ИЗМЕНЯЕМОЙ ГЕОМЕТРИЕЙ)

СЕКЦИЯ РАСПРЕДЕЛИТЕЛЯ (ВРАЩАЮЩИЙСЯ И ШАРНИРНО-СОЧЛЕНЕННЫЙ) (СТРЕЛА С ИЗМЕНЯЕМОЙ ГЕОМЕТРИЕЙ)

1Артикул: 7015673, BLOCK ROTATING/ARTI
2Артикул: 6691133, CHECK VALVE Was 7029475 - A
3Артикул: 7007577, CAP PLUNGER KIT
Подробнее >
СХЕМА ГИДРАВЛИЧЕСКОЙ СИСТЕМЫ (СТРЕЛА) (КЛАПАН УДЕРЖАНИЯ НАГРУЗКИ РУКОЯТИ)

СХЕМА ГИДРАВЛИЧЕСКОЙ СИСТЕМЫ (СТРЕЛА) (КЛАПАН УДЕРЖАНИЯ НАГРУЗКИ РУКОЯТИ)

1Артикул: 7003968, BRACKET
2Артикул: 7003949, ADAPTER
3Артикул: 7005623, ADAPTER
Подробнее >
СЕКЦИЯ РАСПРЕДЕЛИТЕЛЯ (ЛЕВОСТОРОННЯЯ СЕКЦИЯ ХОДА)

СЕКЦИЯ РАСПРЕДЕЛИТЕЛЯ (ЛЕВОСТОРОННЯЯ СЕКЦИЯ ХОДА)

1Артикул: 7029375, SECTION, VALVE
2Артикул: 7029476, VALVE, CHECK
3Артикул: 7007576, CAP PLUNGER KIT
Подробнее >
СХЕМА ГИДРАВЛИЧЕСКОЙ СИСТЕМЫ (РАБОЧИЕ ШЛАНГИ И РЕГУЛИРУЮЩИЙ КЛАПАН)

СХЕМА ГИДРАВЛИЧЕСКОЙ СИСТЕМЫ (РАБОЧИЕ ШЛАНГИ И РЕГУЛИРУЮЩИЙ КЛАПАН)

1Артикул: VALVE,, VALVE, CONTROL See Illustration CONTROL VALVE/ E85-4150 Was 7028852 - A
2Артикул: 7029299, PLATE
3Артикул: 7029124, HOSE, HYD
Подробнее >
ПОВОРОТНОЕ СОЕДИНЕНИЕ

ПОВОРОТНОЕ СОЕДИНЕНИЕ

1Артикул: 7006067, SWIVEL, ASSY
2Артикул: SHAFT, SHAFT ASS-Y NLA - Order Ref. 1
3Артикул: COVER, COVER NLA - Order Ref. 1
Подробнее >
СХЕМА ГИДРАВЛИЧЕСКОЙ СИСТЕМЫ (ЛЕВОСТОРОННИЙ ДЖОЙСТИК)

СХЕМА ГИДРАВЛИЧЕСКОЙ СИСТЕМЫ (ЛЕВОСТОРОННИЙ ДЖОЙСТИК)

1Артикул: 7029205, HOSE, HYD
2Артикул: 7261980, VALVE, JOYSTICK LH Was 7028847 - A
3Артикул: 7301831, VALVE, JOYSTICK LH
Подробнее >
СХЕМА ГИДРАВЛИЧЕСКОЙ СИСТЕМЫ (ПРИВОД ПОВОРОТНОГО МЕХАНИЗМА И СЛИВ КАРТЕРА)

СХЕМА ГИДРАВЛИЧЕСКОЙ СИСТЕМЫ (ПРИВОД ПОВОРОТНОГО МЕХАНИЗМА И СЛИВ КАРТЕРА)

1Артикул: MOTOR,, MOTOR, SLEW See Illustration SLEW MOTOR / E85-4120 Was 7028990
2Артикул: 7004668, ADAPTER
3Артикул: 7007774, BOLT
Подробнее >
КЛАПАН ДЖОЙСТИКА (СЕРИЙНЫЙ НОМЕР B34S12823 И ВЫШЕ)

КЛАПАН ДЖОЙСТИКА (СЕРИЙНЫЙ НОМЕР B34S12823 И ВЫШЕ)

1Артикул: CASE, CASE NSS
2Артикул: 7004671, PLUG PT 1/8
3Артикул: 7028772, BUSHING
Подробнее >
СЕКЦИЯ РАСПРЕДЕЛИТЕЛЯ (ПРАВОСТОРОННЯЯ СЕКЦИЯ ХОДА)

СЕКЦИЯ РАСПРЕДЕЛИТЕЛЯ (ПРАВОСТОРОННЯЯ СЕКЦИЯ ХОДА)

1Артикул: 7029376, SECTION, VALVE
2Артикул: 7029476, VALVE, CHECK
3Артикул: 7007562, THROTTLE TRANS
Подробнее >
СХЕМА ГИДРАВЛИЧЕСКОЙ СИСТЕМЫ (ХОД И КЛАПАН ПЕЧАЛЬНЫЙ)

СХЕМА ГИДРАВЛИЧЕСКОЙ СИСТЕМЫ (ХОД И КЛАПАН ПЕЧАЛЬНЫЙ)

1Артикул: VALVE,, VALVE, PEDAL NLA - Order 7283299 pedal valve - Was 7028854
2Артикул: VALVE,, VALVE, PEDAL NLA - Order 7283299 pedal valve - Was 7283629
3Артикул: 7283299, VALVE PEDAL
Подробнее >
СЕКЦИЯ РАСПРЕДЕЛИТЕЛЯ (СЕКЦИЯ СТРЕЛЫ)

СЕКЦИЯ РАСПРЕДЕЛИТЕЛЯ (СЕКЦИЯ СТРЕЛЫ)

1Артикул: 7029367, SECTION, VALVE boom
2Артикул: 6691133, CHECK VALVE Was 7029475 - A
3Артикул: 7007576, CAP PLUNGER KIT
Подробнее >
ЦИЛИНДР КОВША

ЦИЛИНДР КОВША

1Артикул: 7028985, CYLINDER, BUCKET W/Ref. 2-39
2Артикул: 7028765, BUSHING
3Артикул: 7029343, CLYLINDER, BUCKET W/Ref. 4
Подробнее >
СХЕМА ГИДРАВЛИЧЕСКОЙ СИСТЕМЫ (КЛАПАН УДЕРЖАНИЯ НАГРУЗКИ РУКОЯТИ)

СХЕМА ГИДРАВЛИЧЕСКОЙ СИСТЕМЫ (КЛАПАН УДЕРЖАНИЯ НАГРУЗКИ РУКОЯТИ)

1Артикул: CYLINDER,, CYLINDER, ARM See Illustration ARM CYLINDER / E85-4330 - NLA - Was 7028983 - A
2Артикул: 7003968, BRACKET
3Артикул: 7003949, ADAPTER
Подробнее >
ЦИЛИНДР РУКОЯТИ (С ГИДРОЗАМКОМ)

ЦИЛИНДР РУКОЯТИ (С ГИДРОЗАМКОМ)

1Артикул: CYLINDER,, CYLINDER, ARM Ref. 2-43 - Was 7006799 - A
2Артикул: CYLINDER,, CYLINDER, ARM NLA - Ref. 2-43 - Order 7278025 cylinder - Was 7028983 - B
3Артикул: CYLINDER,, CYLINDER, ARM NLA - Ref. 2-43 - Order 7278025 cylinder - Was 7278029
Подробнее >
СЕКЦИЯ РАСПРЕДЕЛИТЕЛЯ (СЕКЦИЯ КОВША)

СЕКЦИЯ РАСПРЕДЕЛИТЕЛЯ (СЕКЦИЯ КОВША)

1Артикул: 7029368, SECTION, VALVE
2Артикул: 6691133, CHECK VALVE Was 7029475 - A
3Артикул: 7007576, CAP PLUNGER KIT
Подробнее >
СХЕМА ГИДРАВЛИЧЕСКОЙ СИСТЕМЫ (НИЖНИЙ) (ОТВАЛ С ГИДРОЗАМКОМ)

СХЕМА ГИДРАВЛИЧЕСКОЙ СИСТЕМЫ (НИЖНИЙ) (ОТВАЛ С ГИДРОЗАМКОМ)

1Артикул: 7006547, CYLINDER BLADE LH
2Артикул: 7006548, CYLINDER BLADE RH
3Артикул: 7006513, VALVE CHECK
Подробнее >
СХЕМА ГИДРАВЛИЧЕСКОЙ СИСТЕМЫ (ХОД С СИГНАЛИЗАТОРОМ ДВИЖЕНИЯ)

СХЕМА ГИДРАВЛИЧЕСКОЙ СИСТЕМЫ (ХОД С СИГНАЛИЗАТОРОМ ДВИЖЕНИЯ)

1Артикул: 7008274, VALVE, SHUTTLE
2Артикул: 7029200, HOSE, HYD
3Артикул: 7029200, HOSE, HYD
Подробнее >
СЕКЦИЯ РАСПРЕДЕЛИТЕЛЯ (СТУПЕНЧАТЫЙ РАЗРЕЗ)

СЕКЦИЯ РАСПРЕДЕЛИТЕЛЯ (СТУПЕНЧАТЫЙ РАЗРЕЗ)

1Артикул: 7029372, SECTION, VALVE
2Артикул: 6691133, CHECK VALVE Was 7029475 - A
3Артикул: 7007576, CAP PLUNGER KIT
Подробнее >
СХЕМА ГИДРАВЛИЧЕСКОЙ СИСТЕМЫ (ПРИВОД ПОВОРОТНОГО МЕХАНИЗМА И КЛАПАН)

СХЕМА ГИДРАВЛИЧЕСКОЙ СИСТЕМЫ (ПРИВОД ПОВОРОТНОГО МЕХАНИЗМА И КЛАПАН)

1Артикул: 7029289, PLATE
2Артикул: 7004700, ADAPTER
3Артикул: 7004677, ADAPTER
Подробнее >
СХЕМА ГИДРАВЛИЧЕСКОЙ СИСТЕМЫ

СХЕМА ГИДРАВЛИЧЕСКОЙ СИСТЕМЫ

1Артикул: 7029267, TUBELINE
2Артикул: 7281487, TUBELINE, HYD
3Артикул: 7029268, TUBELINE
Подробнее >
ПРИВОДНОЙ ЭЛЕКТРОДВИГАТЕЛЬ

ПРИВОДНОЙ ЭЛЕКТРОДВИГАТЕЛЬ

1Артикул: 7029230, MOTOR, TRAVEL W/Ref. 3-26, 28-33, 36-54
2Артикул: 7007489, CYLINDER AND PISTON KIT W/Ref. 3, 7, 8, 11 & 23
3Артикул: 7007488, PISTON ASSY
Подробнее >
СХЕМА ГИДРАВЛИЧЕСКОЙ СИСТЕМЫ (РУКОЯТЬ 1.7 М)

СХЕМА ГИДРАВЛИЧЕСКОЙ СИСТЕМЫ (РУКОЯТЬ 1.7 М)

1Артикул: 7028985, CYLINDER, BUCKET
2Артикул: 7010545, HOSE
3Артикул: 7284557, O-RING Was 7007911 - A
Подробнее >
ПРИВОДНОЙ ЭЛЕКТРОДВИГАТЕЛЬ (ПОНИЖАЮЩАЯ ПЕРЕДАЧА)

ПРИВОДНОЙ ЭЛЕКТРОДВИГАТЕЛЬ (ПОНИЖАЮЩАЯ ПЕРЕДАЧА)

1Артикул: 7029548, GEAR, REDUCTION
2Артикул: 7029407, HOUSING, GEAR
3Артикул: 7007473, CARRIER
Подробнее >
СЕКЦИЯ РАСПРЕДЕЛИТЕЛЯ (СЕКЦИЯ ПОВОРОТНОГО МЕХАНИЗМА)

СЕКЦИЯ РАСПРЕДЕЛИТЕЛЯ (СЕКЦИЯ ПОВОРОТНОГО МЕХАНИЗМА)

1Артикул: 7029374, SECTION, VALVE
2Артикул: 6691133, CHECK VALVE Was 7029475 - A
3Артикул: 7007577, CAP PLUNGER KIT
Подробнее >
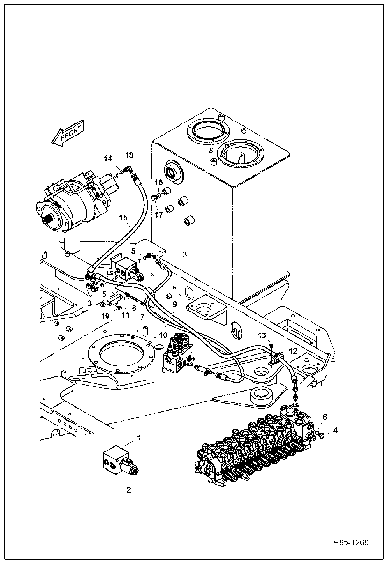
СХЕМА ГИДРАВЛИЧЕСКОЙ СИСТЕМЫ (РЕЗЕРВУАР ДЛЯ МАСЛА)

СХЕМА ГИДРАВЛИЧЕСКОЙ СИСТЕМЫ (РЕЗЕРВУАР ДЛЯ МАСЛА)

1Артикул: 7028842, TANK, OIL
2Артикул: 7006462, FILTER SUCTION
3Артикул: 7004884, FILTER RETURN
Подробнее >
СЕКЦИЯ РАСПРЕДЕЛИТЕЛЯ (ВПУСКНАЯ СЕКЦИЯ)

СЕКЦИЯ РАСПРЕДЕЛИТЕЛЯ (ВПУСКНАЯ СЕКЦИЯ)

1Артикул: 7029371, SECTION, VALVE inlet
2Артикул: O-RING, O-RING NLA - Order Ref. 10
3Артикул: 7007575, KIT REGULATION
Подробнее >
ГИДРОПРИВОДНОЙ НАСОС (ШЕСТЕРЕННЫЙ НАСОС И УПРАВЛЯЮШИЙ ПНЕВМОКЛАПАН)

ГИДРОПРИВОДНОЙ НАСОС (ШЕСТЕРЕННЫЙ НАСОС И УПРАВЛЯЮШИЙ ПНЕВМОКЛАПАН)

1Артикул: 7004963, PUMP ASSY
2Артикул: 7007374, VALVE PILOT W/Ref. 4,5
3Артикул: 7007373, VALVE PILOT W/Ref. 6,7,8,9,11,13,15
Подробнее >
СХЕМА ГИДРАВЛИЧЕСКОЙ СИСТЕМЫ (НАСОС И КЛАПАН)

СХЕМА ГИДРАВЛИЧЕСКОЙ СИСТЕМЫ (НАСОС И КЛАПАН)

1Артикул: 7029485, VALVE, SOLENOID
2Артикул: 7028916, COIL, SOLENOID
3Артикул: 7004713, ELBOW
Подробнее >
ПРИВОД ПОВОРОТНОГО МЕХАНИЗМА

ПРИВОД ПОВОРОТНОГО МЕХАНИЗМА

1Артикул: 7028990, MOTOR, SLEW Ref. 2-66
2Артикул: MOTOR,, MOTOR, SLEW NLA - Ref. 2-66 - Order 7276983 motor - Was 7276970
3Артикул: 7281410, MOTOR, SLEW Ref. 2-66 - Was 7276983
Подробнее >
НАПРАВЛЯЮЩАЯ СХЕМА ГИДРАВЛИЧЕСКОЙ СИСТЕМЫ

НАПРАВЛЯЮЩАЯ СХЕМА ГИДРАВЛИЧЕСКОЙ СИСТЕМЫ

1Артикул: 7029512, SWITCH, SLIDE
2Артикул: 7028974, COVER, SWITCH
3Артикул: 7028822, DECAL Quick Clamp
Подробнее >
СХЕМА ГИДРАВЛИЧЕСКОЙ СИСТЕМЫ (КЛАПАН ПЕЧАЛЬНЫЙ - ХОД)

СХЕМА ГИДРАВЛИЧЕСКОЙ СИСТЕМЫ (КЛАПАН ПЕЧАЛЬНЫЙ - ХОД)

1Артикул: CASING(1), CASING(1) NLA - Order 7283299 pedal valve
2Артикул: CASING(2), CASING(2) NLA - Order 7283299 pedal valve
3Артикул: 7283266, PLUG
Подробнее >
НАПРАВЛЯЮЩАЯ СХЕМА ГИДРАВЛИЧЕСКОЙ СИСТЕМЫ (РУКОЯТЬ 2.25M) (БЫСТРОУСТАНАВЛИВАЕМЫЙ ФИКСАТОР)

НАПРАВЛЯЮЩАЯ СХЕМА ГИДРАВЛИЧЕСКОЙ СИСТЕМЫ (РУКОЯТЬ 2.25M) (БЫСТРОУСТАНАВЛИВАЕМЫЙ ФИКСАТОР)

1Артикул: 7029269, TUBELINE
2Артикул: 7281529, TUBELINE, HYD
3Артикул: 7029270, TUBELINE
Подробнее >
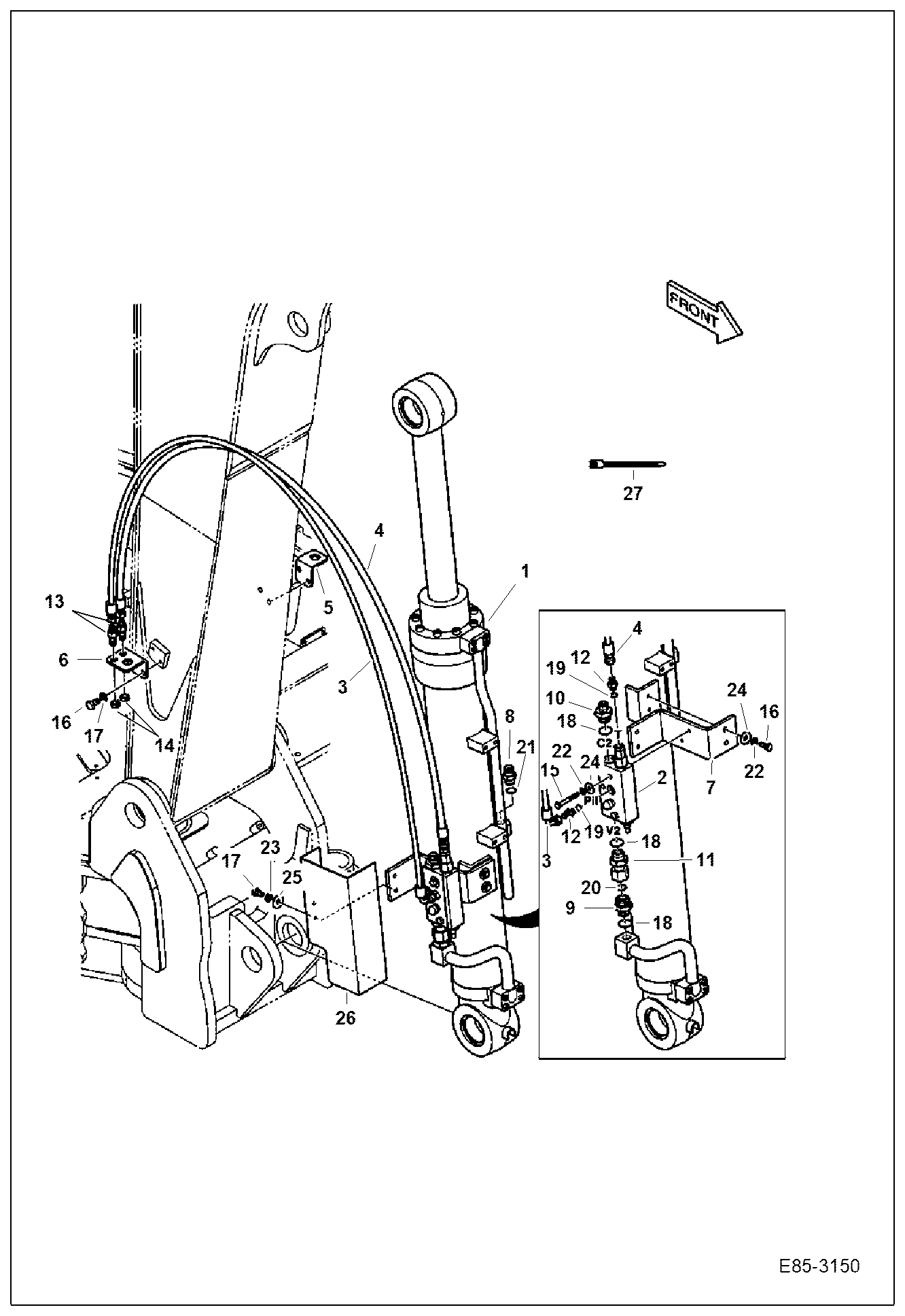
ЦИЛИНДР СТРЕЛЫ (С ГИДРОЗАМКОМ)

ЦИЛИНДР СТРЕЛЫ (С ГИДРОЗАМКОМ)

1Артикул: 7028984, CYLINDER, BOOM W/Ref. 2-36
2Артикул: 7028764, BUSHING mount
3Артикул: 7029340, ROD, CYL
Подробнее >