+7 (701) 588 50 05 Телефон для связи
RU

WhatsApp

Позвонить

ГИДРАВЛИЧЕСКАЯ СИСТЕМА в Алматы

СЕКЦИЯ РАСПРЕДЕЛИТЕЛЯ - УСТРОЙСТВО УПРАВЛЕНИЯ ПОДЪЕМОМ HUSCO

СЕКЦИЯ РАСПРЕДЕЛИТЕЛЯ - УСТРОЙСТВО УПРАВЛЕНИЯ ПОДЪЕМОМ HUSCO

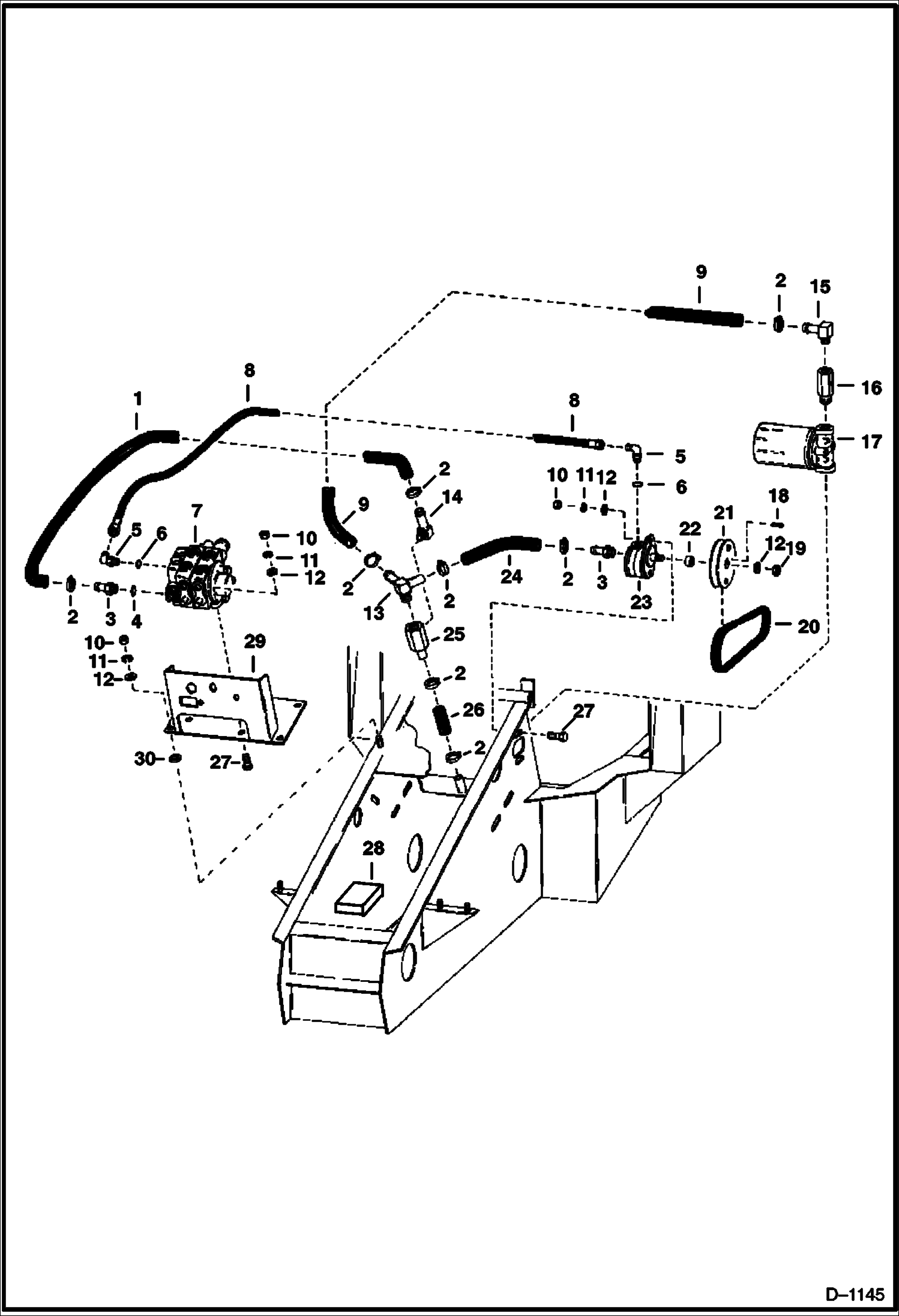
1Артикул: SECTION, SECTION See Illustration MAIN FRAME HYDRAULIC SYSTEM/ D1180 NLA - VALVE - LIFT - SEE NOTE Ref. 35
2Артикул: 6517499, SECTION See Illustration VALVE SECTION - INLET/ B1305 VALVE - INLET
3Артикул: 6517501, SECTION See Illustration VALVE SECTION - TILT CONTROL/ B1306 VALVE - TILT
Подробнее >
ГИДРАВЛИЧЕСКИЙ КЛАПАН CESSNA

ГИДРАВЛИЧЕСКИЙ КЛАПАН CESSNA

1Артикул: VALVE, VALVE NLA - hydraulic - Was 6510735 - A
2Артикул: 6632473, PLUG W/Ref. 3
3Артикул: 58K112, O RING 10
Подробнее >
ГИДРАВЛИЧЕСКАЯ СИСТЕМА РАМЫ ШАССИ СЕРИЙНЫЙ НОМЕР 5111 И ВЫШЕ - С CESSNA КЛАПАНОМ

ГИДРАВЛИЧЕСКАЯ СИСТЕМА РАМЫ ШАССИ СЕРИЙНЫЙ НОМЕР 5111 И ВЫШЕ - С CESSNA КЛАПАНОМ

1Артикул: 6542521, HOSE
2Артикул: 1300059, ELBOW W/Ref. 3
3Артикул: 79K8, O RING 10
Подробнее >
ГИДРОЦИЛИНДР ПОДЪЕМА СО СМЕННЫМ ПАТРУБКОМ

ГИДРОЦИЛИНДР ПОДЪЕМА СО СМЕННЫМ ПАТРУБКОМ

1Артикул: CYLINDER, CYLINDER NLA - Ref. 2-14 - Order 6587789 - Was 6592983 - A
2Артикул: 6587789, CYLINDER, LIFT
3Артикул: CASE, CASE NLA - Cylinder - Order 6587792 & 6588189 - Was 6592989 - A
Подробнее >
ГИДРАВЛИЧЕСКАЯ СИСТЕМА РАМЫ ШАССИ - С HUSCO КЛАПАНОМ СЕРИЙНЫЙ НОМЕР 4953-B-1577 ЧЕРЕЗ 4953-B-3130 И 4953-B-3141 ЧЕРЕЗ 4953-B-3160

ГИДРАВЛИЧЕСКАЯ СИСТЕМА РАМЫ ШАССИ - С HUSCO КЛАПАНОМ СЕРИЙНЫЙ НОМЕР 4953-B-1577 ЧЕРЕЗ 4953-B-3130 И 4953-B-3141 ЧЕРЕЗ 4953-B-3160

1Артикул: 6541687, HOSE
2Артикул: 42H12, CLAMP 10
3Артикул: 1316263, ADAPTER W/Ref. 4
Подробнее >
КОНТУР ГИДРОЦИЛИНДРА ПОДЪЕМА С WARD ИЛИ CESSNA КЛАПАНОМ

КОНТУР ГИДРОЦИЛИНДРА ПОДЪЕМА С WARD ИЛИ CESSNA КЛАПАНОМ

1Артикул: 81D6, NUT
2Артикул: 6502203, CLAMP tube
3Артикул: TUBE, TUBE NLA - Was 6500544 - A
Подробнее >
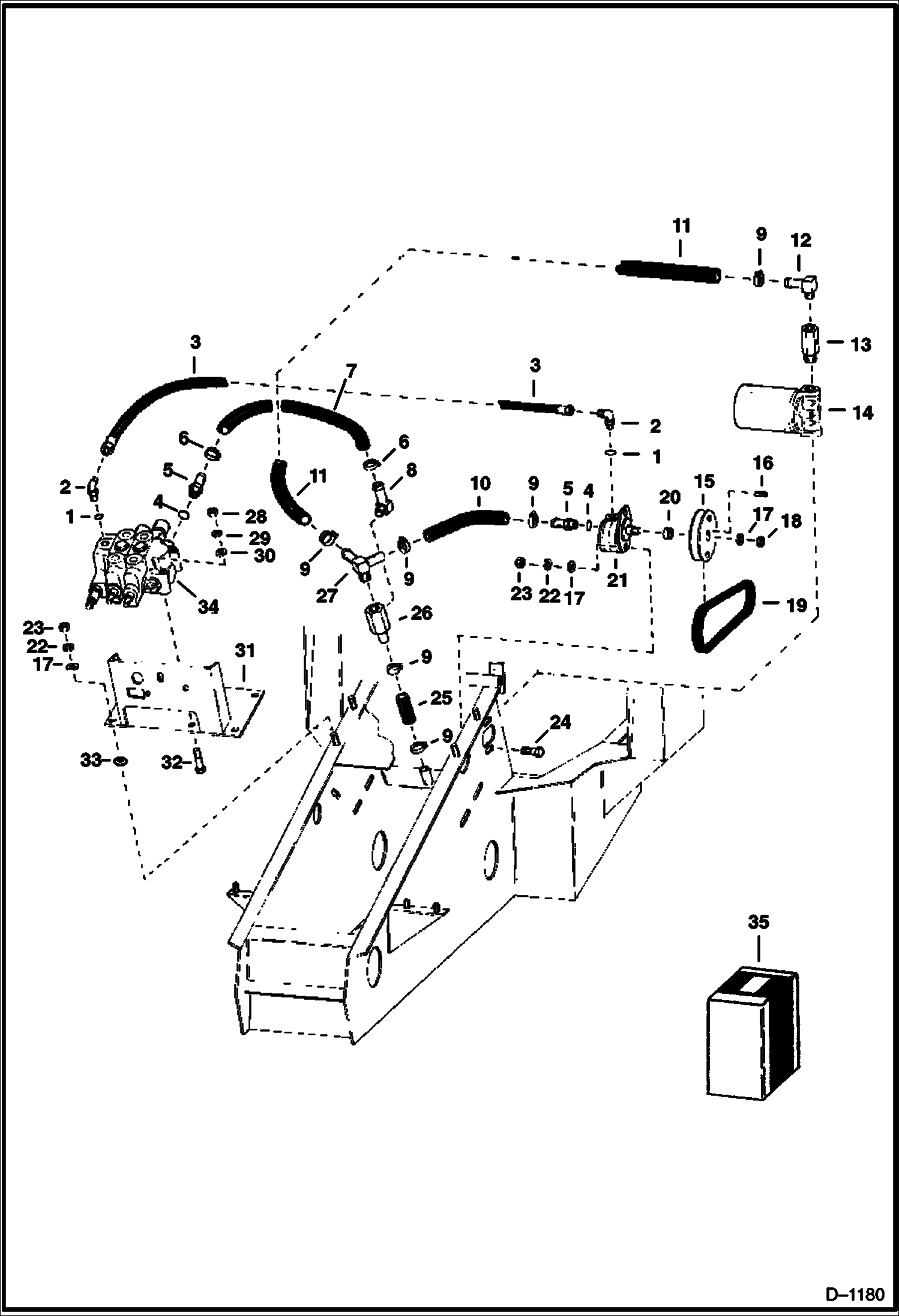
ГИДРАВЛИЧЕСКИЙ РЕГУЛИРУЮЩИЙ КЛАПАН CESSNA-СЕРИЙНЫЙ НОМЕР 5111 И ВЫШЕ

ГИДРАВЛИЧЕСКИЙ РЕГУЛИРУЮЩИЙ КЛАПАН CESSNA-СЕРИЙНЫЙ НОМЕР 5111 И ВЫШЕ

1Артикул: VALVE, VALVE NLA - hydraulic - 2 Spool - Was 6510798 - A
2Артикул: 58K112, O RING 10
3Артикул: 1550482, SPRING lift check
Подробнее >
СЕКЦИЯ РАСПРЕДЕЛИТЕЛЯ - УПРАВЛЕНИЕ КОВШОМ WARD

СЕКЦИЯ РАСПРЕДЕЛИТЕЛЯ - УПРАВЛЕНИЕ КОВШОМ WARD

1Артикул: SECTION, SECTION NSS - valve - Tilt
2Артикул: 61D5, NUT
3Артикул: ROD, ROD NLA - tie - Use on 3 section valve - Was 6510301 - A
Подробнее >
СЕКЦИЯ РАСПРЕДЕЛИТЕЛЯ - ВСПОМОГАТЕЛЬНОЕ УСТРОЙСТВО УПРАВЛЕНИЯ HUSCO

СЕКЦИЯ РАСПРЕДЕЛИТЕЛЯ - ВСПОМОГАТЕЛЬНОЕ УСТРОЙСТВО УПРАВЛЕНИЯ HUSCO

1Артикул: SECTION, SECTION NLA - valve - Aux. - Was 6517502 - A
2Артикул: 948187, TIE ROD stud
3Артикул: 61D5, NUT
Подробнее >
ГИДРАВЛИЧЕСКАЯ СИСТЕМА РАМЫ ШАССИ СЕРИЙНЫЙ НОМЕР 4953-B-1576 И НИЖЕ С ПЕРЕОБОРУДОВАНИЕМ

ГИДРАВЛИЧЕСКАЯ СИСТЕМА РАМЫ ШАССИ СЕРИЙНЫЙ НОМЕР 4953-B-1576 И НИЖЕ С ПЕРЕОБОРУДОВАНИЕМ

1Артикул: HOSE, HOSE NLA - Was 6541196 - A
2Артикул: 42H12, CLAMP 10
3Артикул: 1316263, ADAPTER W/Ref. 4
Подробнее >
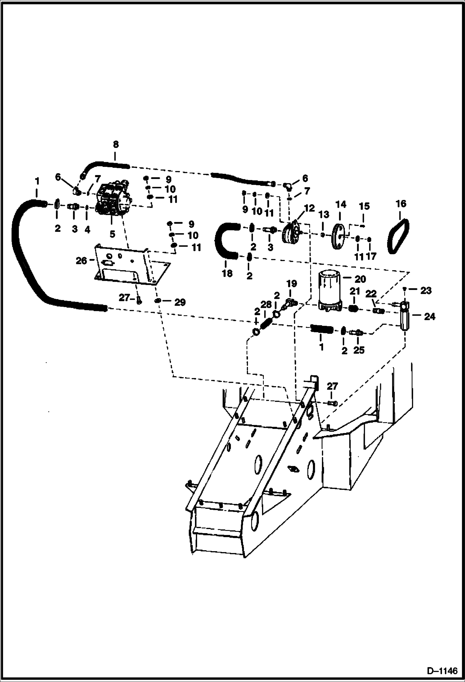
СЕКЦИЯ РАСПРЕДЕЛИТЕЛЯ - ВСПУСКНОЕ ОТВЕРСТИЕ HUSCO

СЕКЦИЯ РАСПРЕДЕЛИТЕЛЯ - ВСПУСКНОЕ ОТВЕРСТИЕ HUSCO

1Артикул: 6517499, SECTION valve - Inlet
2Артикул: STUD, STUD NLA - Was 948014B - A
3Артикул: 61D5, NUT
Подробнее >
ГИДРАВЛИЧЕСКАЯ СИСТЕМА РАМЫ ШАССИ СЕРИЙНЫЙ НОМЕР 313-B-3140 И 3161-5111-С WARD КЛАПАНОМ

ГИДРАВЛИЧЕСКАЯ СИСТЕМА РАМЫ ШАССИ СЕРИЙНЫЙ НОМЕР 313-B-3140 И 3161-5111-С WARD КЛАПАНОМ

1Артикул: 79K6, O RING 10
2Артикул: 17K5, ELBOW W/Ref. 1
3Артикул: 6542521, HOSE
Подробнее >
МАСЛЯНЫЙ ФИЛЬТР ДВИГАТЕЛЯ

МАСЛЯНЫЙ ФИЛЬТР ДВИГАТЕЛЯ

1Артикул: 6541193, FILTER ASSY.
2Артикул: 6516722, FILTER element
3Артикул: 6515227, NUT
Подробнее >
СЕКЦИЯ РАСПРЕДЕЛИТЕЛЯ - УПРАВЛЕНИЕ КОВШОМ HUSCO

СЕКЦИЯ РАСПРЕДЕЛИТЕЛЯ - УПРАВЛЕНИЕ КОВШОМ HUSCO

1Артикул: 6517501, SECTION valve - Tilt
2Артикул: 6517499, SECTION See Illustration VALVE SECTION - INLET/ B1305 VALVE - INLET
3Артикул: 25K40208, O RING 10 Was NSS - D
Подробнее >
ГИДРОПРИВОДНОЙ НАСОС (CESSNA)

ГИДРОПРИВОДНОЙ НАСОС (CESSNA)

1Артикул: PUMP, PUMP NLA - Cessna No. 24205 - LAC - Was 6508434 - A
2Артикул: 93G536, BOLT
3Артикул: PLATE, PLATE NLA - back - W/Bushings - Was 6598368 - A
Подробнее >
ЦИЛИНДРА НАКЛОНА CIRCUITRY С WARD ИЛИ CESSNA КЛАПАНОМ

ЦИЛИНДРА НАКЛОНА CIRCUITRY С WARD ИЛИ CESSNA КЛАПАНОМ

1Артикул: 6500832, HOSE
2Артикул: TUBE, TUBE NLA - Was 6500742 - A
3Артикул: TUBE, TUBE NLA - Was 6500740 - A
Подробнее >
ПРЕДОХРАНИТЕЛЬНЫЙ КЛАПАН

ПРЕДОХРАНИТЕЛЬНЫЙ КЛАПАН

1Артикул: RELIEF, RELIEF VALVE NLA - Was 6544379 - A
2Артикул: NUT, NUT NSS
3Артикул: SPACER, SPACER NSS - tube
Подробнее >
КОНТУР ГИДРОЦИЛИНДРА ПОДЪЕМА С HUSCO КЛАПАНОМ - СЕРИЙНЫЙ НОМЕР 4953-B-3130 И НИЖЕ

КОНТУР ГИДРОЦИЛИНДРА ПОДЪЕМА С HUSCO КЛАПАНОМ - СЕРИЙНЫЙ НОМЕР 4953-B-3130 И НИЖЕ

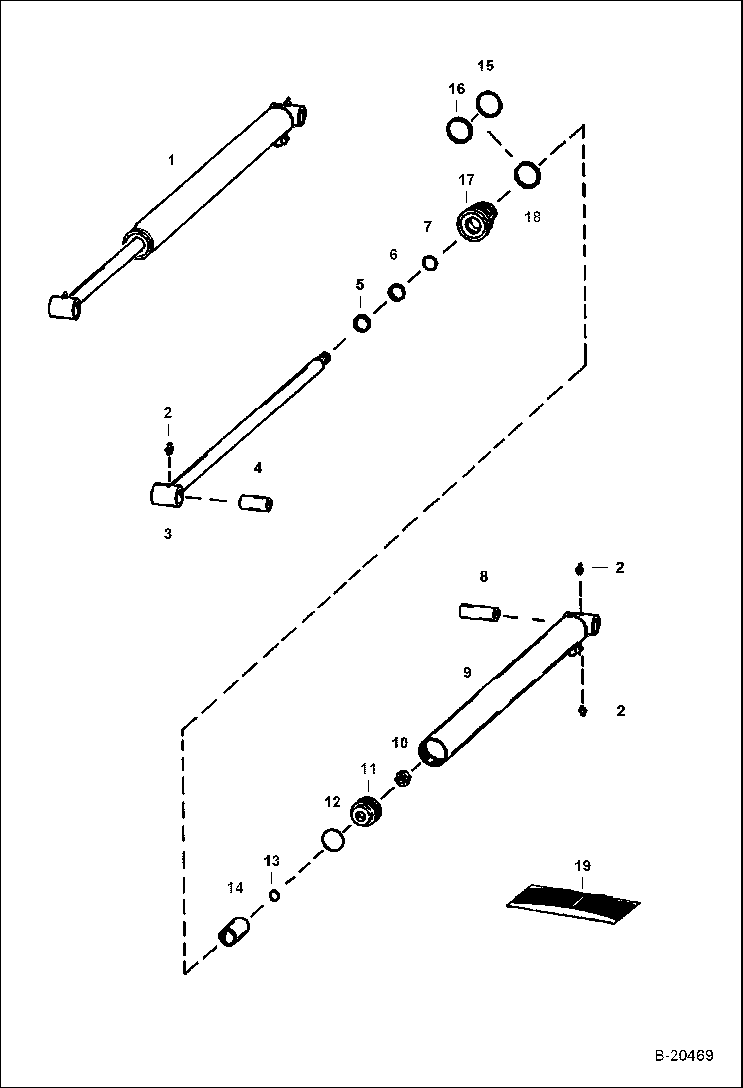
1Артикул: 6500768, CYLINDER See Illustration LIFT CYLINDER/ B20490 See Illustration LIFT CYLINDER/ B20469 LIFT
2Артикул: 81D6, NUT
3Артикул: 6500989, CLAMP
Подробнее >
СЕКЦИЯ РАСПРЕДЕЛИТЕЛЯ - ВЫХОДНОЙ ПАТРУБОК HUSCO

СЕКЦИЯ РАСПРЕДЕЛИТЕЛЯ - ВЫХОДНОЙ ПАТРУБОК HUSCO

1Артикул: 948010, CAP valve - Outlet - Was 948010
2Артикул: 6517499, SECTION See Illustration VALVE SECTION - INLET/ B1305 VALVE - INLET
3Артикул: 6517501, SECTION See Illustration VALVE SECTION - TILT CONTROL/ B1306 VALVE - TILT
Подробнее >
СЕКЦИЯ РАСПРЕДЕЛИТЕЛЯ - ВПУСКНОЕ ОТВЕРСТИЕ

СЕКЦИЯ РАСПРЕДЕЛИТЕЛЯ - ВПУСКНОЕ ОТВЕРСТИЕ

1Артикул: VALVE, VALVE NLA - control - Was 6512017 - A
2Артикул: 6511911, SECTION valve - Inlet
3Артикул: ROD, ROD NLA - tie - Use on 3 section valve - Was 6510301 - A
Подробнее >
СЕКЦИЯ РАСПРЕДЕЛИТЕЛЯ - ВСПОМОГАТЕЛЬНОЕ УСТРОЙСТВО УПРАВЛЕНИЯ WARD

СЕКЦИЯ РАСПРЕДЕЛИТЕЛЯ - ВСПОМОГАТЕЛЬНОЕ УСТРОЙСТВО УПРАВЛЕНИЯ WARD

1Артикул: SECTION, SECTION NLA - valve - Aux. - Was 6519474 - A
2Артикул: 61D5, NUT
3Артикул: 17C580, BOLT Use on 2 section valve
Подробнее >
ГИДРОЦИЛИНДР ПОДЪЕМА С ПРИВАРЕННОЙ ТРУБКОЙ

ГИДРОЦИЛИНДР ПОДЪЕМА С ПРИВАРЕННОЙ ТРУБКОЙ

1Артикул: CYLINDER, CYLINDER NLA - lift - Ref. 3, 5-7 & 9-17 - Order 6587789 - Was 6500768 - A
2Артикул: 10H25, FITTING, GREASE 5
3Артикул: 6592903, ROD Piston
Подробнее >
ПЕДАЛИ ГИДРАВЛИЧЕСКОЙ СИСТЕМЫ УПРАВЛЕНИЯ

ПЕДАЛИ ГИДРАВЛИЧЕСКОЙ СИСТЕМЫ УПРАВЛЕНИЯ

1Артикул: 85D6, NUT, 5
2Артикул: 25E17, WASHER 5
3Артикул: SHAFT, SHAFT NLA - Was 6506309 - A
Подробнее >
СХЕМА ЦИЛИНДРА НАКЛОНА С HUSCO КЛАПАНОМ - СЕРИЙНЫЙ НОМЕР 4953-B-3130 И НИЖЕ И B-3141 ЧЕРЕЗ B-3160

СХЕМА ЦИЛИНДРА НАКЛОНА С HUSCO КЛАПАНОМ - СЕРИЙНЫЙ НОМЕР 4953-B-3130 И НИЖЕ И B-3141 ЧЕРЕЗ B-3160

1Артикул: 6500832, HOSE
2Артикул: TUBE, TUBE NLA - Was 6500890 - A
3Артикул: TUBE, TUBE NLA - Was 6500854 - A
Подробнее >
ЦИЛИНДР НАКЛОНА

ЦИЛИНДР НАКЛОНА

1Артикул: CYLINDER, CYLINDER NLA - tilt - W/Ref. 1-8 & 11-15 - Was 6560924 - A
2Артикул: 54K40124, O-RING Was 25K040124B - A
3Артикул: 73K224, RING back-up - Was NSS - D
Подробнее >
ГИДРОПРИВОДНОЙ НАСОС (PARKER)

ГИДРОПРИВОДНОЙ НАСОС (PARKER)

1Артикул: PUMP, PUMP NLA - Order 6508434 -Was 6509301 - A
2Артикул: 17C536, BOLT
3Артикул: WASHER, WASHER NLA - Was 998626B - A
Подробнее >
СЕКЦИЯ РАСПРЕДЕЛИТЕЛЯ - УСТРОЙСТВО УПРАВЛЕНИЯ ПОДЪЕМОМ WARD

СЕКЦИЯ РАСПРЕДЕЛИТЕЛЯ - УСТРОЙСТВО УПРАВЛЕНИЯ ПОДЪЕМОМ WARD

1Артикул: SECTION, SECTION NLA - valve - Lift
2Артикул: 6511911, SECTION See Illustration VALVE SECTION - INLET/ B1648 VALVE - INLET
3Артикул: SECTION, SECTION See Illustration VALVE SECTION - TILT CONTROL/ B1652 NSS - VALVE - TILT
Подробнее >