+7 (701) 588 50 05 Телефон для связи
RU

WhatsApp

Позвонить

ГИДРАВЛИЧЕСКАЯ СИСТЕМА в Алматы

ЦИЛИНДР КОВША

ЦИЛИНДР КОВША

1Артикул: 6538977, CYLINDER Ref. 2-17
2Артикул: 6537095, ROD W/Ref. 16 & 17
3Артикул: 6586718, HEAD, CYL TILT Was 7214661 - A
Подробнее >
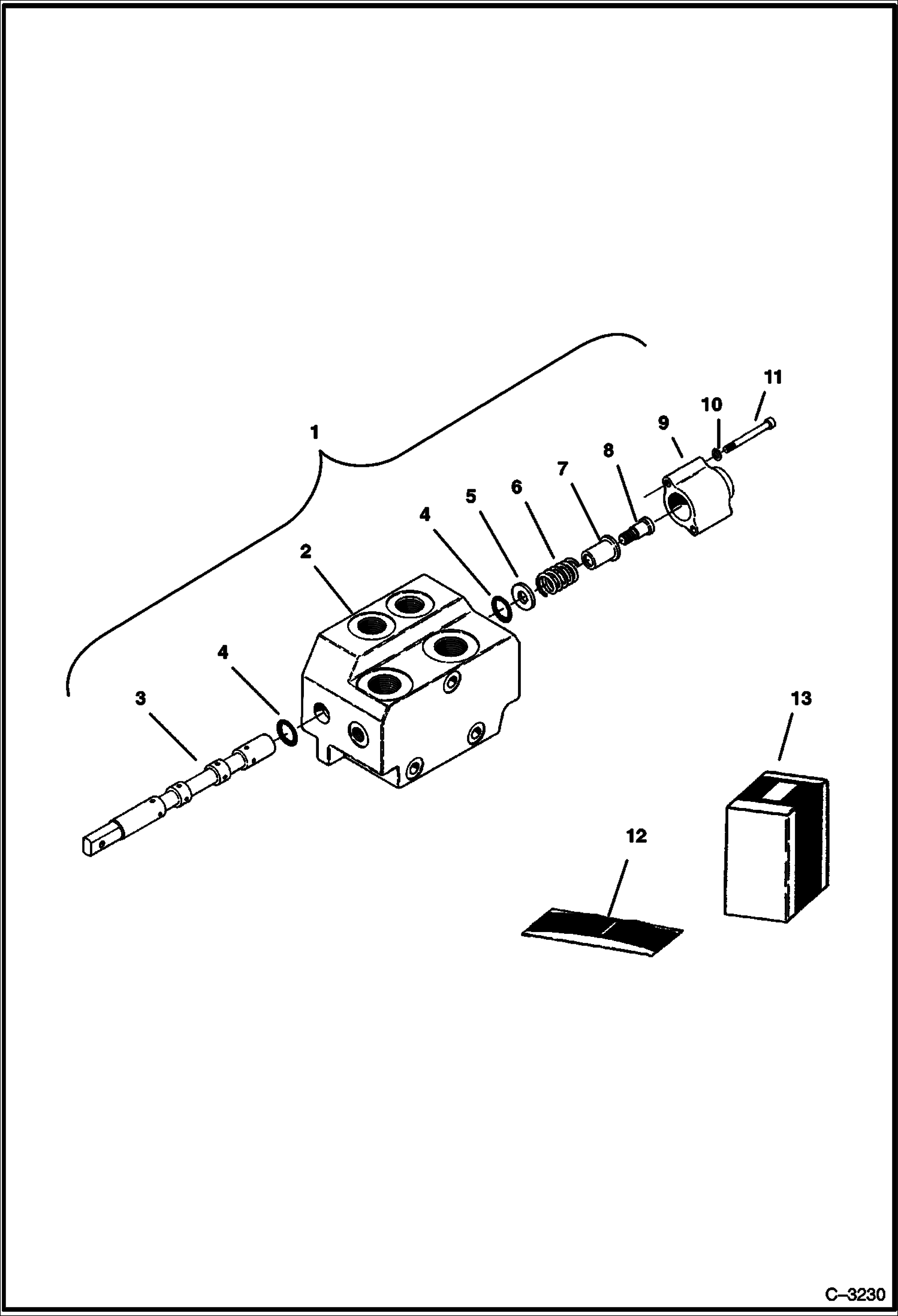
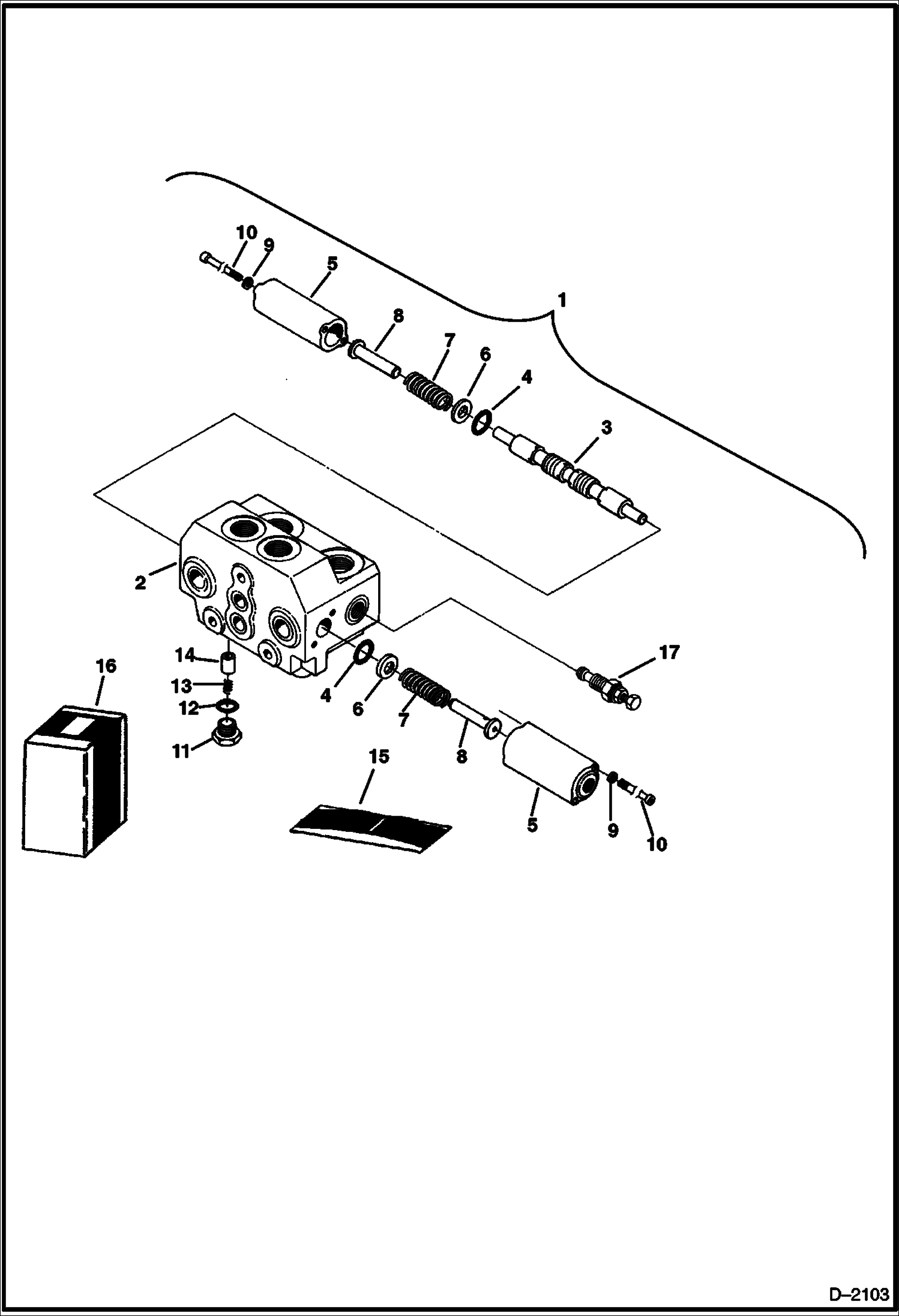
ВПУСКНАЯ СЕКЦИЯ КЛАПАНА (ЛЕВОСТОРОННИЙ ХОД) (СЕРИЙНЫЙ НОМЕР 511820001 - 511820519)

ВПУСКНАЯ СЕКЦИЯ КЛАПАНА (ЛЕВОСТОРОННИЙ ХОД) (СЕРИЙНЫЙ НОМЕР 511820001 - 511820519)

1Артикул: NLA, NLA - Was 6658312
2Артикул: HOUSING, HOUSING NLA
3Артикул: SPOOL, SPOOL NLA
Подробнее >
СХЕМА ГИДРАВЛИЧЕСКОЙ СИСТЕМЫ (ИЗ КЛАПАНА В ВСПОМОГАТЕЛЬНОЕ ОБОРУДОВАНИЕ) (СЕРИЙНЫЙ НОМЕР 511820001 - 511820519)

СХЕМА ГИДРАВЛИЧЕСКОЙ СИСТЕМЫ (ИЗ КЛАПАНА В ВСПОМОГАТЕЛЬНОЕ ОБОРУДОВАНИЕ) (СЕРИЙНЫЙ НОМЕР 511820001 - 511820519)

1Артикул: 6656151, VALVE See Illustration CONTROL VALVE ASSY/ B25184 - control
2Артикул: 15K6, ADAPTER W/Ref. 3
3Артикул: 79K8, O RING 10
Подробнее >
РЕГУЛИРУЮЩИЙ КЛАПАН В СБОРЕ (3 КАТУШКА) (СЕРИЙНЫЙ НОМЕР 511820520 И ВЫШЕ)

РЕГУЛИРУЮЩИЙ КЛАПАН В СБОРЕ (3 КАТУШКА) (СЕРИЙНЫЙ НОМЕР 511820520 И ВЫШЕ)

1Артикул: 6665002, VALVE 3 Spool - W/Ref. 2-19
2Артикул: 6666878, VALVE Husco - 3 Spool - W/Ref. 2-19
3Артикул: 6671683, INLET
Подробнее >
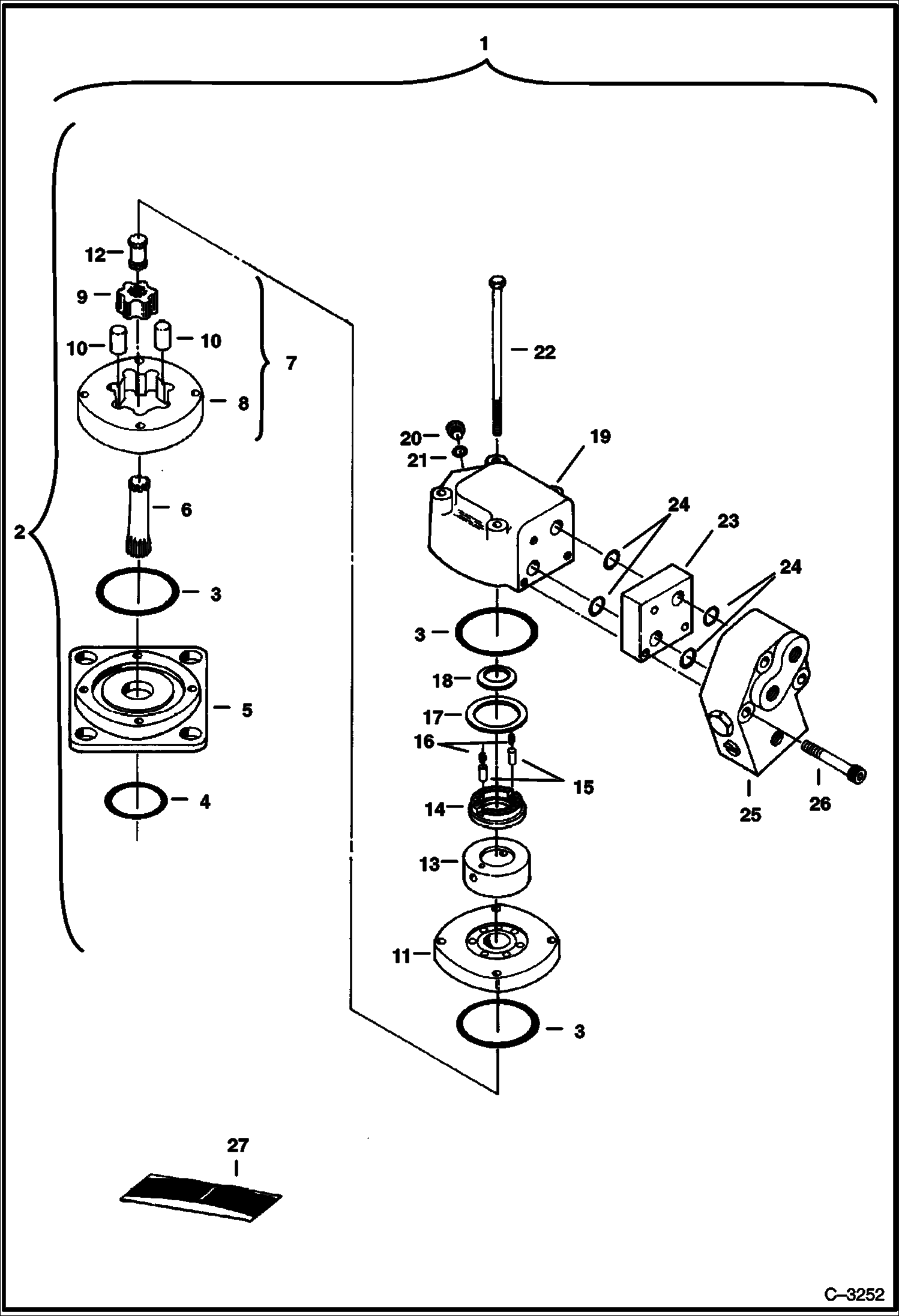
ПОВОРОТНОЕ СОЕДИНЕНИЕ

ПОВОРОТНОЕ СОЕДИНЕНИЕ

1Артикул: 7123864, SWIVEL ASSY W/Ref. 2-11 - Was 6800524 - A
2Артикул: 7123863, BARREL Was 6664906 - A
3Артикул: 6664907, ROTOR
Подробнее >
СХЕМА ГИДРАВЛИЧЕСКОЙ СИСТЕМЫ (ИЗ КЛАПАНА В ПОВОРОТНОЕ СОЕДИНЕНИЕ В ХОД ГИДРОМОТОРА) (СЕРИЙНЫЙ НОМЕР 511820179 И ВЫШЕ)

СХЕМА ГИДРАВЛИЧЕСКОЙ СИСТЕМЫ (ИЗ КЛАПАНА В ПОВОРОТНОЕ СОЕДИНЕНИЕ В ХОД ГИДРОМОТОРА) (СЕРИЙНЫЙ НОМЕР 511820179 И ВЫШЕ)

1Артикул: 6656151, VALVE See Illustration CONTROL VALVE ASSY/ D2266 See Illustration CONTROL VALVE ASSY/ B25184 - control
2Артикул: 15K6, ADAPTER W/Ref. 3
3Артикул: 79K8, O RING 10
Подробнее >
ПРАВОСТОРОННИЙ ДЖОЙСТИК УПРАВЛЕНИЯ

ПРАВОСТОРОННИЙ ДЖОЙСТИК УПРАВЛЕНИЯ

1Артикул: 6654120, JOYSTICK ASSY. Assy. - W/Ref. 2-39
2Артикул: HOUSING, HOUSING NSS
3Артикул: 6655289, PLATE
Подробнее >
РЕГУЛИРУЮЩИЙ КЛАПАН В СБОРЕ (3-КАТУШКА) (СЕРИЙНЫЙ НОМЕР 511820001 - 511820519)

РЕГУЛИРУЮЩИЙ КЛАПАН В СБОРЕ (3-КАТУШКА) (СЕРИЙНЫЙ НОМЕР 511820001 - 511820519)

1Артикул: 6658411, VALVE Assy. - W/Ref. 2-32
2Артикул: 6658325, VALVE See Illustration INLET VALVE SECTION/ D2103 - swing motor
3Артикул: 6658680, VALVE See Illustration VALVE SECTION/ C3278 - blade
Подробнее >
СХЕМА ГИДРАВЛИЧЕСКОЙ СИСТЕМЫ (ОТВАЛ И ПОВОРОТ) (СЕРИЙНЫЙ НОМЕР 511820001 - 511820178)

СХЕМА ГИДРАВЛИЧЕСКОЙ СИСТЕМЫ (ОТВАЛ И ПОВОРОТ) (СЕРИЙНЫЙ НОМЕР 511820001 - 511820178)

1Артикул: 6658411, VALVE See Illustration CONTROL VALVE ASSY/ D2118 - control
2Артикул: 15K6, ADAPTER W/Ref. 3
3Артикул: 79K8, O RING 10
Подробнее >
КЛАПАН АККУМУЛЯТОРА

КЛАПАН АККУМУЛЯТОРА

1Артикул: 6657208, VALVE ASSY. Assy. - W/Ref. 2-27
2Артикул: HOUSING, HOUSING NSS
3Артикул: SPOOL, SPOOL NSS
Подробнее >
СХЕМА ГИДРАВЛИЧЕСКОЙ СИСТЕМЫ (ПРАВОСТОРОННИЙ ДЖОЙСТИК УПРАВЛЕНИЯ) (КОВШ И СТРЕЛА) (ISO КОНФИГУРАЦИЯ УПРАВЛЕНИЯ) (СЕРИЙНЫЙ НОМЕР 511820520 И ВЫШЕ)

СХЕМА ГИДРАВЛИЧЕСКОЙ СИСТЕМЫ (ПРАВОСТОРОННИЙ ДЖОЙСТИК УПРАВЛЕНИЯ) (КОВШ И СТРЕЛА) (ISO КОНФИГУРАЦИЯ УПРАВЛЕНИЯ) (СЕРИЙНЫЙ НОМЕР 511820520 И ВЫШЕ)

1Артикул: 6654120, JOYSTICK ASSY. See Illustration R.H. JOYSTICK CONTROLS/ D1972 NLA - RH - Was 6654120 - A
2Артикул: 1CM625, BOLT
3Артикул: 1DM6, NUT
Подробнее >
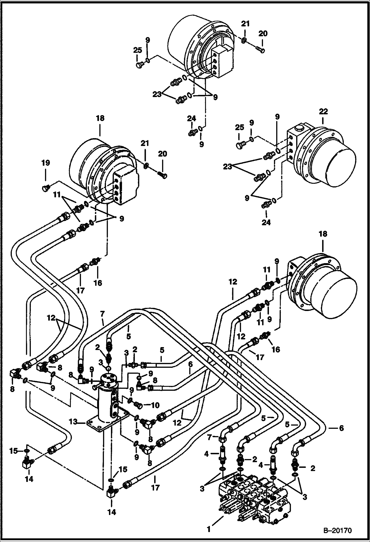
ГИДРОМОТОР ПОВОРОТА ПЛАТФОРМЫ (СЕРИЙНЫЙ НОМЕР 511820001 - 511820519)

ГИДРОМОТОР ПОВОРОТА ПЛАТФОРМЫ (СЕРИЙНЫЙ НОМЕР 511820001 - 511820519)

1Артикул: 6657201, MOTOR Assy. - W/Ref. 2-26
2Артикул: 6658741, MOTOR Assy. - W/Ref. 2-22
3Артикул: O-RING, O-RING NSS - Included W/Ref. 27
Подробнее >
СХЕМА ГИДРАВЛИЧЕСКОЙ СИСТЕМЫ (ИЗ КЛАПАНА В ГИДРОМОТОР ПОВОРОТА ПЛАТФОРМЫ В КАМЕРУ ОХЛАЖДЕНИЯ) (СЕРИЙНЫЙ НОМЕР 511820520 И ВЫШЕ)

СХЕМА ГИДРАВЛИЧЕСКОЙ СИСТЕМЫ (ИЗ КЛАПАНА В ГИДРОМОТОР ПОВОРОТА ПЛАТФОРМЫ В КАМЕРУ ОХЛАЖДЕНИЯ) (СЕРИЙНЫЙ НОМЕР 511820520 И ВЫШЕ)

1Артикул: 6665003, VALVE See Illustration CONTROL VALVE ASSY/ D2266 - control
2Артикул: 24K7, PLUG W/Ref. 3
3Артикул: 79K10, O RING 10
Подробнее >
ТРОЙНОЙ ШЕСТЕРЕНЧАТЫЙ НАСОС (СЕРИЙНЫЙ НОМЕР 511820001 - 511820408)

ТРОЙНОЙ ШЕСТЕРЕНЧАТЫЙ НАСОС (СЕРИЙНЫЙ НОМЕР 511820001 - 511820408)

1Артикул: PUMP, PUMP NLA - Assy. - W/Ref. 2-20 - Order 6665107 & (2) 6587972 fitting - Was 6657194 - A
2Артикул: PLATE, PLATE NLA - front - Was 6648916 - A
3Артикул: SEAL, SEAL NSS
Подробнее >
ПРАВОСТОРОННИЙ ДЖОЙСТИК УПРАВЛЕНИЯ (КОВШ И РУКОЯТЬ) (СТАНДАРТНАЯ СХЕМА УПРАВЛЕНИЯ) (СЕРИЙНЫЙ НОМЕР 511820179 - 511820519)

ПРАВОСТОРОННИЙ ДЖОЙСТИК УПРАВЛЕНИЯ (КОВШ И РУКОЯТЬ) (СТАНДАРТНАЯ СХЕМА УПРАВЛЕНИЯ) (СЕРИЙНЫЙ НОМЕР 511820179 - 511820519)

1Артикул: 6654120, JOYSTICK ASSY. See Illustration R.H. JOYSTICK CONTROLS/ D1972 NLA - RH - Was 6654120 - A
2Артикул: 1CM625, BOLT
3Артикул: 1DM6, NUT
Подробнее >
ПРЕДОХРАНИТЕЛЬНЫЙ КЛАПАН (3 И 6 КАТУШКА) (СЕРИЙНЫЙ НОМЕР 511820520 И ВЫШЕ)

ПРЕДОХРАНИТЕЛЬНЫЙ КЛАПАН (3 И 6 КАТУШКА) (СЕРИЙНЫЙ НОМЕР 511820520 И ВЫШЕ)

1Артикул: 6665438, RELIEF VALVE Set at 2400 PSI (16552 kPa) @ 7GPM - W/Ref. 2-13
2Артикул: 6665461, NUT End Cap
3Артикул: O-RING, O-RING NSS - Order Ref. 14
Подробнее >
СЕКЦИЯ РАСПРЕДЕЛИТЕЛЯ (ВСПОМОГАТЕЛЬНОЕ УСТРОЙСТВО) (СЕРИЙНЫЙ НОМЕР 511820520 И ВЫШЕ)

СЕКЦИЯ РАСПРЕДЕЛИТЕЛЯ (ВСПОМОГАТЕЛЬНОЕ УСТРОЙСТВО) (СЕРИЙНЫЙ НОМЕР 511820520 И ВЫШЕ)

1Артикул: 6665452, VALVE Section - Auxiliary - W/Ref. 2-12
2Артикул: 93G406, SCREW
3Артикул: 948016, PLATE
Подробнее >
ВПУСКНАЯ СЕКЦИЯ КЛАПАНА (ПРАВОСТОРОННИЙ ХОД) (СЕРИЙНЫЙ НОМЕР 511820001 - 511820519)

ВПУСКНАЯ СЕКЦИЯ КЛАПАНА (ПРАВОСТОРОННИЙ ХОД) (СЕРИЙНЫЙ НОМЕР 511820001 - 511820519)

1Артикул: 6658313, VALVE Inlet Section - W/Ref. 2-12
2Артикул: HOUSING, HOUSING NLA
3Артикул: SPOOL, SPOOL NLA
Подробнее >
ЦИЛИНДР ОТВАЛА

ЦИЛИНДР ОТВАЛА

1Артикул: 6596045, CYLINDER Ref. 2-16
2Артикул: 6596048, ROD
3Артикул: 6586718, HEAD, CYL TILT Was 7214661 - A
Подробнее >
СХЕМА ГИДРАВЛИЧЕСКОЙ СИСТЕМЫ (ИЗ КЛАПАНА В ПОВОРОТНОЕ СОЕДИНЕНИЕ В ХОД ГИДРОМОТОРА) (СЕРИЙНЫЙ НОМЕР 511820001 - 511820178)

СХЕМА ГИДРАВЛИЧЕСКОЙ СИСТЕМЫ (ИЗ КЛАПАНА В ПОВОРОТНОЕ СОЕДИНЕНИЕ В ХОД ГИДРОМОТОРА) (СЕРИЙНЫЙ НОМЕР 511820001 - 511820178)

1Артикул: 6656151, VALVE See Illustration CONTROL VALVE ASSY/ B25184 - control
2Артикул: 15K6, ADAPTER W/Ref. 3
3Артикул: 79K8, O RING 10
Подробнее >
СХЕМА ГИДРАВЛИЧЕСКОЙ СИСТЕМЫ (ОТВАЛ И ПОВОРОТ) (СЕРИЙНЫЙ НОМЕР 511820520 И ВЫШЕ)

СХЕМА ГИДРАВЛИЧЕСКОЙ СИСТЕМЫ (ОТВАЛ И ПОВОРОТ) (СЕРИЙНЫЙ НОМЕР 511820520 И ВЫШЕ)

1Артикул: 6665002, VALVE See Illustration CONTROL VALVE ASSY/ D2267 - control
2Артикул: 15K6, ADAPTER W/Ref. 3
3Артикул: 79K8, O RING 10
Подробнее >
ЦИЛИНДР ПОВОРОТА

ЦИЛИНДР ПОВОРОТА

1Артикул: CYLINDER,, CYLINDER, SWING NLA - Was 6536372
2Артикул: 6537075, ROD W/Ref. 16 & 17
3Артикул: 6586721, HEAD Was 6534429 - A
Подробнее >
СЕКЦИЯ РАСПРЕДЕЛИТЕЛЯ (ОТВАЛ) (СЕРИЙНЫЙ НОМЕР 511820001 - 511820519)

СЕКЦИЯ РАСПРЕДЕЛИТЕЛЯ (ОТВАЛ) (СЕРИЙНЫЙ НОМЕР 511820001 - 511820519)

1Артикул: 6658680, VALVE W/Ref. 2-11
2Артикул: HOUSING, HOUSING NLA
3Артикул: SPOOL, SPOOL NLA
Подробнее >
СХЕМА ГИДРАВЛИЧЕСКОЙ СИСТЕМЫ (ИЗ КЛАПАНА В ГИДРОМОТОР ПОВОРОТА ПЛАТФОРМЫ В КАМЕРУ ОХЛАЖДЕНИЯ) (СЕРИЙНЫЙ НОМЕР 511820001 - 511820178)

СХЕМА ГИДРАВЛИЧЕСКОЙ СИСТЕМЫ (ИЗ КЛАПАНА В ГИДРОМОТОР ПОВОРОТА ПЛАТФОРМЫ В КАМЕРУ ОХЛАЖДЕНИЯ) (СЕРИЙНЫЙ НОМЕР 511820001 - 511820178)

1Артикул: 6656151, VALVE See Illustration CONTROL VALVE ASSY/ B25184 - control
2Артикул: 6519195, ELBOW W/Ref. 3
3Артикул: 79K10, O RING 10
Подробнее >
ВПУСКНАЯ СЕКЦИЯ КЛАПАНА (ГИДРОМОТОР ПОВОРОТА ПЛАТФОРМЫ) (СЕРИЙНЫЙ НОМЕР 511820001 - 511820519)

ВПУСКНАЯ СЕКЦИЯ КЛАПАНА (ГИДРОМОТОР ПОВОРОТА ПЛАТФОРМЫ) (СЕРИЙНЫЙ НОМЕР 511820001 - 511820519)

1Артикул: 6658325, VALVE Inlet Section - W/Ref. 2-14
2Артикул: HOUSING, HOUSING NLA
3Артикул: SPOOL, SPOOL NLA
Подробнее >
ПРАВОСТОРОННИЙ ДЖОЙСТИК УПРАВЛЕНИЯ (КОВШ И РУКОЯТЬ) (СТАНДАРТНАЯ СХЕМА УПРАВЛЕНИЯ) (СЕРИЙНЫЙ НОМЕР 511820520 И ВЫШЕ)

ПРАВОСТОРОННИЙ ДЖОЙСТИК УПРАВЛЕНИЯ (КОВШ И РУКОЯТЬ) (СТАНДАРТНАЯ СХЕМА УПРАВЛЕНИЯ) (СЕРИЙНЫЙ НОМЕР 511820520 И ВЫШЕ)

1Артикул: 6654120, JOYSTICK ASSY. See Illustration R.H. JOYSTICK CONTROLS/ D1972 NLA - RH - Was 6654120 - A
2Артикул: 1CM625, BOLT
3Артикул: 1DM6, NUT
Подробнее >
ГИДРОМОТОР ПОВОРОТА ПЛАТФОРМЫ (СЕРИЙНЫЙ НОМЕР 511820520 И ВЫШЕ)

ГИДРОМОТОР ПОВОРОТА ПЛАТФОРМЫ (СЕРИЙНЫЙ НОМЕР 511820520 И ВЫШЕ)

1Артикул: 6665345, MOTOR Assy. - W/Ref. 2-25
2Артикул: 6665346, MOTOR Assy. W/Ref. 2-22 - Was 6658741 - A
3Артикул: O-RING, O-RING NSS - Included W/Ref. 26
Подробнее >
РЕГУЛИРУЮЩИЙ КЛАПАН В СБОРЕ (6-КАТУШКА) (СЕРИЙНЫЙ НОМЕР 511820001 - 511820519)

РЕГУЛИРУЮЩИЙ КЛАПАН В СБОРЕ (6-КАТУШКА) (СЕРИЙНЫЙ НОМЕР 511820001 - 511820519)

1Артикул: 6656151, VALVE Assy. - W/Ref. 2-35
2Артикул: See, See Illustration INLET VALVE SECTION/ C3230 NLA - Was 6658312
3Артикул: 6658311, VALVE See Illustration VALVE SECTION/ D2100 - arm or bucket
Подробнее >
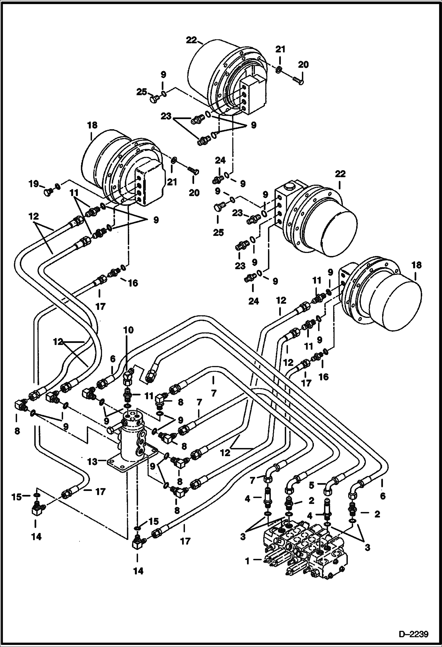
ХОДОВОЙ ГИДРОМОТОР

ХОДОВОЙ ГИДРОМОТОР

1Артикул: MOTOR, MOTOR See Illustration TRAVEL MOTOR/ B18543 See BTIE-050 NLA - W/Ref. 2-44 - Also Ref. 1-15 on Ill. B-18543 - Was 6652841 - A
2Артикул: HOUSING, HOUSING NSS
3Артикул: 6670220, SEAL Order Ref. 45
Подробнее >
ПРЕДОХРАНИТЕЛЬНЫЙ КЛАПАН (СЕРИЙНЫЙ НОМЕР 5118 20001 - 511820519)

ПРЕДОХРАНИТЕЛЬНЫЙ КЛАПАН (СЕРИЙНЫЙ НОМЕР 5118 20001 - 511820519)

1Артикул: 6658529, VALVE Assy. - W/Ref. 2-10
2Артикул: HOUSING, HOUSING NSS
3Артикул: 994793, POPPET
Подробнее >
ЛЕВОСТОРОННИЙ ДЖОЙСТИК УПРАВЛЕНИЯ (ГИДРОМОТОР ПОВОРОТА ПЛАТФОРМЫ И СТРЕЛА) (СТАНДАРТНАЯ СХЕМА УПРАВЛЕНИЯ) (СЕРИЙНЫЙ НОМЕР 511820001 - 511820178)

ЛЕВОСТОРОННИЙ ДЖОЙСТИК УПРАВЛЕНИЯ (ГИДРОМОТОР ПОВОРОТА ПЛАТФОРМЫ И СТРЕЛА) (СТАНДАРТНАЯ СХЕМА УПРАВЛЕНИЯ) (СЕРИЙНЫЙ НОМЕР 511820001 - 511820178)

1Артикул: 6654119, JOYSTICK ASSY. See Illustration L.H. JOYSTICK CONTROLS/ D1973 -L.H. - Was 6654119 - A
2Артикул: 6665003, VALVE See Illustration CONTROL VALVE ASSY/ D2266 - control
3Артикул: 1CM625, BOLT
Подробнее >
СЕКЦИЯ РАСПРЕДЕЛИТЕЛЯ (ОТВАЛ И ПОВОРОТ СТРЕЛЫ) (СЕРИЙНЫЙ НОМЕР 511820520 И ВЫШЕ)

СЕКЦИЯ РАСПРЕДЕЛИТЕЛЯ (ОТВАЛ И ПОВОРОТ СТРЕЛЫ) (СЕРИЙНЫЙ НОМЕР 511820520 И ВЫШЕ)

1Артикул: 6665468, VALVE Section - Blade & Boom Swing - W/Ref. 2-24
2Артикул: 93G406, SCREW
3Артикул: 948016, PLATE
Подробнее >
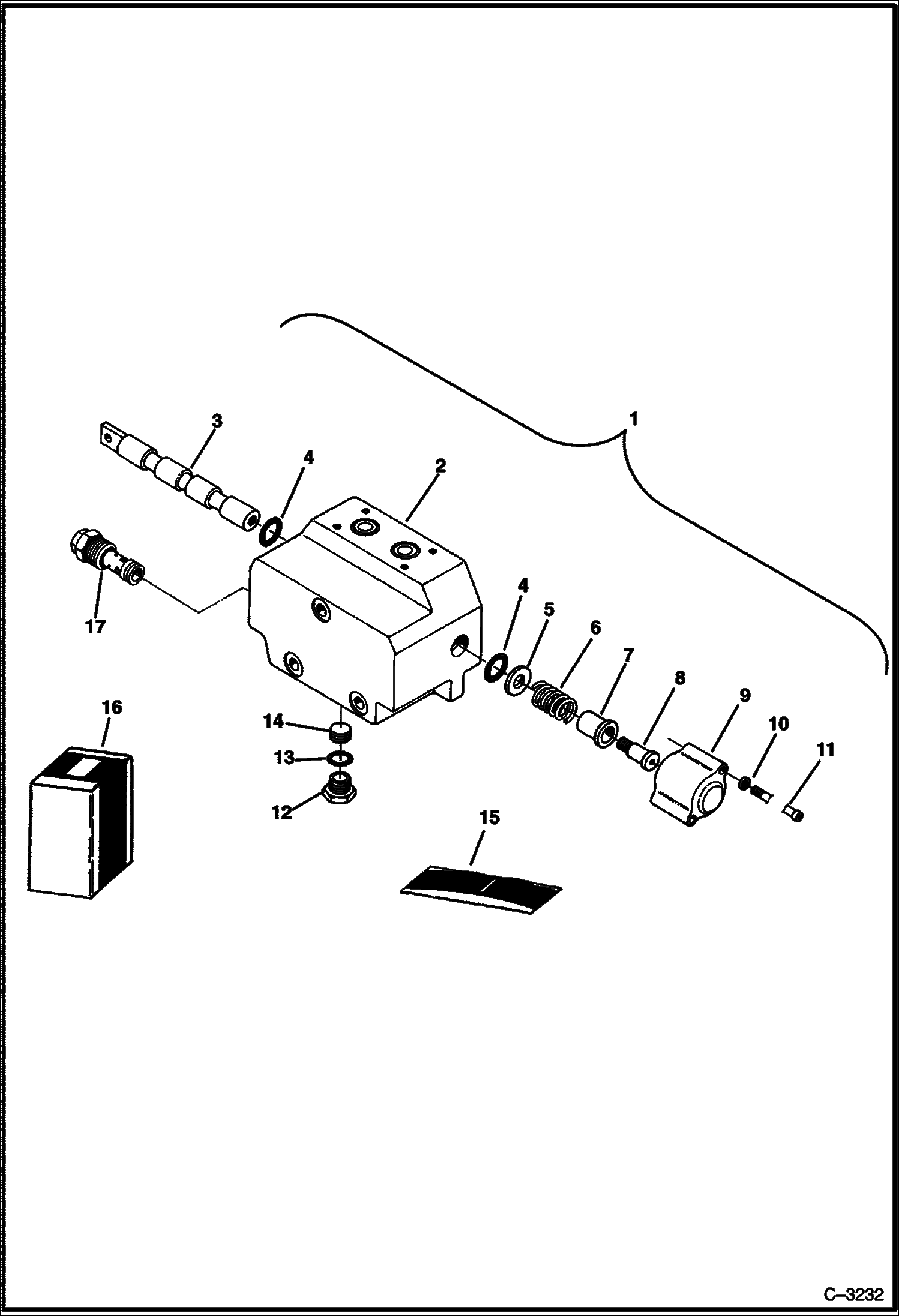
ЛЕВОСТОРОННИЙ ДЖОЙСТИК УПРАВЛЕНИЯ

ЛЕВОСТОРОННИЙ ДЖОЙСТИК УПРАВЛЕНИЯ

1Артикул: 6654119, JOYSTICK ASSY. NLA - Assy. - W/Ref. 2-34 - Was 6654119 - A
2Артикул: HOUSING, HOUSING NSS
3Артикул: 6655289, PLATE
Подробнее >
СХЕМА ГИДРАВЛИЧЕСКОЙ СИСТЕМЫ (ИЗ КЛАПАНА В ВСПОМОГАТЕЛЬНОЕ ОБОРУДОВАНИЕ) (СЕРИЙНЫЙ НОМЕР 511820520 И ВЫШЕ)

СХЕМА ГИДРАВЛИЧЕСКОЙ СИСТЕМЫ (ИЗ КЛАПАНА В ВСПОМОГАТЕЛЬНОЕ ОБОРУДОВАНИЕ) (СЕРИЙНЫЙ НОМЕР 511820520 И ВЫШЕ)

1Артикул: 15K6, ADAPTER W/Ref. 3
2Артикул: 79K8, O RING 10
3Артикул: 6537669, HOSE
Подробнее >
МЕХАНИЗМ ТРАНСМИССИИ

МЕХАНИЗМ ТРАНСМИССИИ

1Артикул: 6657202, TRANSMISSION Swing - W/Ref. 2-30
2Артикул: 6658402, FLANGE
3Артикул: 6658403, BOLT
Подробнее >
ЛЕВОСТОРОННИЙ ДЖОЙСТИК УПРАВЛЕНИЯ (ГИДРОМОТОР ПОВОРОТА ПЛАТФОРМЫR И СТРЕЛА) (СТАНДАРТНАЯ СХЕМА УПРАВЛЕНИЯ) (СЕРИЙНЫЙ НОМЕР 511820520 И ВЫШЕ)

ЛЕВОСТОРОННИЙ ДЖОЙСТИК УПРАВЛЕНИЯ (ГИДРОМОТОР ПОВОРОТА ПЛАТФОРМЫR И СТРЕЛА) (СТАНДАРТНАЯ СХЕМА УПРАВЛЕНИЯ) (СЕРИЙНЫЙ НОМЕР 511820520 И ВЫШЕ)

1Артикул: 6654119, JOYSTICK ASSY. See Illustration L.H. JOYSTICK CONTROLS/ D1973 -L.H. - Was 6654119 - A
2Артикул: 1CM625, BOLT
3Артикул: 1DM6, NUT
Подробнее >
ШЕСТЕРЕННЫЙ НАСОС (СЕРИЙНЫЙ НОМЕР 511820409 И ВЫШЕ)

ШЕСТЕРЕННЫЙ НАСОС (СЕРИЙНЫЙ НОМЕР 511820409 И ВЫШЕ)

1Артикул: 6665107, PUMP, GEAR TRIPLE W/Ref. 2-24
2Артикул: 6662925, SNAP RING
3Артикул: 6662926, SEAL Incl. W/Ref. 28
Подробнее >
ЛЕВОСТОРОННИЙ ДЖОЙСТИК УПРАВЛЕНИЯ (ГИДРОМОТОР ПОВОРОТА ПЛАТФОРМЫR И СТРЕЛА) (СТАНДАРТНАЯ СХЕМА УПРАВЛЕНИЯ) (СЕРИЙНЫЙ НОМЕР 511820179 - 511820519)

ЛЕВОСТОРОННИЙ ДЖОЙСТИК УПРАВЛЕНИЯ (ГИДРОМОТОР ПОВОРОТА ПЛАТФОРМЫR И СТРЕЛА) (СТАНДАРТНАЯ СХЕМА УПРАВЛЕНИЯ) (СЕРИЙНЫЙ НОМЕР 511820179 - 511820519)

1Артикул: 6654119, JOYSTICK ASSY. See Illustration L.H. JOYSTICK CONTROLS/ D1973 -L.H. - Was 6654119 - A
2Артикул: 1CM625, BOLT
3Артикул: 1DM6, NUT
Подробнее >
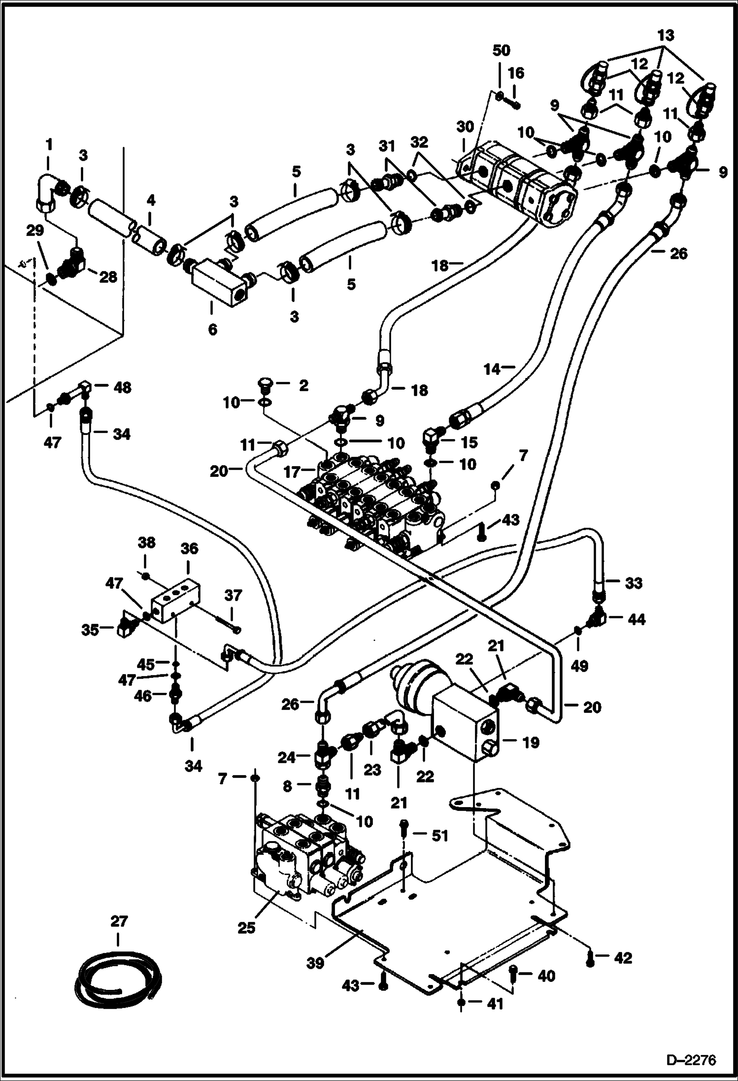
СХЕМА ГИДРАВЛИЧЕСКОЙ СИСТЕМЫ (ИЗ БАКА В НАСОС В КЛАПАН) (СЕРИЙНЫЙ НОМЕР 511820001 - 511820178)

СХЕМА ГИДРАВЛИЧЕСКОЙ СИСТЕМЫ (ИЗ БАКА В НАСОС В КЛАПАН) (СЕРИЙНЫЙ НОМЕР 511820001 - 511820178)

1Артикул: 6588352, TUBE
2Артикул: 79K20, O RING 10
3Артикул: 42H24, CLAMP-5
Подробнее >
СХЕМА ГИДРАВЛИЧЕСКОЙ СИСТЕМЫ (ОТВАЛ И ПОВОРОТ) (СЕРИЙНЫЙ НОМЕР 511820179 - 511820519)

СХЕМА ГИДРАВЛИЧЕСКОЙ СИСТЕМЫ (ОТВАЛ И ПОВОРОТ) (СЕРИЙНЫЙ НОМЕР 511820179 - 511820519)

1Артикул: 6658411, VALVE See Illustration CONTROL VALVE ASSY/ D2118 - control
2Артикул: 15K6, ADAPTER W/Ref. 3
3Артикул: 79K8, O RING 10
Подробнее >
СЕКЦИЯ РАСПРЕДЕЛИТЕЛЯ (ГИДРОМОТОР ПОВОРОТА ПЛАТФОРМЫ) (СЕРИЙНЫЙ НОМЕР 511820520 И ВЫШЕ)

СЕКЦИЯ РАСПРЕДЕЛИТЕЛЯ (ГИДРОМОТОР ПОВОРОТА ПЛАТФОРМЫ) (СЕРИЙНЫЙ НОМЕР 511820520 И ВЫШЕ)

1Артикул: 6665467, VALVE Section - Boom Swing - W/Ref. 2-18
2Артикул: 6665439, SCREW
3Артикул: 6665442, PLATE
Подробнее >
СЕКЦИЯ РАСПРЕДЕЛИТЕЛЯ (ВСПОМОГАТЕЛЬНОЕ УСТРОЙСТВО) (СЕРИЙНЫЙ НОМЕР 511820001 - 511820519)

СЕКЦИЯ РАСПРЕДЕЛИТЕЛЯ (ВСПОМОГАТЕЛЬНОЕ УСТРОЙСТВО) (СЕРИЙНЫЙ НОМЕР 511820001 - 511820519)

1Артикул: 6658310, VALVE Section - W/Ref. 2-14
2Артикул: HOUSING, HOUSING NLA
3Артикул: SPOOL, SPOOL NLA
Подробнее >
СХЕМА ГИДРАВЛИЧЕСКОЙ СИСТЕМЫ (ИЗ БАКА В НАСОС В КЛАПАН) (СЕРИЙНЫЙ НОМЕР 511820179 - 511820519)

СХЕМА ГИДРАВЛИЧЕСКОЙ СИСТЕМЫ (ИЗ БАКА В НАСОС В КЛАПАН) (СЕРИЙНЫЙ НОМЕР 511820179 - 511820519)

1Артикул: 6588352, TUBE
2Артикул: 79K20, O RING 10
3Артикул: 42H24, CLAMP-5
Подробнее >
ПРАВОСТОРОННИЙ ДЖОЙСТИК УПРАВЛЕНИЯ (КОВШ И РУКОЯТЬ) (СТАНДАРТНАЯ СХЕМА УПРАВЛЕНИЯ) (СЕРИЙНЫЙ НОМЕР 511820001 - 511820178)

ПРАВОСТОРОННИЙ ДЖОЙСТИК УПРАВЛЕНИЯ (КОВШ И РУКОЯТЬ) (СТАНДАРТНАЯ СХЕМА УПРАВЛЕНИЯ) (СЕРИЙНЫЙ НОМЕР 511820001 - 511820178)

1Артикул: 6654120, JOYSTICK ASSY. See Illustration R.H. JOYSTICK CONTROLS/ D1972 NLA - RH - Was 6654120 - A
2Артикул: 1CM625, BOLT
3Артикул: 1DM6, NUT
Подробнее >
ПОВОРОТНОЕ СОЕДИНЕНИЕ (СЕРИЙНЫЙ НОМЕР 511820001 - 511820197)

ПОВОРОТНОЕ СОЕДИНЕНИЕ (СЕРИЙНЫЙ НОМЕР 511820001 - 511820197)

1Артикул: SWIVEL, SWIVEL JOINT See BTIE-031 - NLA - Assy. - Ref. 2-15 - Was 6534250 - A
2Артикул: BODY, BODY NSS
3Артикул: ROTOR, ROTOR NSS
Подробнее >
УРАВНОВЕШИВАЮЩИЙ КЛАПАН (СЕРИЙНЫЙ НОМЕР 511820520 И ВЫШЕ)

УРАВНОВЕШИВАЮЩИЙ КЛАПАН (СЕРИЙНЫЙ НОМЕР 511820520 И ВЫШЕ)

1Артикул: 6665350, VALVE Counterbalance - W/Ref. 2-4 - Was 6665349 - D
2Артикул: BLOCK, BLOCK NLA - Valve
3Артикул: 6666876, VALVE Counterbalance - Was 6665712 - C
Подробнее >
ЦИЛИНДР РУКОЯТИ

ЦИЛИНДР РУКОЯТИ

1Артикул: 6586724, CYLINDER Ref. 2-15, 19 & 20
2Артикул: 6537057, ROD W/Ref. 19 & 20
3Артикул: 6586718, HEAD, CYL TILT Was 7214661 - A
Подробнее >
СХЕМА ГИДРАВЛИЧЕСКОЙ СИСТЕМЫ (ИЗ БАКА В НАСОС В КЛАПАН) (СЕРИЙНЫЙ НОМЕР 511820520 И ВЫШЕ)

СХЕМА ГИДРАВЛИЧЕСКОЙ СИСТЕМЫ (ИЗ БАКА В НАСОС В КЛАПАН) (СЕРИЙНЫЙ НОМЕР 511820520 И ВЫШЕ)

1Артикул: 6588352, TUBE
2Артикул: 24K7, PLUG W/Ref. 10
3Артикул: 42H24, CLAMP-5
Подробнее >
ЦИЛИНДР СТРЕЛЫ

ЦИЛИНДР СТРЕЛЫ

1Артикул: 6586726, CYLINDER Ref. 2-15, 21 & 22
2Артикул: 6537051, ROD W/Ref. 21 & 22
3Артикул: 6586718, HEAD, CYL TILT Was 7214661 - A
Подробнее >
ОБРАТНЫЙ КЛАПАН (СЕРИЙНЫЙ НОМЕР 511820001 - 511820519)

ОБРАТНЫЙ КЛАПАН (СЕРИЙНЫЙ НОМЕР 511820001 - 511820519)

1Артикул: NLA, NLA - Was 6658327
2Артикул: NLA, NLA - Was 6658336
3Артикул: HOUSING, HOUSING NSS
Подробнее >
СХЕМА ГИДРАВЛИЧЕСКОЙ СИСТЕМЫ (КОВШ И ПОВОРОТ СТРЕЛЫ)

СХЕМА ГИДРАВЛИЧЕСКОЙ СИСТЕМЫ (КОВШ И ПОВОРОТ СТРЕЛЫ)

1Артикул: VALVE, VALVE See Illustration CONTROL VALVE ASSY/ D2266 See Illustration CONTROL VALVE ASSY/ B25184 - control
2Артикул: 15K6, ADAPTER W/Ref. 3
3Артикул: 79K8, O RING 10
Подробнее >
СЕКЦИЯ ВЫХОДНОГО ПАТРУБКА (ПОВОРОТ СТРЕЛЫ) (СЕРИЙНЫЙ НОМЕР 511820001 - 511820519)

СЕКЦИЯ ВЫХОДНОГО ПАТРУБКА (ПОВОРОТ СТРЕЛЫ) (СЕРИЙНЫЙ НОМЕР 511820001 - 511820519)

1Артикул: 6658324, VALVE Outlet Section - W/Ref. 2-14
2Артикул: HOUSING, HOUSING NLA
3Артикул: SPOOL, SPOOL NLA
Подробнее >
СЕКЦИЯ РАСПРЕДЕЛИТЕЛЯ (РУКОЯТЬ, СТРЕЛА И КОВШ) (СЕРИЙНЫЙ НОМЕР 511820001 - 511820519)

СЕКЦИЯ РАСПРЕДЕЛИТЕЛЯ (РУКОЯТЬ, СТРЕЛА И КОВШ) (СЕРИЙНЫЙ НОМЕР 511820001 - 511820519)

1Артикул: 6658309, VALVE Section - Boom
2Артикул: 6658311, VALVE Section - Arm or Bucket W/Ref. 2-14
3Артикул: HOUSING, HOUSING NLA
Подробнее >
СХЕМА ГИДРАВЛИЧЕСКОЙ СИСТЕМЫ (ИЗ КЛАПАНА В ГИДРОМОТОР ПОВОРОТА ПЛАТФОРМЫ В КАМЕРУ ОХЛАЖДЕНИЯ) (СЕРИЙНЫЙ НОМЕР 511820179 - 511820519)

СХЕМА ГИДРАВЛИЧЕСКОЙ СИСТЕМЫ (ИЗ КЛАПАНА В ГИДРОМОТОР ПОВОРОТА ПЛАТФОРМЫ В КАМЕРУ ОХЛАЖДЕНИЯ) (СЕРИЙНЫЙ НОМЕР 511820179 - 511820519)

1Артикул: 6656151, VALVE See Illustration CONTROL VALVE ASSY/ B25184 - control
2Артикул: 6519195, ELBOW W/Ref. 3
3Артикул: 79K10, O RING 10
Подробнее >
СХЕМА ГИДРАВЛИЧЕСКОЙ СИСТЕМЫ (ЛЕВОСТОРОННИЙ ДЖОЙСТИК УПРАВЛЕНИЯ) (РУКОЯТЬ И ПОВОРОТ) (ISO КОНФИГУРАЦИЯ УПРАВЛЕНИЯ) (СЕРИЙНЫЙ НОМЕР 511820520 И ВЫШЕ)

СХЕМА ГИДРАВЛИЧЕСКОЙ СИСТЕМЫ (ЛЕВОСТОРОННИЙ ДЖОЙСТИК УПРАВЛЕНИЯ) (РУКОЯТЬ И ПОВОРОТ) (ISO КОНФИГУРАЦИЯ УПРАВЛЕНИЯ) (СЕРИЙНЫЙ НОМЕР 511820520 И ВЫШЕ)

1Артикул: 6654119, JOYSTICK ASSY. See Illustration L.H. JOYSTICK CONTROLS/ D1973 -L.H. - Was 6654119 - A
2Артикул: 1CM625, BOLT
3Артикул: 1DM6, NUT
Подробнее >
СХЕМА ГИДРАВЛИЧЕСКОЙ СИСТЕМЫ (РУКОЯТЬ И СТРЕЛА) (СЕРИЙНЫЙ НОМЕР 511820001 - 511820519)

СХЕМА ГИДРАВЛИЧЕСКОЙ СИСТЕМЫ (РУКОЯТЬ И СТРЕЛА) (СЕРИЙНЫЙ НОМЕР 511820001 - 511820519)

1Артикул: 6656151, VALVE See Illustration CONTROL VALVE ASSY/ B25184 - control
2Артикул: 15K6, ADAPTER W/Ref. 3
3Артикул: 79K8, O RING 10
Подробнее >
ОБРАТНЫЙ КЛАПАН

ОБРАТНЫЙ КЛАПАН

1Артикул: 6667386, VALVE Check - W/Ref. 2 & 4 - Was 6657207 - A
2Артикул: 6667334, PLUNGER W/Ref. 3 - Was 6661814 - A
3Артикул: 6667575, SEAL KIT Complete - W/Ref. 3
Подробнее >
СХЕМА ГИДРАВЛИЧЕСКОЙ СИСТЕМЫ (РУКОЯТЬ И СТРЕЛА) (СЕРИЙНЫЙ НОМЕР 511820520 И ВЫШЕ)

СХЕМА ГИДРАВЛИЧЕСКОЙ СИСТЕМЫ (РУКОЯТЬ И СТРЕЛА) (СЕРИЙНЫЙ НОМЕР 511820520 И ВЫШЕ)

1Артикул: 6665003, VALVE See Illustration CONTROL VALVE ASSY/ D2266 - control
2Артикул: 15K6, ADAPTER W/Ref. 3
3Артикул: 79K8, O RING 10
Подробнее >
ПРЕДОХРАНИТЕЛЬНЫЙ КЛАПАН (6 КАТУШКА) (СЕРИЙНЫЙ НОМЕР 511820520 И ВЫШЕ)

ПРЕДОХРАНИТЕЛЬНЫЙ КЛАПАН (6 КАТУШКА) (СЕРИЙНЫЙ НОМЕР 511820520 И ВЫШЕ)

1Артикул: 6674259, VALVE Set at 2950 PSI (20345 kpa)- Was 6665436 - A
2Артикул: 6674260, RELIEF VALVE Set at 3400 PSI (23449 kpa)- Was 6665437 - A
3Артикул: 6665457, NUT End Cap
Подробнее >
СЕКЦИЯ РАСПРЕДЕЛИТЕЛЯ (ПРАВОСТОРОННИЙ ХОД И ЛЕВОСТОРОННИЙ ХОД) (СЕРИЙНЫЙ НОМЕР 511820520 И ВЫШЕ)

СЕКЦИЯ РАСПРЕДЕЛИТЕЛЯ (ПРАВОСТОРОННИЙ ХОД И ЛЕВОСТОРОННИЙ ХОД) (СЕРИЙНЫЙ НОМЕР 511820520 И ВЫШЕ)

1Артикул: 6665450, VALVE section - RH Travel - W/Ref. 2-14
2Артикул: 6665455, VALVE section - LH Travel - W/Ref. 2-14
3Артикул: 93G406, SCREW
Подробнее >
СЕКЦИЯ РАСПРЕДЕЛИТЕЛЯ (СТРЕЛА, КОВШ И РУКОЯТЬ) (СЕРИЙНЫЙ НОМЕР 511820520 И ВЫШЕ)

СЕКЦИЯ РАСПРЕДЕЛИТЕЛЯ (СТРЕЛА, КОВШ И РУКОЯТЬ) (СЕРИЙНЫЙ НОМЕР 511820520 И ВЫШЕ)

1Артикул: 6665453, VALVE Section - Boom - W/Ref. 2-18
2Артикул: 6665454, VALVE Section - Bucket - W/Ref. 2-18
3Артикул: 6665451, VALVE Section - Arm - W/Ref. 2-18
Подробнее >
РЕГУЛИРУЮЩИЙ КЛАПАН В СБОРЕ (6 КАТУШКА) (СЕРИЙНЫЙ НОМЕР 511820520 И ВЫШЕ)

РЕГУЛИРУЮЩИЙ КЛАПАН В СБОРЕ (6 КАТУШКА) (СЕРИЙНЫЙ НОМЕР 511820520 И ВЫШЕ)

1Артикул: 6665003, VALVE 6 Spool- W/Ref. 2-17
2Артикул: 6651869, SECTION
3Артикул: 6665450, VALVE See Illustration VALVE SECTION/ B20002 - Section - RH Travel
Подробнее >