+7 (701) 588 50 05 Телефон для связи
RU

WhatsApp

Позвонить

ГИДРАВЛИЧЕСКАЯ СИСТЕМА в Алматы

ШЕСТЕРЕННЫЙ НАСОС

ШЕСТЕРЕННЫЙ НАСОС

1Артикул: 6686950, PUMP gear
2Артикул: 93G536, BOLT
3Артикул: 1571759, SEAL shaft
Подробнее >
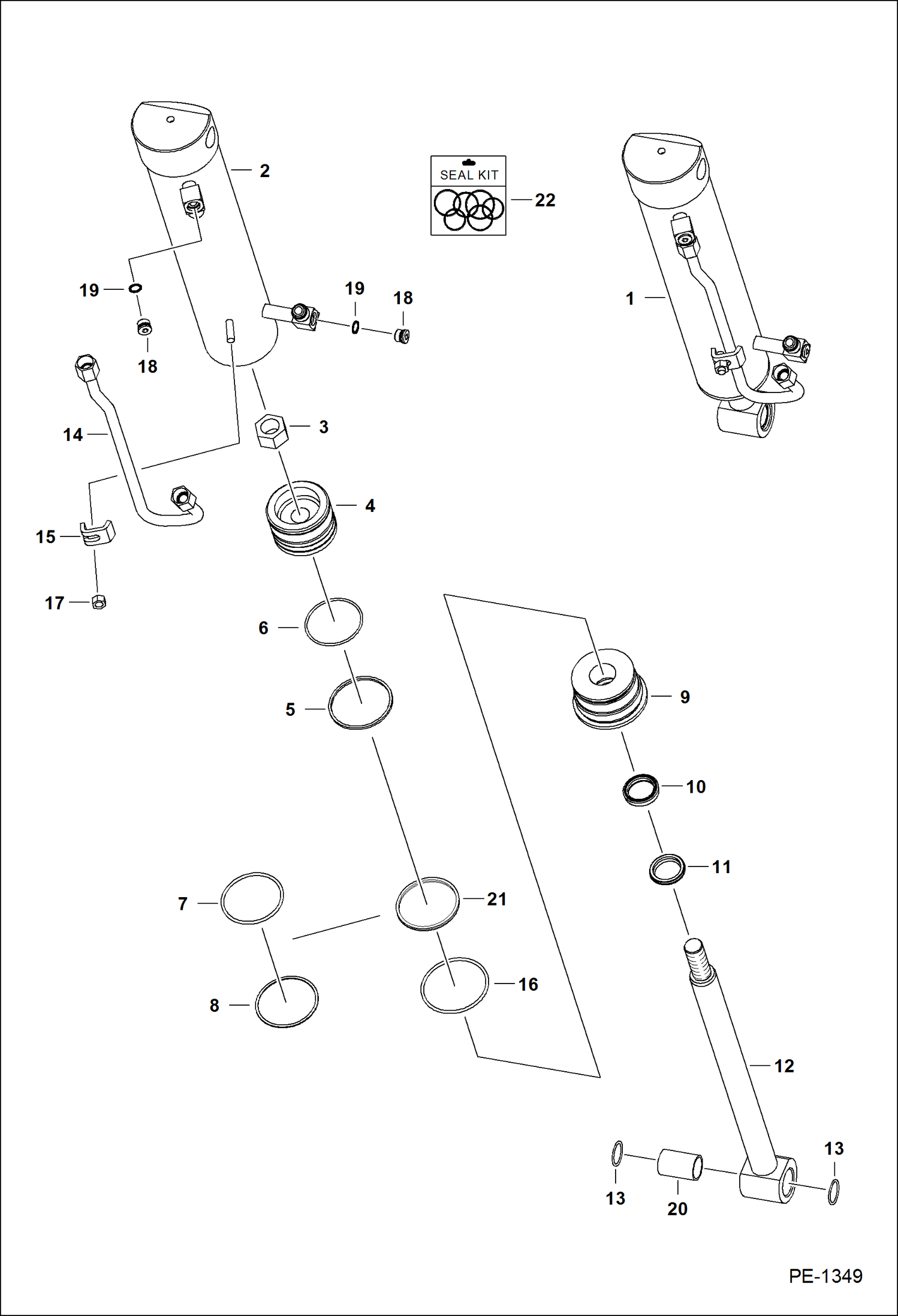
ЦИЛИНДР ПОДЪЕМА

ЦИЛИНДР ПОДЪЕМА

1Артикул: 6814795, CYLINDER Ref. 2-15
2Артикул: 6814799, CASE
3Артикул: 92D14, NUT
Подробнее >
ЦИЛИНДР НАКЛОНА

ЦИЛИНДР НАКЛОНА

1Артикул: 6815798, CYLINDER, TILT Ref. 2-13, 16 & 18-20 - Was 6815746 - A
2Артикул: 6808668, CASE
3Артикул: 92D14, NUT
Подробнее >
СХЕМА ГИДРАВЛИЧЕСКОЙ СИСТЕМЫ (РАБОЧИЕ ЦИЛИНДРЫ) (СЕРИЙНЫЙ НОМЕР 523611001 И ВЫШЕ, 523711001 И ВЫШЕ)

СХЕМА ГИДРАВЛИЧЕСКОЙ СИСТЕМЫ (РАБОЧИЕ ЦИЛИНДРЫ) (СЕРИЙНЫЙ НОМЕР 523611001 И ВЫШЕ, 523711001 И ВЫШЕ)

1Артикул: 6735745, HOSE
2Артикул: 84G3728, BOLT Was 84G003724B - B
3Артикул: 6800262, CLAMP
Подробнее >
СХЕМА ГИДРАВЛИЧЕСКОЙ СИСТЕМЫ (РАБОЧИЕ ЦИЛИНДРЫ) (СЕРИЙНЫЙ НОМЕР 528711001 И ВЫШЕ, 528811001 И ВЫШЕ)

СХЕМА ГИДРАВЛИЧЕСКОЙ СИСТЕМЫ (РАБОЧИЕ ЦИЛИНДРЫ) (СЕРИЙНЫЙ НОМЕР 528711001 И ВЫШЕ, 528811001 И ВЫШЕ)

1Артикул: 15KB0606, FITTING, HYD CONNECTOR
2Артикул: 79K8, O RING 10
3Артикул: 6973695, HOSE
Подробнее >
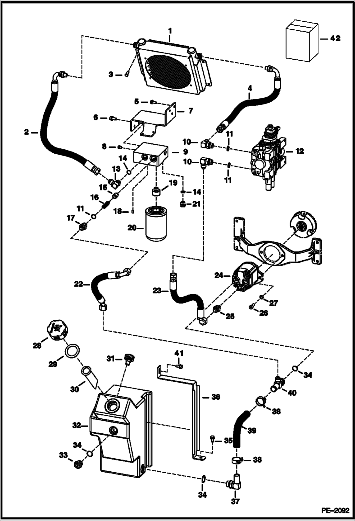
СХЕМА ГИДРАВЛИЧЕСКОЙ СИСТЕМЫ (ОХЛАЖДЕНИЕ, ФИЛЬТР, БАК)

СХЕМА ГИДРАВЛИЧЕСКОЙ СИСТЕМЫ (ОХЛАЖДЕНИЕ, ФИЛЬТР, БАК)

1Артикул: 7301555, EXCHANGER OIL COOLER Was 6732772
2Артикул: 6735741, HOSE
3Артикул: 6674798, REPAIR KIT includes - internal retaining ring (1) o-ring (1) & back-up ring (1)
Подробнее >
ДОПОЛНИТЕЛЬНАЯ ГИДРАВЛИКА

ДОПОЛНИТЕЛЬНАЯ ГИДРАВЛИКА

1Артикул: 7246778, COUPLER See BTI433ldr - Was 6676560 - A
2Артикул: 7246792, COUPLER, FF FEMALE See BTI433ldr - Was 6676559 - A
3Артикул: 86F6, NUT
Подробнее >
РАБОЧИЙ КЛАПАН (СЕРИЙНЫЙ НОМЕР 523611001 И ВЫШЕ, 523711001 И ВЫШЕ, 528711001 И ВЫШЕ, 528811001 И ВЫШЕ)

РАБОЧИЙ КЛАПАН (СЕРИЙНЫЙ НОМЕР 523611001 И ВЫШЕ, 523711001 И ВЫШЕ, 528711001 И ВЫШЕ, 528811001 И ВЫШЕ)

1Артикул: 6735730, VALVE work - Ref. 2-27
2Артикул: 6685789, SECTION
3Артикул: 6685793, SEAL KIT
Подробнее >
РАБОЧИЙ КЛАПАН (СЕРИЙНЫЙ НОМЕР 5287 ЧЕРЕЗ, 5288 ЧЕРЕЗ)

РАБОЧИЙ КЛАПАН (СЕРИЙНЫЙ НОМЕР 5287 ЧЕРЕЗ, 5288 ЧЕРЕЗ)

1Артикул: 6686260, MAIN VALVE work - Ref. 2-34
2Артикул: 6685789, SECTION
3Артикул: 6685793, SEAL KIT
Подробнее >