+7 (701) 588 50 05 Телефон для связи
RU

WhatsApp

Позвонить

ГИДРАВЛИЧЕСКАЯ СИСТЕМА в Алматы

СХЕМА ГИДРАВЛИЧЕСКОЙ СИСТЕМЫ (ШЕСТЕРЕННЫЙ НАСОС)

СХЕМА ГИДРАВЛИЧЕСКОЙ СИСТЕМЫ (ШЕСТЕРЕННЫЙ НАСОС)

1Артикул: 7170303, FITTING, HYD
2Артикул: 7221246, PUMP, GEAR See Illustration GEAR PUMP/ EM10204
3Артикул: FITTING,, FITTING, HYD NLA - Order Ref. 10 & (4) of Ref. 11 - Was 7225778 - A
Подробнее >
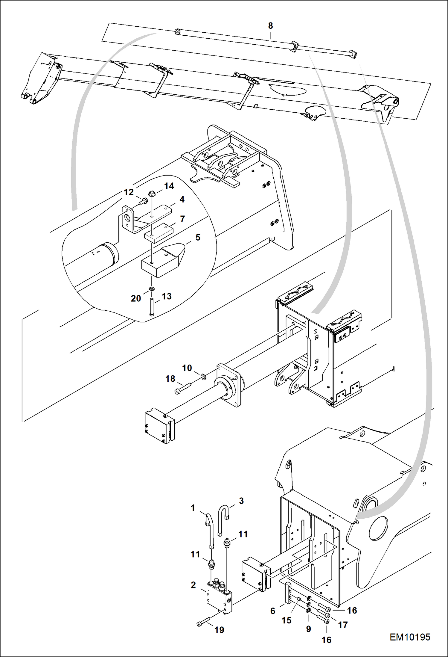
СХЕМА ГИДРАВЛИЧЕСКОЙ СИСТЕМЫ (СТАБИЛИЗАТОР ВЫРАВНИВАНИЯ РАМЫ)

СХЕМА ГИДРАВЛИЧЕСКОЙ СИСТЕМЫ (СТАБИЛИЗАТОР ВЫРАВНИВАНИЯ РАМЫ)

1Артикул: 6624289, STRAP, TIE
2Артикул: 6678818, MOUNT
3Артикул: 6802867, ELBOW
Подробнее >
РЕГУЛИРУЮЩИЙ КЛАПАН (ВПУСКНАЯ СЕКЦИЯ)

РЕГУЛИРУЮЩИЙ КЛАПАН (ВПУСКНАЯ СЕКЦИЯ)

1Артикул: SECTION,, SECTION, INLET Ref. 2
2Артикул: 7031231, SECTION, VALVE inlet
Подробнее >
РЕГУЛИРУЮЩИЙ КЛАПАН

РЕГУЛИРУЮЩИЙ КЛАПАН

1Артикул: 7213835, VALVE, CONTROL Ref. 2-11
2Артикул: 7031231, SECTION, VALVE See Illustration CONTROL VALVE/ EM10243 - inlet
3Артикул: 7031232, SECTION, VALVE See Illustration CONTROL VALVE/ EM10244 - lifting
Подробнее >
СХЕМА ГИДРАВЛИЧЕСКОЙ СИСТЕМЫ (ВСПОМОГАТЕЛЬНЫЙ КЛАПАН)

СХЕМА ГИДРАВЛИЧЕСКОЙ СИСТЕМЫ (ВСПОМОГАТЕЛЬНЫЙ КЛАПАН)

1Артикул: 7181665, RIVET
2Артикул: 7224841, VALVE, DIVERTER
3Артикул: 7225156, FITTING, HYD
Подробнее >
СХЕМА ГИДРАВЛИЧЕСКОЙ СИСТЕМЫ (ВЫДВИЖНОЙ ЦИЛИНДР)

СХЕМА ГИДРАВЛИЧЕСКОЙ СИСТЕМЫ (ВЫДВИЖНОЙ ЦИЛИНДР)

1Артикул: 7212276, TUBELINE, HYD
2Артикул: 7212603, VALVE, EXTENSION
3Артикул: 7212604, TUBELINE, HYD
Подробнее >
СХЕМА ГИДРАВЛИЧЕСКОЙ СИСТЕМЫ (СТРЕЛА И УИЛИНДР НАКЛОНА)

СХЕМА ГИДРАВЛИЧЕСКОЙ СИСТЕМЫ (СТРЕЛА И УИЛИНДР НАКЛОНА)

1Артикул: 7212277, CHAIN Was 7247007 - A
2Артикул: 7212291, TUBELINE, HYD
3Артикул: 7212294, HOSE, HYD
Подробнее >
ГИДРАВЛИЧЕСКИЙ БАК И ФИЛЬТР

ГИДРАВЛИЧЕСКИЙ БАК И ФИЛЬТР

1Артикул: 6727475, CAP, OIL HYD
2Артикул: 6727869, SENDER,HYD TEMP
3Артикул: 7003487, SCREEN
Подробнее >
СХЕМА ГИДРАВЛИЧЕСКОЙ СИСТЕМЫ (НЕПОДВИЖНАЯ СТРЕЛА В СБОРЕ)

СХЕМА ГИДРАВЛИЧЕСКОЙ СИСТЕМЫ (НЕПОДВИЖНАЯ СТРЕЛА В СБОРЕ)

1Артикул: 6624289, STRAP, TIE
2Артикул: 7215775, HOSE, HYD
3Артикул: 7215776, HOSE, HYD
Подробнее >
СХЕМА ГИДРАВЛИЧЕСКОЙ СИСТЕМЫ (ПОДАЧА СМАЗКИ)

СХЕМА ГИДРАВЛИЧЕСКОЙ СИСТЕМЫ (ПОДАЧА СМАЗКИ)

1Артикул: 7222130, HOSE, HYD
2Артикул: 7223893, FITTING
3Артикул: 79K20, O RING 10
Подробнее >
СХЕМА ГИДРАВЛИЧЕСКОЙ СИСТЕМЫ (ПОДЪЕМ И ЦИЛИНДР С АВТОМАТИЧЕСКИМ ВЫРАВНИВАНИЕМ)

СХЕМА ГИДРАВЛИЧЕСКОЙ СИСТЕМЫ (ПОДЪЕМ И ЦИЛИНДР С АВТОМАТИЧЕСКИМ ВЫРАВНИВАНИЕМ)

1Артикул: ACCUMULATOR,, ACCUMULATOR, HYD NLA - Order 7283241 accumulator & 7285622 fitting - Was 7202916 - A
2Артикул: ACCUMULATOR,, ACCUMULATOR, HYDRAULIC NLA - Order Ref. 14-16 - Was 7283241 - A
3Артикул: 7202916, ACCUMULATOR, HYD
Подробнее >
СХЕМА ГИДРАВЛИЧЕСКОЙ СИСТЕМЫ (СТОЯНОЧНЫЙ ТОРМОЗ)

СХЕМА ГИДРАВЛИЧЕСКОЙ СИСТЕМЫ (СТОЯНОЧНЫЙ ТОРМОЗ)

1Артикул: 7217892, LEVER See Illustration PARKING BRAKE/ NA10245
2Артикул: 15KB0606, FITTING, HYD CONNECTOR
3Артикул: 79K6, O RING 10
Подробнее >
СХЕМА ГИДРАВЛИЧЕСКОЙ СИСТЕМЫ (ЭЛЕКТРОДВИГАТЕЛЬ ВЕНТИЛЯТОРА)

СХЕМА ГИДРАВЛИЧЕСКОЙ СИСТЕМЫ (ЭЛЕКТРОДВИГАТЕЛЬ ВЕНТИЛЯТОРА)

1Артикул: 6624289, STRAP, TIE
2Артикул: 7163496, HOSE, HYD
3Артикул: 7293660, HOSE HYDRAULIC Was 7281252 - B
Подробнее >
ШЕСТЕРЕННЫЙ НАСОС

ШЕСТЕРЕННЫЙ НАСОС

1Артикул: 7221246, PUMP, GEAR
2Артикул: 6924988, KIT, SEAL Was 7031225 - A
Подробнее >
СХЕМА ГИДРАВЛИЧЕСКОЙ СИСТЕМЫ (РЕГУЛИРУЮЩИЙ КЛАПАН)

СХЕМА ГИДРАВЛИЧЕСКОЙ СИСТЕМЫ (РЕГУЛИРУЮЩИЙ КЛАПАН)

1Артикул: 6661753, PLUG
2Артикул: 7168745, VALVE, SELF LEVELLING
3Артикул: 7229301, FITTING, HYD ELBOW Was 7171302 - A
Подробнее >
РЕГУЛИРУЮЩИЙ КЛАПАН (СЕКЦИЯ ПОДЪЕМА)

РЕГУЛИРУЮЩИЙ КЛАПАН (СЕКЦИЯ ПОДЪЕМА)

1Артикул: SECTION,, SECTION, LIFTING Ref. 2-7
2Артикул: 7031238, UNIT, CONTROL
3Артикул: 7031232, SECTION, VALVE lifting
Подробнее >
СХЕМА ГИДРАВЛИЧЕСКОЙ СИСТЕМЫ (ТОРМОЗНОЙ КЛАПАН)

СХЕМА ГИДРАВЛИЧЕСКОЙ СИСТЕМЫ (ТОРМОЗНОЙ КЛАПАН)

1Артикул: 7219156, PEDAL, BRAKE SERVICE See Illustration SERVICE BRAKE VALVE/ EM10233
2Артикул: 15KB0606, FITTING, HYD CONNECTOR
3Артикул: 79K6, O RING 10
Подробнее >
СХЕМА ГИДРАВЛИЧЕСКОЙ СИСТЕМЫ (РУЛЕВОЕ УПРАВЛЕНИЕ)

СХЕМА ГИДРАВЛИЧЕСКОЙ СИСТЕМЫ (РУЛЕВОЕ УПРАВЛЕНИЕ)

1Артикул: 6624289, STRAP, TIE
2Артикул: 6678818, MOUNT
3Артикул: 6812815, FITTING
Подробнее >