+7 (701) 588 50 05 Телефон для связи
RU

WhatsApp

Позвонить

ГИДРАВЛИЧЕСКАЯ СИСТЕМА в Алматы

СХЕМА ГИДРАВЛИЧЕСКОЙ СИСТЕМЫ (КЛАПАН ХОДОВОЙ ГИДРОМОТОРА) (СЕРИЙНЫЙ НОМЕР 562320000 И ВЫШЕ, 517811000 И ВЫШЕ)

СХЕМА ГИДРАВЛИЧЕСКОЙ СИСТЕМЫ (КЛАПАН ХОДОВОЙ ГИДРОМОТОРА) (СЕРИЙНЫЙ НОМЕР 562320000 И ВЫШЕ, 517811000 И ВЫШЕ)

1Артикул: 6667336, MOTOR See Illustration TRAVEL MOTOR/ B14478
2Артикул: 15KB0606, FITTING, HYD CONNECTOR W/Ref. 3
3Артикул: 97K6, O RING
Подробнее >
СХЕМА ГИДРАВЛИЧЕСКОЙ СИСТЕМЫ (ИЗ НАСОСА В КЛАПАН В КАМЕРУ ОХЛАЖДЕНИЯ В ФИЛЬТР) (СЕРИЙНЫЙ НОМЕР 562314900 И ВЫШЕ, 517811001 И ВЫШЕ)

СХЕМА ГИДРАВЛИЧЕСКОЙ СИСТЕМЫ (ИЗ НАСОСА В КЛАПАН В КАМЕРУ ОХЛАЖДЕНИЯ В ФИЛЬТР) (СЕРИЙНЫЙ НОМЕР 562314900 И ВЫШЕ, 517811001 И ВЫШЕ)

1Артикул: 6670250, OIL COOLER
2Артикул: 6519187, ELBOW W/Ref. 3
3Артикул: 79K12, O RING 10 flat boss face
Подробнее >
СЕКЦИЯ РАСПРЕДЕЛИТЕЛЯ (ПРАВОСТОРОННИЙ ХОД И ВСПОМОГАТЕЛЬНОЕ ОБОРУДОВАНИЕ)

СЕКЦИЯ РАСПРЕДЕЛИТЕЛЯ (ПРАВОСТОРОННИЙ ХОД И ВСПОМОГАТЕЛЬНОЕ ОБОРУДОВАНИЕ)

1Артикул: 6670570, VALVE Section-R.H. Travel - W/Ref. 2-15
2Артикул: 6670568, VALVE Section - Auxiliary - W/Ref. 2-15
3Артикул: 6671684, SCREW Was 93G000407B - B
Подробнее >
СХЕМА ГИДРАВЛИЧЕСКОЙ СИСТЕМЫ (ДЖОЙСТИК УПРАВЛЕНИЯ - ISO)

СХЕМА ГИДРАВЛИЧЕСКОЙ СИСТЕМЫ (ДЖОЙСТИК УПРАВЛЕНИЯ - ISO)

1Артикул: 6667722, JOYSTICK, RH See Illustration R.H. JOYSTICK CONTROLS/ B14601 - RH W/Switch
2Артикул: 6667721, JOYSTICK See Illustration L.H. JOYSTICK CONTROLS/ B14600 - LH - W/O Switch
3Артикул: 1CM625, BOLT
Подробнее >
ТОРМОЗНОЙ КЛАПАН

ТОРМОЗНОЙ КЛАПАН

1Артикул: 6671071, VALVE Assy. - W/Ref. 2-10
2Артикул: HOUSING, HOUSING NSS
3Артикул: 994793, POPPET
Подробнее >
СЕКЦИЯ РАСПРЕДЕЛИТЕЛЯ (ГИДРОМОТОР ПОВОРОТА ПЛАТФОРМЫ)

СЕКЦИЯ РАСПРЕДЕЛИТЕЛЯ (ГИДРОМОТОР ПОВОРОТА ПЛАТФОРМЫ)

1Артикул: 6670573, VALVE Section - Swing Motor - W/Ref. 2-21
2Артикул: 6665439, SCREW
3Артикул: 6665542, PLATE Was 6665442 - D
Подробнее >
СЕКЦИЯ РАСПРЕДЕЛИТЕЛЯ (УНИВЕРСАЛЬНЫЙ БЛОК)

СЕКЦИЯ РАСПРЕДЕЛИТЕЛЯ (УНИВЕРСАЛЬНЫЙ БЛОК)

1Артикул: 6670580, VALVE Section - Utility Block - W/Ref. 2-8
2Артикул: HOUSING, HOUSING NSS
3Артикул: 6670590, POPPET
Подробнее >
ПОВОРОТНОЕ СОЕДИНЕНИЕ (СЕРИЙНЫЙ НОМЕР 517811001 - 517811884)

ПОВОРОТНОЕ СОЕДИНЕНИЕ (СЕРИЙНЫЙ НОМЕР 517811001 - 517811884)

1Артикул: SWIVEL, SWIVEL JOINT See BTIE-073 NLA - W/Ref. 2 - 13 - Order 6807006 Page 50, hoses (2) 6675531 & (2) 6675532 - Was 6804857 - A
2Артикул: HOUSING, HOUSING NLA - Order 6807005 , hoses (2) 6675531 & (2) 6675532 - Was 6804859 - A
3Артикул: 6804861, ROTOR
Подробнее >
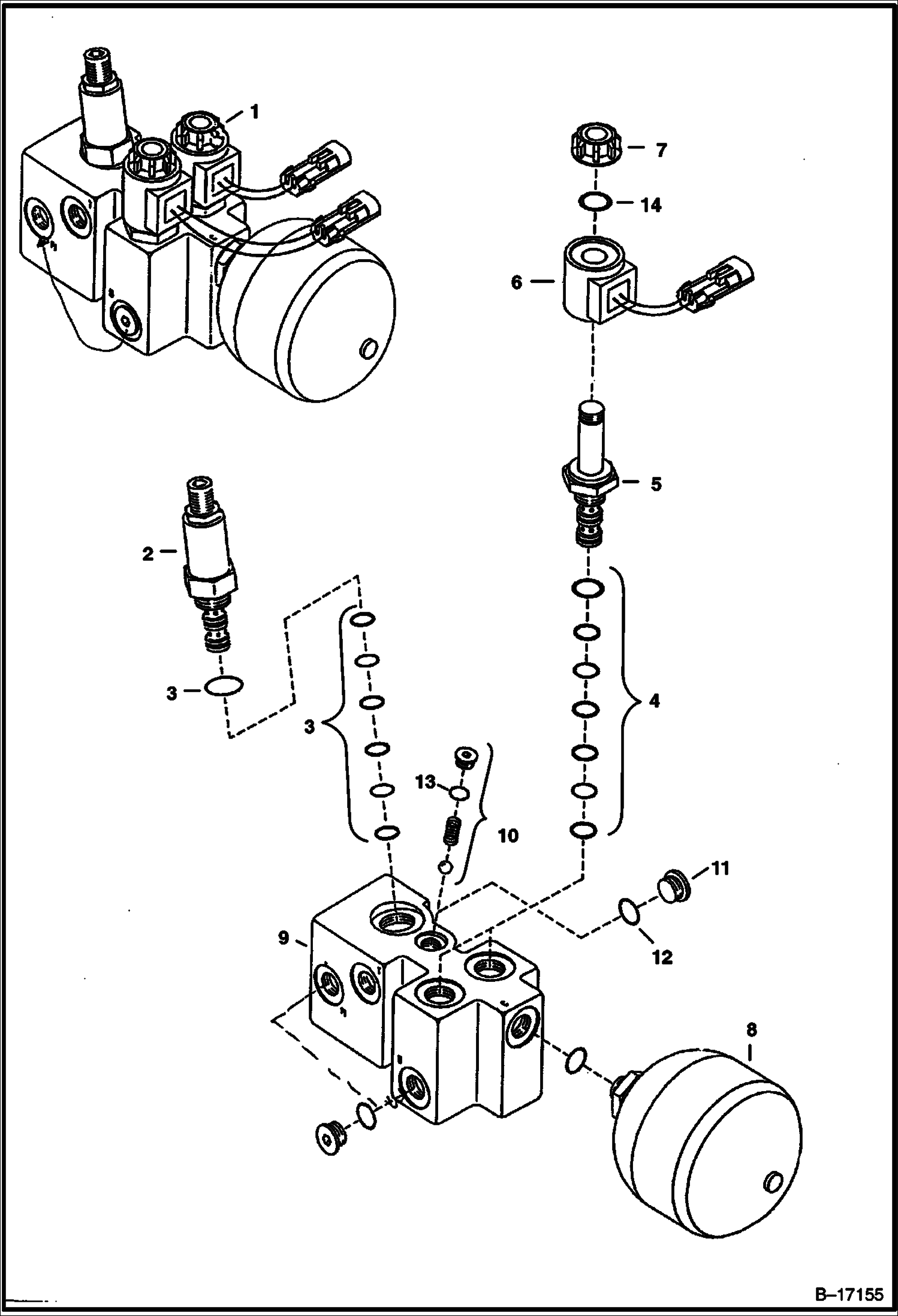
КЛАПАН АККУМУЛЯТОРА (СЕРИЙНЫЙ НОМЕР 562320720 И НИЖЕ, 517811979 И НИЖЕ)

КЛАПАН АККУМУЛЯТОРА (СЕРИЙНЫЙ НОМЕР 562320720 И НИЖЕ, 517811979 И НИЖЕ)

1Артикул: VALVE, VALVE NLA - Assy. - W/Ref. 2 - 13 - Order 6675141 - Was 6667819 - A
2Артикул: 6669324, RELIEF VALVE pressure reducing
3Артикул: 6669325, SEAL KIT
Подробнее >
ШЕСТЕРЕННЫЙ НАСОС

ШЕСТЕРЕННЫЙ НАСОС

1Артикул: PUMP, PUMP See BTIE-064 - NLA - W/Ref. 2-24 - Order 6679080 - Was 6669649 - A
2Артикул: 6662925, SNAP RING
3Артикул: 6662926, SEAL incl. W/Ref. 28
Подробнее >
СХЕМА ГИДРАВЛИЧЕСКОЙ СИСТЕМЫ (ОТВАЛ И ПОВОРОТ) (СЕРИЙНЫЙ НОМЕР 562320001 И ВЫШЕ, 517811001 И ВЫШЕ)

СХЕМА ГИДРАВЛИЧЕСКОЙ СИСТЕМЫ (ОТВАЛ И ПОВОРОТ) (СЕРИЙНЫЙ НОМЕР 562320001 И ВЫШЕ, 517811001 И ВЫШЕ)

1Артикул: 6669612, VALVE See Illustration CONTROL VALVE ASSY./ B17546
2Артикул: 6801398, CONNECTOR W/Ref. 12
3Артикул: COVER, COVER NLA - 25-- long - Order Ref. 16
Подробнее >
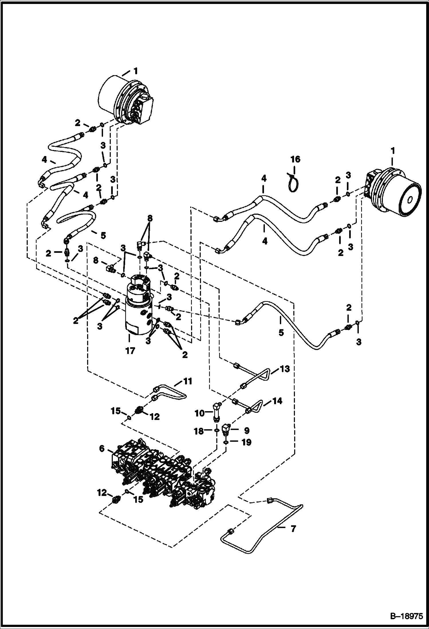
СХЕМА ГИДРАВЛИЧЕСКОЙ СИСТЕМЫ (КЛАПАН ХОДОВОЙ ГИДРОМОТОРА) (СЕРИЙНЫЙ НОМЕР 562313001 - 562319999)

СХЕМА ГИДРАВЛИЧЕСКОЙ СИСТЕМЫ (КЛАПАН ХОДОВОЙ ГИДРОМОТОРА) (СЕРИЙНЫЙ НОМЕР 562313001 - 562319999)

1Артикул: 6667336, MOTOR See Illustration TRAVEL MOTOR/ B14478 - Drive
2Артикул: 15K5, FITTING W/Ref. 3 - flat boss face
3Артикул: ADAPTOR, ADAPTOR NLA - W/Ref. 3 - tapered boss face - Was 15KN00005B
Подробнее >
ХОДОВОЙ ГИДРОМОТОР

ХОДОВОЙ ГИДРОМОТОР

1Артикул: 6667336, MOTOR W/Ref. 2-48
2Артикул: 6667750, MOTOR Assy. W/Ref. 3-23
3Артикул: 6667751, HOUSING
Подробнее >
СЕКЦИЯ РАСПРЕДЕЛИТЕЛЯ (ЛЕВОСТОРОННИЙ ХОД И ОТВАЛ)

СЕКЦИЯ РАСПРЕДЕЛИТЕЛЯ (ЛЕВОСТОРОННИЙ ХОД И ОТВАЛ)

1Артикул: 6670575, VALVE Section - L.H. Travel - W/Ref. 2-15
2Артикул: 6670569, VALVE Section - Blade - W/Ref. 2-15
3Артикул: 6671684, SCREW Was 93G000407B - B
Подробнее >
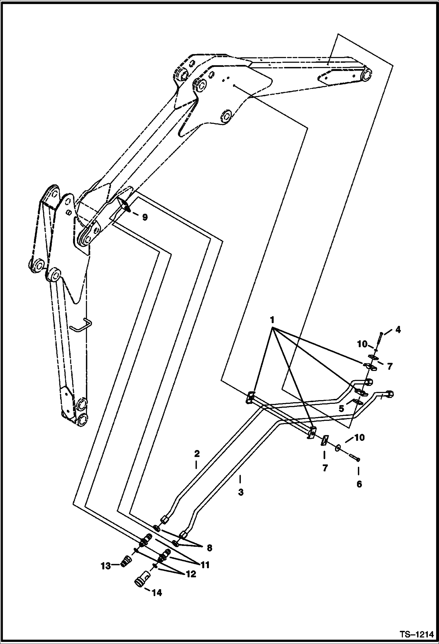
ЦИЛИНДР РУКОЯТИ

ЦИЛИНДР РУКОЯТИ

1Артикул: 6810414, CYLINDER Ref. 2-15 & 17, also order (1) Ref. 16 & (2) Ref. 19
2Артикул: 6810415, ROD Also Order Ref. 16 & Ref. 19 (2) - Was 6806990 - A
3Артикул: 6589463, HEAD
Подробнее >
ЦИЛИНДР КОВША

ЦИЛИНДР КОВША

1Артикул: 6803038, CYLINDER, BUCKET
2Артикул: 6537256, PISTON
3Артикул: 6539236, HEAD
Подробнее >
ПРАВОСТОРОННИЙ ДЖОЙСТИК УПРАВЛЕНИЯ

ПРАВОСТОРОННИЙ ДЖОЙСТИК УПРАВЛЕНИЯ

1Артикул: 6667722, JOYSTICK, RH Assy. W/Ref. 2-23
2Артикул: 6668792, SCREW
3Артикул: 6668804, SWITCH Horn
Подробнее >
СХЕМА ГИДРАВЛИЧЕСКОЙ СИСТЕМЫ (ВСПОМОГАТЕЛЬНОЕ УСТРОЙСТВО)

СХЕМА ГИДРАВЛИЧЕСКОЙ СИСТЕМЫ (ВСПОМОГАТЕЛЬНОЕ УСТРОЙСТВО)

1Артикул: 6577697, CLAMP Was 6701893 - B
2Артикул: 6803507, TUBE Was 6589175 - A
3Артикул: 6803508, TUBE Was 6589176 - A
Подробнее >
ЦИЛИНДР ОТВАЛА (СЕРИЙНЫЙ НОМЕР 562313001 - 562319999)

ЦИЛИНДР ОТВАЛА (СЕРИЙНЫЙ НОМЕР 562313001 - 562319999)

1Артикул: 6804682, CYLINDER Ref. 2-16 - Was 6587000 - A
2Артикул: 6804685, ROD Was 6587003 - A
3Артикул: 6586721, HEAD
Подробнее >
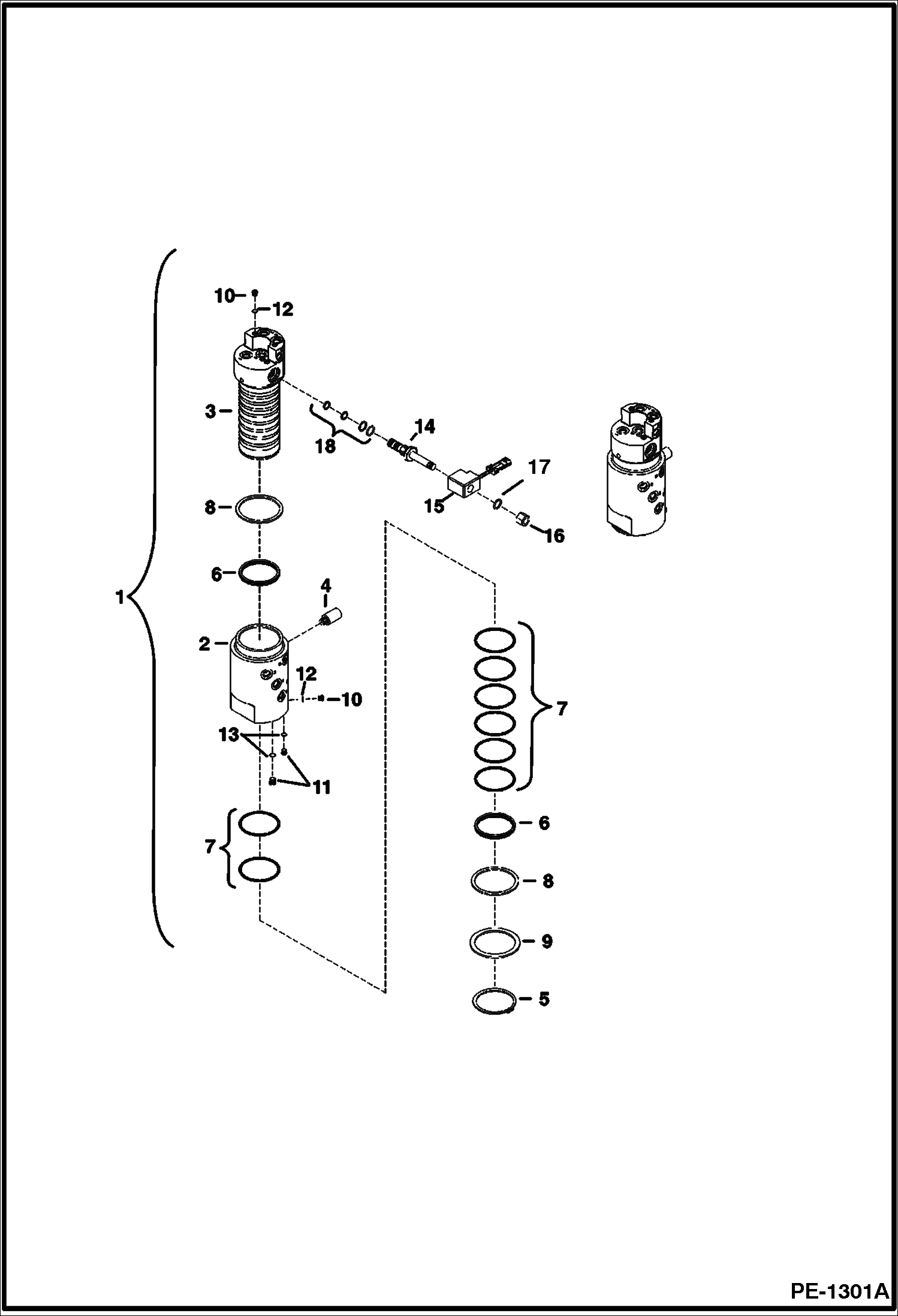
ГИДРОМОТОР ПОВОРОТА ПЛАТФОРМЫ

ГИДРОМОТОР ПОВОРОТА ПЛАТФОРМЫ

1Артикул: SWING, SWING MOTOR NLA - assy. - W/Ref. 2-35 & 37 - Order 6676397 - Was 6669661 - A
2Артикул: 6676397, MOTOR, SLEW assy. - W/Ref. 2-35 & 37
3Артикул: 6671069, SHAFT assy. - W/Ref. 3-13, 32 & 37
Подробнее >
ЛЕВОСТОРОННИЙ ДЖОЙСТИК УПРАВЛЕНИЯ

ЛЕВОСТОРОННИЙ ДЖОЙСТИК УПРАВЛЕНИЯ

1Артикул: 6667721, JOYSTICK Assy - W/Ref. 2 - 22
2Артикул: 6668792, SCREW
3Артикул: 6668793, HANDLE Assy - W/Ref. 2
Подробнее >
ЦИЛИНДР ПОВОРОТА

ЦИЛИНДР ПОВОРОТА

1Артикул: 6803043, CYLINDER Ref. 2 - 15 - Was 6801148 - A
2Артикул: 6803059, ROD Also Order Ref. 16 - Was 6587956 - A
3Артикул: 6801147, HEAD
Подробнее >
СЕКЦИЯ РАСПРЕДЕЛИТЕЛЯ (КОВШ И РУКОЯТЬ)

СЕКЦИЯ РАСПРЕДЕЛИТЕЛЯ (КОВШ И РУКОЯТЬ)

1Артикул: 6670576, VALVE Section - Bucket - W/Ref. 2-19 - See Note
2Артикул: VALVE, VALVE NLA - Section - Arm - W/Ref. 2-19 - Order 6672183 - See Note - Was 6670572 - A
3Артикул: 6672183, VALVE Section - Arm W/Ref. 2 - 19 - See Note
Подробнее >
СХЕМА ГИДРАВЛИЧЕСКОЙ СИСТЕМЫ (ГИДРАВЛИЧЕСКИЙ РЕЗЕРВУАР)

СХЕМА ГИДРАВЛИЧЕСКОЙ СИСТЕМЫ (ГИДРАВЛИЧЕСКИЙ РЕЗЕРВУАР)

1Артикул: 6801145, RESERVOIR Hydraulic - W/Ref. 2, 3, 8 & 9 - Was 6601145 - A
2Артикул: 6665915, GAUGE Was 6656338 - A
3Артикул: 79K12, O RING 10
Подробнее >
СЕКЦИЯ РАСПРЕДЕЛИТЕЛЯ (СТРЕЛА)

СЕКЦИЯ РАСПРЕДЕЛИТЕЛЯ (СТРЕЛА)

1Артикул: 6670571, VALVE Section - Boom-W/Ref. 2-19 - See Note
2Артикул: 6665439, SCREW
3Артикул: 6665442, PLATE
Подробнее >
СЕКЦИЯ РАСПРЕДЕЛИТЕЛЯ (ПОВОРОТ СТРЕЛЫ)

СЕКЦИЯ РАСПРЕДЕЛИТЕЛЯ (ПОВОРОТ СТРЕЛЫ)

1Артикул: 6670577, VALVE Section - Boom Swing - W/Ref. 2-24
2Артикул: 6671684, SCREW Was 93G000407B - B
3Артикул: 948016, PLATE
Подробнее >
ЦИЛИНДР УДЛИНЕНИЯ ГУСЕНИЦЫ (СЕРИЙНЫЙ НОМЕР 517811001 И ВЫШЕ)

ЦИЛИНДР УДЛИНЕНИЯ ГУСЕНИЦЫ (СЕРИЙНЫЙ НОМЕР 517811001 И ВЫШЕ)

1Артикул: 6810471, CYLINDER Track Expansion - W/Ref. 2 - 15 -Was 6805078 - A
2Артикул: 6810472, ROD Was 6805245 - A
3Артикул: 6538595, HEAD, CYL HYD
Подробнее >
СХЕМА ГИДРАВЛИЧЕСКОЙ СИСТЕМЫ (ИЗ НАСОСА В КЛАПАН В КАМЕРУ ОХЛАЖДЕНИЯ В ФИЛЬТР) (СЕРИЙНЫЙ НОМЕР 562313001 - 562314899)

СХЕМА ГИДРАВЛИЧЕСКОЙ СИСТЕМЫ (ИЗ НАСОСА В КЛАПАН В КАМЕРУ ОХЛАЖДЕНИЯ В ФИЛЬТР) (СЕРИЙНЫЙ НОМЕР 562313001 - 562314899)

1Артикул: 6670250, OIL COOLER
2Артикул: 6519187, ELBOW W/Ref. 3
3Артикул: 79K12, O RING 10 flat boss face
Подробнее >
СХЕМА ГИДРАВЛИЧЕСКОЙ СИСТЕМЫ (ДЖОЙСТИК УПРАВЛЕНИЯ СТАНДАРТНЫЙ)

СХЕМА ГИДРАВЛИЧЕСКОЙ СИСТЕМЫ (ДЖОЙСТИК УПРАВЛЕНИЯ СТАНДАРТНЫЙ)

1Артикул: 6667722, JOYSTICK, RH See Illustration R.H. JOYSTICK CONTROLS/ B14601 - RH W/Switch
2Артикул: 6667721, JOYSTICK See Illustration L.H. JOYSTICK CONTROLS/ B14600 - LH - W/O Switch
3Артикул: 1CM625, BOLT
Подробнее >
ЦИЛИНДР ОТВАЛА (СЕРИЙНЫЙ НОМЕР 562320001 И ВЫШЕ, 517811001 И ВЫШЕ)

ЦИЛИНДР ОТВАЛА (СЕРИЙНЫЙ НОМЕР 562320001 И ВЫШЕ, 517811001 И ВЫШЕ)

1Артикул: CYLINDER, CYLINDER NLA - Ref. 2-16 - W/.875-- rod threads- order 6810615 - Was 6805835 - A
2Артикул: 6815910, CYLINDER Ref. 2-16 - W/1.0 - Was 6810615 - A
3Артикул: ROD, ROD NLA - .875 threads - order 6810616 , 6810749 piston, 92016 nut, 6536642 seal and 54K030130B O-ring - Was 6805991 - A
Подробнее >
СХЕМА ГИДРАВЛИЧЕСКОЙ СИСТЕМЫ (СТРЕЛА И РУКОЯТЬ)

СХЕМА ГИДРАВЛИЧЕСКОЙ СИСТЕМЫ (СТРЕЛА И РУКОЯТЬ)

1Артикул: 1CM640, SCREW
2Артикул: 6535422, COVER Clamp
3Артикул: 6578870, CLAMP
Подробнее >
СХЕМА ГИДРАВЛИЧЕСКОЙ СИСТЕМЫ (С КЛАПАНА В РУКОЯТЬ В СТРЕЛУ В КОВШ ВО ВСПОМОГАТЕЛЬНОЕ УСТРОЙСТВО)

СХЕМА ГИДРАВЛИЧЕСКОЙ СИСТЕМЫ (С КЛАПАНА В РУКОЯТЬ В СТРЕЛУ В КОВШ ВО ВСПОМОГАТЕЛЬНОЕ УСТРОЙСТВО)

1Артикул: 6669612, VALVE See Illustration CONTROL VALVE ASSY./ B17546
2Артикул: 16KB0608, FITTING, HYD CONNECTOR W/Ref. 3 - Was 6587170 - A
3Артикул: 79K8, O RING 10 flat boss face
Подробнее >
СХЕМА ГИДРАВЛИЧЕСКОЙ СИСТЕМЫ (ОТВАЛ И ПОВОРОТ) (СЕРИЙНЫЙ НОМЕР 562313001 - 562319999)

СХЕМА ГИДРАВЛИЧЕСКОЙ СИСТЕМЫ (ОТВАЛ И ПОВОРОТ) (СЕРИЙНЫЙ НОМЕР 562313001 - 562319999)

1Артикул: 6669612, VALVE See Illustration CONTROL VALVE ASSY./ B17546
2Артикул: 6801398, CONNECTOR W/Ref. 12
3Артикул: COVER, COVER NLA - 25-- long - Order Ref. 16
Подробнее >
ПОВОРОТНОЕ СОЕДИНЕНИЕ (СЕРИЙНЫЙ НОМЕР 517811885 И ВЫШЕ)

ПОВОРОТНОЕ СОЕДИНЕНИЕ (СЕРИЙНЫЙ НОМЕР 517811885 И ВЫШЕ)

1Артикул: SWIVEL, SWIVEL JOINT See BTIE-079 - NLA - W/Ref. 2 - 13 - Was 6807281 - A
2Артикул: SWIVEL, SWIVEL JOINT See BTIE-079 - NLA - W/Ref. 2 - 13
3Артикул: HOUSING, HOUSING NLA - See BTI 069 for complete swivel assy - Was 6807005 - A
Подробнее >
ПОВОРОТНОЕ СОЕДИНЕНИЕ (СЕРИЙНЫЙ НОМЕР 562320646 И ВЫШЕ)

ПОВОРОТНОЕ СОЕДИНЕНИЕ (СЕРИЙНЫЙ НОМЕР 562320646 И ВЫШЕ)

1Артикул: SWIVEL, SWIVEL JOINT See BTIE-079 NLA - Ref. 2-13 - Was 6807281 - A
2Артикул: HOUSING, HOUSING NLA - Was 6807282 - A
3Артикул: 6805947, ROTOR Was 6804861 - A
Подробнее >
ЦИЛИНДР СТРЕЛЫ

ЦИЛИНДР СТРЕЛЫ

1Артикул: 6804471, CYLINDER W/Ref. 2-15 - Also Order Ref. 16
2Артикул: 6804515, ROD Was 6589366 - A
3Артикул: 6586721, HEAD
Подробнее >
РАСПРЕДЕЛИТЕЛЬ В СБОРЕ

РАСПРЕДЕЛИТЕЛЬ В СБОРЕ

1Артикул: 6669612, VALVE W/Ref. 2-31
2Артикул: 6670574, VALVE See Illustration VALVE SECTION/ B14902 - Section - Boost
3Артикул: 6670569, VALVE See Illustration VALVE SECTION/ B14899 - Section - Blade - For S/N 5623 13001 - 16215 - Also Order (1) 6671699
Подробнее >
КЛАПАН АККУМУЛЯТОРА (СЕРИЙНЫЙ НОМЕР 562320721 И ВЫШЕ, 517811978 И ВЫШЕ)

КЛАПАН АККУМУЛЯТОРА (СЕРИЙНЫЙ НОМЕР 562320721 И ВЫШЕ, 517811978 И ВЫШЕ)

1Артикул: 6675141, VALVE Assy. - W/Ref. 2-13
2Артикул: 6675350, VALVE Pressure Reducing W/Ref. 3
3Артикул: 6675354, O-RING
Подробнее >
ПОВОРОТНОЕ СОЕДИНЕНИЕ (СЕРИЙНЫЙ НОМЕР 562320001 - 562320645)

ПОВОРОТНОЕ СОЕДИНЕНИЕ (СЕРИЙНЫЙ НОМЕР 562320001 - 562320645)

1Артикул: SWIVEL, SWIVEL JOINT See BTIE-079 - NLA - W/Ref. 2 - 13-Order 6807281 & hoses (2) 6675531 , (2) 6675532 - Was 6805945 - A
2Артикул: HOUSING, HOUSING NLA - Order 6807282 & hoses (2) 6675531 & (2) 6675532 - Was 6805963 - A
3Артикул: 6805947, ROTOR
Подробнее >
СЕКЦИЯ РАСПРЕДЕЛИТЕЛЯ (НАДУВ)

СЕКЦИЯ РАСПРЕДЕЛИТЕЛЯ (НАДУВ)

1Артикул: 6670574, VALVE Section - Boost - W/Ref. 2-19 - Was 6665453 - D
2Артикул: 6665439, SCREW
3Артикул: 6665442, PLATE
Подробнее >
ПОВОРОТНОЕ СОЕДИНЕНИЕ (СЕРИЙНЫЙ НОМЕР 562313001 - 56231999)

ПОВОРОТНОЕ СОЕДИНЕНИЕ (СЕРИЙНЫЙ НОМЕР 562313001 - 56231999)

1Артикул: 6803396, SWIVEL JOINT W/Ref. 2-11 - Was 6800517 - A
2Артикул: 6664900, HOUSING
3Артикул: O-RING, O-RING NLA
Подробнее >