+7 (701) 588 50 05 Телефон для связи
RU

WhatsApp

Позвонить

ГИДРАВЛИЧЕСКАЯ СИСТЕМА в Алматы

КЛАПАН РЕГУЛИРОВКИ ПОЛОЖЕНИЯ КОВША

КЛАПАН РЕГУЛИРОВКИ ПОЛОЖЕНИЯ КОВША

1Артикул: VALVE, VALVE NLA - Order 6673959 valve - if loader is not equipped with an on/off switch, Also Order 6647784 plug, 79K8 O-ring, 6647785 spring & 6647783 load check - Was 6666341 - A
2Артикул: 6647784, PLUG W/Ref. 3
3Артикул: 79K10, O RING 10
Подробнее >
РЕГУЛИРУЮЩИЙ КЛАПАН (BOBCAT)

РЕГУЛИРУЮЩИЙ КЛАПАН (BOBCAT)

1Артикул: VALVE, VALVE NLA - Ref. 2-49 - Order 6802997 - SEE NOTE - Was 6586289 - A
2Артикул: SHORT, SHORT BLOCK NLA - Ref. 2-10, & 37 - SEE NOTE - Order Ref. 1 - Was 6537937 - A
3Артикул: 6588165, SCREW Was 73G000410B - B
Подробнее >
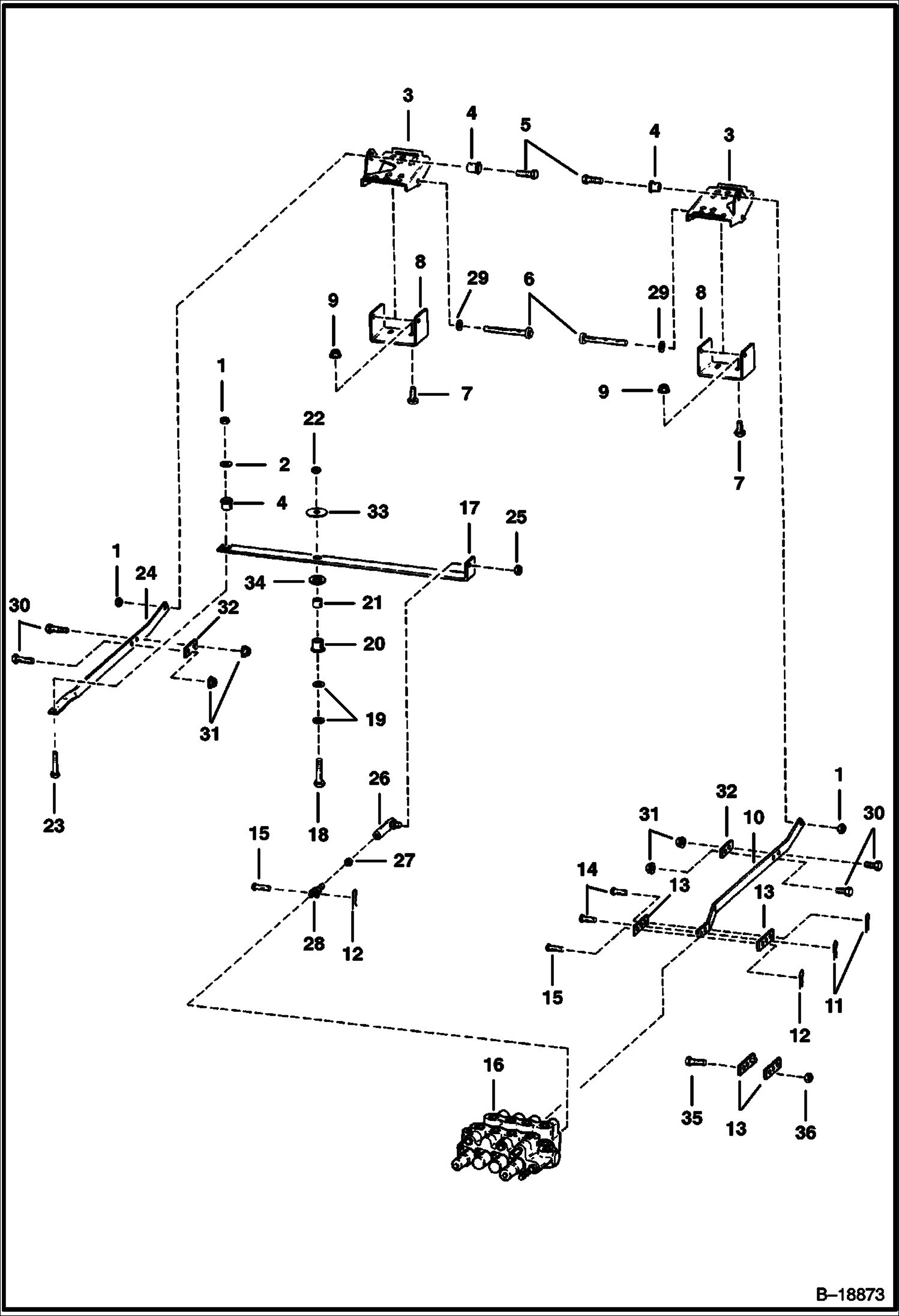
СХЕМА ГИДРАВЛИЧЕСКОЙ СИСТЕМЫ

СХЕМА ГИДРАВЛИЧЕСКОЙ СИСТЕМЫ

1Артикул: 6543063, HOSE
2Артикул: CYLINDER, CYLINDER See Illustration LIFT CYLINDER/ B18253 - lift
3Артикул: 11H25, FITTING10
Подробнее >
АВЛИЧЕСКИЙ РЕГУЛИРУЮЩИЙ КЛАПАН (РЕЗЕРВНЫЙ КЛАПАН - СОЕДИНЕНИЯ МИНУС)

АВЛИЧЕСКИЙ РЕГУЛИРУЮЩИЙ КЛАПАН (РЕЗЕРВНЫЙ КЛАПАН - СОЕДИНЕНИЯ МИНУС)

1Артикул: VALVE,, VALVE, CONTROL SERVICE NLA - Order components - Ref. 2 - 44 - Before ordering repair parts, make sure that this is the correct style Valve. Valve shown here uses flat boot retainers, Ref. 5, which fit above protruding spool seal retainer - Was 6802997 - A
2Артикул: 29G412, BOLT
3Артикул: 54K20002, O-RING 10
Подробнее >
ЦИЛИНДР НАКЛОНА

ЦИЛИНДР НАКЛОНА

1Артикул: 6539808, CYLINDER, TILT tilt - Ref. 2-18 & 20 - Was 6592584 - A
2Артикул: 6592593, CASE
3Артикул: 6810539, NUT Was 6804592 - A
Подробнее >
ОРГАНЫ УПРАВЛЕНИЯ

ОРГАНЫ УПРАВЛЕНИЯ

1Артикул: 85D6, NUT, 5
2Артикул: 6563914, WASHER
3Артикул: 7115219, PEDAL Was 6726680 - A
Подробнее >
ЦИЛИНДР ПОДЪЕМА

ЦИЛИНДР ПОДЪЕМА

1Артикул: 6529692, CYLINDER lift - Ref. 2-14 - Was 6592991 - A
2Артикул: 6529695, CASE Also Order 6529690 Tube - Was 6592996 - A
3Артикул: 92D12, NUT Was 86D000012B - B
Подробнее >