+7 (701) 588 50 05 Телефон для связи
RU

WhatsApp

Позвонить

ГИДРАВЛИЧЕСКАЯ СИСТЕМА в Алматы

ОРГАНЫ УПРАВЛЕНИЯ

ОРГАНЫ УПРАВЛЕНИЯ

1Артикул: 17C610, BOLT
2Артикул: 6707056, PEDAL
3Артикул: 6598906, BUSHING nylon
Подробнее >
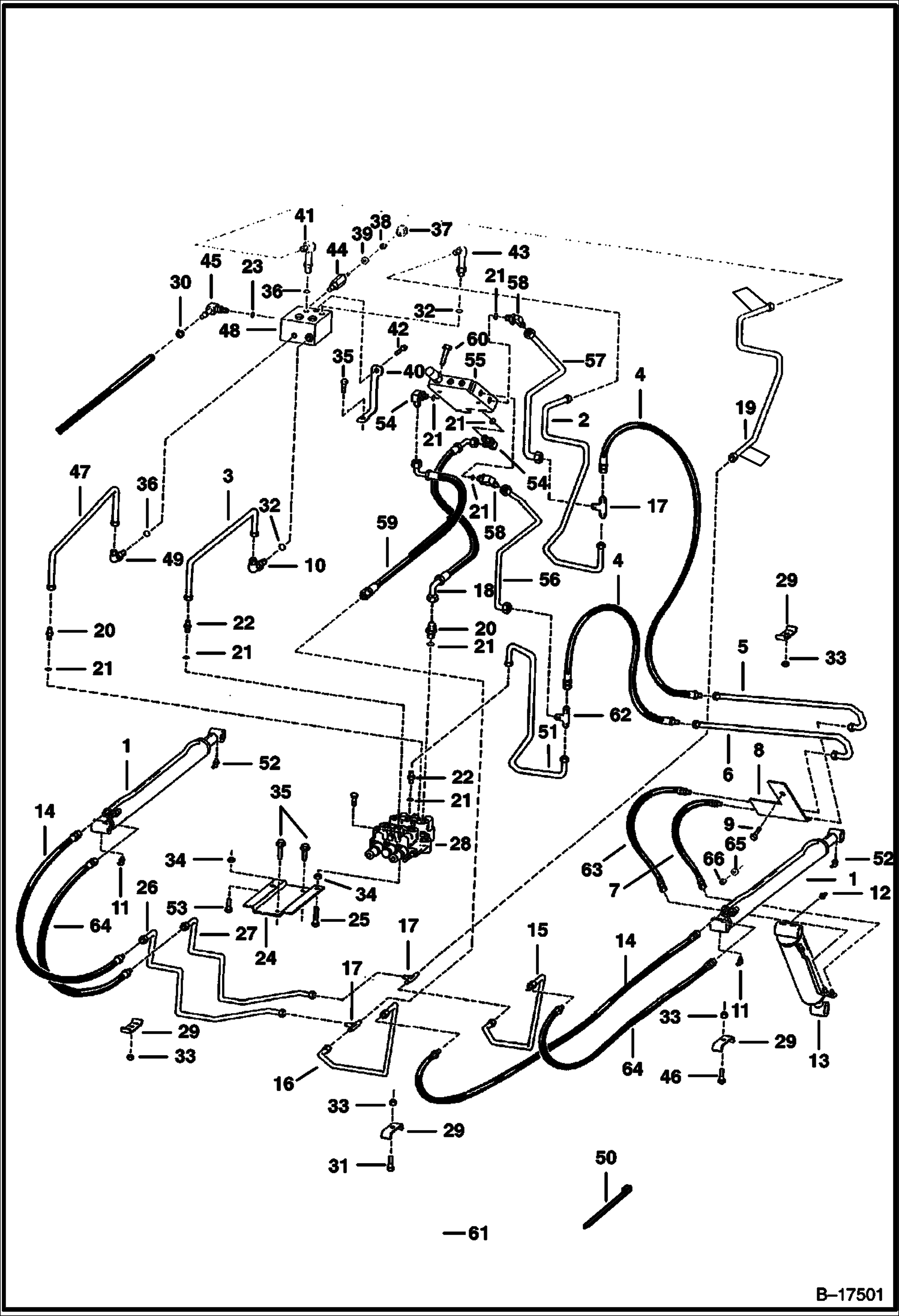
СХЕМА ГИДРАВЛИЧЕСКОЙ СИСТЕМЫ (БЕЗ КЛАПАНА РЕГУЛТРОВКИ ПОЛОЖЕНИЯ КОВША)

СХЕМА ГИДРАВЛИЧЕСКОЙ СИСТЕМЫ (БЕЗ КЛАПАНА РЕГУЛТРОВКИ ПОЛОЖЕНИЯ КОВША)

1Артикул: CYLINDER, CYLINDER See Illustration LIFT CYLINDER/ B6942 LIFT
2Артикул: 6706867, TUBELINE
3Артикул: 6706868, TUBELINE
Подробнее >
МОДУЛЬ СИСТЕМЫ БЛОКИРОВКИ УПРАВЛЕНИЯ (BICS)

МОДУЛЬ СИСТЕМЫ БЛОКИРОВКИ УПРАВЛЕНИЯ (BICS)

1Артикул: 6665385, VALVE BICS - W/ Ref. 2-15
2Артикул: 6665610, VALVE PDI
3Артикул: 6665612, SEAL KIT
Подробнее >
ЦИЛИНДР ПОДЪЕМА

ЦИЛИНДР ПОДЪЕМА

1Артикул: CYLINDER, CYLINDER NLA - Ref. 2-17 - Order 6812771 - Was 6808340 - A
2Артикул: 6812771, CYLINDER
3Артикул: 6587792, CASE for 6808340 Cylinder
Подробнее >
СХЕМА ГИДРАВЛИЧЕСКОЙ СИСТЕМЫ (С КЛАПАНОМ РЕГУЛИРОВКИ ПОЛОЖЕНИЯ КОВША)

СХЕМА ГИДРАВЛИЧЕСКОЙ СИСТЕМЫ (С КЛАПАНОМ РЕГУЛИРОВКИ ПОЛОЖЕНИЯ КОВША)

1Артикул: CYLINDER, CYLINDER See Illustration LIFT CYLINDER/ B6942 LIFT
2Артикул: 6706867, TUBELINE
3Артикул: 6706868, TUBELINE
Подробнее >
КЛАПАН РЕГУЛИРОВКИ ПОЛОЖЕНИЯ КОВША

КЛАПАН РЕГУЛИРОВКИ ПОЛОЖЕНИЯ КОВША

1Артикул: 6665920, VALVE Ref. 2-24
2Артикул: BODY, BODY NSS
3Артикул: 6647783, LOAD CHECK
Подробнее >
ЦИЛИНДР НАКЛОНА

ЦИЛИНДР НАКЛОНА

1Артикул: 6815798, CYLINDER, TILT Ref. 2-13, 16 & 18-20 - Was 6815746 - A
2Артикул: 6808668, CASE
3Артикул: 92D14, NUT
Подробнее >
ГИДРАВЛИЧЕСКИЙ КЛАПАН

ГИДРАВЛИЧЕСКИЙ КЛАПАН

1Артикул: VALVE, VALVE See Illustration HYDRAULIC CONTROL VALVE/ E2310 See BTI347 NLA - Ref. 2 - 53 - Was 6809302 - A
2Артикул: 29G412, BOLT
3Артикул: 6678573, VALVE relief - white - W/Ref. 12-14 - Was 6676946 - A
Подробнее >
ГИДРАВЛИЧЕСКИЙ РЕГУЛИРУЮЩИЙ КЛАПАН

ГИДРАВЛИЧЕСКИЙ РЕГУЛИРУЮЩИЙ КЛАПАН

1Артикул: VALVE, VALVE ASSY (SERVICE) See BTI347 NLA - Ref. 2 - 55 - Was 6815477
2Артикул: 7229297, VALVE, CONTROL SERVICE See BTI347 Ref. 2 - 55
3Артикул: 29G412, BOLT
Подробнее >
ДОПОЛНИТЕЛЬНАЯ ГИДРАВЛИКА

ДОПОЛНИТЕЛЬНАЯ ГИДРАВЛИКА

1Артикул: 84G3712, BOLT 5
2Артикул: 6728013, HOSE
3Артикул: 6711637, TUBELINE
Подробнее >