+7 (701) 588 50 05 Телефон для связи
RU

WhatsApp

Позвонить

ГИДРАВЛИЧЕСКАЯ СИСТЕМА в Алматы

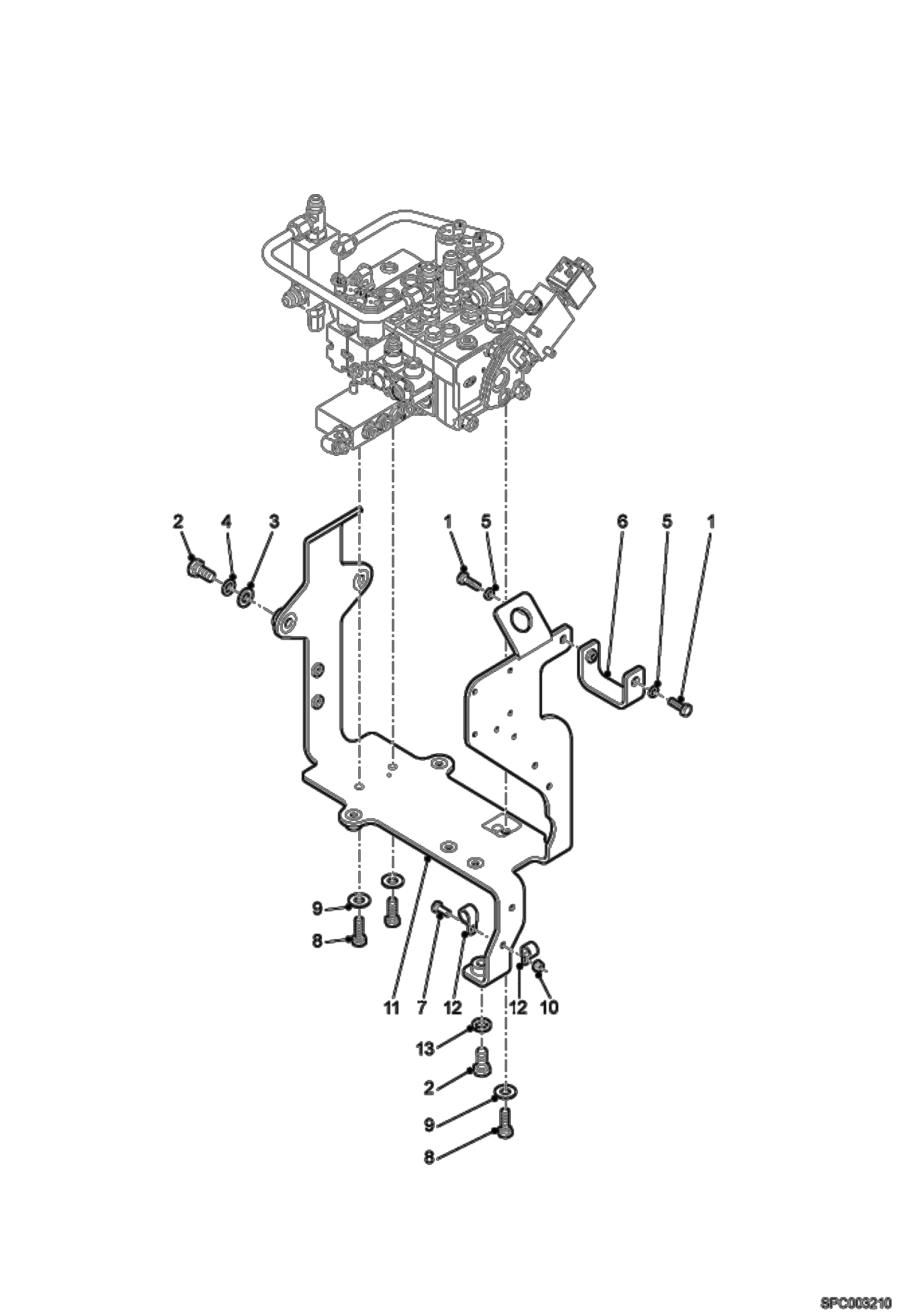
СХЕМА ГИДРАВЛИЧЕСКОЙ СИСТЕМЫ (ФИКСАЦИЯ РЕГУЛИРУЮЩЕГО КЛАПАНА) (СЕРИЙНЫЙ НОМЕР AC1911001 - AC1911251)

СХЕМА ГИДРАВЛИЧЕСКОЙ СИСТЕМЫ (ФИКСАЦИЯ РЕГУЛИРУЮЩЕГО КЛАПАНА) (СЕРИЙНЫЙ НОМЕР AC1911001 - AC1911251)

1Артикул: 4CM825, BOLT Was 01597.4 - B
2Артикул: 01611.3, Screw
3Артикул: 1EM120, WASHER Was 01699.8 - B
Подробнее >
ПРЕДОХРАНИТЕЛЬНЫЙ КЛАПАН

ПРЕДОХРАНИТЕЛЬНЫЙ КЛАПАН

1Артикул: 6918850, VALVE, SAFETY Ref. 2-23
2Артикул: 7015559, SCREW
3Артикул: 7015560, SPRING
Подробнее >
СЕКЦИЯ РЕГУЛИРУЮЩЕГО КЛАПАНА (ТЕЛЕСКОПИЧЕСКИЙ ПОГРУЗЧИК) СЕРИЙНЫЙ НОМЕР AC1915365 И ВЫШЕ

СЕКЦИЯ РЕГУЛИРУЮЩЕГО КЛАПАНА (ТЕЛЕСКОПИЧЕСКИЙ ПОГРУЗЧИК) СЕРИЙНЫЙ НОМЕР AC1915365 И ВЫШЕ

1Артикул: 7031592, SECTION WORKING telescope - Ref. 2-29
2Артикул: 6685300, VALVE Ref. 15 & 27-28
3Артикул: NUT, NUT NLA - Order Ref. 1
Подробнее >
СЕКЦИЯ РЕГУЛИРУЮЩЕГО КЛАПАНА (СЕКЦИЯ ВСПОМОГАТЕЛЬНЫХ ГИДРАВЛИЧЕСКИХ МЕХАНИЗМОВ) (СЕРИЙНЫЙ НОМЕР AC1911001 - AC1911251)

СЕКЦИЯ РЕГУЛИРУЮЩЕГО КЛАПАНА (СЕКЦИЯ ВСПОМОГАТЕЛЬНЫХ ГИДРАВЛИЧЕСКИХ МЕХАНИЗМОВ) (СЕРИЙНЫЙ НОМЕР AC1911001 - AC1911251)

1Артикул: 6924960, AUXILIARY SECTION ASSY auxiliary section
2Артикул: 6921044, SPOOL
3Артикул: 6921057, WORKING SECTION KIT
Подробнее >
РЕГУЛИРУЮЩИЙ КЛАПАН (СЕРИЙНЫЙ НОМЕР AC1911252 И ВЫШЕ)

РЕГУЛИРУЮЩИЙ КЛАПАН (СЕРИЙНЫЙ НОМЕР AC1911252 И ВЫШЕ)

1Артикул: 6926273, MAIN VALVE Ref. 2-15
2Артикул: 7019153, KIT FULL INLET SECTION See Illustration CONTROL VALVE SECTION/ EM9202 inlet
3Артикул: 7019155, KIT FULL WORKING SECTION See Illustration CONTROL VALVE SECTION/ EM9203 lift
Подробнее >
ЦИЛИНДР ПОДЪЕМА

ЦИЛИНДР ПОДЪЕМА

1Артикул: 6920427, LIFTING RAM W/Ref. 2-7
2Артикул: 6921000, SET OF SEALS
3Артикул: 6921001, RAM CYLINDER
Подробнее >
АВАРИЙНЫЙ ОГРАНИЧИТЕЛЬ ХОДА СТРЕЛЫ (AMA) - МОНТАЖ (КЛАПАН) (СЕРИЙНЫЙ НОМЕР AC1915000 И ВЫШЕ)

АВАРИЙНЫЙ ОГРАНИЧИТЕЛЬ ХОДА СТРЕЛЫ (AMA) - МОНТАЖ (КЛАПАН) (СЕРИЙНЫЙ НОМЕР AC1915000 И ВЫШЕ)

1Артикул: 6932960, VALVE, AMA W/Ref. 2-7
2Артикул: 7020877, COIL SOLENOID
3Артикул: 7020881, SOLENOID
Подробнее >
ТЕЛЕСКОПИЧЕСКИЙ ЦИЛИНДР

ТЕЛЕСКОПИЧЕСКИЙ ЦИЛИНДР

1Артикул: 6921439, TELESCOPIC CYLINDER W/Ref. 2-8
2Артикул: 7022165, KIT, SEAL Was 6921006 - A
3Артикул: 6921007, RAM CYLINDER
Подробнее >
РЕГУЛИРУЮЩИЙ КЛАПАН СЕРИЙНЫЙ НОМЕР AC195365 И ВЫШЕ

РЕГУЛИРУЮЩИЙ КЛАПАН СЕРИЙНЫЙ НОМЕР AC195365 И ВЫШЕ

1Артикул: 6936164, DISTRIBUTEUR DPX100 Ref. 2-15
2Артикул: 7019153, KIT FULL INLET SECTION inlet
3Артикул: 7019155, KIT FULL WORKING SECTION lift
Подробнее >
СХЕМА ГИДРАВЛИЧЕСКОЙ СИСТЕМЫ (РЕГУЛИРУЮЩИЙ КЛАПАН) (СЕРИЙНЫЙ НОМЕР AC1911252 - AC1914999)

СХЕМА ГИДРАВЛИЧЕСКОЙ СИСТЕМЫ (РЕГУЛИРУЮЩИЙ КЛАПАН) (СЕРИЙНЫЙ НОМЕР AC1911252 - AC1914999)

1Артикул: 1CM820, BOLT Was 01596.6 - B
2Артикул: 01598.2, SCREW
3Артикул: 01681.6, Nut Was 51851.4 - B
Подробнее >
СХЕМА ГИДРАВЛИЧЕСКОЙ СИСТЕМЫ (РЕГУЛИРУЮЩИЙ КЛАПАН) (СЕРИЙНЫЙ НОМЕР AC1911001 - AC1911251)

СХЕМА ГИДРАВЛИЧЕСКОЙ СИСТЕМЫ (РЕГУЛИРУЮЩИЙ КЛАПАН) (СЕРИЙНЫЙ НОМЕР AC1911001 - AC1911251)

1Артикул: 000326-25M, SCREW
2Артикул: 01598.2, SCREW
3Артикул: 1CM1016, SCREW Was 01603.0 - B
Подробнее >
СЕКЦИЯ РЕГУЛИРУЮЩЕГО КЛАПАНА (ВСПОМОГАТЕЛЬНОЕ УСТРОЙСТВО) СЕРИЙНЫЙ НОМЕР AC1915365 И ВЫШЕ

СЕКЦИЯ РЕГУЛИРУЮЩЕГО КЛАПАНА (ВСПОМОГАТЕЛЬНОЕ УСТРОЙСТВО) СЕРИЙНЫЙ НОМЕР AC1915365 И ВЫШЕ

1Артикул: 7031594, SECTION WORKING auxiliary - Ref. 2-25
2Артикул: 6921044, SPOOL
3Артикул: SPRING, SPRING NLA - Order Ref. 1
Подробнее >
ЦИЛИНДР КОМПЕНСАЦИИ

ЦИЛИНДР КОМПЕНСАЦИИ

1Артикул: 6920426, RAM W/Ref. 2-8
2Артикул: 6912993, SET OF SEALS
3Артикул: 6912994, RAM CYLINDER
Подробнее >
СЕКЦИЯ РЕГУЛИРУЮЩЕГО КЛАПАНА (ВПУСКНОЕ ОТВЕРСТИЕ) (СЕРИЙНЫЙ НОМЕР AC1911252 И ВЫШЕ)

СЕКЦИЯ РЕГУЛИРУЮЩЕГО КЛАПАНА (ВПУСКНОЕ ОТВЕРСТИЕ) (СЕРИЙНЫЙ НОМЕР AC1911252 И ВЫШЕ)

1Артикул: 7019153, KIT FULL INLET SECTION inlet - Ref. 2-8
2Артикул: PLUG, PLUG NAP - Order Ref. 4
3Артикул: KIT, KIT SPOOL NLA- Order Ref. 4 - Was 7023764 - D
Подробнее >
ЦИЛИНДР НАКЛОНА

ЦИЛИНДР НАКЛОНА

1Артикул: 6922428, TILT CYLINDER W/Ref. 2-10
2Артикул: 6921011, SET OF SEALS
3Артикул: 6921012, RAM CYLINDER
Подробнее >
СЕКЦИЯ РЕГУЛИРУЮЩЕГО КЛАПАНА (НАКЛОН) (СЕРИЙНЫЙ НОМЕР AC1911252 И ВЫШЕ)

СЕКЦИЯ РЕГУЛИРУЮЩЕГО КЛАПАНА (НАКЛОН) (СЕРИЙНЫЙ НОМЕР AC1911252 И ВЫШЕ)

1Артикул: 7019156, KIT FULL WORKING SECTION tilt - Ref. 2-24
2Артикул: 7011911, KIT COMMAND CYLINDER ALONE Ref. 4-10
3Артикул: 6921042, SPOOL
Подробнее >
СЕКЦИЯ РЕГУЛИРУЮЩЕГО КЛАПАНА (ПОДЪЕМНОЕ УСТРОЙСТВО) (СЕРИЙНЫЙ НОМЕР AC1911252 И ВЫШЕ)

СЕКЦИЯ РЕГУЛИРУЮЩЕГО КЛАПАНА (ПОДЪЕМНОЕ УСТРОЙСТВО) (СЕРИЙНЫЙ НОМЕР AC1911252 И ВЫШЕ)

1Артикул: 7019155, KIT FULL WORKING SECTION lift - Ref. 2-30
2Артикул: SCREW, SCREW NLA - Order Ref. 26
3Артикул: PLUG, PLUG NLA - Order Ref. 25
Подробнее >
СХЕМА ГИДРАВЛИЧЕСКОЙ СИСТЕМЫ (ОХЛАЖДЕНИЕ)

СХЕМА ГИДРАВЛИЧЕСКОЙ СИСТЕМЫ (ОХЛАЖДЕНИЕ)

1Артикул: 1CM820, BOLT Was 01596.6 - B
2Артикул: 30H84, CLAMP
3Артикул: 010370-91X, ELBOW 90 1.5/16JIC 5/16UNF
Подробнее >
СЕКЦИЯ РЕГУЛИРУЮЩЕГО КЛАПАНА (ТЕЛЕСКОПИЧЕСКИЙ ПОГРУЗЧИК) (СЕРИЙНЫЙ НОМЕР AC1911252 И ВЫШЕ)

СЕКЦИЯ РЕГУЛИРУЮЩЕГО КЛАПАНА (ТЕЛЕСКОПИЧЕСКИЙ ПОГРУЗЧИК) (СЕРИЙНЫЙ НОМЕР AC1911252 И ВЫШЕ)

1Артикул: 7019157, KIT FULL WORKING SECTION telescope - Ref. 2-30
2Артикул: 6921047, SPOOL COMMAND WITH COIL Ref. 3-14
3Артикул: NUT, NUT NLA - Order Ref. 2
Подробнее >
СЕКЦИЯ РЕГУЛИРУЮЩЕГО КЛАПАНА (ТЕЛЕСКОПИЧЕСКАЯ СЕКЦИЯ) (СЕРИЙНЫЙ НОМЕР AC1911001 - AC1911251)

СЕКЦИЯ РЕГУЛИРУЮЩЕГО КЛАПАНА (ТЕЛЕСКОПИЧЕСКАЯ СЕКЦИЯ) (СЕРИЙНЫЙ НОМЕР AC1911001 - AC1911251)

1Артикул: 6924976, TELESCOPE SECTION ASSY telescope section
2Артикул: 6924973, SPOOL
3Артикул: 6921057, WORKING SECTION KIT
Подробнее >
СЕКЦИЯ РЕГУЛИРУЮЩЕГО КЛАПАНА (ВЫХОДНОЙ ПАТРУБОК) (СЕРИЙНЫЙ НОМЕР AC1911252 И ВЫШЕ)

СЕКЦИЯ РЕГУЛИРУЮЩЕГО КЛАПАНА (ВЫХОДНОЙ ПАТРУБОК) (СЕРИЙНЫЙ НОМЕР AC1911252 И ВЫШЕ)

1Артикул: 7011903, KIT OUTLET SECTION outlet - Ref. 2-9
2Артикул: BODY, BODY NLA - Order Ref. 1
3Артикул: 6679600, PLUG
Подробнее >
СТОЯНОЧНЫЙ ТОРМОЗ

СТОЯНОЧНЫЙ ТОРМОЗ

1Артикул: 6916931, HAND BRAKE CONTROL Ref. 2-10
2Артикул: VALVE, VALVE ASSY NLA - W/Ref. 4 & 9 - Order Ref. 1 - Was 7252501 - A
3Артикул: 7252502, LEVER
Подробнее >
СЕКЦИЯ РЕГУЛИРУЮЩЕГО КЛАПАНА (СЕКЦИЯ НАКЛОНА) (СЕРИЙНЫЙ НОМЕР AC1911001 - AC1911251)

СЕКЦИЯ РЕГУЛИРУЮЩЕГО КЛАПАНА (СЕКЦИЯ НАКЛОНА) (СЕРИЙНЫЙ НОМЕР AC1911001 - AC1911251)

1Артикул: 6924977, TILT SECTION ASSY tilt section
2Артикул: 6921042, SPOOL
3Артикул: 6921056, WORKING SECTION KIT
Подробнее >
СЕКЦИЯ РЕГУЛИРУЮЩЕГО КЛАПАНА (ВСПОМОГАТЕЛЬНОЕ УСТРОЙСТВО) (СЕРИЙНЫЙ НОМЕР AC1911252 И ВЫШЕ)

СЕКЦИЯ РЕГУЛИРУЮЩЕГО КЛАПАНА (ВСПОМОГАТЕЛЬНОЕ УСТРОЙСТВО) (СЕРИЙНЫЙ НОМЕР AC1911252 И ВЫШЕ)

1Артикул: 7019158, KIT FULL WORKING SECTION auxiliary - Ref. 2-26
2Артикул: 6921048, SPOOL COMMAND WITH COIL Ref. 3-12
3Артикул: SPRING, SPRING NLA - Order Ref. 2
Подробнее >
ГИДРАВЛИЧЕСКИЙ КОЛЛЕКТОР

ГИДРАВЛИЧЕСКИЙ КОЛЛЕКТОР

1Артикул: 6927238, MANIFOLD W/Ref. 2-11
2Артикул: 7011887, KIT, SEAL
3Артикул: 6679078, SEAL KIT Was 7011888 - A
Подробнее >
СХЕМА ГИДРАВЛИЧЕСКОЙ СИСТЕМЫ (РЕГУЛИРУЮЩИЙ КЛАПАН) (СЕРИЙНЫЙ НОМЕР AC1915000 И ВЫШЕ)

СХЕМА ГИДРАВЛИЧЕСКОЙ СИСТЕМЫ (РЕГУЛИРУЮЩИЙ КЛАПАН) (СЕРИЙНЫЙ НОМЕР AC1915000 И ВЫШЕ)

1Артикул: 1CM820, BOLT Was 01596.6 - B
2Артикул: 01598.2, SCREW
3Артикул: 53DM8, NUT Was 51851.4 - A
Подробнее >