+7 (701) 588 50 05 Телефон для связи
RU

WhatsApp

Позвонить

ГИДРАВЛИЧЕСКАЯ СИСТЕМА в Алматы

ВСПОМОГАТЕЛЬНЫЕ ГИДРАВЛИЧЕСКИЕ МЕХАНИЗМЫ СЕРИЙНЫЙ НОМЕР 12001 И ВЫШЕ

ВСПОМОГАТЕЛЬНЫЕ ГИДРАВЛИЧЕСКИЕ МЕХАНИЗМЫ СЕРИЙНЫЙ НОМЕР 12001 И ВЫШЕ

1Артикул: 6558484, HOSE
2Артикул: 6558414, TUBE
3Артикул: 6558415, TUBE Was 6558730 - A
Подробнее >
ВСПОМОГАТЕЛЬНЫЕ ГИДРАВЛИЧЕСКИЕ МЕХАНИЗМЫ СЕРИЙНЫЙ НОМЕР 11999 И НИЖЕ

ВСПОМОГАТЕЛЬНЫЕ ГИДРАВЛИЧЕСКИЕ МЕХАНИЗМЫ СЕРИЙНЫЙ НОМЕР 11999 И НИЖЕ

1Артикул: 6553454, HOSE
2Артикул: 6554148, TUBE
3Артикул: 6554147, TUBE
Подробнее >
ПЕДАЛИ УСТРОЙСТВ УПРАВЛЕНИЯ СЕРИЙНЫЙ НОМЕР 11784 И НИЖЕ

ПЕДАЛИ УСТРОЙСТВ УПРАВЛЕНИЯ СЕРИЙНЫЙ НОМЕР 11784 И НИЖЕ

1Артикул: 6552711, BAR
2Артикул: 6515186, CONNECTOR
3Артикул: 6552669, PEDAL
Подробнее >
ГИДРОЦИЛИНДР ПОДЪЕМА СО СМЕННЫМ ПАТРУБКОМ - СЕРИЙНЫЙ НОМЕР 12001 И ВЫШЕ

ГИДРОЦИЛИНДР ПОДЪЕМА СО СМЕННЫМ ПАТРУБКОМ - СЕРИЙНЫЙ НОМЕР 12001 И ВЫШЕ

1Артикул: 6586671, CYLINDER, LIFT Was 6592962 - A
2Артикул: 6586674, TUBE, CASE CYL LIFT Was 6592621 - A
3Артикул: 92D12, NUT Was 86D000012B - B
Подробнее >
ЦИЛИНДР НАКЛОНА

ЦИЛИНДР НАКЛОНА

1Артикул: CYLINDER, CYLINDER See BTI167 NLA - ORDER 6589331 CYLINDER - WAS 6553161 - A
2Артикул: CASE, CASE NLA - Order 6589331 Cylinder - Was 6592038 - A
3Артикул: 62D18, NUT
Подробнее >
ГИДРОЦИЛИНДР ПОДЪЕМА СЕРИЙНЫЙ НОМЕР 11999 И ВЫШЕ

ГИДРОЦИЛИНДР ПОДЪЕМА СЕРИЙНЫЙ НОМЕР 11999 И ВЫШЕ

1Артикул: 6553162, CYLINDER
2Артикул: 6553235, CASE Was NLA - D
3Артикул: 92D12, NUT Was 86D000012B - B
Подробнее >
ГИДРАВЛИЧЕСКИЙ КЛАПАН

ГИДРАВЛИЧЕСКИЙ КЛАПАН

1Артикул: VALVE, VALVE NLA - 34573-AAA
2Артикул: 6562031, VALVE 34573-AAP
3Артикул: 6632473, PLUG W/Ref. 3 - Was 947754B - A
Подробнее >
СХЕМА ГИДРАВЛИЧЕСКОЙ СИСТЕМЫ

СХЕМА ГИДРАВЛИЧЕСКОЙ СИСТЕМЫ

1Артикул: CYLINDER, CYLINDER See Illustration LIFT CYLINDER/ B21375 See Illustration LIFT CYLINDER/ B2206 LIFT
2Артикул: 6553159, TUBE
3Артикул: 6553160, TUBE
Подробнее >
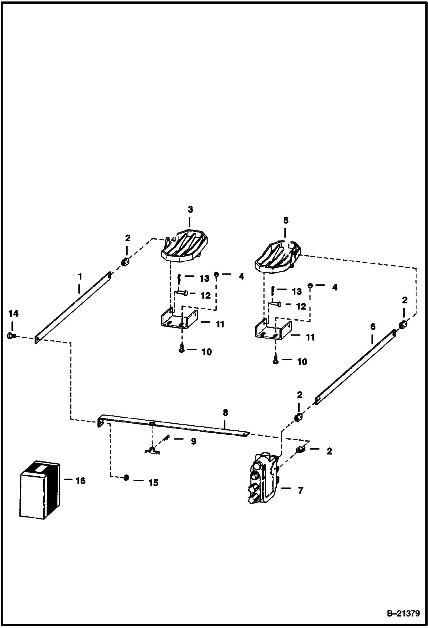
ПЕДАЛИ УПРАВЛЕНИЯ СЕРИЙНЫЙ НОМЕР 11785 И ВЫШЕ

ПЕДАЛИ УПРАВЛЕНИЯ СЕРИЙНЫЙ НОМЕР 11785 И ВЫШЕ

1Артикул: BAR, BAR NLA - Was 6558454 - A
2Артикул: 6515186, CONNECTOR
3Артикул: 6558451, PEDAL
Подробнее >
ЦИЛИНДРА НАКЛОНА СО СМЕННЫМ ПАТРУБКОМ

ЦИЛИНДРА НАКЛОНА СО СМЕННЫМ ПАТРУБКОМ

1Артикул: 6589331, CYLINDER, TILT tilt - Ref. 2 - 16
2Артикул: CASE, CASE NLA - Order 6589331 - Was 6589332 - A
3Артикул: 6803253, NUT Was 92D000018B - B
Подробнее >