ГИДРАВЛИЧЕСКАЯ СИСТЕМА в Алматы
СИСТЕМА УПРАВЛЕНИЯ ПОДЪЕМОМ
1Артикул: 21K5, TEE W/Ref. 3
2Артикул: 6707105, HOSE
3Артикул: 79K6, O RING 10
СОЛЕНОИДНЫЙ КЛАПАН
1Артикул: 6664958, VALVE Ref. 2 - 14
2Артикул: 6665489, ADAPTER
3Артикул: COIL, COIL NLA - W/O diode - Was 6667138 - A
ЦИЛИНДРА НАКЛОНА (БЕЗ ОТВЕРСТИЯ ДЛЯ СМАЗКИ ГОЛОВКИ ШАТУНА)
1Артикул: CYLINDER,, CYLINDER, TILT See Illustration TILT CYLINDER/ TS1098 NLA - Ref. 2-19 - before ordering repair parts, make sure this is the correct style cylinder - note the difference in the base end of the cylinder - Was 6539145 - A
2Артикул: CASE, CASE See Illustration TILT CYLINDER/ TS1098 NLA - 3.25-- (82,6 mm) ID - Was 6539147 - A
3Артикул: 6539146, PISTON
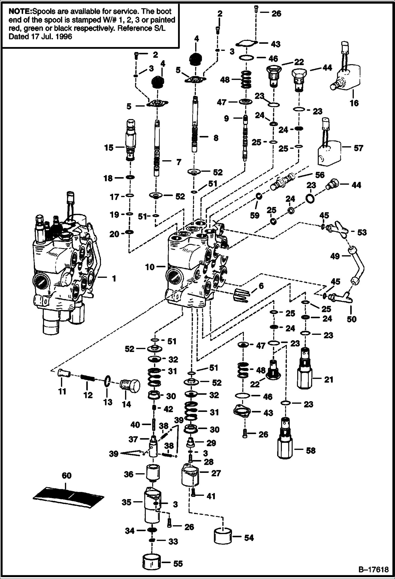
ГИДРАВЛИЧЕСКИЙ РЕГУЛИРУЮЩИЙ КЛАПАН
1Артикул: VALVE, VALVE See Illustration HYDRAULIC CONTROL VALVE/ B17617 See Illustration HYDRAULIC CONTROL VALVE/ E2255 See Illustration HYDRAULIC CONTROL VALVE/ B17618 See BTI307 NLA - Ref. 2 - 56 - W/SHORT SPOOLS - - BEFORE ORDERING REPAIR PARTS MAKE SURE THAT THIS IS THE CORRECT STYLE VALVE - ALSO Ref. VALVE VALVE SHOWN HERE USES FLAT BOOT RETAINERS, Ref. 5, WHICH FIT ABOVE PROTRUDING SPOOL SEAL, Ref. 54 - WAS 6597310 - A
2Артикул: 29G416, BOLT
3Артикул: 54K20002, O-RING 10
ОРГАНЫ УПРАВЛЕНИЯ
1Артикул: 95D6, NUT Was 91D000006B - A
2Артикул: 6563914, WASHER
3Артикул: 7115219, PEDAL Was 6726680 - A
ГИДРОЗАМОК ПОДЪЕМА
1Артикул: 6664850, VALVE Ref. 2-8
2Артикул: 6665490, VALVE
3Артикул: 6665609, CHECK VALVE
ЦИЛИНДР ПОДЪЕМА
1Артикул: 6537254, CYLINDER Ref. 2-7
2Артикул: 6537259, CASE
3Артикул: 6661820, PISTON W/Ref. 9 & 10 - W/Non-Replaceable wear sleeves - Was 6537256 - A
ДОПОЛНИТЕЛЬНАЯ ГИДРАВЛИКА
1Артикул: HOSE, HOSE NLA - Use W/Ref. 27 - Was 6703814 - A
2Артикул: 6715930, HOSE W/cover
3Артикул: 6711745, TUBE for FF couplers
ЦИЛИНДРА НАКЛОНА (С ОТВЕРСТИЕМ ДЛЯ СМАЗКИ ГОЛОВКИ ШАТУНА)
1Артикул: CYLINDER,, CYLINDER, TILT See BTI411 NLA - Ref. 2-19 - before ordering repair parts, make sure this is the correct style cylinder - note the difference in the base end of the cylinder - Was 6539931 - A
2Артикул: CASE, CASE See BTI411 NLA - 3.5-- (88,9 mm) ID - Was 6586587 - A
3Артикул: 6539932, PISTON
СХЕМА ГИДРАВЛИЧЕСКОЙ СИСТЕМЫ
1Артикул: 6537254, CYLINDER See Illustration LIFT CYLINDER/ B17293 LIFT
2Артикул: HOSE, HOSE NLA - Use W/Ref. 32 - Was 6703562 - A
3Артикул: 6715986, HOSE W/cover
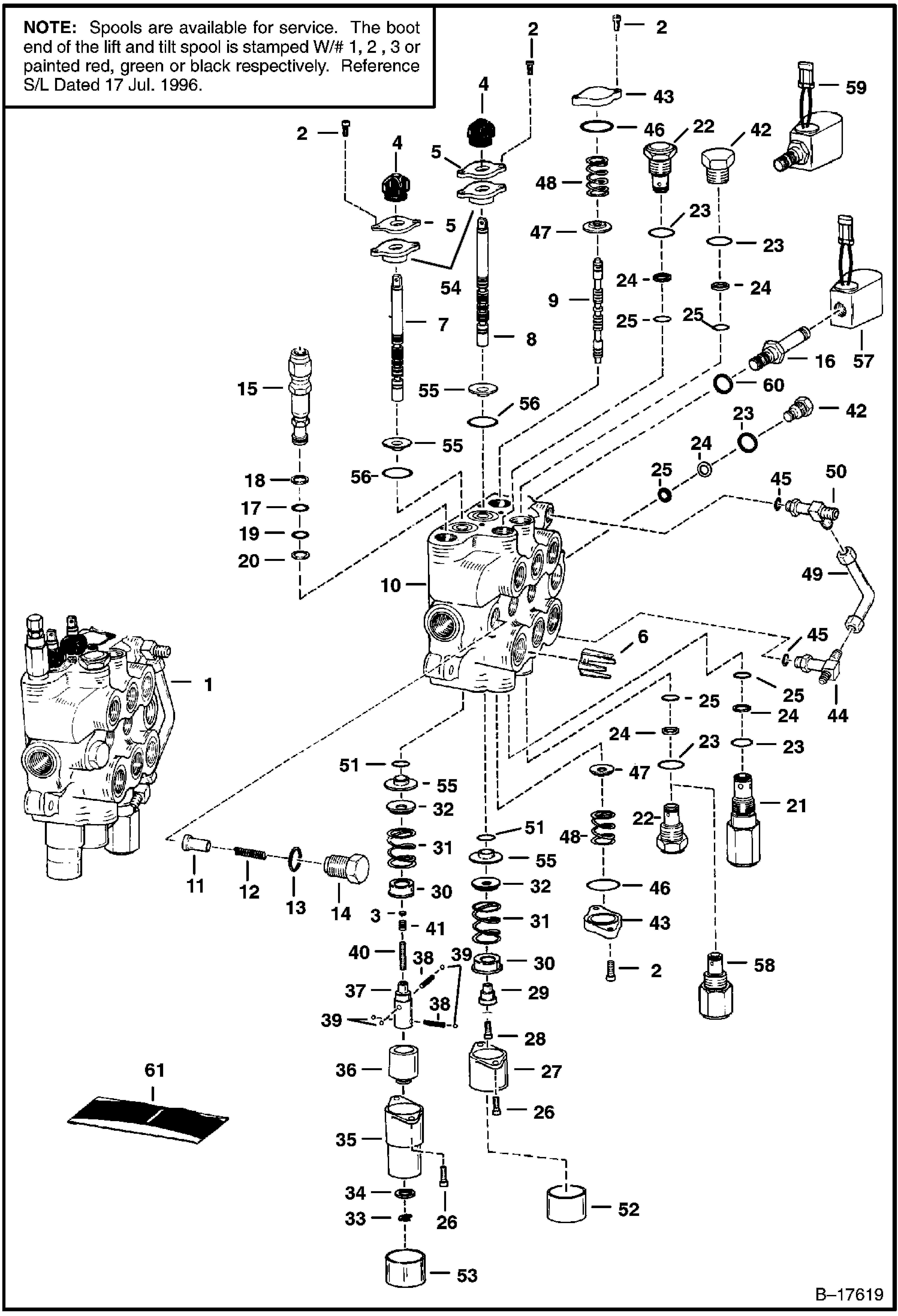
ГИДРАВЛИЧЕСКИЙ РЕГУЛИРУЮЩИЙ КЛАПАН (С - СЕРИИ)
1Артикул: VALVE, VALVE See Illustration HYDRAULIC CONTROL VALVE/ E2255 See Illustration HYDRAULIC CONTROL VALVE/ B17617 See BTI307 NLA - Ref. 2-55 - W/LONG SPOOLS - - BEFORE ORDERING REPAIR PARTS MAKE SURE THAT THIS IS THE CORRECT STYLE VALVE - ALSO Ref. VALVE VALVE SHOWN HERE USES STAMPED BOOT RETAINERS, Ref. 5, WHICH FIT FLUSH TO THE VALVE BODY, Ref. 10 - WAS 6588264 - A
2Артикул: 6588165, SCREW
3Артикул: 22E4, WASHER
ЦИЛИНДРА НАКЛОНА (С ОТВЕРСТИЕМ ДЛЯ МАСЛЕНКИ ДЛЯ СМАЗКИ ГОЛОВКИ ШАТУНА)
1Артикул: 6804630, CYLINDER tilt - Ref. 2-19
2Артикул: 6804633, CASE 89 mm (3.5--) ID
3Артикул: 6804632, PISTON 28,6 mm (1.125--) ID
КЛАПАН РЕГУЛИРОВКИ ПОЛОЖЕНИЯ КОВША
1Артикул: VALVE, VALVE NLA - Order 6673959 valve - if loader is not equipped with an on/off switch, Also Order 6647784 plug, 79K8 O-ring, 6647785 spring & 6647783 load check - Was 6666341 - A
2Артикул: 6647784, PLUG W/Ref. 3
3Артикул: 79K10, O RING 10 Was NSS - D