+7 (701) 588 50 05 Телефон для связи
RU

WhatsApp

Позвонить

ГИДРАВЛИЧЕСКАЯ СИСТЕМА в Алматы

СХЕМА ЦИЛИНДРА НАКЛОНА

СХЕМА ЦИЛИНДРА НАКЛОНА

1Артикул: 6504942, VALVE See Illustration TILT CYLINDER VALVE/ C1049 tilt
2Артикул: 662487, ELBOW
3Артикул: 6501133, TUBE
Подробнее >
РЫЧАГ УПРАВЛЕНИЯ ВАРИАТОРА СКОРОСТИ

РЫЧАГ УПРАВЛЕНИЯ ВАРИАТОРА СКОРОСТИ

1Артикул: GRIP, GRIP NLA - Was 6515109
2Артикул: LEVER, LEVER NLA - Was 6502865 - A
3Артикул: 81D6, NUT
Подробнее >
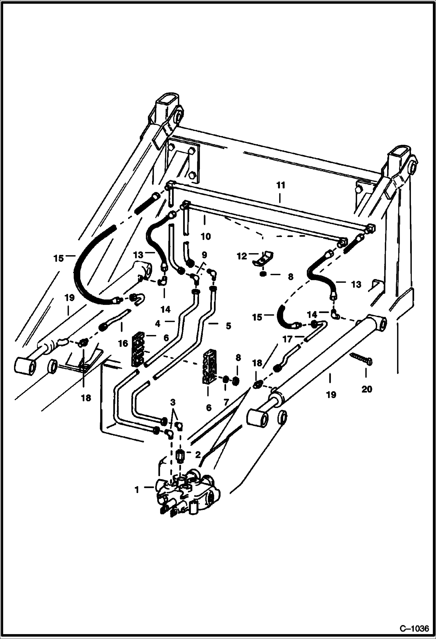
ГИДРОЦИЛИНДР ПОДЪЕМА И ВСПОМОГАТЕЛЬНЫЙ КЛАПАН

ГИДРОЦИЛИНДР ПОДЪЕМА И ВСПОМОГАТЕЛЬНЫЙ КЛАПАН

1Артикул: VALVE, VALVE / CORE EXCHANGE REQUIRED NLA - W/Ref. 2-25 - Was 6504941REM - A
2Артикул: 6515030, CAP
3Артикул: 1318338, RING
Подробнее >
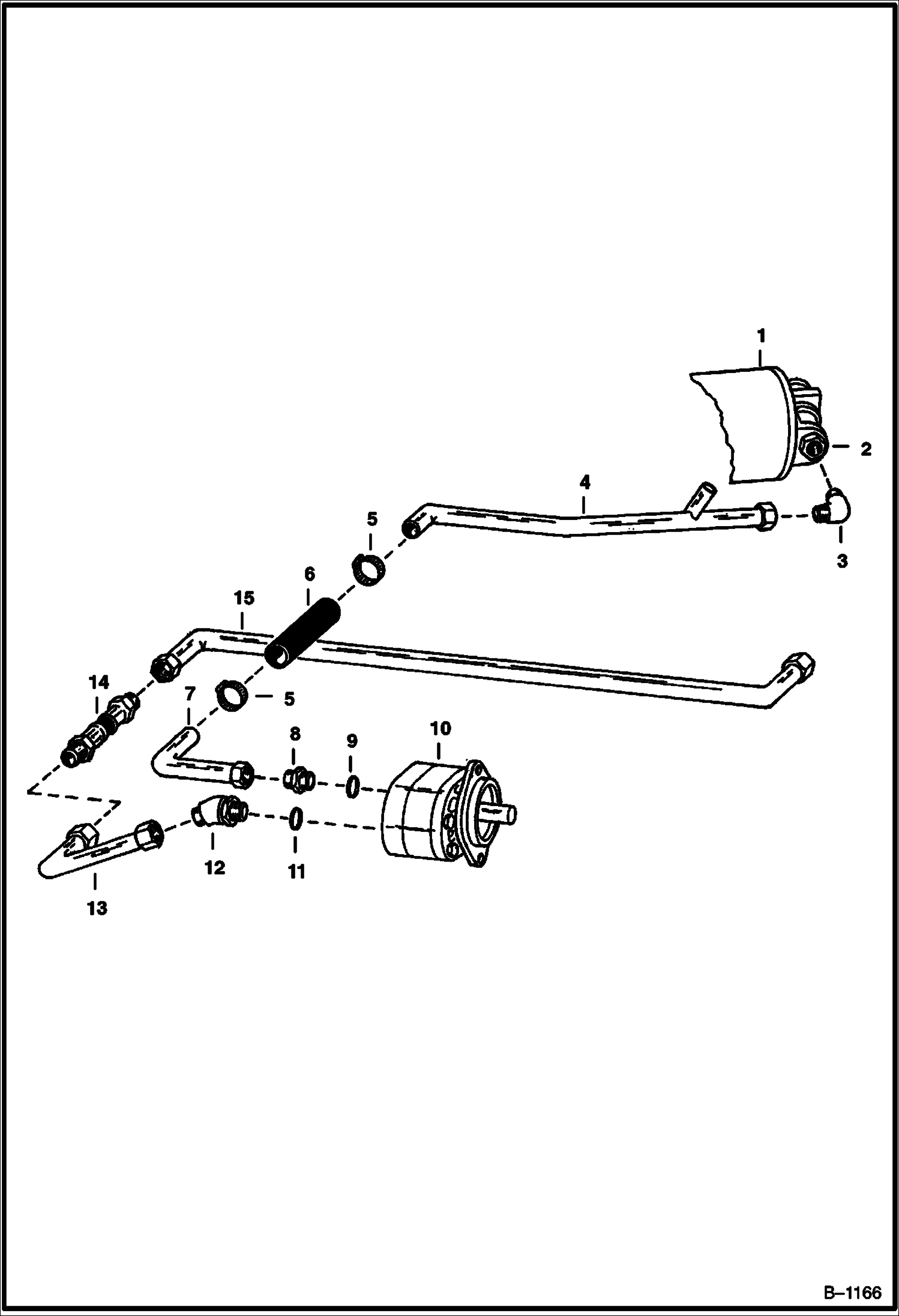
ГИДРОПРИВОДНОЙ НАСОС WEBSTER NO. 116YCO53-RC

ГИДРОПРИВОДНОЙ НАСОС WEBSTER NO. 116YCO53-RC

1Артикул: 6516281, PUMP
2Артикул: 6516259, BODY
3Артикул: 6516271, SHAFT W/gear
Подробнее >
КОНТУР ЧАСТОТНОГО ПРЕОБРАЗОВАТЕЛЯ СКОРОСТИ

КОНТУР ЧАСТОТНОГО ПРЕОБРАЗОВАТЕЛЯ СКОРОСТИ

1Артикул: KIT, KIT NLA - Order components - Ref. 2-15 - Was 6702641 - A
2Артикул: PLATE, PLATE NLA - Was 6505676 - A
3Артикул: 6657761, VALVE See Illustration VARIABLE SPEED VALVE/ B20799
Подробнее >
СХЕМА ГИДРОПРИВОДНОГО НАСОСА PETTER ДИЗЕЛЬ

СХЕМА ГИДРОПРИВОДНОГО НАСОСА PETTER ДИЗЕЛЬ

1Артикул: 784469, WASHER
2Артикул: 4E6, WASHER
3Артикул: 61D6, NUT 5
Подробнее >
ЦИЛИНДР НАКЛОНА

ЦИЛИНДР НАКЛОНА

1Артикул: 6531681, CYLINDER Ref. 2 - 19
2Артикул: 6531682, CASE
3Артикул: 92D12, NUT
Подробнее >
ПРЕДОХРАНИТЕЛЬНЫЙ КЛАПАН ДАВЛЕНИЯ ФРИКЦИОНА

ПРЕДОХРАНИТЕЛЬНЫЙ КЛАПАН ДАВЛЕНИЯ ФРИКЦИОНА

1Артикул: VALVE, VALVE NLA - Ref. 2-8 - Was 6501073 - A
2Артикул: 6515227, NUT
3Артикул: POPPET, POPPET NLA
Подробнее >
ШАРНИРНОЕ СОЕДИНЕНИЕ ЧАСТОТНОГО ПРЕОБРАЗОВАТЕЛЯ СКОРОСТИ FARWICK

ШАРНИРНОЕ СОЕДИНЕНИЕ ЧАСТОТНОГО ПРЕОБРАЗОВАТЕЛЯ СКОРОСТИ FARWICK

1Артикул: COUPLER, COUPLER See Illustration VARIABLE SPEED SWIVEL COUPLING/ A1090 - NLA - Order 6515432 coupler
2Артикул: BODY, BODY NLA
3Артикул: 6515254, SNAP RING
Подробнее >
СХЕМА ГИДРОПРИВОДНОГО НАСОСА WISCONSIN

СХЕМА ГИДРОПРИВОДНОГО НАСОСА WISCONSIN

1Артикул: FILTER, FILTER See Illustration HYDRAULIC OIL FILTER/ B13878 NLA - hydrostatic - 10 micron - Was 6555477 - A
2Артикул: 19F16, BUSHING reducing
3Артикул: 83F10, ELBOW
Подробнее >
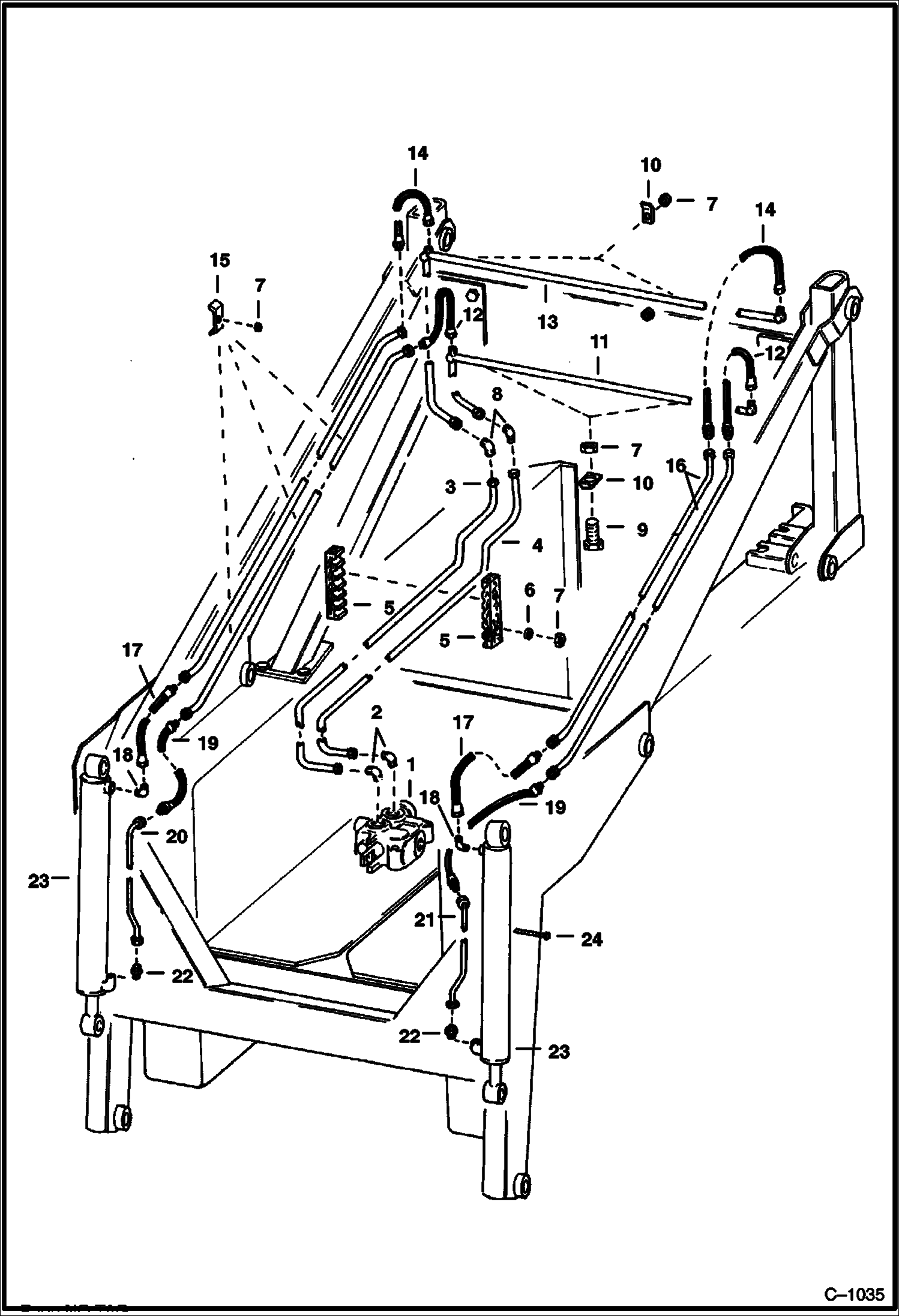
ВСПОМОГАТЕЛЬНЫЕ ЛИНИИ РАМЫ ШАССИ

ВСПОМОГАТЕЛЬНЫЕ ЛИНИИ РАМЫ ШАССИ

1Артикул: 6518121, PLUG
2Артикул: 17C456, BOLT
3Артикул: BLOCK, BLOCK NLA - wood - Was 6503070 - A
Подробнее >
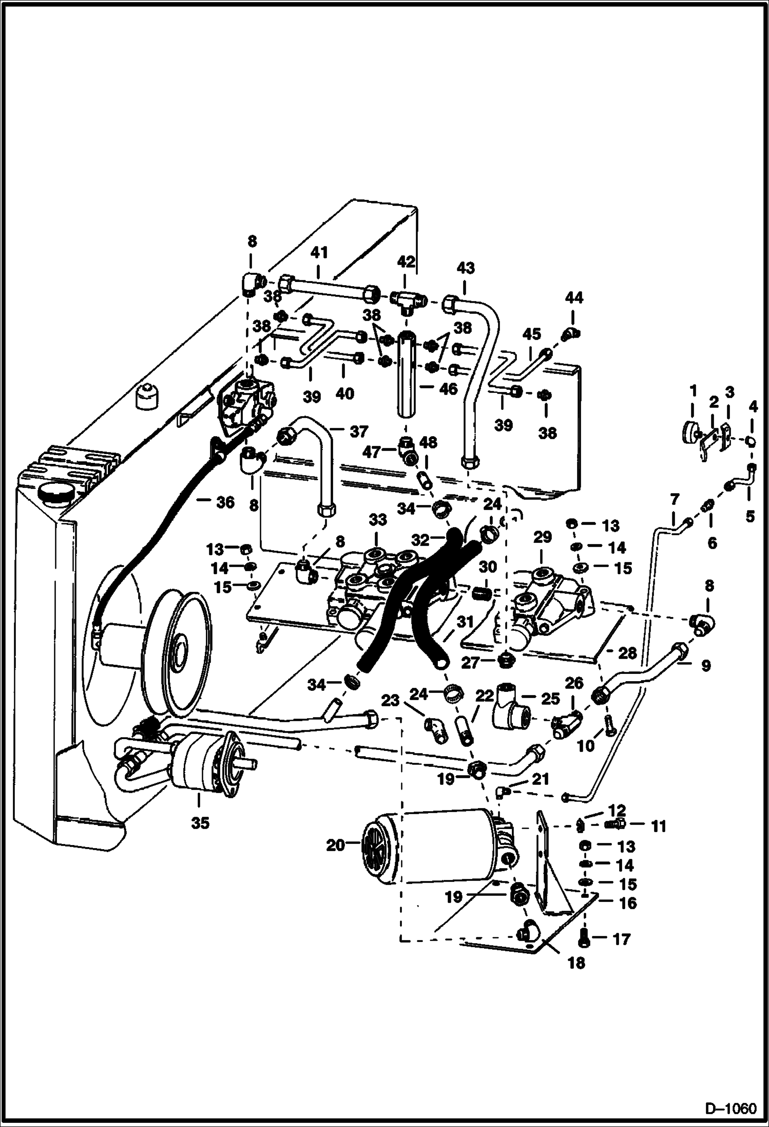
РАМА ШАССИ СО СХЕМОЙ ГИДРАВЛИЧЕСКОЙ СИСТЕМЫWISCONSIN И DEUTZ

РАМА ШАССИ СО СХЕМОЙ ГИДРАВЛИЧЕСКОЙ СИСТЕМЫWISCONSIN И DEUTZ

1Артикул: GAUGE, GAUGE Was 6654208 - A
2Артикул: BRACKET, BRACKET NLA - Was 6503450 - A
3Артикул: BRACKET, BRACKET NLA - Was 6502775 - A
Подробнее >
ГИДРОПРИВОДНОЙ НАСОС PARKER NO. H39AD2G

ГИДРОПРИВОДНОЙ НАСОС PARKER NO. H39AD2G

1Артикул: 6519278, PUMP, GEAR
2Артикул: 6519971, COVER back
3Артикул: DRIVE, DRIVE GEAR NLA - assembly
Подробнее >
ЦИЛИНДР ПОДЪЕМА

ЦИЛИНДР ПОДЪЕМА

1Артикул: CYLINDER, CYLINDER ASSY. NLA - lift - Was 6501103 - A
2Артикул: 6592030, CASE cylinder
3Артикул: 92D12, NUT See BTI126 Was 86D000012B - A
Подробнее >
КЛАПАН ЦИЛИНДРА НАКЛОНА

КЛАПАН ЦИЛИНДРА НАКЛОНА

1Артикул: 6504942, VALVE Ref. 2 - 20
2Артикул: 6515030, CAP rubber
3Артикул: 1318338, RING
Подробнее >
ГИДРОПРИВОДНОЙ НАСОС CESSNA NO. 15-509-68 И 24-304 RAC

ГИДРОПРИВОДНОЙ НАСОС CESSNA NO. 15-509-68 И 24-304 RAC

1Артикул: 6510924, PUMP
2Артикул: 6632000, SCREW
3Артикул: 17C536, BOLT
Подробнее >
ГИДРОПРИВОДНОЙ НАСОС CESSNA NO. 24304-LAJ

ГИДРОПРИВОДНОЙ НАСОС CESSNA NO. 24304-LAJ

1Артикул: PUMP, PUMP NLA - Was 6516246 - A
2Артикул: 17C540, BOLT
3Артикул: 17C536, BOLT
Подробнее >
НАПРАВЛЯЮЩИЙ РОЛИК ЧАСТОТНОГО ПРЕОБРАЗОВАТЕЛЯ СКОРОСТИ WISCONSIN

НАПРАВЛЯЮЩИЙ РОЛИК ЧАСТОТНОГО ПРЕОБРАЗОВАТЕЛЯ СКОРОСТИ WISCONSIN

1Артикул: DRIVE, DRIVE NLA - variable speed assy. - Order 6502035 Sheave Assy., 6501441 Hose & 6554939 Cover
2Артикул: HOSE, HOSE NLA - 27-- (685,8 mm) long - Was 6501440 - A
3Артикул: 6515160, HOSE 16-- (406,4 mm) long
Подробнее >
ПЕДАЛИ ГИДРАВЛИЧЕСКОЙ СИСТЕМЫ УПРАВЛЕНИЯ

ПЕДАЛИ ГИДРАВЛИЧЕСКОЙ СИСТЕМЫ УПРАВЛЕНИЯ

1Артикул: 17C524, BOLT
2Артикул: 91D5, NUT 5 Was 81D000005B - B
3Артикул: SHAFT, SHAFT NLA - Was 6502910 - A
Подробнее >
ГИДРОПРИВОДНОЙ НАСОС WEBSTER NO. 116YCO53-RA

ГИДРОПРИВОДНОЙ НАСОС WEBSTER NO. 116YCO53-RA

1Артикул: PUMP, PUMP NLA - replaced by 6516281
2Артикул: COVER, COVER NLA
3Артикул: 6515116, BUSHING bronze
Подробнее >
ГИДРОПРИВОДНОЙ НАСОС CESSNA NO. 15510-OEBA И NO. 24305-RAE

ГИДРОПРИВОДНОЙ НАСОС CESSNA NO. 15510-OEBA И NO. 24305-RAE

1Артикул: PUMP, PUMP NLA - Order 6519278
2Артикул: 18C544, BOLT 5
3Артикул: 17C536, BOLT
Подробнее >
СХЕМА ГИДРОПРИВОДНОГО НАСОСА DEUTZ - СЕРИЙНЫЙ НОМЕР 61849 И ВЫШЕ

СХЕМА ГИДРОПРИВОДНОГО НАСОСА DEUTZ - СЕРИЙНЫЙ НОМЕР 61849 И ВЫШЕ

1Артикул: FILTER, FILTER See Illustration HYDRAULIC OIL FILTER/ B13878 hydraulic NLA - hydrostatic - 10 micron - Was 6555477 - A
2Артикул: 19F16, BUSHING reducing
3Артикул: 6501488, TUBE
Подробнее >
МАСЛЯНЫЙ ФИЛЬТР ГИДРАВЛИЧЕСКОЙ СИСТЕМЫ

МАСЛЯНЫЙ ФИЛЬТР ГИДРАВЛИЧЕСКОЙ СИСТЕМЫ

1Артикул: FILTER, FILTER NLA - Ref. 2-17 - Was 6555477 - A
2Артикул: 41G828, SCREW
3Артикул: CAP, CAP NLA - Was 896144 - A
Подробнее >
СХЕМА ГИДРАВЛИЧЕСКОЙ СИСТЕМЫ ПОДЪЕМНОГО ЦИЛИНДРА

СХЕМА ГИДРАВЛИЧЕСКОЙ СИСТЕМЫ ПОДЪЕМНОГО ЦИЛИНДРА

1Артикул: VALVE, VALVE / CORE EXCHANGE REQUIRED See Illustration LIFT CYLINDER & AUXILIARY VALVE/ C1240 NLA - Lift - Was 6504941REM - A
2Артикул: 6515537, RESTRICTOR
3Артикул: 662487, ELBOW
Подробнее >
ГИДРОПРИВОДНОЙ НАСОС CESSNA NO. 24387-OBAA И 24304-RAB

ГИДРОПРИВОДНОЙ НАСОС CESSNA NO. 24387-OBAA И 24304-RAB

1Артикул: PUMP, PUMP NLA - Order 6519278
2Артикул: 17C540, BOLT
3Артикул: 17C536, BOLT
Подробнее >
СХЕМА ГИДРОПРИВОДНОГО НАСОСА DEUTZ - СЕРИЙНЫЙ НОМЕР 61848 И НИЖЕ

СХЕМА ГИДРОПРИВОДНОГО НАСОСА DEUTZ - СЕРИЙНЫЙ НОМЕР 61848 И НИЖЕ

1Артикул: FILTER, FILTER See Illustration HYDRAULIC OIL FILTER/ B13878 NLA - hydrostatic - 10 micron - Was 6555477 - A
2Артикул: 19F16, BUSHING
3Артикул: 26F6, ELBOW
Подробнее >
ГЛАВНЫЙ РЕДУКЦИОННЫЙ КЛАПАН

ГЛАВНЫЙ РЕДУКЦИОННЫЙ КЛАПАН

1Артикул: 6504940, VALVE Ref. 2 - 11
2Артикул: HOUSING, HOUSING NLA - valve
3Артикул: 58K022, O-RING 10 inner
Подробнее >
КЛАПАН ЧАСТОТНОГО ПРЕОБРАЗОВАТЕЛЯ СКОРОСТИ

КЛАПАН ЧАСТОТНОГО ПРЕОБРАЗОВАТЕЛЯ СКОРОСТИ

1Артикул: 6657761, VALVE Ref. 2 -16
2Артикул: 41G816, SCREW cap
3Артикул: 980732, BONNET
Подробнее >