+7 (701) 588 50 05 Телефон для связи
RU

WhatsApp

Позвонить

ГИДРАВЛИЧЕСКАЯ СИСТЕМА в Алматы

СХЕМА ГИДРАВЛИЧЕСКОЙ СИСТЕМЫ ИЗ КЛАПАНА В ГИДРОМОТОР ПОВОРОТА ПЛАТФОРМЫ В КАМЕРУ ОХЛАЖДЕНИЯ (СЕРИЙНЫЙ НОМЕР 508312001 - 508312162)

СХЕМА ГИДРАВЛИЧЕСКОЙ СИСТЕМЫ ИЗ КЛАПАНА В ГИДРОМОТОР ПОВОРОТА ПЛАТФОРМЫ В КАМЕРУ ОХЛАЖДЕНИЯ (СЕРИЙНЫЙ НОМЕР 508312001 - 508312162)

1Артикул: 6656151, VALVE See Illustration CONTROL VALVE ASSEMBLY/ B18548 - control
2Артикул: 6519195, ELBOW W/Ref. 3
3Артикул: 79K10, O RING 10
Подробнее >
СЕКЦИЯ РАСПРЕДЕЛИТЕЛЯ ОТВАЛ 12024 И ВЫШЕ

СЕКЦИЯ РАСПРЕДЕЛИТЕЛЯ ОТВАЛ 12024 И ВЫШЕ

1Артикул: 6658680, VALVE W/Ref. 2-11
2Артикул: HOUSING, HOUSING NLA
3Артикул: SPOOL, SPOOL NLA
Подробнее >
ТРОЙНОЙ ШЕСТЕРЕНЧАТЫЙ НАСОС

ТРОЙНОЙ ШЕСТЕРЕНЧАТЫЙ НАСОС

1Артикул: PUMP, PUMP NLA - Assy. - W/Ref. 2-20 - Order 6665107 Pump & 2 of 6587972 Fittings - Was 6657194 - A
2Артикул: PLATE, PLATE NLA - front - Was 6648916 - A
3Артикул: SEAL, SEAL NSS
Подробнее >
ЦИЛИНДР СТРЕЛЫ

ЦИЛИНДР СТРЕЛЫ

1Артикул: 6586726, CYLINDER Ref. 2-15, 21 & 22 - Was 6537171 - A
2Артикул: 6537051, ROD
3Артикул: 6586718, HEAD, CYL TILT Was 7214661 - A
Подробнее >
ВПУСКНАЯ СЕКЦИЯ КЛАПАНА ЛЕВОСТОРОННИЙ ХОД

ВПУСКНАЯ СЕКЦИЯ КЛАПАНА ЛЕВОСТОРОННИЙ ХОД

1Артикул: NLA, NLA - Was 6658312
2Артикул: HOUSING, HOUSING NLA
3Артикул: SPOOL, SPOOL NLA
Подробнее >
ОБРАТНЫЙ КЛАПАН

ОБРАТНЫЙ КЛАПАН

1Артикул: 6667386, VALVE Check - W/Ref. 2 & 4 - Was 6657207 - A
2Артикул: 6667334, PLUNGER W/Ref. 3 - Was 6661814 - A
3Артикул: 6667575, SEAL KIT Complete - W/Ref. 3
Подробнее >
ЦИЛИНДР ПОВОРОТА

ЦИЛИНДР ПОВОРОТА

1Артикул: CYLINDER,, CYLINDER, SWING NLA - Was 6536372
2Артикул: 6537075, ROD W/Ref. 16 & 17
3Артикул: 6586721, HEAD Was 6534429 - A
Подробнее >
ЛЕВОСТОРОННИЙ ДЖОЙСТИК УПРАВЛЕНИЯ

ЛЕВОСТОРОННИЙ ДЖОЙСТИК УПРАВЛЕНИЯ

1Артикул: 6654119, JOYSTICK ASSY. NLA - Assy. - W/Ref. 2-34 - Was 6654119 - A
2Артикул: HOUSING, HOUSING NSS
3Артикул: 6655289, PLATE
Подробнее >
ЦИЛИНДР РУКОЯТИ

ЦИЛИНДР РУКОЯТИ

1Артикул: 6586724, CYLINDER Ref. 2-15, 19 & 20 - Was 6538978 - A
2Артикул: 6537057, ROD
3Артикул: 6586718, HEAD, CYL TILT Was 7214661 - A
Подробнее >
ХОДОВОЙ ГИДРОМОТОР БЕЗ ТОРМОЗОВ

ХОДОВОЙ ГИДРОМОТОР БЕЗ ТОРМОЗОВ

1Артикул: VALVE, VALVE ASSY NSS - Ref. 2-13
2Артикул: BODY, BODY NSS
3Артикул: PLUG, PLUG NLA - Was 6653190 - A
Подробнее >
ХОДОВОЙ ГИДРОМОТОР С ТОРМОЗАМИ ДЛЯ СКАНДИНАВСКИХ СТРАН

ХОДОВОЙ ГИДРОМОТОР С ТОРМОЗАМИ ДЛЯ СКАНДИНАВСКИХ СТРАН

1Артикул: VALVE, VALVE ASSY NSS - Ref. 2-13
2Артикул: BODY, BODY NSS
3Артикул: PLUG, PLUG NLA - Was 6653190 - A
Подробнее >
СХЕМА ГИДРАВЛИЧЕСКОЙ СИСТЕМЫ ИЗ КЛАПАНА В ГИДРОМОТОР ПОВОРОТА ПЛАТФОРМЫ В КАМЕРУ ОХЛАЖДЕНИЯ (СЕРИЙНЫЙ НОМЕР 508312163 И ВЫШЕ)

СХЕМА ГИДРАВЛИЧЕСКОЙ СИСТЕМЫ ИЗ КЛАПАНА В ГИДРОМОТОР ПОВОРОТА ПЛАТФОРМЫ В КАМЕРУ ОХЛАЖДЕНИЯ (СЕРИЙНЫЙ НОМЕР 508312163 И ВЫШЕ)

1Артикул: 6656151, VALVE See Illustration CONTROL VALVE ASSEMBLY/ B18548 - control
2Артикул: 6519195, ELBOW W/Ref. 3
3Артикул: 79K10, O RING 10
Подробнее >
ГИДРАВЛИЧЕСКИЙ БАК

ГИДРАВЛИЧЕСКИЙ БАК

1Артикул: TANK, TANK NLA - W/Ref. 7 - Order Ref. 10 & 11 - Was 6537626 - A
2Артикул: 6538980, CAP Locking - Hydraulic Oil - Was 6654373 - B
3Артикул: 6654374, KEY Key code GC020
Подробнее >
СЕКЦИЯ РАСПРЕДЕЛИТЕЛЯ ОТВАЛ

СЕКЦИЯ РАСПРЕДЕЛИТЕЛЯ ОТВАЛ

1Артикул: VALVE, VALVE NLA - W/Ref. 2-15 - Order 6658680 (1), 6658327 (1), 6658321 (4), 6658328 (2) & 11K000005B (2) - Was 6658323 - A
2Артикул: HOUSING, HOUSING NLA
3Артикул: SPOOL, SPOOL NLA
Подробнее >
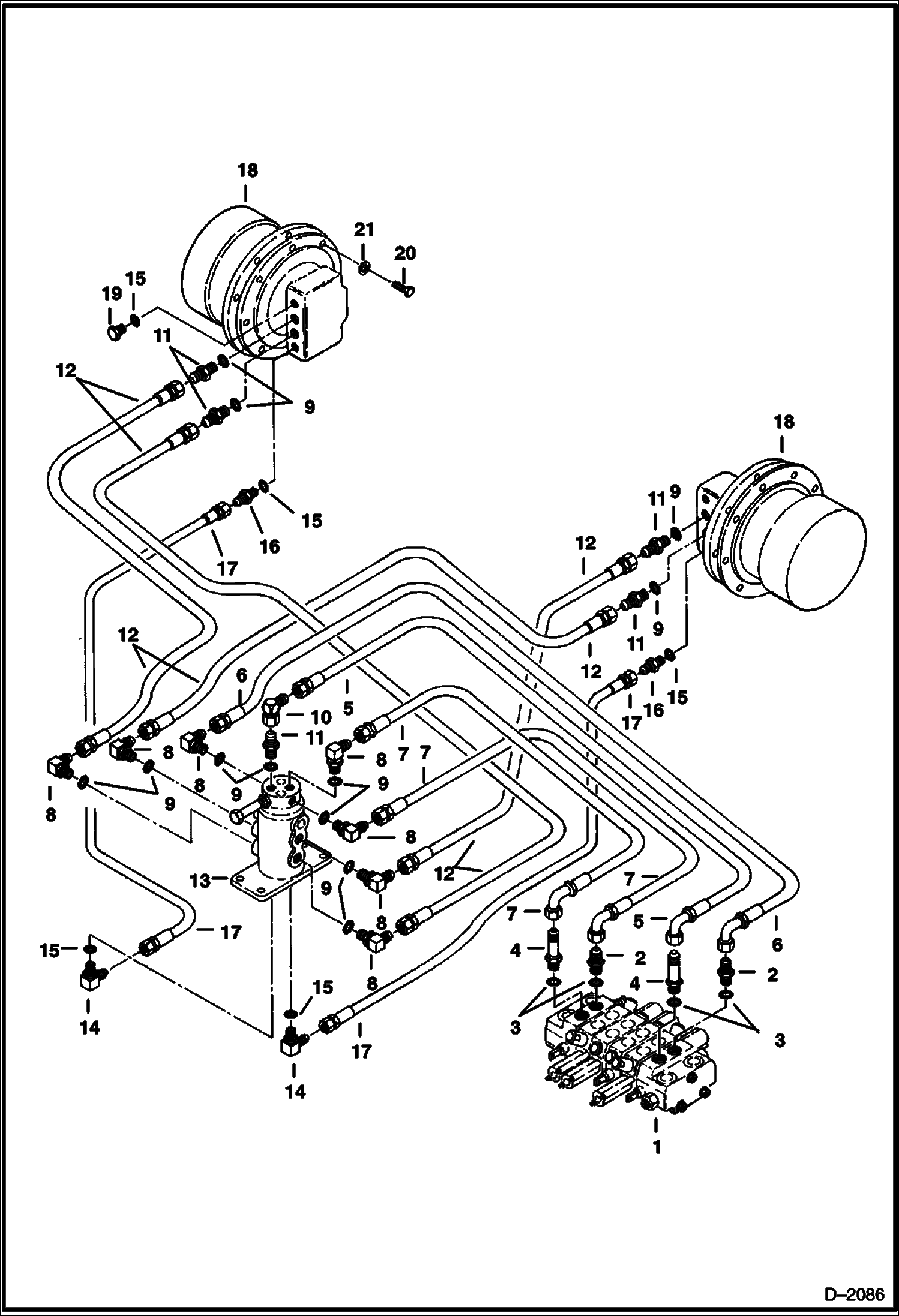
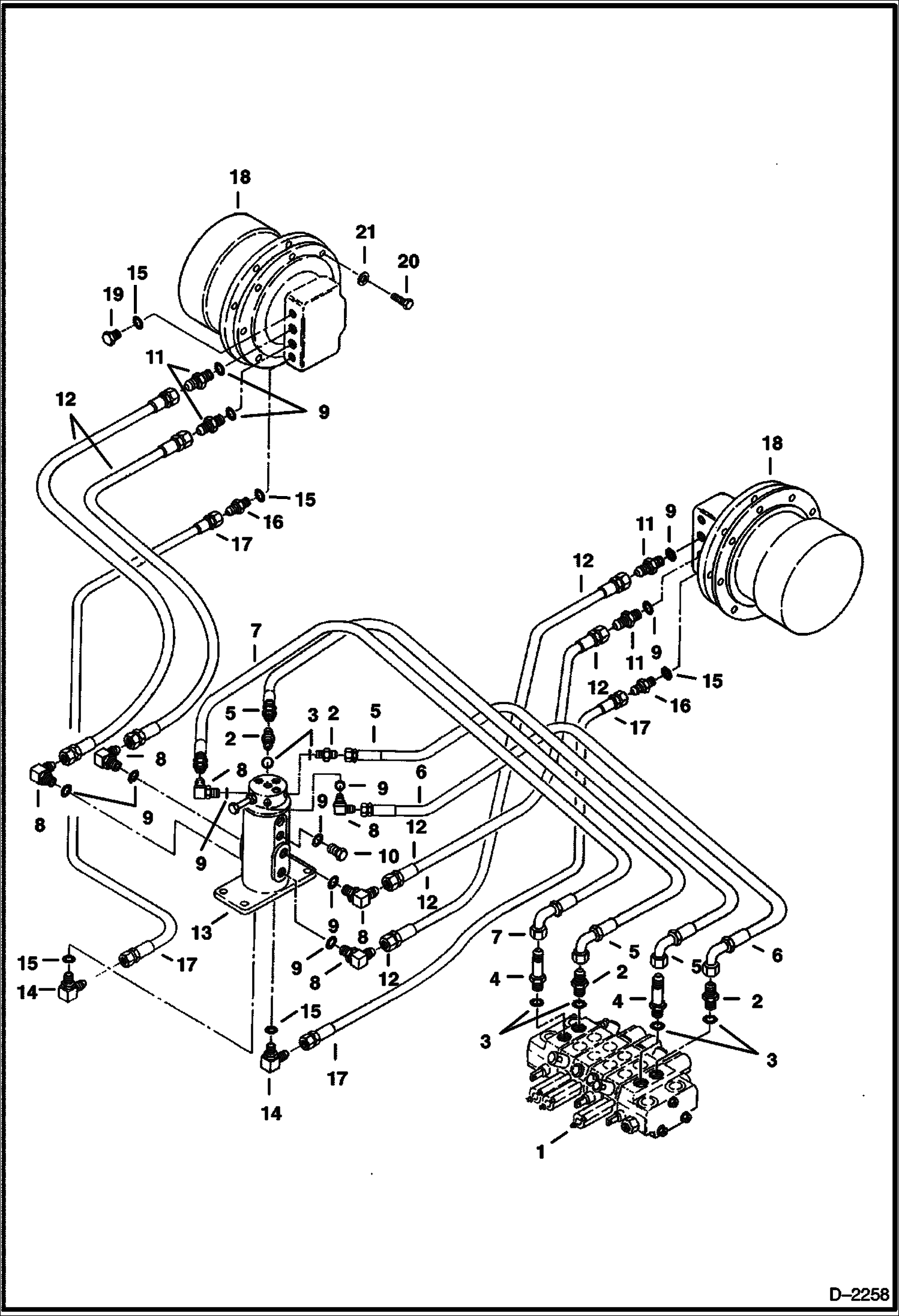
СХЕМА ГИДРАВЛИЧЕСКОЙ СИСТЕМЫ ИЗ КЛАПАНА В ПОВОРОТНОЕ СОЕДИНЕНИЕ В ХОД ГИДРОМОТОРА

СХЕМА ГИДРАВЛИЧЕСКОЙ СИСТЕМЫ ИЗ КЛАПАНА В ПОВОРОТНОЕ СОЕДИНЕНИЕ В ХОД ГИДРОМОТОРА

1Артикул: 6656151, VALVE See Illustration CONTROL VALVE ASSEMBLY/ B18548 - control
2Артикул: 15K6, ADAPTER W/Ref. 3
3Артикул: 79K8, O RING 10
Подробнее >
ЦИЛИНДР КОВША

ЦИЛИНДР КОВША

1Артикул: 6538977, CYLINDER Ref. 2-17 - Was 6537230 - A
2Артикул: 6537095, ROD W/Ref. 16 & 17 - Was 6537230 - D
3Артикул: 6586718, HEAD, CYL TILT Was 7214661 - A
Подробнее >
ПРЕДОХРАНИТЕЛЬНЫЙ КЛАПАН

ПРЕДОХРАНИТЕЛЬНЫЙ КЛАПАН

1Артикул: 6658529, VALVE Assy. - W/Ref. 2-10
2Артикул: HOUSING, HOUSING NSS
3Артикул: 994793, POPPET
Подробнее >
СХЕМА ГИДРАВЛИЧЕСКОЙ СИСТЕМЫ ИЗ КЛАПАНА В ВСПОМОГАЛЕНОЕ УСТРОЙСТВО

СХЕМА ГИДРАВЛИЧЕСКОЙ СИСТЕМЫ ИЗ КЛАПАНА В ВСПОМОГАЛЕНОЕ УСТРОЙСТВО

1Артикул: 6656151, VALVE See Illustration CONTROL VALVE ASSEMBLY/ B18548 - control
2Артикул: 15K6, ADAPTER W/Ref. 3
3Артикул: 79K8, O RING 10
Подробнее >
РЕГУЛИРУЮЩИЙ КЛАПАН В СБОРЕ 3-КАТУШКА 12024 И ВЫШЕ

РЕГУЛИРУЮЩИЙ КЛАПАН В СБОРЕ 3-КАТУШКА 12024 И ВЫШЕ

1Артикул: 6658411, VALVE Assy. - W/Ref. 2-32
2Артикул: 6658325, VALVE See Illustration INLET VALVE SECTION/ D2103 swing motor
3Артикул: 6658680, VALVE See Illustration VALVE SECTION/ C3278 blade
Подробнее >
МЕХАНИЗМ ТРАНСМИССИИ БЕЗ ТОРМОЗОВ

МЕХАНИЗМ ТРАНСМИССИИ БЕЗ ТОРМОЗОВ

1Артикул: 6657202, TRANSMISSION Swing - W/Ref. 2-30
2Артикул: 6658402, FLANGE
3Артикул: 6658403, BOLT
Подробнее >
ПРАВОСТОРОННИЙ ДЖОЙСТИК УПРАВЛЕНИЯ

ПРАВОСТОРОННИЙ ДЖОЙСТИК УПРАВЛЕНИЯ

1Артикул: 6654120, JOYSTICK ASSY. Assy. - W/Ref. 2-39
2Артикул: HOUSING, HOUSING NSS
3Артикул: 6655289, PLATE
Подробнее >
РЕГУЛИРУЮЩИЙ КЛАПАН В СБОРЕ 3-КАТУШКА 12001-12023

РЕГУЛИРУЮЩИЙ КЛАПАН В СБОРЕ 3-КАТУШКА 12001-12023

1Артикул: VALVE, VALVE NLA - Assy. - W/Ref. 2-32 - Order 6658411 - Was 6656150 - A
2Артикул: 6658325, VALVE See Illustration INLET VALVE SECTION/ D2103 swing motor
3Артикул: VALVE, VALVE See Illustration VALVE SECTION/ B18544 NLA - Blade - Order 6658680, Ref. 6 (1), 7 (2), 29 (4) & 11K000005B (2) - Was 6658323 - A
Подробнее >
СХЕМА ГИДРАВЛИЧЕСКОЙ СИСТЕМЫ ОТВАЛ И ПОВОРОТ

СХЕМА ГИДРАВЛИЧЕСКОЙ СИСТЕМЫ ОТВАЛ И ПОВОРОТ

1Артикул: 6658411, VALVE See Illustration CONTROL VALVE ASSEMBLY/ D2118 control - Was 6656150 - A
2Артикул: 15K6, ADAPTER W/Ref. 3
3Артикул: 79K8, O RING 10
Подробнее >
ПРАВОСТОРОННИЙ ДЖОЙСТИК УПРАВЛЕНИЯ КОВШ И РУКОЯТЬ СТАНДАРТНАЯ СХЕМА УПРАВЛЕНИЯ

ПРАВОСТОРОННИЙ ДЖОЙСТИК УПРАВЛЕНИЯ КОВШ И РУКОЯТЬ СТАНДАРТНАЯ СХЕМА УПРАВЛЕНИЯ

1Артикул: 6654120, JOYSTICK ASSY. See Illustration R.H. JOYSTICK CONTROLS/ D1972 NLA - R.H. - Was 6554120 - A
2Артикул: 1CM625, BOLT
3Артикул: 1DM6, NUT
Подробнее >
ЛЕВОСТОРОННИЙ ДЖОЙСТИК УПРАВЛЕНИЯ ГИДРОМОТОР ПОВОРОТА ПЛАТФОРМЫ И СТАНДАРТНАЯ СХЕМА УПРАВЛЕНИЯ СТРЕЛОЙ

ЛЕВОСТОРОННИЙ ДЖОЙСТИК УПРАВЛЕНИЯ ГИДРОМОТОР ПОВОРОТА ПЛАТФОРМЫ И СТАНДАРТНАЯ СХЕМА УПРАВЛЕНИЯ СТРЕЛОЙ

1Артикул: 6654119, JOYSTICK ASSY. See Illustration L.H. JOYSTICK CONTROLS/ D1973 -L.H. - Was 6654119 - A
2Артикул: 1CM625, BOLT
3Артикул: 1DM6, NUT
Подробнее >
ВПУСКНАЯ СЕКЦИЯ КЛАПАНА ГИДРОМОТОР ПОВОРОТА ПЛАТФОРМЫ

ВПУСКНАЯ СЕКЦИЯ КЛАПАНА ГИДРОМОТОР ПОВОРОТА ПЛАТФОРМЫ

1Артикул: 6658325, VALVE Inlet Section - W/Ref. 2-14
2Артикул: HOUSING, HOUSING NLA
3Артикул: SPOOL, SPOOL NLA
Подробнее >
СХЕМА ГИДРАВЛИЧЕСКОЙ СИСТЕМЫ (ПРАВОСТОРОННИЙ ДЖОЙСТИК УПРАВЛЕНИЯ) (КОВШ И СТРЕЛА) ISO КОНФИГУРАЦИЯ УПРАВЛЕНИЯ

СХЕМА ГИДРАВЛИЧЕСКОЙ СИСТЕМЫ (ПРАВОСТОРОННИЙ ДЖОЙСТИК УПРАВЛЕНИЯ) (КОВШ И СТРЕЛА) ISO КОНФИГУРАЦИЯ УПРАВЛЕНИЯ

1Артикул: 6654120, JOYSTICK ASSY. See Illustration R.H. JOYSTICK CONTROLS/ D1972 NLA - R.H. - Was 6554120 - A
2Артикул: 1CM625, BOLT
3Артикул: 1DM6, NUT
Подробнее >
СХЕМА ГИДРАВЛИЧЕСКОЙ СИСТЕМЫ С ПОВОРОТНЫМ СОЕДИНЕНИЕМ 6800524 ИЗ КЛАПАНА В ПОВОРОТНОЕ СОЕДИНЕНИЕ В ХОД ГИДРОМОТОРА

СХЕМА ГИДРАВЛИЧЕСКОЙ СИСТЕМЫ С ПОВОРОТНЫМ СОЕДИНЕНИЕМ 6800524 ИЗ КЛАПАНА В ПОВОРОТНОЕ СОЕДИНЕНИЕ В ХОД ГИДРОМОТОРА

1Артикул: 6656151, VALVE See Illustration CONTROL VALVE ASSEMBLY/ B18548 - control
2Артикул: 15K6, ADAPTER W/Ref. 3
3Артикул: 79K8, O RING 10
Подробнее >
СХЕМА ГИДРАВЛИЧЕСКОЙ СИСТЕМЫ С ПОВОРОТНЫМ СОЕДИНЕНИЕМ 6800524 ОТВАЛА И ДРЕНАЖНОЕ ОТВЕРСТИЕ ПОВОРОТА

СХЕМА ГИДРАВЛИЧЕСКОЙ СИСТЕМЫ С ПОВОРОТНЫМ СОЕДИНЕНИЕМ 6800524 ОТВАЛА И ДРЕНАЖНОЕ ОТВЕРСТИЕ ПОВОРОТА

1Артикул: 6658411, VALVE See Illustration CONTROL VALVE ASSEMBLY/ D2118 - control
2Артикул: 743108, FITTING W/Ref. 3
3Артикул: 79K8, O RING 10
Подробнее >
МЕХАНИЗМ ТРАНСМИССИИ С ТОРМОЗОМ - ОСНАЩЕНИЕ ДЛЯ ЭКСКАВАТОРОВ, ПРОДАЮЩИХСЯ НА СКАНДИНАВСКИХ СТРАНАХ

МЕХАНИЗМ ТРАНСМИССИИ С ТОРМОЗОМ - ОСНАЩЕНИЕ ДЛЯ ЭКСКАВАТОРОВ, ПРОДАЮЩИХСЯ НА СКАНДИНАВСКИХ СТРАНАХ

1Артикул: 6657203, TRANSMISSION Swing - With Brake - W/Ref. 2-48
2Артикул: 6658408, SNAP RING
3Артикул: 6658406, BEARING
Подробнее >
СХЕМА ГИДРАВЛИЧЕСКОЙ СИСТЕМЫ РУКОЯТЬ И СТРЕЛА

СХЕМА ГИДРАВЛИЧЕСКОЙ СИСТЕМЫ РУКОЯТЬ И СТРЕЛА

1Артикул: 6656151, VALVE See Illustration CONTROL VALVE ASSEMBLY/ B18548 - control
2Артикул: 15K6, ADAPTER W/Ref. 3
3Артикул: 79K8, O RING 10
Подробнее >
ЦИЛИНДР ОТВАЛА

ЦИЛИНДР ОТВАЛА

1Артикул: 6596045, CYLINDER Ref. 2-16
2Артикул: 6596048, ROD
3Артикул: 6586718, HEAD, CYL TILT Was 7214661 - A
Подробнее >
СХЕМА ГИДРАВЛИЧЕСКОЙ СИСТЕМЫ (ЛЕВОСТОРОННИЙ ДЖОЙСТИК УПРАВЛЕНИЯ) (РУКОЯТЬ И ПОВОРОТ) ISO КОНФИГУРАЦИЯ УПРАВЛЕНИЯ

СХЕМА ГИДРАВЛИЧЕСКОЙ СИСТЕМЫ (ЛЕВОСТОРОННИЙ ДЖОЙСТИК УПРАВЛЕНИЯ) (РУКОЯТЬ И ПОВОРОТ) ISO КОНФИГУРАЦИЯ УПРАВЛЕНИЯ

1Артикул: 6654119, JOYSTICK ASSY. See Illustration L.H. JOYSTICK CONTROLS/ D1973 -L.H. - Was 6654119 - A
2Артикул: 1CM625, BOLT
3Артикул: 1DM6, NUT
Подробнее >
СЕКЦИЯ РАСПРЕДЕЛИТЕЛЯ РУКОЯТЬ, СТРЕЛА И КОВШ

СЕКЦИЯ РАСПРЕДЕЛИТЕЛЯ РУКОЯТЬ, СТРЕЛА И КОВШ

1Артикул: 6658309, VALVE Section - Boom
2Артикул: 6658311, VALVE Section - Arm or Bucket W/Ref. 2-14
3Артикул: HOUSING, HOUSING NLA
Подробнее >
ПОВОРОТНОЕ СОЕДИНЕНИЕ

ПОВОРОТНОЕ СОЕДИНЕНИЕ

1Артикул: 7123864, SWIVEL ASSY See BTIE-031 W/Ref. 2-11 - Was 6800524 - A
2Артикул: 7123863, BARREL Was 6664906 - A
3Артикул: 6664907, ROTOR
Подробнее >
КЛАПАН АККУМУЛЯТОРА

КЛАПАН АККУМУЛЯТОРА

1Артикул: 6657208, VALVE ASSY. Assy. - W/Ref. 2-27
2Артикул: HOUSING, HOUSING NSS
3Артикул: SPOOL, SPOOL NSS
Подробнее >
СХЕМА ГИДРАВЛИЧЕСКОЙ СИСТЕМЫ КОВШ И ПОВОРОТ СТРЕЛЫ

СХЕМА ГИДРАВЛИЧЕСКОЙ СИСТЕМЫ КОВШ И ПОВОРОТ СТРЕЛЫ

1Артикул: 6656151, VALVE See Illustration CONTROL VALVE ASSEMBLY/ B18548 - control
2Артикул: 15K6, ADAPTER W/Ref. 3
3Артикул: 79K8, O RING 10
Подробнее >
СЕКЦИЯ РАСПРЕДЕЛИТЕЛЯ ВСПОМОГАТЕЛЬНОЕ ОБОРУДОВАНИЕ

СЕКЦИЯ РАСПРЕДЕЛИТЕЛЯ ВСПОМОГАТЕЛЬНОЕ ОБОРУДОВАНИЕ

1Артикул: 6658310, VALVE Section - W/Ref. 2-14
2Артикул: HOUSING, HOUSING NLA
3Артикул: SPOOL, SPOOL NLA
Подробнее >
СХЕМА ГИДРАВЛИЧЕСКОЙ СИСТЕМЫ ИЗ БАКА В НАСОС В КЛАПАН

СХЕМА ГИДРАВЛИЧЕСКОЙ СИСТЕМЫ ИЗ БАКА В НАСОС В КЛАПАН

1Артикул: 6535627, ELBOW W/Ref. 2
2Артикул: 79K20, O RING 10
3Артикул: 42H24, CLAMP-5
Подробнее >
РЕГУЛИРУЮЩИЙ КЛАПАН В СБОРЕ 6-КАТУШКА

РЕГУЛИРУЮЩИЙ КЛАПАН В СБОРЕ 6-КАТУШКА

1Артикул: 6656151, VALVE Assy. - W/Ref. 2-35
2Артикул: See, See Illustration INLET VALVE SECTION/ C3230 NLA - Was 6658312
3Артикул: 6658311, VALVE See Illustration VALVE SECTION/ D2100 - arm or bucket
Подробнее >
ГИДРОМОТОР ПОВОРОТА ПЛАТФОРМЫ ОСНАЩЕНИЕ ДЛЯ ЭКСКАВАТОРОВ, ПРОДАЮЩИХСЯ НА СКАНДИНАВСКИХ СТРАНАХ

ГИДРОМОТОР ПОВОРОТА ПЛАТФОРМЫ ОСНАЩЕНИЕ ДЛЯ ЭКСКАВАТОРОВ, ПРОДАЮЩИХСЯ НА СКАНДИНАВСКИХ СТРАНАХ

1Артикул: 6660950, MOTOR Assy. - W/Ref. 2-25
2Артикул: 6661818, BOLT
3Артикул: O-RING, O-RING NSS - Included W/Ref. 27
Подробнее >
ВПУСКНАЯ СЕКЦИЯ КЛАПАНА ПРАВОСТОРОННИЙ ХОД

ВПУСКНАЯ СЕКЦИЯ КЛАПАНА ПРАВОСТОРОННИЙ ХОД

1Артикул: 6658313, VALVE Inlet section - W/Ref. 2-12
2Артикул: HOUSING, HOUSING NLA
3Артикул: SPOOL, SPOOL NLA
Подробнее >
СЕКЦИЯ ВЫХОДНОГО ПАТРУБКА ПОВОРОТ СТРЕЛЫ

СЕКЦИЯ ВЫХОДНОГО ПАТРУБКА ПОВОРОТ СТРЕЛЫ

1Артикул: 6658324, VALVE Outlet Section - W/Ref. 2-14
2Артикул: HOUSING, HOUSING NLA
3Артикул: SPOOL, SPOOL NLA
Подробнее >
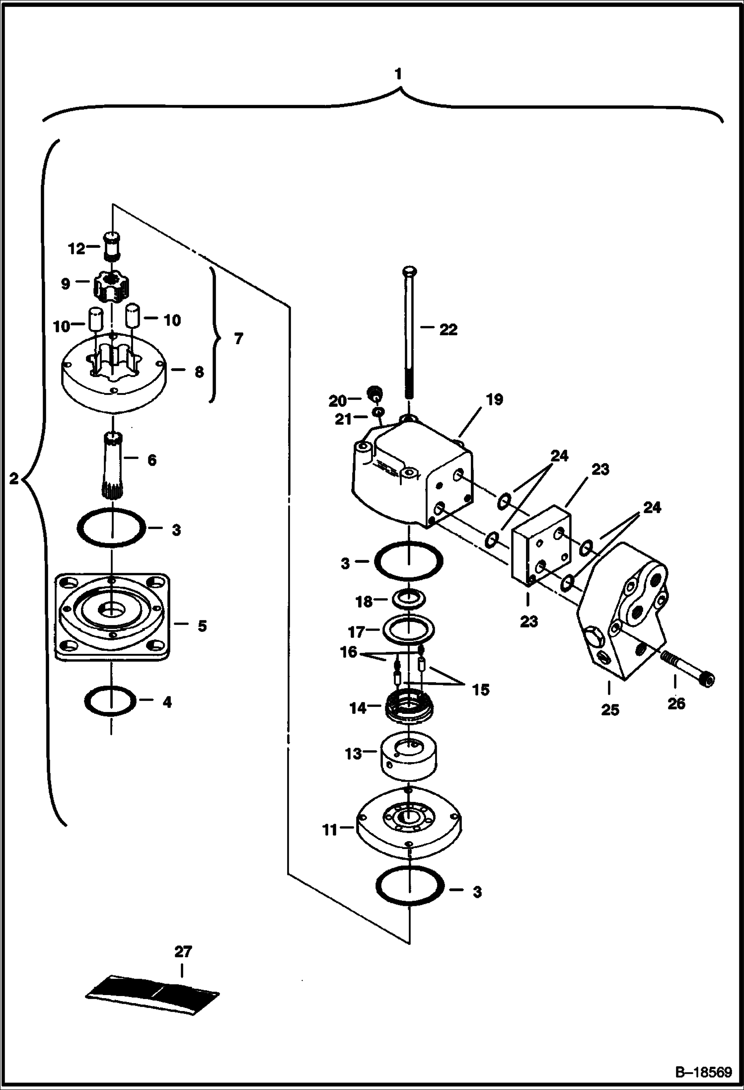
ГИДРОМОТОР ПОВОРОТА ПЛАТФОРМЫ

ГИДРОМОТОР ПОВОРОТА ПЛАТФОРМЫ

1Артикул: 6657201, MOTOR Assy. - W/Ref. 2-26
2Артикул: 6658741, MOTOR Assy. - W/Ref. 3-22
3Артикул: O-RING, O-RING NSS - Included W/Ref. 27
Подробнее >