+7 (701) 588 50 05 Телефон для связи
RU

WhatsApp

Позвонить

ГИДРАВЛИЧЕСКАЯ СИСТЕМА в Алматы

ПЕДАЛИ ГИДРАВЛИЧЕСКОЙ СИСТЕМЫ УПРАВЛЕНИЯ

ПЕДАЛИ ГИДРАВЛИЧЕСКОЙ СИСТЕМЫ УПРАВЛЕНИЯ

1Артикул: 17C524, BOLT
2Артикул: 91D5, NUT 5 Was 81D000005B - A
3Артикул: SHAFT, SHAFT NLA - Was 6502910 - A
Подробнее >
ГЛАВНЫЙ РЕДУКЦИОННЫЙ КЛАПАН

ГЛАВНЫЙ РЕДУКЦИОННЫЙ КЛАПАН

1Артикул: 6504940, VALVE
2Артикул: HOUSING, HOUSING NLA
3Артикул: 58K022, O-RING 10
Подробнее >
ЦИЛИНДР НАКЛОНА

ЦИЛИНДР НАКЛОНА

1Артикул: 6531681, CYLINDER Ref. 2 - 18
2Артикул: 6531682, CASE
3Артикул: 92D12, NUT Was 86D000012B - B
Подробнее >
КОНТУР ГИДРОЦИЛИНДРА ПОДЪЕМА

КОНТУР ГИДРОЦИЛИНДРА ПОДЪЕМА

1Артикул: CYLINDER, CYLINDER ASSY. See Illustration LIFT CYLINDER/ C1052 NLA - lift - Was 6501103 - A
2Артикул: 6501050, HOSE
3Артикул: 6501055, HOSE
Подробнее >
КОНТУР ЧАСТОТНОГО ПРЕОБРАЗОВАТЕЛЯ СКОРОСТИ

КОНТУР ЧАСТОТНОГО ПРЕОБРАЗОВАТЕЛЯ СКОРОСТИ

1Артикул: KIT, KIT NLA - Order components - Ref. 2-15 - Was 6702641 - A
2Артикул: PLATE, PLATE NLA - Was 6505676 - A
3Артикул: 6657761, VALVE See Illustration VARIABLE SPEED VALVE/ B20799
Подробнее >
РЫЧАГ УПРАВЛЕНИЯ ВАРИАТОРА СКОРОСТИ

РЫЧАГ УПРАВЛЕНИЯ ВАРИАТОРА СКОРОСТИ

1Артикул: GRIP, GRIP NLA - Was 6515109
2Артикул: LEVER, LEVER NLA - Was 6502865 - A
3Артикул: 81D6, NUT
Подробнее >
ПРЕДОХРАНИТЕЛЬНЫЙ КЛАПАН ДАВЛЕНИЯ ФРИКЦИОНА

ПРЕДОХРАНИТЕЛЬНЫЙ КЛАПАН ДАВЛЕНИЯ ФРИКЦИОНА

1Артикул: VALVE, VALVE NLA - Ref. 2 - 8 - Was 6501073 - A
2Артикул: 6515227, NUT
3Артикул: POPPET, POPPET NSS
Подробнее >
МАСЛЯНЫЙ ФИЛЬТР ГИДРАВЛИЧЕСКОЙ СИСТЕМЫ

МАСЛЯНЫЙ ФИЛЬТР ГИДРАВЛИЧЕСКОЙ СИСТЕМЫ

1Артикул: FILTER, FILTER NLA - Ref. 2-17 - Was 6555477 - A
2Артикул: 41G828, SCREW
3Артикул: CAP, CAP NLA - Was 896144 - A
Подробнее >
ГИДРОПРИВОДНОЙ НАСОС PARKER H39AD2G

ГИДРОПРИВОДНОЙ НАСОС PARKER H39AD2G

1Артикул: 6519278, PUMP, GEAR Ref. 2 - 22 - May have to move Elbow on Engine for Pump to fit
2Артикул: 6519971, COVER back
3Артикул: GEAR, GEAR NLA - drive
Подробнее >
ГИДРОЦИЛИНДР ПОДЪЕМА И ВСПОМОГАТЕЛЬНЫЙ КЛАПАН

ГИДРОЦИЛИНДР ПОДЪЕМА И ВСПОМОГАТЕЛЬНЫЙ КЛАПАН

1Артикул: VALVE, VALVE / CORE EXCHANGE REQUIRED NLA - W/Ref. 2-25 - Was 6504941REM - A
2Артикул: 6515030, CAP
3Артикул: 1318338, RING
Подробнее >
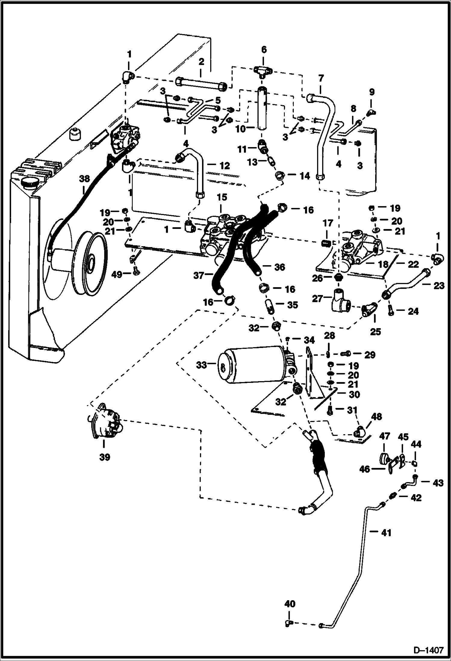
СХЕМА ГИДРАВЛИЧЕСКОЙ СИСТЕМЫ

СХЕМА ГИДРАВЛИЧЕСКОЙ СИСТЕМЫ

1Артикул: 83F8, ELBOW
2Артикул: TUBE, TUBE NLA - Was 6501066 - A
3Артикул: 89F5, CONNECTR
Подробнее >
КЛАПАН ЧАСТОТНОГО ПРЕОБРАЗОВАТЕЛЯ СКОРОСТИ С ТЕПЛОВОЙ РАЗГРУЗКОЙ

КЛАПАН ЧАСТОТНОГО ПРЕОБРАЗОВАТЕЛЯ СКОРОСТИ С ТЕПЛОВОЙ РАЗГРУЗКОЙ

1Артикул: VALVE, VALVE See Illustration VARIABLE SPEED DRIVE CIRCUITRY/ C3260 NLA - Ref. 2-30 - Order 6702641 - Was 6504944 - A
2Артикул: 41G816, SCREW
3Артикул: 980732, BONNET
Подробнее >
КЛАПАН ЧАСТОТНОГО ПРЕОБРАЗОВАТЕЛЯ СКОРОСТИ БУДЕТ ИСПОЛЬЗОВАТЬСЯ С 6702641 КОМПЛЕКТОМ ТОЛЬКО

КЛАПАН ЧАСТОТНОГО ПРЕОБРАЗОВАТЕЛЯ СКОРОСТИ БУДЕТ ИСПОЛЬЗОВАТЬСЯ С 6702641 КОМПЛЕКТОМ ТОЛЬКО

1Артикул: 6657761, VALVE Ref. 2 - 16
2Артикул: 41G816, SCREW cap
3Артикул: 980732, BONNET
Подробнее >
КЛАПАН ЦИЛИНДРА НАКЛОНА

КЛАПАН ЦИЛИНДРА НАКЛОНА

1Артикул: 6504942, VALVE Ref. 2 - 20
2Артикул: 6515030, CAP rubber
3Артикул: 1318338, RING
Подробнее >
КОНТУР ЦИЛИНДРА НАКЛОНА

КОНТУР ЦИЛИНДРА НАКЛОНА

1Артикул: 6502203, CLAMP tube
2Артикул: 81D6, NUT
3Артикул: 6501052, HOSE
Подробнее >
НАПРАВЛЯЮЩИЙ РОЛИК ЧАСТОТНОГО ПРЕОБРАЗОВАТЕЛЯ СКОРОСТИ

НАПРАВЛЯЮЩИЙ РОЛИК ЧАСТОТНОГО ПРЕОБРАЗОВАТЕЛЯ СКОРОСТИ

1Артикул: 6502035, SPEED DRIVE Ref. 2 - 8, 10, 14 & 15
2Артикул: 6515571, SNAP RING
3Артикул: 6504428, CAP
Подробнее >
ВСПОМОГАТЕЛЬНЫЕ ЛИНИИ РАМЫ ШАССИ

ВСПОМОГАТЕЛЬНЫЕ ЛИНИИ РАМЫ ШАССИ

1Артикул: 6518121, PLUG
2Артикул: 17C456, BOLT
3Артикул: BLOCK, BLOCK NLA - wood - Was 6503070 - A
Подробнее >
ГИДРОПРИВОДНОЙ НАСОС CESSNA NO. 15510-OEBA И NO. 24305-RAE

ГИДРОПРИВОДНОЙ НАСОС CESSNA NO. 15510-OEBA И NO. 24305-RAE

1Артикул: PUMP, PUMP NLA - hyd. - Use 6519278
2Артикул: 18C544, BOLT 5
3Артикул: 17C536, BOLT
Подробнее >
СХЕМА ГИДРОПРИВОДНОГО НАСОСА

СХЕМА ГИДРОПРИВОДНОГО НАСОСА

1Артикул: FILTER, FILTER See Illustration HYDRAULIC OIL FILTER/ B13878 NLA - hydrostatic - 10 micron - Was 6555477 - A
2Артикул: 19F16, BUSHING
3Артикул: 83F10, ELBOW
Подробнее >
ЦИЛИНДР ПОДЪЕМА

ЦИЛИНДР ПОДЪЕМА

1Артикул: CYLINDER, CYLINDER ASSY. NLA - lift - Was 6501103 - A
2Артикул: 6592030, CASE
3Артикул: 92D12, NUT Was 86D000012B - A
Подробнее >