+7 (701) 588 50 05 Телефон для связи
RU

WhatsApp

Позвонить

ГИДРАВЛИЧЕСКАЯ СИСТЕМА в Алматы

СЕКЦИЯ РАСПРЕДЕЛИТЕЛЯ ПОВОРОТ И КОВШ

СЕКЦИЯ РАСПРЕДЕЛИТЕЛЯ ПОВОРОТ И КОВШ

1Артикул: 6653116, SECTION assy. - Ref. 2-12
2Артикул: HOUSING, HOUSING NSS
3Артикул: SPOOL, SPOOL NSS
Подробнее >
СЕКЦИЯ РАСПРЕДЕЛИТЕЛЯ (ПОВОРОТ СТРЕЛЫ)

СЕКЦИЯ РАСПРЕДЕЛИТЕЛЯ (ПОВОРОТ СТРЕЛЫ)

1Артикул: 6653115, SECTION assy. - Ref. 2-15
2Артикул: HOUSING, HOUSING NSS
3Артикул: 6630965, POPPET
Подробнее >
СЕКЦИЯ РАСПРЕДЕЛИТЕЛЯ (ПРАВОСТОРОННИЙ ХОД)

СЕКЦИЯ РАСПРЕДЕЛИТЕЛЯ (ПРАВОСТОРОННИЙ ХОД)

1Артикул: 6653118, SECTION assy. - Ref. 2-19
2Артикул: HOUSING, HOUSING NSS
3Артикул: 6653125, SPACER
Подробнее >
ЦИЛИНДР КОВША (BOBCAT)

ЦИЛИНДР КОВША (BOBCAT)

1Артикул: 6538977, CYLINDER Ref. 2-17 - Was 6537230 - A
2Артикул: 6537095, ROD W/Ref. 16 & 17 - Was 6537230 - A
3Артикул: 6529986, HEAD
Подробнее >
ЦИЛИНДР СТРЕЛЫ (ИСХОДНОЕ ОБОРУДОВАНИЕ)

ЦИЛИНДР СТРЕЛЫ (ИСХОДНОЕ ОБОРУДОВАНИЕ)

1Артикул: CYLINDER, CYLINDER See BTIE-009 NLA - Ref. 2-23 - Was 6653680 - A
2Артикул: CASE, CASE NLA - W/Ref. 21 - Was 6653677 - A
3Артикул: ROD, ROD NLA - W/Ref. 21 - Was 6720288 - A
Подробнее >
ЦИЛИНДР ОТВАЛА (ИСХОДНОЕ ОБОРУДОВАНИЕ)

ЦИЛИНДР ОТВАЛА (ИСХОДНОЕ ОБОРУДОВАНИЕ)

1Артикул: CYLINDER, CYLINDER See BTIE-009 NLA - Ref. 2-20 - Was 6652864 - A
2Артикул: HOUSING, HOUSING NLA - W/Ref. 18 - Was 6653658 - A
3Артикул: ROD, ROD NLA - W/Ref. 18 - Was 6653659 - A
Подробнее >
ПРАВОСТОРОННИЙ ДЖОЙСТИК УПРАВЛЕНИЯ

ПРАВОСТОРОННИЙ ДЖОЙСТИК УПРАВЛЕНИЯ

1Артикул: 6654120, JOYSTICK ASSY. NLA - W/Ref. 2-39 - Was 6554120 - A
2Артикул: HOUSING, HOUSING NSS - Order Ref. 1 - Was 6655290 - A
3Артикул: 6655289, PLATE
Подробнее >
СХЕМА ГИДРАВЛИЧЕСКОЙ СИСТЕМЫ

СХЕМА ГИДРАВЛИЧЕСКОЙ СИСТЕМЫ

1Артикул: PUMP, PUMP See Illustration GEAR PUMP/ B13031 See BTIE-023 NLA - WAS 6652840 - A
2Артикул: 6535585, ADAPTER NLA - W/Ref. 3 - Was 6535585 - A
3Артикул: 79K12, O RING 10
Подробнее >
ШЕСТЕРЕННЫЙ НАСОС (ПОВОРОТ И КОВШ)

ШЕСТЕРЕННЫЙ НАСОС (ПОВОРОТ И КОВШ)

1Артикул: PUMP, PUMP See BTIE-023 NLA - Ref. 2-21 - Was 6652840 - A
2Артикул: BUSHING, BUSHING NSS
3Артикул: BUSHING, BUSHING NSS
Подробнее >
СЕКЦИЯ РАСПРЕДЕЛИТЕЛЯ (РУКОЯТЬ ЧЕРПАКА И СТРЕЛА)

СЕКЦИЯ РАСПРЕДЕЛИТЕЛЯ (РУКОЯТЬ ЧЕРПАКА И СТРЕЛА)

1Артикул: 6653117, SECTION assy. - Ref. 2-12
2Артикул: HOUSING, HOUSING NSS
3Артикул: SPOOL, SPOOL NSS
Подробнее >
ЦИЛИНДР ОТВАЛА (BOBCAT)

ЦИЛИНДР ОТВАЛА (BOBCAT)

1Артикул: 6538976, CYLINDER Ref. 2-16 - Was 6536378 - A
2Артикул: 6536390, ROD W/Ref. 15 & 16
3Артикул: 6529986, HEAD
Подробнее >
РЕГУЛИРУЮЩИЙ КЛАПАН (9-КАТУШКА)

РЕГУЛИРУЮЩИЙ КЛАПАН (9-КАТУШКА)

1Артикул: 6652842, VALVE assy. - Ref. 2-18
2Артикул: 6653119, SECTION inlet
3Артикул: 6653117, SECTION See Illustration VALVE SECTION/ B13036 DIPPER ARM & BOOM
Подробнее >
ФИТТИНГИ ПОВОРОТНОГО СОЕДИНЕНИЯ

ФИТТИНГИ ПОВОРОТНОГО СОЕДИНЕНИЯ

1Артикул: 7123864, SWIVEL ASSY See Illustration SWIVEL JOINT/ PE3057 - Was 6800524 - A
2Артикул: ELBOW, ELBOW NLA - W/Ref. 4 - Was 6665110 - A
3Артикул: ELBOW, ELBOW NLA - W/Ref. 8 - Was 6665112 - A
Подробнее >
ЦИЛИНДР ПОВОРОТА (BOBCAT)

ЦИЛИНДР ПОВОРОТА (BOBCAT)

1Артикул: CYLINDER,, CYLINDER, SWING NLA
2Артикул: 6537075, ROD W/Ref. 18 & 19
3Артикул: 6586721, HEAD Was 6534429 - A
Подробнее >
СХЕМА ГИДРАВЛИЧЕСКОЙ СИСТЕМЫ (РУКОЯТЬ И СТРЕЛА)

СХЕМА ГИДРАВЛИЧЕСКОЙ СИСТЕМЫ (РУКОЯТЬ И СТРЕЛА)

1Артикул: 6535578, ELBOW NLA - W/Ref. 2 - Was 6535578 - A
2Артикул: 79K8, O RING 10
3Артикул: 6535583, ELBOW NLA - W/Ref. 2 - Was 6535583 - A
Подробнее >
ЦИЛИНДР ПОВОРОТА (ИСХОДНОЕ ОБОРУДОВАНИЕ)

ЦИЛИНДР ПОВОРОТА (ИСХОДНОЕ ОБОРУДОВАНИЕ)

1Артикул: CYLINDER, CYLINDER See BTIE-009 NLA - Ref. 2-27 - Was 6652866 - A
2Артикул: HOUSING, HOUSING NLA - W/Ref. 24 - Was 6653636 - A
3Артикул: ROD, ROD NLA - W/Ref. 24 - Was 6653637 - A
Подробнее >
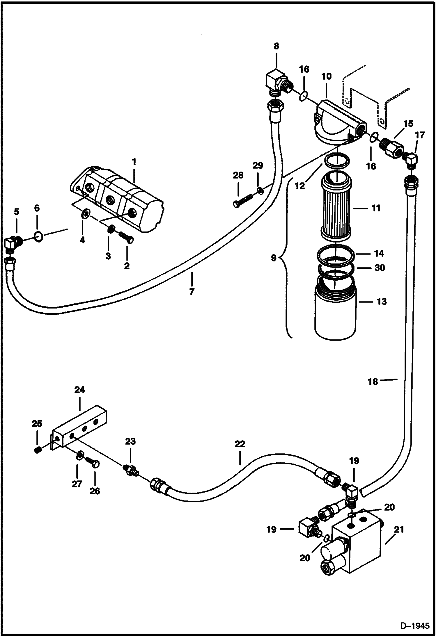
СХЕМА ГИДРАВЛИЧЕСКОЙ СИСТЕМЫ (ИЗ НАСОСА ВО ВТОРИЧНЫЙ ФИЛЬТР И В КЛАПАН РАЗГРУЗОЧНОГО УСТРОЙСТВА)

СХЕМА ГИДРАВЛИЧЕСКОЙ СИСТЕМЫ (ИЗ НАСОСА ВО ВТОРИЧНЫЙ ФИЛЬТР И В КЛАПАН РАЗГРУЗОЧНОГО УСТРОЙСТВА)

1Артикул: PUMP, PUMP See Illustration GEAR PUMP/ B13031 See BTIE-023 NLA - WAS 6652840 - A
2Артикул: 1CM1025, BOLT
3Артикул: 6EM100, WASHER
Подробнее >
СЕКЦИЯ РАСПРЕДЕЛИТЕЛЯ (ЛЕВОСТОРОННИЙ ХОД)

СЕКЦИЯ РАСПРЕДЕЛИТЕЛЯ (ЛЕВОСТОРОННИЙ ХОД)

1Артикул: 6653114, SECTION assy. - Ref. 2-14
2Артикул: HOUSING, HOUSING NSS
3Артикул: 6653144, SCREW lockwasher
Подробнее >
ЛЕВОСТОРОННИЙ ДЖОЙСТИК УПРАВЛЕНИЯ

ЛЕВОСТОРОННИЙ ДЖОЙСТИК УПРАВЛЕНИЯ

1Артикул: 6654119, JOYSTICK ASSY. NLA - Assy. - W/Ref. 2-34 - Was 6654119 - A
2Артикул: HOUSING, HOUSING NSS - Order Ref. 1 - Was 6655290 - A
3Артикул: 6655289, PLATE
Подробнее >
ТРОЙНОЙ ШЕСТЕРЕНЧАТЫЙ НАСОС

ТРОЙНОЙ ШЕСТЕРЕНЧАТЫЙ НАСОС

1Артикул: 6698021, PUMP assy. - W/Ref. 2-24 assy. - W/Ref. 2-24 Was - 6662741
2Артикул: PLATE, PLATE NLA - front - Was 6648916 - A
3Артикул: SEAL, SEAL NSS
Подробнее >
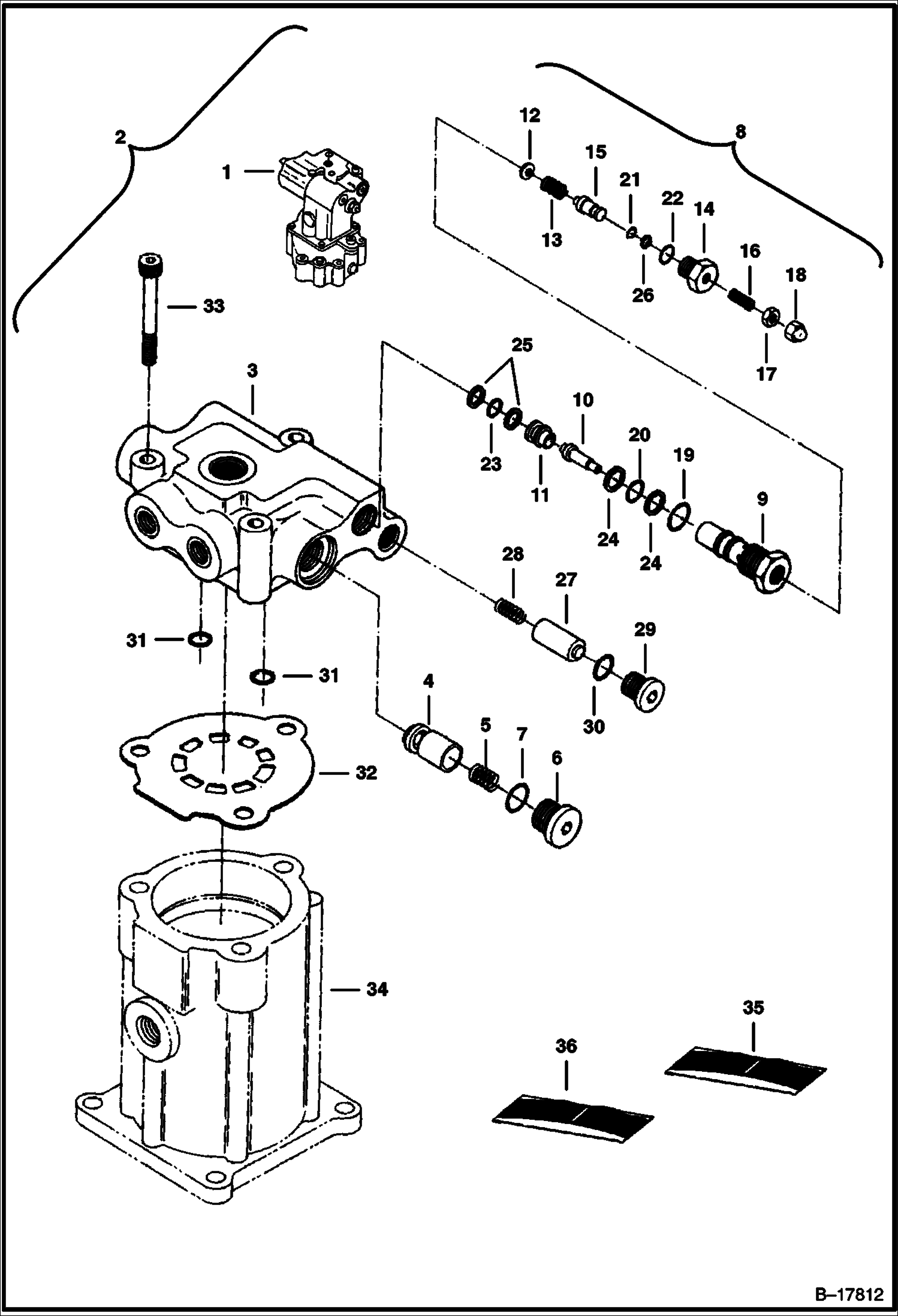
ХОДОВОЙ ГИДРОМОТОР

ХОДОВОЙ ГИДРОМОТОР

1Артикул: VALVE, VALVE ASSY NSS - Ref. 2-13
2Артикул: BODY, BODY NSS
3Артикул: PLUG, PLUG NLA - Was 6653190 - A
Подробнее >
СЕКЦИЯ РАСПРЕДЕЛИТЕЛЯ (ВСПОМОГАТЕЛЬНОЕ УСТРОЙСТВО)

СЕКЦИЯ РАСПРЕДЕЛИТЕЛЯ (ВСПОМОГАТЕЛЬНОЕ УСТРОЙСТВО)

1Артикул: 6653113, SECTION assy. - Ref. 2-15
2Артикул: HOUSING, HOUSING NSS
3Артикул: 6630965, POPPET
Подробнее >
ЦИЛИНДР СТРЕЛЫ (MELROE)

ЦИЛИНДР СТРЕЛЫ (MELROE)

1Артикул: 6586726, CYLINDER Ref. 2-15, 21 & 22 - Was 6537171 - A
2Артикул: 6537051, ROD
3Артикул: 6586718, HEAD, CYL TILT Was 7214661 - A
Подробнее >
ЦИЛИНДР РУКОЯТИ (ИСХОДНОЕ ОБОРУДОВАНИЕ)

ЦИЛИНДР РУКОЯТИ (ИСХОДНОЕ ОБОРУДОВАНИЕ)

1Артикул: CYLINDER, CYLINDER See BTIE-009 NLA - Ref. 2-29 - Was 6653653 - A
2Артикул: CASE, CASE NLA - W/Ref. 21 - Was 6653649 - A
3Артикул: ROD, ROD NLA - W/Ref. 21 - Was 6653650 - A
Подробнее >
СХЕМА ГИДРАВЛИЧЕСКОЙ СИСТЕМЫ (ОТ КЛАПАНА В ЦИЛИНДР ОТВАЛА)

СХЕМА ГИДРАВЛИЧЕСКОЙ СИСТЕМЫ (ОТ КЛАПАНА В ЦИЛИНДР ОТВАЛА)

1Артикул: 6535578, ELBOW NLA - W/Ref. 2 - Was 6535578 - A
2Артикул: 79K8, O RING 10
3Артикул: HOSE, HOSE NLA - Was 6534271 - A
Подробнее >
ГИДРОМОТОР ПОВОРОТА ПЛАТФОРМЫ

ГИДРОМОТОР ПОВОРОТА ПЛАТФОРМЫ

1Артикул: SWING, SWING MOTOR See Illustration SWING MOTOR/ B17811 See Illustration SWING MOTOR/ D1954 NLA - assy - W/Ref. 2-33, also includes Ref. 2 on Ill D1954 & Ref. 2 on Ill B17811 - Was 6652861 - A
2Артикул: VALVE, VALVE NLA - assy - W/Ref. 3-31 - Was 6653704 - A
3Артикул: HOUSING, HOUSING NSS
Подробнее >
СХЕМА ГИДРАВЛИЧЕСКОЙ СИСТЕМЫ ВСПОМОГАТЕЛЬНОЕ ОБОРУДОВАНИЕ

СХЕМА ГИДРАВЛИЧЕСКОЙ СИСТЕМЫ ВСПОМОГАТЕЛЬНОЕ ОБОРУДОВАНИЕ

1Артикул: 6535582, ELBOW NLA - W/Ref. 2 - Was 6535582 - A
2Артикул: 79K8, O RING 10
3Артикул: HOSE, HOSE NLA - Was 6534286 - A
Подробнее >
СХЕМА ГИДРАВЛИЧЕСКОЙ СИСТЕМЫ (ИЗ КЛАПАНА В ХОД ДВИГАТЕЛЯ)

СХЕМА ГИДРАВЛИЧЕСКОЙ СИСТЕМЫ (ИЗ КЛАПАНА В ХОД ДВИГАТЕЛЯ)

1Артикул: MOTOR, MOTOR See Illustration TRAVEL MOTOR/ D1974 See BTIE-050 NLA - travel - Was 6652841 - A
2Артикул: ADAPTER, ADAPTER NLA - Was 6535078 - A
3Артикул: 6655244, O-RING
Подробнее >
РАЗГРУЗОЧНЫЙ КЛАПАН

РАЗГРУЗОЧНЫЙ КЛАПАН

1Артикул: VALVE, VALVE NLA - Was 6654121 - A
2Артикул: HOUSING, HOUSING NSS - Was 6655293 - A
3Артикул: SPOOL, SPOOL NSS - Was 6655294 - A
Подробнее >
ЦИЛИНДР РУКОЯТИ (BOBCAT)

ЦИЛИНДР РУКОЯТИ (BOBCAT)

1Артикул: 6586724, CYLINDER Ref. 2-15, 19 & 20 - Was 6537165 - A
2Артикул: 6537057, ROD
3Артикул: 6586718, HEAD, CYL TILT Was 7214661 - A
Подробнее >
ПОВОРОТНОЕ СОЕДИНЕНИЕ

ПОВОРОТНОЕ СОЕДИНЕНИЕ

1Артикул: 7123864, SWIVEL ASSY W/Ref. 2-11 - Was 6800524 - A
2Артикул: 7123863, BARREL Was 6664906 - A
3Артикул: 6664907, ROTOR
Подробнее >
СХЕМА ГИДРАВЛИЧЕСКОЙ СИСТЕМЫ (ОТ КЛАПАНА К БАКУ)

СХЕМА ГИДРАВЛИЧЕСКОЙ СИСТЕМЫ (ОТ КЛАПАНА К БАКУ)

1Артикул: 6652842, VALVE See Illustration CONTROL VALVE/ B13034 CONTROL
2Артикул: SWING, SWING MOTOR See Illustration SWING MOTOR/ B17811 NLA - Was 6652861 - A
3Артикул: SWIVEL, SWIVEL JOINT See Illustration SWIVEL JOINT/ C3160
Подробнее >
СЕКЦИЯ РАСПРЕДЕЛИТЕЛЯ (ОТВАЛ)

СЕКЦИЯ РАСПРЕДЕЛИТЕЛЯ (ОТВАЛ)

1Артикул: VALVE, VALVE NLA - assy. - Ref. 2-15 - Order Valve 3974823B , Relief 6657018 & Seal 6653147
2Артикул: 7031610, VALVE, HYD assy. - Ref. 2-15 - Was 3974823 - A
3Артикул: HOUSING, HOUSING NSS
Подробнее >
ЦИЛИНДР КОВША (ИСХОДНОЕ ОБОРУДОВАНИЕ)

ЦИЛИНДР КОВША (ИСХОДНОЕ ОБОРУДОВАНИЕ)

1Артикул: CYLINDER, CYLINDER See BTIE-009 NLA - Ref. 2-20 - Was 6653635 - A
2Артикул: HOUSING, HOUSING NLA - W/Ref. 21 - Was 6653633 - A
3Артикул: ROD, ROD NLA - W/Ref. 21 - Was 6653634 - A
Подробнее >
СХЕМА ГИДРАВЛИЧЕСКОЙ СИСТЕМЫ (КОВШ И ПОВОРОТ СТРЕЛЫ)(ПОВОРОТ СТРЕЛЫ С ЗАПОРНЫМ КЛАПАНОМ)

СХЕМА ГИДРАВЛИЧЕСКОЙ СИСТЕМЫ (КОВШ И ПОВОРОТ СТРЕЛЫ)(ПОВОРОТ СТРЕЛЫ С ЗАПОРНЫМ КЛАПАНОМ)

1Артикул: 17K5, ELBOW W/Ref. 13
2Артикул: 79K8, O RING 10
3Артикул: 6630527, VALVE
Подробнее >
ГИДРАВЛИЧЕСКИЙ БАК И ФИЛЬТР

ГИДРАВЛИЧЕСКИЙ БАК И ФИЛЬТР

1Артикул: TANK, TANK NLA - Order Tank 6535605 , Screen 6569219 , Cap 6659249 , Fitting 6535626 , Sight Gauge 6539386 (2) & Fitting 6535627 - Was 6535512 - A
2Артикул: 6535605, TANK
3Артикул: 6535149, PLATE NLA - Was 6535149 - A
Подробнее >