+7 (701) 588 50 05 Телефон для связи
RU

WhatsApp

Позвонить

ГИДРАВЛИЧЕСКАЯ СИСТЕМА в Алматы

ЦИЛИНДР НАКЛОНА

ЦИЛИНДР НАКЛОНА

1Артикул: CYLINDER,, CYLINDER, TILT NLA - Ref. 2-13, 15 & 16 - 0.563-- base end fitting - Order 7117174 cylinder & 7114236 hose - Was 6809802 - A
2Артикул: CASE, CASE NLA - 70 mm (2.75--) ID - 0.563-- base end fitting - Order 7117175 case & 7114236 hose - Was 6809904 - A
3Артикул: 6806315, PISTON
Подробнее >
ГИДРАВЛИЧЕСКИЙ РЕГУЛИРУЮЩИЙ КЛАПАН (БЛОКИРАТОР КАТУШКИ) (РЕЗЕРВНЫЙ КЛАПАН)

ГИДРАВЛИЧЕСКИЙ РЕГУЛИРУЮЩИЙ КЛАПАН (БЛОКИРАТОР КАТУШКИ) (РЕЗЕРВНЫЙ КЛАПАН)

1Артикул: 7184231, VALVE, CONTROL SERVICE
2Артикул: 6587763, BOOT
3Артикул: 29G444, BOLT
Подробнее >
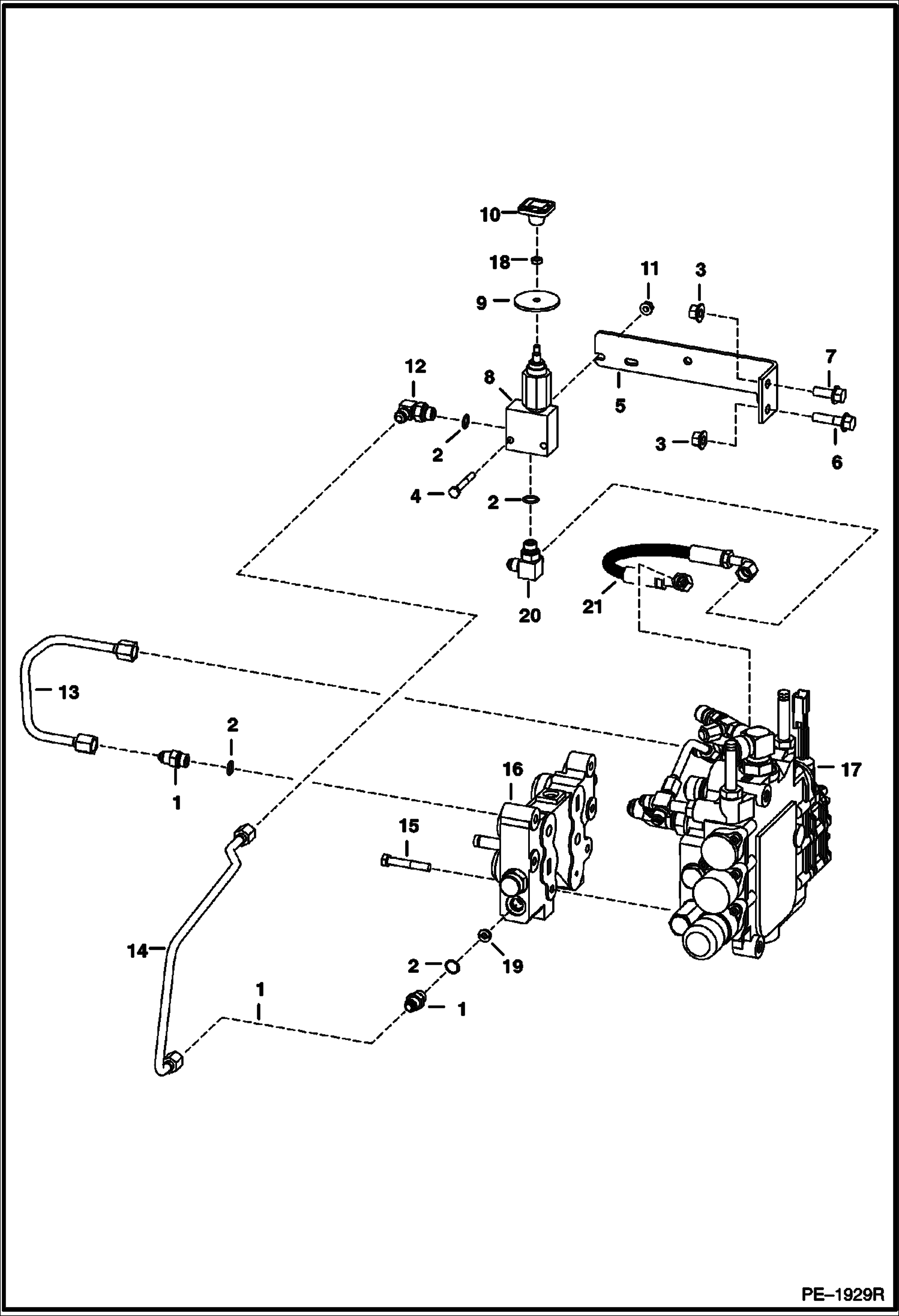
РУКОВОДСТВО ПО ЭКСПЛУАТАЦИИ КЛАПАНА УСТРОЙСТВА ДЛЯ ОТПУСКАНИЯ

РУКОВОДСТВО ПО ЭКСПЛУАТАЦИИ КЛАПАНА УСТРОЙСТВА ДЛЯ ОТПУСКАНИЯ

1Артикул: 7230495, VALVE, LIFT MANUAL Ref. 2-4 - Was 6667844 - A
2Артикул: BLOCK, BLOCK NSS
3Артикул: 6669087, SEAL KIT
Подробнее >
ЦИЛИНДР ПОДЪЕМА

ЦИЛИНДР ПОДЪЕМА

1Артикул: 7117667, CYLINDER, LIFT Ref. 2 - 16
2Артикул: 7117668, TUBE, CASE CYL LIFT
3Артикул: 6678931, PISTON W/Ref. 9 & 10 - Also has Non-Replaceable wear sleeves
Подробнее >
СХЕМА ГИДРАВЛИЧЕСКОЙ СИСТЕМЫ (С КЛАПАНОМ РЕГУЛИРОВКИ ПОЛОЖЕНИЯ КОВША) (СЕРИЙНЫЙ НОМЕР 527713001 И ВЫШЕ, 527813001 И ВЫШЕ)

СХЕМА ГИДРАВЛИЧЕСКОЙ СИСТЕМЫ (С КЛАПАНОМ РЕГУЛИРОВКИ ПОЛОЖЕНИЯ КОВША) (СЕРИЙНЫЙ НОМЕР 527713001 И ВЫШЕ, 527813001 И ВЫШЕ)

1Артикул: CYLINDER, CYLINDER See Illustration TILT CYLINDER/ PE1056 TILT
2Артикул: CYLINDER, CYLINDER See Illustration LIFT CYLINDER/ B13593 LIFT
3Артикул: 6735669, BOOM STEP
Подробнее >
ДОПОЛНИТЕЛЬНАЯ ГИДРАВЛИКА

ДОПОЛНИТЕЛЬНАЯ ГИДРАВЛИКА

1Артикул: BLOCK,, BLOCK, COUPLER ASSY See BTI434ldr - 7246783 or 6678076 - A
2Артикул: 6731230, TUBE
3Артикул: 6731229, TUBE
Подробнее >
РУКОВОДСТВО ПО ОТКЛЮЧЕНИЮ ПОДЪЕМНОГО УСТРОЙСТВА (СЕРИЙНЫЙ НОМЕР 527713001 И ВЫШЕ, 527813001 И ВЫШЕ)

РУКОВОДСТВО ПО ОТКЛЮЧЕНИЮ ПОДЪЕМНОГО УСТРОЙСТВА (СЕРИЙНЫЙ НОМЕР 527713001 И ВЫШЕ, 527813001 И ВЫШЕ)

1Артикул: 17KB0606, FITTING W/Ref. 2
2Артикул: 79K6, O RING 10
3Артикул: 83D6, NUT 5
Подробнее >
РЕГУЛИРУЮЩИЙ КЛАПАН СИСТЕМЫ БЛОКИРОВКИ УПРАВЛЕНИЯ (BICS) (СЕРИЙНЫЙ НОМЕР 527711001 - 527712999, 527811001 - 527812999)

РЕГУЛИРУЮЩИЙ КЛАПАН СИСТЕМЫ БЛОКИРОВКИ УПРАВЛЕНИЯ (BICS) (СЕРИЙНЫЙ НОМЕР 527711001 - 527712999, 527811001 - 527812999)

1Артикул: VALVE,, VALVE, BICS NLA - D series coil compatible - Ref. 2-5, 6 (6667687 stem), 7 & 8 - Order 7297071 BICS valve & Ref. 9 (7272732 coil) - Was 6628571 - A
2Артикул: 7297071, VALVE, BICS E series coil compatible - Ref. 2-5, 6 (7272731 stem), 7 & 8
3Артикул: 6689739, VALVE pilot operated - Was 6668765 - A
Подробнее >
ГИДРАВЛИЧЕСКИЙ РЕГУЛИРУЮЩИЙ КЛАПАН (СИСТЕМА УСОВЕРШЕНСТВОВАННОГО КОНТРОЛЯ) (СЕРИЙНЫЙ НОМЕР 527713001- , 527813001- )

ГИДРАВЛИЧЕСКИЙ РЕГУЛИРУЮЩИЙ КЛАПАН (СИСТЕМА УСОВЕРШЕНСТВОВАННОГО КОНТРОЛЯ) (СЕРИЙНЫЙ НОМЕР 527713001- , 527813001- )

1Артикул: VALVE, VALVE See BTI363 - NLA - use existing (2) each of Ref. 48 & 17C-620 bolts or order them new - Was 6816564 - A
2Артикул: VALVE, VALVE See BTI363 - NLA - Does not use (2) each of Ref. 48 & 17C-620 Bolts - Was 7110791 - A
3Артикул: 29G416, BOLT
Подробнее >
СХЕМА ГИДРАВЛИЧЕСКОЙ СИСТЕМЫ (БЕЗ КЛАПАНА РЕГУЛИРОВКИ ПОЛОЖЕНИЯ КОВША) (СЕРИЙНЫЙ НОМЕР 5277 12999 И НИЖЕ, 5278 12999 И НИЖЕ)

СХЕМА ГИДРАВЛИЧЕСКОЙ СИСТЕМЫ (БЕЗ КЛАПАНА РЕГУЛИРОВКИ ПОЛОЖЕНИЯ КОВША) (СЕРИЙНЫЙ НОМЕР 5277 12999 И НИЖЕ, 5278 12999 И НИЖЕ)

1Артикул: CYLINDER, CYLINDER See Illustration TILT CYLINDER/ PE1056 TILT
2Артикул: CYLINDER, CYLINDER See Illustration LIFT CYLINDER/ B13593 LIFT
3Артикул: 6735669, BOOM STEP
Подробнее >
ГИДРАВЛИЧЕСКИЙ РЕГУЛИРУЮЩИЙ КЛАПАН (СИСТЕМА УСОВЕРШЕНСТВОВАННОГО КОНТРОЛЯ) (РЕЗЕРВНЫЙ КЛАПАН)

ГИДРАВЛИЧЕСКИЙ РЕГУЛИРУЮЩИЙ КЛАПАН (СИСТЕМА УСОВЕРШЕНСТВОВАННОГО КОНТРОЛЯ) (РЕЗЕРВНЫЙ КЛАПАН)

1Артикул: 7222854, VALVE, CONTROL SERVICE Ref. 2 - 56
2Артикул: VALVE,, VALVE, BICS See Illustration BICS CONTROL VALVE/ TS1365 - Was 6628571 - A
3Артикул: 6589564, RETAINER
Подробнее >
РУКОВОДСТВО ПО ОТКЛЮЧЕНИЮ ПОДЪЕМНОГО УСТРОЙСТВА (СЕРИЙНЫЙ НОМЕР 5277 12999 И НИЖЕ, 5278 12999 И НИЖЕ)

РУКОВОДСТВО ПО ОТКЛЮЧЕНИЮ ПОДЪЕМНОГО УСТРОЙСТВА (СЕРИЙНЫЙ НОМЕР 5277 12999 И НИЖЕ, 5278 12999 И НИЖЕ)

1Артикул: 15KB0606, FITTING, HYD CONNECTOR W/Ref. 2
2Артикул: 79K6, O RING 10
3Артикул: 83D6, NUT 5
Подробнее >
ГИДРАВЛИЧЕСКИЙ РЕГУЛИРУЮЩИЙ КЛАПАН (РЕЗЕРВНЫЙ КЛАПАН) (КОМБИНИРОВАННЫЙ КЛАПАН СИСТЕМЫ БЛОКИРОВКИ УПРАВЛЕНИЯ (BICS))

ГИДРАВЛИЧЕСКИЙ РЕГУЛИРУЮЩИЙ КЛАПАН (РЕЗЕРВНЫЙ КЛАПАН) (КОМБИНИРОВАННЫЙ КЛАПАН СИСТЕМЫ БЛОКИРОВКИ УПРАВЛЕНИЯ (BICS))

1Артикул: VALVE,, VALVE, CONTROL SERVICE See Illustration HYDRAULIC CONTROL VALVE/ NA6732 See BTI336 - NLA - valve is minus all fittings, relief valves, anti-cavitation valves, solenoid coils & solenoid spools - remove & use existing parts from old valve or order new parts as needed - Was 6815480 - A
2Артикул: 29G444, BOLT
3Артикул: 6589564, RETAINER
Подробнее >
ГИДРАВЛИЧЕСКИЙ РЕГУЛИРУЮЩИЙ КЛАПАН (РЕЗЕРВНЫЙ КЛАПАН) (СИСТЕМА УСОВЕРШЕНСТВОВАННОГО КОНТРОЛЯ)

ГИДРАВЛИЧЕСКИЙ РЕГУЛИРУЮЩИЙ КЛАПАН (РЕЗЕРВНЫЙ КЛАПАН) (СИСТЕМА УСОВЕРШЕНСТВОВАННОГО КОНТРОЛЯ)

1Артикул: VALVE,, VALVE, CONTROL SERVICE See BTI368 - NLA - valve is minus all fittings, relief valves, anti-cavitation valves, solenoid coils & solenoid spools - remove & use existing parts from old valve or order new parts as needed - Was 6815690 - A
2Артикул: BODY, BODY NSS - BICS CONTROL - WAS 6628571 - D
3Артикул: 29G416, BOLT
Подробнее >
ОРГАНЫ УПРАВЛЕНИЯ

ОРГАНЫ УПРАВЛЕНИЯ

1Артикул: 6564657, PIN
2Артикул: 6576302, BAR
3Артикул: 95D6, NUT
Подробнее >
ГИДРАВЛИЧЕСКИЙ РЕГУЛИРУЮЩИЙ КЛАПАН (СЕРИЙНЫЙ НОМЕР 527713001 И ВЫШЕ, 527813001 И ВЫШЕ)

ГИДРАВЛИЧЕСКИЙ РЕГУЛИРУЮЩИЙ КЛАПАН (СЕРИЙНЫЙ НОМЕР 527713001 И ВЫШЕ, 527813001 И ВЫШЕ)

1Артикул: VALVE, VALVE See BTI363 - NLA - W/fittings - Was 6815060 - A
2Артикул: VALVE, VALVE See BTI363 - NLA - Does not use (2) each of Ref. 45 & 17C620 bolts - Was 7110321 - A
3Артикул: 29G444, BOLT
Подробнее >
СХЕМА ГИДРАВЛИЧЕСКОЙ СИСТЕМЫ (С КЛАПАНОМ РЕГУЛИРОВКИ ПОЛОЖЕНИЯ КОВША) СЕРИЙНЫЙ НОМЕР 5277 12999 И НИЖЕ, 5278 12999 И НИЖЕ

СХЕМА ГИДРАВЛИЧЕСКОЙ СИСТЕМЫ (С КЛАПАНОМ РЕГУЛИРОВКИ ПОЛОЖЕНИЯ КОВША) СЕРИЙНЫЙ НОМЕР 5277 12999 И НИЖЕ, 5278 12999 И НИЖЕ

1Артикул: CYLINDER, CYLINDER See Illustration TILT CYLINDER/ PE1056 TILT
2Артикул: CYLINDER, CYLINDER See Illustration LIFT CYLINDER/ B13593 LIFT
3Артикул: 6735669, BOOM STEP
Подробнее >
СХЕМА ГИДРАВЛИЧЕСКОЙ СИСТЕМЫ (БЕЗ КЛАПАНА РЕГУЛИРОВКИ ПОЛОЖЕНИЯ КОВША) (СЕРИЙНЫЙ НОМЕР 527713001 И ВЫШЕ, 527813001 И ВЫШЕ)

СХЕМА ГИДРАВЛИЧЕСКОЙ СИСТЕМЫ (БЕЗ КЛАПАНА РЕГУЛИРОВКИ ПОЛОЖЕНИЯ КОВША) (СЕРИЙНЫЙ НОМЕР 527713001 И ВЫШЕ, 527813001 И ВЫШЕ)

1Артикул: CYLINDER, CYLINDER See Illustration TILT CYLINDER/ PE1056 TILT
2Артикул: CYLINDER, CYLINDER See Illustration LIFT CYLINDER/ B13593 LIFT
3Артикул: 6735669, BOOM STEP
Подробнее >