ГИДРАВЛИЧЕСКАЯ СИСТЕМА в Алматы
СХЕМА ГИДРАВЛИЧЕСКОЙ СИСТЕМЫ (БЕЗ КЛАПАНА РЕГУЛТРОВКИ ПОЛОЖЕНИЯ КОВША)
1Артикул: CYLINDER, CYLINDER See Illustration TILT CYLINDER/ PE1520 TILT
2Артикул: ADAPTER, ADAPTER NLA - W/Ref. 22 - tapered boss face - Was 6715878 - A
3Артикул: 15KB1612, FITTING, HYD CONNECTOR W/Ref. 22 - flat boss face
ЦИЛИНДР ПОДЪЕМА
1Артикул: 6817310, CYLINDER, LIFT lift - Ref. 2-16
2Артикул: 6817311, TUBE, CASE CYL LIFT
3Артикул: 6678933, PISTON
РУКОВОДСТВО ПО ЭКСПЛУАТАЦИИ КЛАПАНА УСТРОЙСТВА ДЛЯ ОТПУСКАНИЯ
1Артикул: 7230495, VALVE, LIFT MANUAL Ref. 2-4 - Was 6667844 - A
2Артикул: BLOCK, BLOCK NSS
3Артикул: 6669087, SEAL KIT
ЦИЛИНДР НАКЛОНА
1Артикул: CYLINDER,, CYLINDER, TILT NLA - Ref. 2-9 & 12-21 - Order 7208419 tilt cylinder - Was 6810233 - A
2Артикул: 7208419, CYLINDER, TILT Ref. 2-9 & 12-21
3Артикул: 6810234, TUBE, CASE CYL TILT 76 mm (3--) ID
ПОДЪЕМНОЕ УСТРОЙСТВО И КОНТУР УПРАВЛЕНИЯ КОВШОМ
1Артикул: TEE, TEE NLA - W/Ref. 2 - tapered boss face - Order 21KB00606B - Was 21KV00005B - A
2Артикул: 97K8, RING,O flared end
3Артикул: 21KB0606, FTG HYD STRAIGHT TEE W/Ref. 2 - flat boss face
ГИДРАВЛИЧЕСКИЙ РЕГУЛИРУЮЩИЙ КЛАПАН
1Артикул: VALVE,, VALVE, CONTROL See BTI368 - NLA - valve is minus all fittings, relief valves, anti-cavitation valves, solenoid coils & solenoid spools - remove & use existing parts from old valve or order new parts as needed - Was 6816447 - A
2Артикул: VALVE,, VALVE, BICS See Illustration BICS CONTROL VALVE/ PE1730 - NLA - Was 6814269 - A
3Артикул: 6589564, RETAINER
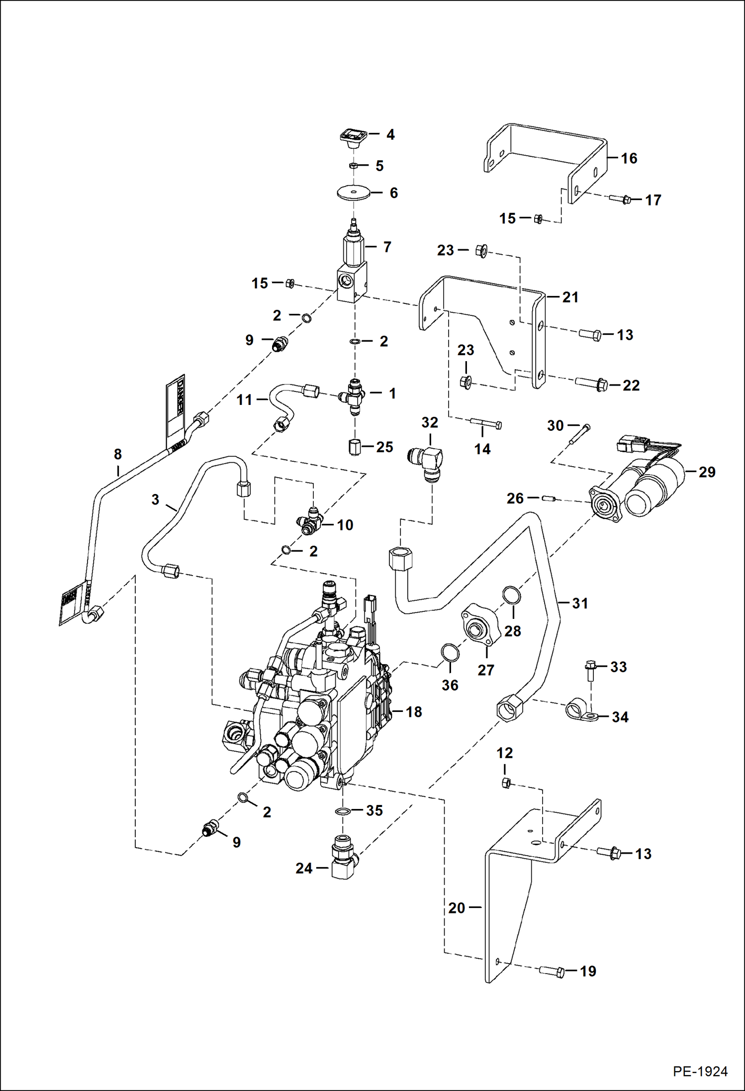
ДОПОЛНИТЕЛЬНАЯ ГИДРАВЛИКА
1Артикул: 7102414, BRACKET Was 6731199 - A
2Артикул: 84G3716, SCREW 5
3Артикул: BLOCK,, BLOCK, COUPLER ASSY See BTI434ldr - 7246783 or 6678076 - A
РЕГУЛИРУЮЩИЙ КЛАПАН СИСТЕМЫ БЛОКИРОВКИ УПРАВЛЕНИЯ (BICS)
1Артикул: VALVE,, VALVE, BICS NLA - D series coil compatible - Ref. 2-5, 6 (6667687 stem), 7 & 8 - Order 7297071 BICS valve & Ref. 9 (7272732 coil) - Was 6628571 - A
2Артикул: 7297071, VALVE, BICS E series coil compatible - Ref. 2-5, 6 (7272731 stem), 7 & 8
3Артикул: 6689739, VALVE pilot operated - Was 6668765 - A
ГИДРАВЛИЧЕСКИЙ РЕГУЛИРУЮЩИЙ КЛАПАН (РЕЗЕРВНЫЙ КЛАПАН)
1Артикул: 7222720, VALVE, CONTROL SERVICE Ref. 2-56
2Артикул: VALVE,, VALVE, BICS See Illustration BICS CONTROL VALVE/ TS1365 - Was 6628571 - A
3Артикул: 6589564, RETAINER
КЛАПАН РЕГУЛИРОВКИ ПОЛОЖЕНИЯ КОВША
1Артикул: VALVE, VALVE NLA - W/ solenoid - Order 6673959 valve, 6647784 plug, 79K10 O-ring, 6647785 spring, 6647783 load check - Was 6666341 - A
2Артикул: 6673959, VALVE, BPV white - W/solenoid - Ref. 2-23
3Артикул: 6647784, PLUG W/Ref. 3
РУЛЕВОЙ ЦИЛИНДР
1Артикул: 6814126, CYLINDER, STEERING Ref. 2-16 - Was 6812786 - A
2Артикул: 6538595, HEAD, CYL HYD
3Артикул: 6809819, SHAFT