+7 (701) 588 50 05 Телефон для связи
RU

WhatsApp

Позвонить

ГИДРАВЛИЧЕСКАЯ СИСТЕМА в Алматы

КЛАПАН АККУМУЛЯТОРА (СЕРИЙНЫЙ НОМЕР 512918516 И ВЫШЕ, 517711110 И ВЫШЕ И 516711789 И ВЫШЕ)

КЛАПАН АККУМУЛЯТОРА (СЕРИЙНЫЙ НОМЕР 512918516 И ВЫШЕ, 517711110 И ВЫШЕ И 516711789 И ВЫШЕ)

1Артикул: 6675141, VALVE Assy - W/Ref. 2-13
2Артикул: 6675350, VALVE Pressure Reducing - W/Ref. 3
3Артикул: 6675354, O-RING
Подробнее >
СХЕМА ГИДРАВЛИЧЕСКОЙ СИСТЕМЫ (РАЗДВИЖНАЯ РУКОЯТЬ) (СЕРИЙНЫЙ НОМЕР 517711001 И ВЫШЕ)

СХЕМА ГИДРАВЛИЧЕСКОЙ СИСТЕМЫ (РАЗДВИЖНАЯ РУКОЯТЬ) (СЕРИЙНЫЙ НОМЕР 517711001 И ВЫШЕ)

1Артикул: 6628642, TUBELINE For Use W/flush face couplers - Use W/aux bracket 6628560 2.95-- (74.9 mm) x 4.72-- (119.9 mm)
2Артикул: 7139955, TUBELINE Use W/aux bracket 6597688 3.86-- (98 mm) x 4.95-- (125.8 mm)
3Артикул: 6628643, TUBELINE For Use W/flush face couplers - Use W/aux bracket 6628560 2.95-- (74.9 mm) x 4.72-- (119.9 mm)
Подробнее >
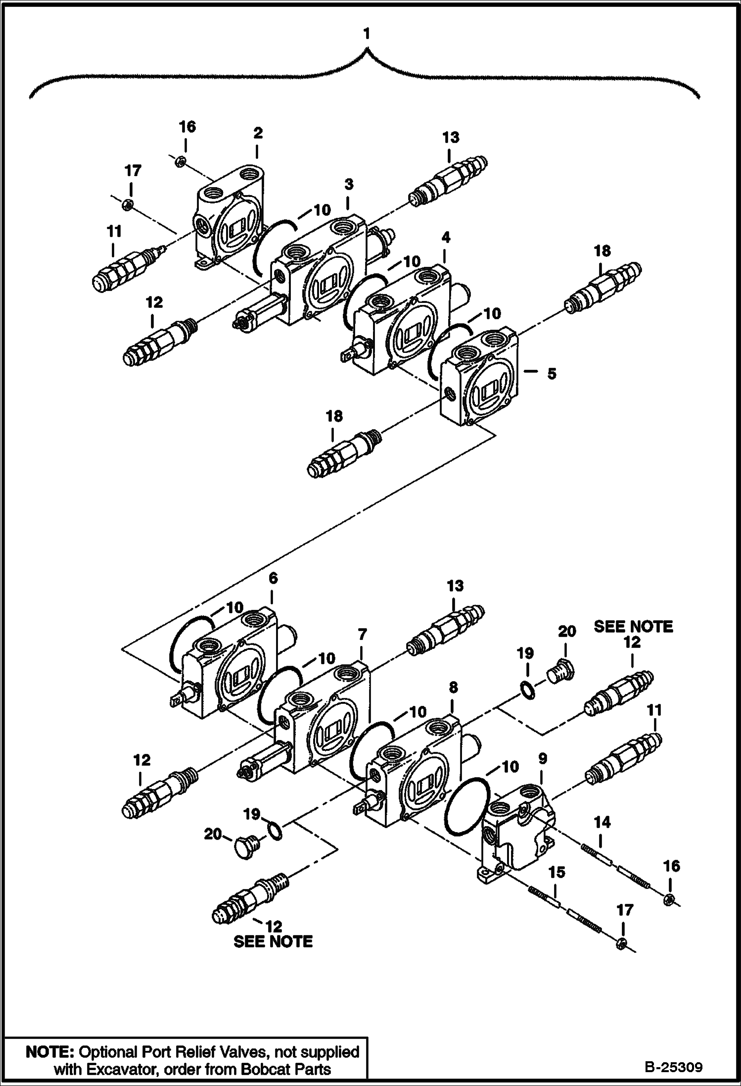
СЕКЦИЯ РАСПРЕДЕЛИТЕЛЯ (ПОВОРОТ)

СЕКЦИЯ РАСПРЕДЕЛИТЕЛЯ (ПОВОРОТ)

1Артикул: 6668976, VALVE Section - Swing - W/Ref. 2-19
2Артикул: 6665439, SCREW
3Артикул: 6665442, PLATE
Подробнее >
ЦИЛИНДР СТРЕЛЫ (СЕРИЙНЫЙ НОМЕР 512913001 - 512913922)

ЦИЛИНДР СТРЕЛЫ (СЕРИЙНЫЙ НОМЕР 512913001 - 512913922)

1Артикул: CYLINDER, CYLINDER See Illustration BOOM CYLINDER/ C3501 - NLA - Ref. 2-15 - Order Cylinder Assy. 6806214, (2) 6652915 & 6803982 - Was 6596575 - A
2Артикул: ROD, ROD NLA - Order Rod 7148237, Piston 6809502 & Nut 92D000020B - Was 6596579 - A
3Артикул: 6586570, HEAD
Подробнее >
ТРОЙНОЙ ШЕСТЕРЕНЧАТЫЙ НАСОС (СЕРИЙНЫЙ НОМЕР 512915200 И ВЫШЕ, 517711001 И ВЫШЕ, И 516711001 И ВЫШЕ)

ТРОЙНОЙ ШЕСТЕРЕНЧАТЫЙ НАСОС (СЕРИЙНЫЙ НОМЕР 512915200 И ВЫШЕ, 517711001 И ВЫШЕ, И 516711001 И ВЫШЕ)

1Артикул: PUMP, PUMP NLA - Assy. - W/Ref. 2-28 - Order 6676970, 6807346 Tee (3), 58K210 O-ring (3), 73G520 Bolt (12), 4E5 Washer (12), 19J8 Clamp (6) - Was 6672074 - A
2Артикул: 6676970, PUMP, GEAR TRIPLE 4 bolt flange fitting - Was 6675785 - A
3Артикул: 6662925, SNAP RING
Подробнее >
ХОДОВОЙ ГИДРОМОТОР (СЕРИЙНЫЙ НОМЕР 512913405 - 512913929)

ХОДОВОЙ ГИДРОМОТОР (СЕРИЙНЫЙ НОМЕР 512913405 - 512913929)

1Артикул: MOTOR, MOTOR See BTIE-056 - NLA - W/Ref. 2-60 - Was 6667338 - A
2Артикул: 6671915, PLUG
3Артикул: 6671911, O-RING Incl. W/Ref. 61
Подробнее >
ПРЕДОХРАНИТЕЛЬНЫЙ КЛАПАН (СЕРИЙНЫЙ НОМЕР 512913001 И ВЫШЕ, 517711001 И ВЫШЕ, И 516711001 И ВЫШЕ)

ПРЕДОХРАНИТЕЛЬНЫЙ КЛАПАН (СЕРИЙНЫЙ НОМЕР 512913001 И ВЫШЕ, 517711001 И ВЫШЕ, И 516711001 И ВЫШЕ)

1Артикул: 6674259, VALVE Set at 2950 PSI (20345 kPa) @ 5GPM - W/Ref. 2-20 - Was 6665436 - A
2Артикул: 6674260, RELIEF VALVE Set at 3400 PSI ( 23449 kPa) @ 1 GPM - W/Ref. 2-20 - Was 6669017 - A
3Артикул: 6671570, RELIEF VALVE Set at 3000 PSI (20690 kPa ) @ 7.6 GPM - W/ Ref. 2-20
Подробнее >
СЕКЦИЯ РАСПРЕДЕЛИТЕЛЯ (ЛЕВОСТОРОННИЙ ХОД)

СЕКЦИЯ РАСПРЕДЕЛИТЕЛЯ (ЛЕВОСТОРОННИЙ ХОД)

1Артикул: 6668977, VALVE Section - L.H. Travel - W/Ref. 2-16
2Артикул: 93G406, SCREW
3Артикул: 948016, PLATE
Подробнее >
ТРОЙНОЙ ШЕСТЕРЕНЧАТЫЙ НАСОС (СЕРИЙНЫЙ НОМЕР 512913001 - 512915199)

ТРОЙНОЙ ШЕСТЕРЕНЧАТЫЙ НАСОС (СЕРИЙНЫЙ НОМЕР 512913001 - 512915199)

1Артикул: 6668699, PUMP, GEAR TRIPLE Assy.
2Артикул: 6662925, SNAP RING
3Артикул: 6662926, SEAL Incl. W/Ref. 23
Подробнее >
ЦИЛИНДР ОТВАЛА

ЦИЛИНДР ОТВАЛА

1Артикул: 6597350, CYLINDER Ref. 2-15
2Артикул: 6537568, ROD
3Артикул: 6534985, HEAD
Подробнее >
ЦИЛИНДР РАЗДВИЖНОЙ РУКОЯТИ (СЕРИЙНЫЙ НОМЕР 517711001 И ВЫШЕ)

ЦИЛИНДР РАЗДВИЖНОЙ РУКОЯТИ (СЕРИЙНЫЙ НОМЕР 517711001 И ВЫШЕ)

1Артикул: 6810433, CYLINDER W/Ref. 2-15 - Was 6805637 - A
2Артикул: 6810434, ROD Was 6805692 - A
3Артикул: 6539236, HEAD
Подробнее >
СЕКЦИЯ РАСПРЕДЕЛИТЕЛЯ (КОВШ)

СЕКЦИЯ РАСПРЕДЕЛИТЕЛЯ (КОВШ)

1Артикул: 6676565, VALVE Section - Bucket - W/Ref. 2-17 - Was 6668982 - A
2Артикул: 6665439, SCREW
3Артикул: 6665442, PLATE
Подробнее >
РЕГУЛИРУЮЩИЙ КЛАПАН (5 КАТУШКА) (ФУНКЦИЯ ПОВОРОТА, ОТВАЛ, УСТРОЙСТВО ОТВОДА СТРЕЛЫ, РУКОЯТЬ, НАДУВ)

РЕГУЛИРУЮЩИЙ КЛАПАН (5 КАТУШКА) (ФУНКЦИЯ ПОВОРОТА, ОТВАЛ, УСТРОЙСТВО ОТВОДА СТРЕЛЫ, РУКОЯТЬ, НАДУВ)

1Артикул: 6668196, VALVE 5 Spool - W/Ref. 2-17
2Артикул: 6670319, VALVE 5 Spool - W/Ref. 2-17
3Артикул: 6668986, INLET
Подробнее >
КЛАПАН ПЕРЕКЛЮЧЕНИЯ

КЛАПАН ПЕРЕКЛЮЧЕНИЯ

1Артикул: 6660267, VALVE Assy. - selector - Was 6668877 - A
2Артикул: HOUSING, HOUSING NSS
3Артикул: SPOOL, SPOOL NSS
Подробнее >
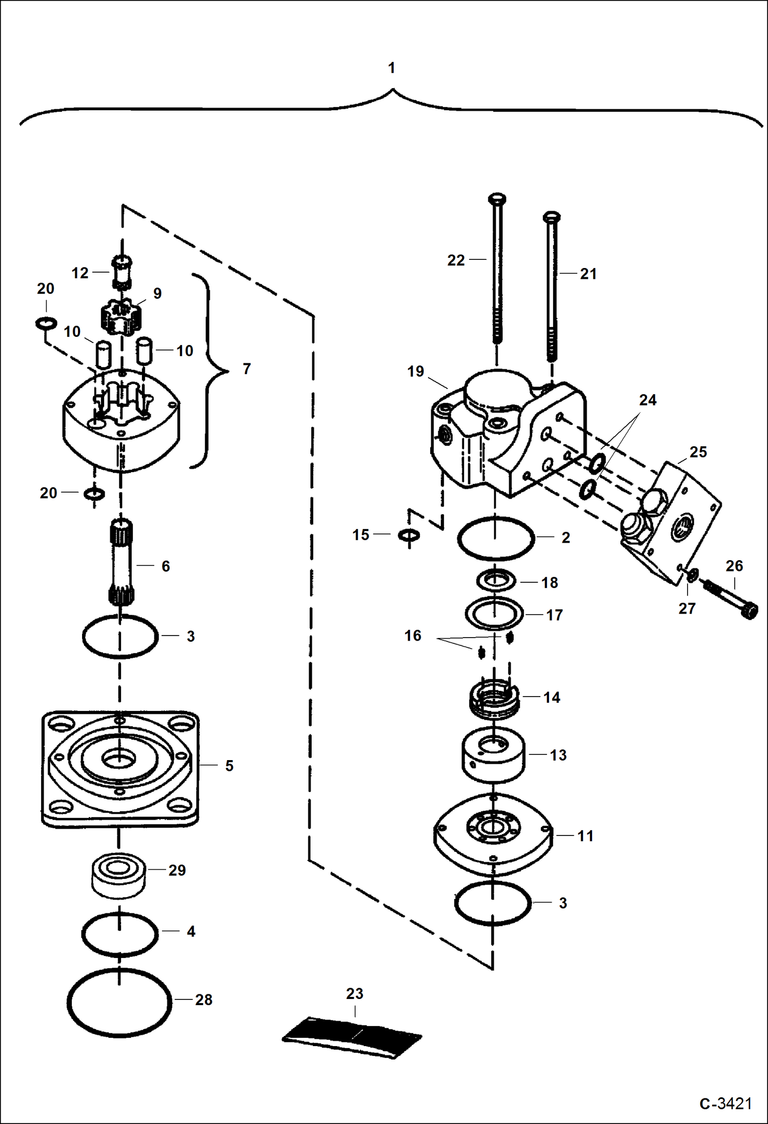
УРАВНИТЕЛЬНЫЙ ПРЕДОХРАНИТЕЛЬНЫЙ КЛАПАН

УРАВНИТЕЛЬНЫЙ ПРЕДОХРАНИТЕЛЬНЫЙ КЛАПАН

1Артикул: VALVE, VALVE NLA - Order 6679502 - Assy. relief - W/Ref. 2-7 - Was 6669278 - A
2Артикул: 6679502, VALVE Assy. relief - W/Ref. 2-7 - W/Air Bleed
3Артикул: 6669214, HOUSING
Подробнее >
СХЕМА ГИДРАВЛИЧЕСКОЙ СИСТЕМЫ (ИЗ БАКА В НАСОС В КЛАПАН) (СЕРИЙНЫЙ НОМЕР 512913001 - 512915199)

СХЕМА ГИДРАВЛИЧЕСКОЙ СИСТЕМЫ (ИЗ БАКА В НАСОС В КЛАПАН) (СЕРИЙНЫЙ НОМЕР 512913001 - 512915199)

1Артикул: 6668699, PUMP, GEAR TRIPLE See Illustration TRIPLE GEAR PUMP/ B25308
2Артикул: 3GM1025, BOLT
3Артикул: 15EM100, WASHER
Подробнее >
ЦИЛИНДР СТРЕЛЫ (СЕРИЙНЫЙ НОМЕР 512913923 И ВЫШЕ, 517711001 И ВЫШЕ, И 516711001 И ВЫШЕ)

ЦИЛИНДР СТРЕЛЫ (СЕРИЙНЫЙ НОМЕР 512913923 И ВЫШЕ, 517711001 И ВЫШЕ, И 516711001 И ВЫШЕ)

1Артикул: CYLINDER, CYLINDER NLA - W/Ref. 2-15 - Order 7156579 - Also Order (2) of Ref. 20 & 21 - Was 6814980 - A
2Артикул: 7156579, CYLINDER, BOOM W/Ref. 3-16 - Also Order (2) Ref. 20 & (2) Ref. 21 - Was 7148239 - A
3Артикул: ROD, ROD NLA - Order Ref. 16 (7148237) rod & Ref. 4 (7147318) piston - Was 6810560 - A
Подробнее >
ГИДРОМОТОР ПОВОРОТА ПЛАТФОРМЫ

ГИДРОМОТОР ПОВОРОТА ПЛАТФОРМЫ

1Артикул: 6667882, MOTOR, DRIVE HYD Assy. - W/Ref. 2-22
2Артикул: 58K44, O RING 10
3Артикул: 6513524, SEAL,O-RING
Подробнее >
СЕКЦИЯ РАСПРЕДЕЛИТЕЛЯ (ВСПОМОГАТЕЛЬНОЕ УСТРОЙСТВО)

СЕКЦИЯ РАСПРЕДЕЛИТЕЛЯ (ВСПОМОГАТЕЛЬНОЕ УСТРОЙСТВО)

1Артикул: VALVE, VALVE NLA - Section - Auxiliary - Order 6670568 - Will NOT accept Port Reliever - W/Ref. 2-16 - Was 6668975 - A
2Артикул: 6670568, VALVE Section - Machined to accept Port Relief - Auxiliary - W/Ref. 2-16
3Артикул: 93G406, SCREW
Подробнее >
ПРАВОСТОРОННИЙ ДЖОЙСТИК УПРАВЛЕНИЯ

ПРАВОСТОРОННИЙ ДЖОЙСТИК УПРАВЛЕНИЯ

1Артикул: 6667722, JOYSTICK, RH Assy. - W/Ref. 2
2Артикул: 6668792, SCREW
3Артикул: 6668804, SWITCH Horn
Подробнее >
ХОДОВОЙ ГИДРОМОТОР (СЕРИЙНЫЙ НОМЕР 512913001 - 512913404)

ХОДОВОЙ ГИДРОМОТОР (СЕРИЙНЫЙ НОМЕР 512913001 - 512913404)

1Артикул: TRAVEL, TRAVEL MOTOR See Illustration TRAVEL MOTOR/ D2173 See BTIE-051 NLA- W/Ref. 1-38 - W/O brake - W/Ref. 2-47 on this page - Was 6659564 - A
2Артикул: HOUSING, HOUSING NSS
3Артикул: 6670220, SEAL 2 piece - Order Ref. 48
Подробнее >
ЛЕВОСТОРОННИЙ ДЖОЙСТИК УПРАВЛЕНИЯ

ЛЕВОСТОРОННИЙ ДЖОЙСТИК УПРАВЛЕНИЯ

1Артикул: 6667721, JOYSTICK Assy. - W/Ref. 2 - 22
2Артикул: 6668792, SCREW
3Артикул: 6668793, HANDLE Assy. - W/Ref. 2
Подробнее >
КЛАПАН АККУМУЛЯТОРА (СЕРИЙНЫЙ НОМЕР 512918515 И НИЖЕ, 517711109 И НИЖЕ И 516711788 И НИЖЕ)

КЛАПАН АККУМУЛЯТОРА (СЕРИЙНЫЙ НОМЕР 512918515 И НИЖЕ, 517711109 И НИЖЕ И 516711788 И НИЖЕ)

1Артикул: VALVE, VALVE See Illustration ACCUMULATOR VALVE/ B17155 - NLA - Assy. - W/Ref. 2-13 - Order 6675141 - Was 6667819 - A
2Артикул: 6669324, RELIEF VALVE pressure reducing
3Артикул: 6669325, SEAL KIT
Подробнее >
СЕКЦИЯ РАСПРЕДЕЛИТЕЛЯ (ПРАВОСТОРОННИЙ ХОД)

СЕКЦИЯ РАСПРЕДЕЛИТЕЛЯ (ПРАВОСТОРОННИЙ ХОД)

1Артикул: 6668978, VALVE Section - R.H. Travel - W/Ref. 2-16
2Артикул: 93G406, SCREW
3Артикул: 948016, PLATE
Подробнее >
ЦИЛИНДР ПОВОРОТА

ЦИЛИНДР ПОВОРОТА

1Артикул: 6806125, CYLINDER Ref. 2-15 - Also Order Ref. 17 & (2) of Ref. 16 - Was 6589756 - A
2Артикул: 6589757, ROD Also Order Ref. 17 & (2) of Ref. 16
3Артикул: 6538367, HEAD, CYL TILT
Подробнее >
РЕГУЛИРУЮЩИЙ КЛАПАН (5 КАТУШКА) (СТРЕЛА, ПРАВОСТОРОННИЙ ХОД, ЛЕСОСТОРОННИЙ ХОД, КОВШ, AUX)

РЕГУЛИРУЮЩИЙ КЛАПАН (5 КАТУШКА) (СТРЕЛА, ПРАВОСТОРОННИЙ ХОД, ЛЕСОСТОРОННИЙ ХОД, КОВШ, AUX)

1Артикул: 6668197, VALVE 5 Spool - W/Ref. 2-18
2Артикул: 6669386, VALVE 5 Spool - W/Ref. 2-18
3Артикул: 6670320, VALVE 5 Spool - W/Ref. 2-18
Подробнее >
ПРЕДОХРАНИТЕЛЬНЫЙ КЛАПАН

ПРЕДОХРАНИТЕЛЬНЫЙ КЛАПАН

1Артикул: 6671573, RELIEF VALVE Set at 2500 PSI (17242 kPa) @ 7.6 GPM - W/Ref. 2 - 19
2Артикул: 6671574, RELIEF VALVE Set at 3500 PSI (24138 kPa) @ 7.6 GPM - W/Ref. 2 - 19
3Артикул: 6671575, RELIEF VALVE Set at 2500 PSI (17242 kPa) @ 9.0 GPM - W/Ref. 2 - 19
Подробнее >
СЕКЦИЯ РАСПРЕДЕЛИТЕЛЯ (СТРЕЛА, НАДУВ И РУКОЯТЬ)

СЕКЦИЯ РАСПРЕДЕЛИТЕЛЯ (СТРЕЛА, НАДУВ И РУКОЯТЬ)

1Артикул: 6668981, VALVE Section - Boom - W/Ref. 2-17
2Артикул: 6668979, VALVE Section - Boost - W/Ref. 2-17
3Артикул: 6668980, VALVE Section - Arm - W/Ref. 2-17
Подробнее >
СЕКЦИЯ РАСПРЕДЕЛИТЕЛЯ (ПОВОРОТ СТРЕЛЫ)

СЕКЦИЯ РАСПРЕДЕЛИТЕЛЯ (ПОВОРОТ СТРЕЛЫ)

1Артикул: 6668985, VALVE Section - Boom Swing - W/Ref. 2-11
2Артикул: 93G406, SCREW
3Артикул: 948016, PLATE
Подробнее >
ЦИЛИНДР РУКОЯТИ (СЕРИЙНЫЙ НОМЕР 512915338 И ВЫШЕ, 517711001 И ВЫШЕ, И 516711001 И ВЫШЕ)

ЦИЛИНДР РУКОЯТИ (СЕРИЙНЫЙ НОМЕР 512915338 И ВЫШЕ, 517711001 И ВЫШЕ, И 516711001 И ВЫШЕ)

1Артикул: 7148240, CYLINDER W/Ref. 2-15 - Also Order Ref. 16 & (2) Ref. 17 - Was 6810563 - A
2Артикул: 7148238, ROD Also Order Ref. 16 & (2) Ref. 17 - Was 6810564 - A
3Артикул: 6586568, HEAD
Подробнее >
ОПОРА В СБОРЕ (ПОВОРОТНЫЙ ТРАНСПОРТЕР)

ОПОРА В СБОРЕ (ПОВОРОТНЫЙ ТРАНСПОРТЕР)

1Артикул: 6628417, MOUNT Assy - Drive Motor - W/Ref. 2-14
2Артикул: 1320904, CONE
3Артикул: 1320905, CUP Bearing
Подробнее >
СЕКЦИЯ РАСПРЕДЕЛИТЕЛЯ (ОТВАЛ)

СЕКЦИЯ РАСПРЕДЕЛИТЕЛЯ (ОТВАЛ)

1Артикул: 6668983, VALVE Section - Blade - W/Ref. 2-14
2Артикул: 93G406, SCREW
3Артикул: 948016, PLATE
Подробнее >
ХОДОВОЙ ГИДРОМОТОР (УРАВНИТЕЛЬНЫЙ ПРЕДОХРАНИТЕЛЬНЫЙ КЛАПАН) (СЕРИЙНЫЙ НОМЕР 512913001 - 512913404)

ХОДОВОЙ ГИДРОМОТОР (УРАВНИТЕЛЬНЫЙ ПРЕДОХРАНИТЕЛЬНЫЙ КЛАПАН) (СЕРИЙНЫЙ НОМЕР 512913001 - 512913404)

1Артикул: PIN, PIN NLA - Was 6653018 - A
2Артикул: 6670226, O-RING
3Артикул: 6670227, O-RING
Подробнее >
ЦИЛИНДР КОВША

ЦИЛИНДР КОВША

1Артикул: CYLINDER, CYLINDER NLA - W/Ref. 2-15, 19 & 20 - Order 7147899 - Also Order Ref. 16 & 17 - Was 6806102 - A
2Артикул: 7147899, CYLINDER W/Ref. 3-15, 18 & 19 - Also Order Ref. 16 & 17
3Артикул: ROD, ROD NLA - Order 7147445 rod & 7147314 piston - Also Order Ref. 16, 17 & 19 - Was 6803810 - A
Подробнее >
ПОВОРОТНОЕ СОЕДИНЕНИЕ

ПОВОРОТНОЕ СОЕДИНЕНИЕ

1Артикул: 7123864, SWIVEL ASSY W/Ref. 2-11 - Was 6800524 - A
2Артикул: 7123863, BARREL Was 6664906 - A
3Артикул: 6664907, ROTOR
Подробнее >
ХОДОВОЙ ГИДРОМОТОР (СЕРИЙНЫЙ НОМЕР 512913930 И ВЫШЕ, 517711001 И ВЫШЕ, И 516711001 И ВЫШЕ)

ХОДОВОЙ ГИДРОМОТОР (СЕРИЙНЫЙ НОМЕР 512913930 И ВЫШЕ, 517711001 И ВЫШЕ, И 516711001 И ВЫШЕ)

1Артикул: 6670667, MOTOR W/Ref. 2-60
2Артикул: 6671915, PLUG
3Артикул: 6671911, O-RING Incl. W/Ref. 61
Подробнее >
ЦИЛИНДР РУКОЯТИ (СЕРИЙНЫЙ НОМЕР 512913001 - 512915338)

ЦИЛИНДР РУКОЯТИ (СЕРИЙНЫЙ НОМЕР 512913001 - 512915338)

1Артикул: CYLINDER, CYLINDER See Illustration ARM CYLINDER/ B17867 - NLA - W/Ref. 2-15 - Order 6810563, 6803863 (1) & 6652915 (2) - Was 6595863 - A
2Артикул: 6596701, ROD
3Артикул: 6586568, HEAD
Подробнее >