+7 (701) 588 50 05 Телефон для связи
RU

WhatsApp

Позвонить

ГИДРАВЛИЧЕСКАЯ СИСТЕМА в Алматы

РУКОВОДСТВО ПО ОТКЛЮЧЕНИЮ ПОДЪЕМНОГО УСТРОЙСТВА

РУКОВОДСТВО ПО ОТКЛЮЧЕНИЮ ПОДЪЕМНОГО УСТРОЙСТВА

1Артикул: 7230495, VALVE, LIFT MANUAL See Illustration MANUAL LIFT RELEASE VALVE/ PE1547 - manual lift release - Was 6667844 - A
2Артикул: 6707101, SEAL neoprene
3Артикул: 7D4, NUT for 6667874
Подробнее >
ВСПОМОГАТЕЛЬНЫЕ ГИДРАВЛИЧЕСКИЕ МЕХАНИЗМЫ (СЕРИЙНЫЙ НОМЕР 514449564, 514541073, 514641176 И ВЫШЕ)

ВСПОМОГАТЕЛЬНЫЕ ГИДРАВЛИЧЕСКИЕ МЕХАНИЗМЫ (СЕРИЙНЫЙ НОМЕР 514449564, 514541073, 514641176 И ВЫШЕ)

1Артикул: 6718793, TUBELINE
2Артикул: 6718792, TUBELINE
3Артикул: 17C640, BOLT
Подробнее >
ГИДРАВЛИЧЕСКИЙ РЕГУЛИРУЮЩИЙ КЛАПАН (РЕЗЕРВНЫЙ КЛАПАН)

ГИДРАВЛИЧЕСКИЙ РЕГУЛИРУЮЩИЙ КЛАПАН (РЕЗЕРВНЫЙ КЛАПАН)

1Артикул: 7222854, VALVE, CONTROL SERVICE Ref. 2 - 56
2Артикул: VALVE,, VALVE, BICS See Illustration BICS CONTROL VALVE/ TS1365 - Was 6628571 - A
3Артикул: 6589564, RETAINER
Подробнее >
ГИДРАВЛИЧЕСКИЙ РЕГУЛИРУЮЩИЙ КЛАПАН (БЛОКИРАТОР КАТУШКИ) (С РЕГУЛИРУЮЩИМ КЛАПАНОМ СИСТЕМЫ БЛОКИРОВКИ УПРАВЛЕНИЯ )

ГИДРАВЛИЧЕСКИЙ РЕГУЛИРУЮЩИЙ КЛАПАН (БЛОКИРАТОР КАТУШКИ) (С РЕГУЛИРУЮЩИМ КЛАПАНОМ СИСТЕМЫ БЛОКИРОВКИ УПРАВЛЕНИЯ )

1Артикул: VALVE, VALVE See BTI336 - NLA - valve is minus all fittings, relief valves, anti-cavitation valves, solenoid coils & solenoid spools - remove & use existing parts from old valve or order new parts as needed - Was 6812046 - A
2Артикул: VALVE,, VALVE, BICS See Illustration BICS CONTROL VALVE/ TS1365 - Was 6628571 - A
3Артикул: 6589564, RETAINER
Подробнее >
РЕГУЛИРУЮЩИЙ КЛАПАН СИСТЕМЫ БЛОКИРОВКИ УПРАВЛЕНИЯ (BICS) (СЕРИЙНЫЙ НОМЕР 514450007, 514541083, 514641203 И ВЫШЕ)

РЕГУЛИРУЮЩИЙ КЛАПАН СИСТЕМЫ БЛОКИРОВКИ УПРАВЛЕНИЯ (BICS) (СЕРИЙНЫЙ НОМЕР 514450007, 514541083, 514641203 И ВЫШЕ)

1Артикул: VALVE,, VALVE, BICS See Illustration BICS CONTROL VALVE/ TS1365 - NLA - Ref. 2-8 - Order 6628571 valve & replace 6669057 check valve W/Ref. 8 (6814247 fitting) - Was 6814269 - A
2Артикул: 6689739, VALVE pilot operated - Was 6668765 - A
3Артикул: 6690431, KIT, SEAL Was 6669734 - A
Подробнее >
ЦИЛИНДР НАКЛОНА

ЦИЛИНДР НАКЛОНА

1Артикул: 6804674, CYLINDER, TILT tilt - Ref. 2-20
2Артикул: 6596974, TUBE, CASE CYL TILT 3.5-- (88,9mm) I.D.
3Артикул: 6800468, PISTON
Подробнее >
РУКОВОДСТВО ПО ЭКСПЛУАТАЦИИ КЛАПАНА УСТРОЙСТВА ДЛЯ ОТПУСКАНИЯ

РУКОВОДСТВО ПО ЭКСПЛУАТАЦИИ КЛАПАНА УСТРОЙСТВА ДЛЯ ОТПУСКАНИЯ

1Артикул: 7230495, VALVE, LIFT MANUAL Ref. 2-4 - Was 6667844 - A
2Артикул: BLOCK, BLOCK NSS
3Артикул: 6669087, SEAL KIT
Подробнее >
РЕГУЛИРУЮЩИЙ КЛАПАН СИСТЕМЫ БЛОКИРОВКИ УПРАВЛЕНИЯ (BICS)

РЕГУЛИРУЮЩИЙ КЛАПАН СИСТЕМЫ БЛОКИРОВКИ УПРАВЛЕНИЯ (BICS)

1Артикул: VALVE,, VALVE, BICS NLA - D series coil compatible - Ref. 2-5, 6 (6667687 stem), 7 & 8 - Order 7297071 BICS valve & Ref. 9 (7272732 coil) - Was 6628571 - A
2Артикул: 7297071, VALVE, BICS E series coil compatible - Ref. 2-5, 6 (7272731 stem), 7 & 8
3Артикул: 6689739, VALVE pilot operated - Was 6668765 - A
Подробнее >
ГИДРАВЛИЧЕСКИЙ РЕГУЛИРУЮЩИЙ КЛАПАН (СИСТЕМА УСОВЕРШЕНСТВОВАННОГО РУЧНОГО УПРАВЛЕНИЯ)

ГИДРАВЛИЧЕСКИЙ РЕГУЛИРУЮЩИЙ КЛАПАН (СИСТЕМА УСОВЕРШЕНСТВОВАННОГО РУЧНОГО УПРАВЛЕНИЯ)

1Артикул: VALVE,, VALVE, CONTROL See BTI368 - NLA - valve is minus all fittings, relief valves, anti-cavitation valves, solenoid coils & solenoid spools - remove & use existing parts from old valve or order new parts as needed - Was 6816445 - A
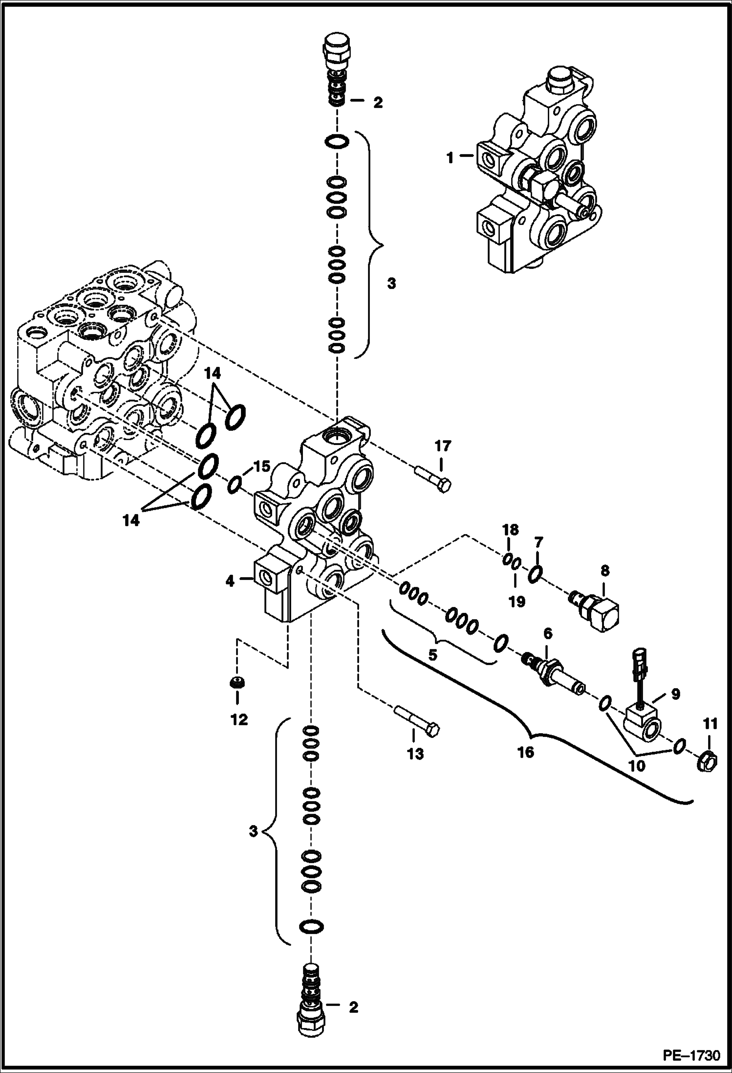
2Артикул: VALVE,, VALVE, BICS See Illustration BICS CONTROL VALVE/ PE1730 - NLA - Was 6814269 - A
3Артикул: 6589564, RETAINER
Подробнее >
ЦИЛИНДР ПОДЪЕМА

ЦИЛИНДР ПОДЪЕМА

1Артикул: 6815757, CYLINDER lift - Ref. 2-16
2Артикул: 6815759, CASE
3Артикул: 6667291, PISTON W/Ref. 8 & 9
Подробнее >
ВСПОМОГАТЕЛЬНЫЕ ГИДРАВЛИЧЕСКИЕ МЕХАНИЗМЫ (СЕРИЙНЫЙ НОМЕР 514449563, 514541072, 514641175 И НИЖЕ)

ВСПОМОГАТЕЛЬНЫЕ ГИДРАВЛИЧЕСКИЕ МЕХАНИЗМЫ (СЕРИЙНЫЙ НОМЕР 514449563, 514541072, 514641175 И НИЖЕ)

1Артикул: 6729152, HOSE Was 6714542 - A
2Артикул: 6718158, TUBELINE
3Артикул: 6718159, TUBELINE
Подробнее >
ГИДРАВЛИЧЕСКИЙ РЕГУЛИРУЮЩИЙ КЛАПАН (РЕЗЕРВНЫЙ КЛАПАН) (СИСТЕМА УСОВЕРШЕНСТВОВАННОГО КОНТРОЛЯ)

ГИДРАВЛИЧЕСКИЙ РЕГУЛИРУЮЩИЙ КЛАПАН (РЕЗЕРВНЫЙ КЛАПАН) (СИСТЕМА УСОВЕРШЕНСТВОВАННОГО КОНТРОЛЯ)

1Артикул: VALVE,, VALVE, CONTROL SERVICE See Illustration HYDRAULIC CONTROL VALVE/ NA6732 See BTI368 - NLA - valve is minus all fittings, relief valves, anti-cavitation valves, solenoid coils & solenoid spools - remove & use existing parts from old valve or order new parts as needed - Was 6810028 - A
2Артикул: VALVE,, VALVE, BICS See Illustration BICS CONTROL VALVE/ TS1365 - Was 6628571 - A
3Артикул: 29G416, BOLT
Подробнее >
ОРГАНЫ УПРАВЛЕНИЯ

ОРГАНЫ УПРАВЛЕНИЯ

1Артикул: 6708043, BUSHING
2Артикул: 6563914, WASHER
3Артикул: 7115219, PEDAL Was 6726680 - A
Подробнее >
КЛАПАН РЕГУЛИРОВКИ ПОЛОЖЕНИЯ КОВША

КЛАПАН РЕГУЛИРОВКИ ПОЛОЖЕНИЯ КОВША

1Артикул: VALVE, VALVE NLA - W/O solenoid - Order 6673959 valve - If loader is not equipped with an on/off switch also order 6647784 plug, 79K10 O-ring, 6647785 spring, & 6647783 load check - Was 6666341 - A
2Артикул: 6673959, VALVE, BPV white - W/solenoid - Ref. 2-23
3Артикул: 6647784, PLUG W/Ref. 3
Подробнее >
ГИДРАВЛИЧЕСКИЙ РЕГУЛИРУЮЩИЙ КЛАПАН (СИСТЕМА УСОВЕРШЕНСТВОВАННОГО КОНТРОЛЯ) (РЕЗЕРВНЫЙ КЛАПАН)

ГИДРАВЛИЧЕСКИЙ РЕГУЛИРУЮЩИЙ КЛАПАН (СИСТЕМА УСОВЕРШЕНСТВОВАННОГО КОНТРОЛЯ) (РЕЗЕРВНЫЙ КЛАПАН)

1Артикул: 7222720, VALVE, CONTROL SERVICE Ref. 2-56
2Артикул: VALVE,, VALVE, BICS See Illustration BICS CONTROL VALVE/ TS1365 - Was 6628571 - A
3Артикул: 6589564, RETAINER
Подробнее >