+7 (701) 588 50 05 Телефон для связи
RU

WhatsApp

Позвонить

ГИДРАВЛИЧЕСКАЯ СИСТЕМА в Алматы

ЦИЛИНДР ПОДЪЕМА

ЦИЛИНДР ПОДЪЕМА

1Артикул: CYLINDER, CYLINDER NLA - Order 6812504 cylinder - Ref. 2-7 - Was 6589259 - A
2Артикул: 6812504, CYLINDER, LIFT Ref. 2-7
3Артикул: 6589258, TUBE, CASE CYL LIFT
Подробнее >
ЦИЛИНДРА НАКЛОНА (С ОТВЕРСТИЕМ ДЛЯ СМАЗКИ ГОЛОВКИ ШАТУНА)

ЦИЛИНДРА НАКЛОНА (С ОТВЕРСТИЕМ ДЛЯ СМАЗКИ ГОЛОВКИ ШАТУНА)

1Артикул: CYLINDER, CYLINDER See Illustration TILT CYLINDER/ TS1098A NLA - TILT - Ref. 2-19 - ORDER 6804630 CYLINDER - WAS 6539931 - A
2Артикул: CASE, CASE See Illustration TILT CYLINDER/ TS1098A NLA - 3.5 in. (88,9 MM) I.D. - ORDER 6804630 CYLINDER - WAS 6586587 - A
3Артикул: 6539932, PISTON
Подробнее >
СХЕМА ГИДРАВЛИЧЕСКОЙ СИСТЕМЫ (С КЛАПАНОМ РЕГУЛИРОВКИ ПОЛОЖЕНИЯ КОВША)

СХЕМА ГИДРАВЛИЧЕСКОЙ СИСТЕМЫ (С КЛАПАНОМ РЕГУЛИРОВКИ ПОЛОЖЕНИЯ КОВША)

1Артикул: 6589259, CYLINDER See Illustration LIFT CYLINDER/ TS1097 LIFT
2Артикул: 6708498, HOSE
3Артикул: 6706835, TUBE
Подробнее >
СХЕМА ГИДРАВЛИЧЕСКОЙ СИСТЕМЫ (БЕЗ КЛАПАНА РЕГУЛТРОВКИ ПОЛОЖЕНИЯ КОВША)

СХЕМА ГИДРАВЛИЧЕСКОЙ СИСТЕМЫ (БЕЗ КЛАПАНА РЕГУЛТРОВКИ ПОЛОЖЕНИЯ КОВША)

1Артикул: 6589259, CYLINDER See Illustration LIFT CYLINDER/ TS1097 LIFT
2Артикул: 6708498, HOSE Was 6577669 - B
3Артикул: 6706835, TUBE
Подробнее >
ДОПОЛНИТЕЛЬНАЯ ГИДРАВЛИКА

ДОПОЛНИТЕЛЬНАЯ ГИДРАВЛИКА

1Артикул: HOSE, HOSE NLA - Order 6729155 Hose - Was 6707214 - A
2Артикул: 6729155, HOSE W/Ref. 31 - Was 6714595 - A
3Артикул: 6706832, TUBE
Подробнее >
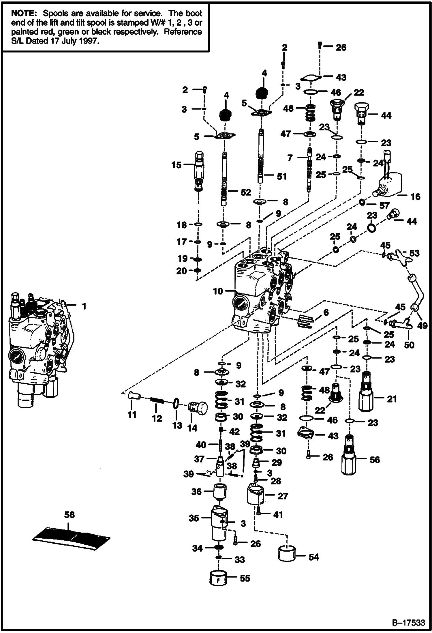
ГИДРАВЛИЧЕСКИЙ РЕГУЛИРУЮЩИЙ КЛАПАН

ГИДРАВЛИЧЕСКИЙ РЕГУЛИРУЮЩИЙ КЛАПАН

1Артикул: VALVE, VALVE See BTI307 NLA - Ref. 2-55 - W/LONG SPOOLS - SEE NOTE - WAS 6588264 - A
2Артикул: 6588165, SCREW
3Артикул: 22E4, WASHER
Подробнее >
ОРГАНЫ УПРАВЛЕНИЯ

ОРГАНЫ УПРАВЛЕНИЯ

1Артикул: 95D6, NUT Was 91D000006B - A
2Артикул: 6563914, WASHER
3Артикул: 7115219, PEDAL Was 6726680 - A
Подробнее >
ЦИЛИНДРА НАКЛОНА (С ОТВЕРСТИЕМ ДЛЯ МАСЛЕНКИ ДЛЯ СМАЗКИ ГОЛОВКИ ШАТУНА)

ЦИЛИНДРА НАКЛОНА (С ОТВЕРСТИЕМ ДЛЯ МАСЛЕНКИ ДЛЯ СМАЗКИ ГОЛОВКИ ШАТУНА)

1Артикул: 6804630, CYLINDER tilt - Ref. 2-19
2Артикул: 6804633, CASE 89 mm (3.5--) ID
3Артикул: 6804632, PISTON 28,6 mm (1.125--) ID
Подробнее >