+7 (701) 588 50 05 Телефон для связи
RU

WhatsApp

Позвонить

ГИДРАВЛИЧЕСКАЯ СИСТЕМА в Алматы

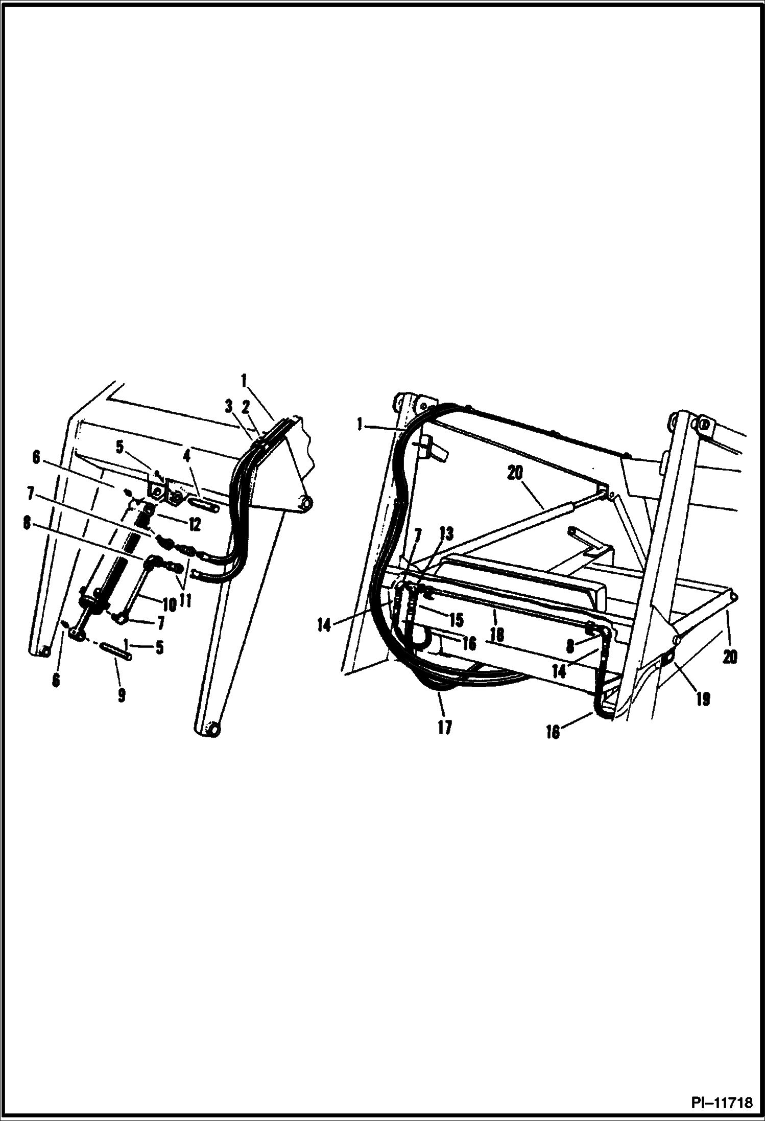
ЦИЛИНДР ПОДЪЕМА

ЦИЛИНДР ПОДЪЕМА

1Артикул: 6544911, ASSY lift - W/Ref. 2-14
2Артикул: CASE, CASE NLA - cylinder
3Артикул: 8D12, NUT hex, 3/4-- NF (Plated)
Подробнее >
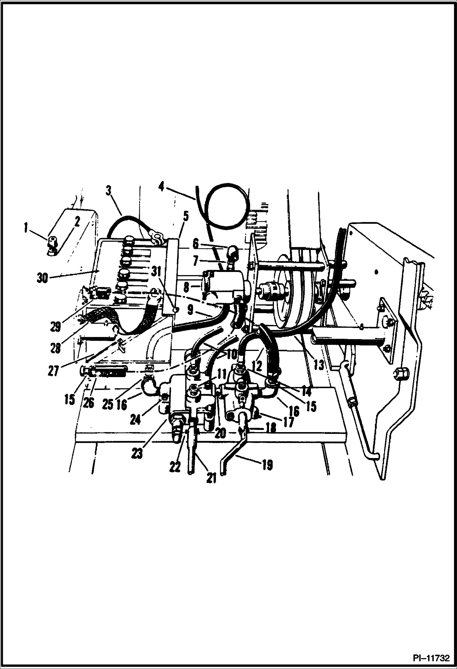
РАМА ШАССИ СО СХЕМОЙ ГИДРАВЛИЧЕСКОЙ СИСТЕМЫ

РАМА ШАССИ СО СХЕМОЙ ГИДРАВЛИЧЕСКОЙ СИСТЕМЫ

1Артикул: 6519910, FILTER
2Артикул: TANK, TANK NLA - oil
3Артикул: COUPLING, COUPLING NLA - Was 75F-4 - A
Подробнее >
ЦИЛИНДР НАКЛОНА

ЦИЛИНДР НАКЛОНА

1Артикул: CASE, CASE NLA - cylinder
2Артикул: 6D12, NUT hex
3Артикул: PISTON, PISTON NLA - cylinder
Подробнее >
СХЕМА ГИДРАВЛИЧЕСКОЙ СИСТЕМЫ ПОДЪЕМНЫХ РУКОЯТЕЙ

СХЕМА ГИДРАВЛИЧЕСКОЙ СИСТЕМЫ ПОДЪЕМНЫХ РУКОЯТЕЙ

1Артикул: 6546035, HOSE hydraulic
2Артикул: 17C416, BOLT
3Артикул: 6502203, CLAMP hose
Подробнее >
ГИДРОПРИВОДНОЙ НАСОС WEBSTER #3HB5-LA

ГИДРОПРИВОДНОЙ НАСОС WEBSTER #3HB5-LA

1Артикул: SCREW, SCREW NLA - flat head
2Артикул: PLATE, PLATE NSS - retaining (W/Ref. 3 & 4)
3Артикул: 6519833, SEAL gasket
Подробнее >