+7 (701) 588 50 05 Телефон для связи
RU

WhatsApp

Позвонить

ГИДРАВЛИЧЕСКИЕ ЗАПЧАСТИ в Алматы

БЕЗОПАСНЫЙ КЛАПАН - LIS

БЕЗОПАСНЫЙ КЛАПАН - LIS

1Артикул: 410133-00001A, VALVE,SHOCKLESS
2Артикул: 300715-00079, COIL 24V
3Артикул: K9006940, VALVE;CHECK
Подробнее >
3531 LIFT CYLINDER [10882~]

3531 LIFT CYLINDER [10882~]

1Артикул: 400321-00988, CYLINDER,LIFT ARM
2Артикул: 420402-01055-DG, TUBE ASSY,CYLINDER
3Артикул: 400337-01312-DG, ROD ASSY,CYLINDER
Подробнее >
ТОРМОЗ - ЗАДНЯЯ ОСЬ

ТОРМОЗ - ЗАДНЯЯ ОСЬ

1Артикул: 130602-00754, PISTON
2Артикул: K9000243, U-RING
3Артикул: K9000241, RING;SUPPORT
Подробнее >
РУЛЕВОЙ ЦИЛИНДР

РУЛЕВОЙ ЦИЛИНДР

1Артикул: 4440-6328B, STEERING CYLINDER
2Артикул: 1.441-00041, TUBE ASS`Y
3Артикул: 1.110-00113, BUSH;STEEL
Подробнее >
КОРПУС КОРОБКИ ПЕРЕДАЧ - ТРАНСМИССИЯ

КОРПУС КОРОБКИ ПЕРЕДАЧ - ТРАНСМИССИЯ

1Артикул: 110931-00004, HOUSING;FRONT
2Артикул: 110931-00005, HOUSING;REAR
3Артикул: 1.123-00001, PIN
Подробнее >
РЕМОНТНЫЙ КЛАПАН-2 SP+ 2 РЫЧАГА

РЕМОНТНЫЙ КЛАПАН-2 SP+ 2 РЫЧАГА

1Артикул: K1003143, VALVE;JOYSTICK
2Артикул: K9002716, PLATE;MOUNTING
3Артикул: K9002717, BRACKET KIT;MAGENT
Подробнее >
ВТОРИЧНЫЙ ВАЛ - ПЕРЕДНЯЯ ОСЬ

ВТОРИЧНЫЙ ВАЛ - ПЕРЕДНЯЯ ОСЬ

1Артикул: 110931-00757, HOUSING,BRAKE
2Артикул: 1.420-00157, VALVE;VENT
3Артикул: 401107-00009, SEAL
Подробнее >
РЕГУЛЯТОР ДАВЛЕНИЯ - ТРАНСМИССИЯ

РЕГУЛЯТОР ДАВЛЕНИЯ - ТРАНСМИССИЯ

1Артикул: 1.420-00007, VALVE
2Артикул: 1.409-00009, PISTON
3Артикул: 1.131-00008, SPRING;COMPR.
Подробнее >
КЛАПАН С ДИСТАНЦИОННЫМ УПРАВЛЕНИЕМ-2 КАТУШКИ

КЛАПАН С ДИСТАНЦИОННЫМ УПРАВЛЕНИЕМ-2 КАТУШКИ

1Артикул: 426-00104, VALVE;REMOCON
2Артикул: 410113-00349A, VALVE,JOYSTICK;5.45 BAR
3Артикул: -, BODY
Подробнее >
3521 BUCKET CYLINDER [10883~]

3521 BUCKET CYLINDER [10883~]

1Артикул: 400310-00658, CYLINDER,BUCKET
2Артикул: 420402-01056-DG, TUBE ASSY,CYLINDER
3Артикул: 400337-01300-DG, ROD ASSY,CYLINDER
Подробнее >
ТОРМОЗ - ПЕРЕДНЯЯ ОСЬ

ТОРМОЗ - ПЕРЕДНЯЯ ОСЬ

1Артикул: 130602-00754, PISTON
2Артикул: K9000243, U-RING
3Артикул: K9000241, RING;SUPPORT
Подробнее >
ВТОРИЧНЫЙ ВАЛ - ЗАДНЯЯ ОСЬ

ВТОРИЧНЫЙ ВАЛ - ЗАДНЯЯ ОСЬ

1Артикул: 110931-00757, HOUSING,BRAKE
2Артикул: 1.420-00157, VALVE;VENT
3Артикул: 401107-00009, SEAL
Подробнее >
ДИФФЕРЕНЦИАЛ ВОДИЛА - ПЕРЕДНЯЯ ОСЬ

ДИФФЕРЕНЦИАЛ ВОДИЛА - ПЕРЕДНЯЯ ОСЬ

1Артикул: 110931-00756, HOUSING,DIFFERENTIAL
2Артикул: 140107-00006, BEARING,TAPER ROLLER
3Артикул: K9000205, RING;SPACER A=7.30
Подробнее >
ПЕРЕДАТЧИК ИНДИКАТОРА - ТРАНСМИССИЯ

ПЕРЕДАТЧИК ИНДИКАТОРА - ТРАНСМИССИЯ

1Артикул: 1.549-00011, TRANSMITTER;IND.
2Артикул: K9000086, O-RING
3Артикул: 1.549-00015, TRANSMITTER;SPEED
Подробнее >
ВЕНТИЛЯТОР ДВИГАТЕЛЯ

ВЕНТИЛЯТОР ДВИГАТЕЛЯ

1Артикул: 401-00054, MOTOR;FAN DRIVE
2Артикул: -, BEARING;FRONT
3Артикул: 5060003, RING;BACK-UP
Подробнее >
ДАТЧИК ТЕМПЕРАТУРЫ - ТРАНСМИССИЯ

ДАТЧИК ТЕМПЕРАТУРЫ - ТРАНСМИССИЯ

1Артикул: 301317-00015, SENSOR;TEMP.
2Артикул: 1.180-00063, O-RING
Подробнее >
РЕМОНТНЫЙ КЛАПАН-3 SP+ 3 РЫЧАГА

РЕМОНТНЫЙ КЛАПАН-3 SP+ 3 РЫЧАГА

1Артикул: K1003144A, VALVE;JOY STICK
2Артикул: K9002716, PLATE;MOUNTING
3Артикул: K9002717, BRACKET KIT;MAGENT
Подробнее >
ВТОРИЧНЫЙ ВАЛ - ТРАНСМИССИЯ

ВТОРИЧНЫЙ ВАЛ - ТРАНСМИССИЯ

1Артикул: 130712-00007, SHAFT;OUTPUT
2Артикул: 1.109-00064, BEARING;ROLLER
3Артикул: 1.180-00533, SEAL;SHAFT
Подробнее >
ВХОД - ТРАНСМИССИЯ

ВХОД - ТРАНСМИССИЯ

1Артикул: 1.405-00072, SHAFT;INPUT
2Артикул: 1.403-00052, GEAR
3Артикул: 1.115-00027, RING;RETAINING
Подробнее >
СЦЕПЛЕНИЕ - KV - ТРАНСМИССИЯ

СЦЕПЛЕНИЕ - KV - ТРАНСМИССИЯ

1Артикул: 1.405-00013, SHAFT
2Артикул: 1.120-00034, STUD
3Артикул: 100502-00006, CARRIER;DISC
Подробнее >
СЦЕПЛЕНИЕ - K3 - ТРАНСМИССИЯ

СЦЕПЛЕНИЕ - K3 - ТРАНСМИССИЯ

1Артикул: 1.405-00011, SHAFT
2Артикул: 1.120-00034, STUD
3Артикул: 100502-00004, CARRIER;DISC
Подробнее >
РЕГУЛИРУЮЩИЙ КЛАПАН - 2 КАТУШКИ

РЕГУЛИРУЮЩИЙ КЛАПАН - 2 КАТУШКИ

1Артикул: K1003040A, CONTROL VALVE-2 SPOOL
2Артикул: K9001088, HOUSING
3Артикул: K9001089, SPOOL
Подробнее >
СИСТЕМА ПЕРЕКЛЮЧЕНИЯ ПЕРЕДАЧ(2) - ТРАНСМИССИЯ

СИСТЕМА ПЕРЕКЛЮЧЕНИЯ ПЕРЕДАЧ(2) - ТРАНСМИССИЯ

1Артикул: K9006652, BLOCK;VALVE
2Артикул: 1.415-00001, ORIFICE
3Артикул: 1.409-00006, PISTON
Подробнее >
ФИЛЬТР - ТРАНСМИССИЯ

ФИЛЬТР - ТРАНСМИССИЯ

1Артикул: K1029612, FILTER;T/M
2Артикул: 400409-00006, FILTER,TRANSMISSION
3Артикул: 1.451-00170, HEAD;FILTER
Подробнее >
СТОЯНОЧНЫЙ ТОРМОЗ - ТРАНСМИССИЯ

СТОЯНОЧНЫЙ ТОРМОЗ - ТРАНСМИССИЯ

1Артикул: 130104-00036, BRAKE;PARKING
2Артикул: 401107-00465, . SEAL KIT
3Артикул: 101529-00017, . KIT;REPAIR
Подробнее >
3530 LIFT CYLINDER

3530 LIFT CYLINDER

1Артикул: K1005318, CYLINDER;LIFT
2Артикул: 400321-00816, CYLINDER,LIFT ARM
3Артикул: K9002689, TUBE ASS`Y
Подробнее >
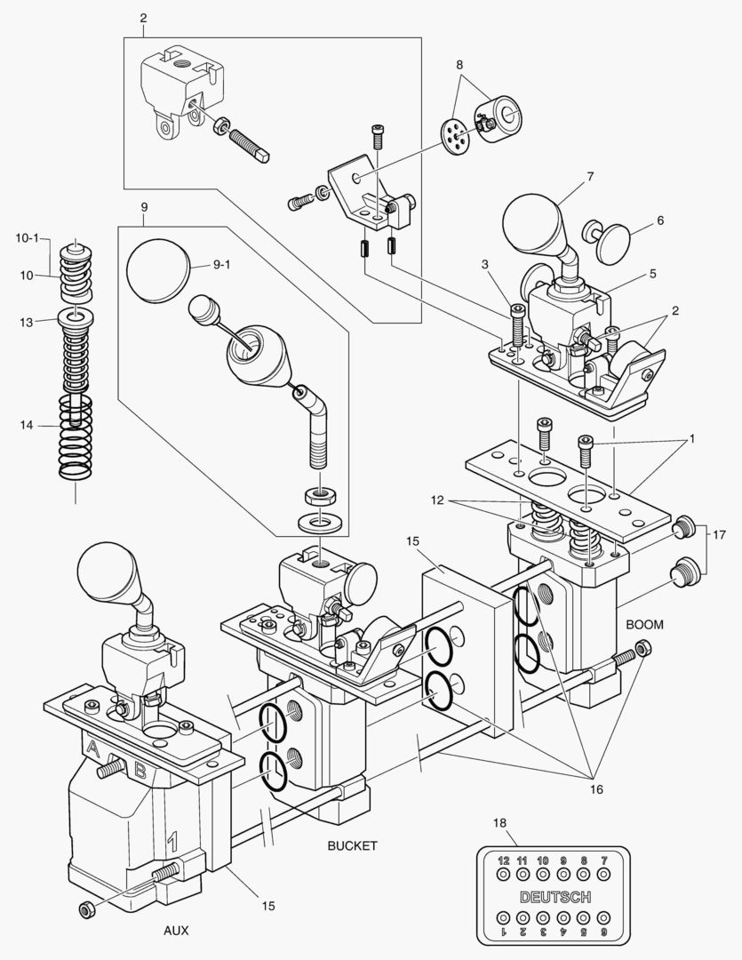
3481 REMOTE CONTROL VALVE - FNR [10117~]

3481 REMOTE CONTROL VALVE - FNR [10117~]

1Артикул: 410113-00156, VALVE ASSY,JOYSTICK
2Артикул: 410113-00156A, VALVE ASSY,JOYSTICK
3Артикул: 101101-00233, LEVER KIT;2ND
Подробнее >
СЦЕПЛЕНИЕ - K1 - ТРАНСМИССИЯ

СЦЕПЛЕНИЕ - K1 - ТРАНСМИССИЯ

1Артикул: 1.405-00016, SHAFT
2Артикул: 1.120-00034, STUD
3Артикул: 100502-00003, CARRIER;DISC
Подробнее >
СИСТЕМА ПЕРЕКЛЮЧЕНИЯ ПЕРЕДАЧ(1) - ТРАНСМИССИЯ

СИСТЕМА ПЕРЕКЛЮЧЕНИЯ ПЕРЕДАЧ(1) - ТРАНСМИССИЯ

1Артикул: 1.180-00022, GASKET
2Артикул: K9000608, PLATE;DUCT
3Артикул: 1.461-00004, SHEET;INTERM
Подробнее >
РЕГУЛИРУЮЩИЙ КЛАПАН - 3 КАТУШКИ

РЕГУЛИРУЮЩИЙ КЛАПАН - 3 КАТУШКИ

1Артикул: K1003041A, CONTROL VALVE-3 SPOOL
2Артикул: K9001088, HOUSING
3Артикул: K9001089, SPOOL
Подробнее >
ДИФФЕРЕНЦИАЛ ВОДИЛА - ЗАДНЯЯ ОСЬ

ДИФФЕРЕНЦИАЛ ВОДИЛА - ЗАДНЯЯ ОСЬ

1Артикул: 110931-00747, HOUSING,DIFFERENTIAL
2Артикул: 140107-00006, BEARING,TAPER ROLLER
3Артикул: K9000205, RING;SPACER A=7.30
Подробнее >
ЦИЛИНДР КОВША

ЦИЛИНДР КОВША

1Артикул: K1005339, CYLINDER;BUCKET
2Артикул: 400310-00558A, CYLINDER,BUCKET
3Артикул: K9002684, TUBE ASS`Y
Подробнее >
УСИЛИТЕЛЬ ПОДАЧИ

УСИЛИТЕЛЬ ПОДАЧИ

1Артикул: 410136-00012, VALVE,STEERING
2Артикул: 410104-00171, VALVE ASSY,CHECK
3Артикул: 410116-00547, VALVE ASSY;SHOCK
Подробнее >
3480 REMOTE CONTROL VALVE - FNR [10001~10116]

3480 REMOTE CONTROL VALVE - FNR [10001~10116]

1Артикул: 410113-00016, VALVE ASSY,JOYSTICK
2Артикул: 2.357-00047, LEVER KIT;2ND
3Артикул: 2.360-00001, SPOOL KIT
Подробнее >
МЕХАНИЗМ ОТБОРА МОЩНОСТИ - ТРАНСМИССИЯ

МЕХАНИЗМ ОТБОРА МОЩНОСТИ - ТРАНСМИССИЯ

1Артикул: 1.405-00080, SHAFT;PUMP
2Артикул: 1.115-00296, RING;PISTON
3Артикул: 1.109-00009, BEARING;BALL
Подробнее >
3410 BRAKE & PILOT SUPPLY VALVE

3410 BRAKE & PILOT SUPPLY VALVE

1Артикул: K1010543, BRAKE & PILOT SUPPLY VALVE
2Артикул: -, BODY
3Артикул: 1.420-00127, SEQUENCE VALVE
Подробнее >
КАРТЕР ОСИ - ЗАДНЯЯ ОСЬ

КАРТЕР ОСИ - ЗАДНЯЯ ОСЬ

1Артикул: 190113-00050, HOUSING,AXLE
2Артикул: 110947-00220, SHIM S=0.8
3Артикул: 110947-00221, SHIM S=0.9
Подробнее >
АВАРИЙНЫЙ НАСОС РУЛЕВОГО УПРАВЛЕНИЯ - ТРАНСМИССИЯ

АВАРИЙНЫЙ НАСОС РУЛЕВОГО УПРАВЛЕНИЯ - ТРАНСМИССИЯ

1Артикул: 110508-00064, COVER
2Артикул: 1.180-00012, GASKET
3Артикул: 1.120-00120, SCREW;HEX.
Подробнее >
СЦЕПЛЕНИЕ - KR - ТРАНСМИССИЯ

СЦЕПЛЕНИЕ - KR - ТРАНСМИССИЯ

1Артикул: 1.405-00014, SHAFT
2Артикул: 1.120-00034, STUD
3Артикул: 100502-00006, CARRIER;DISC
Подробнее >
ОСНОВНОЙ НАСОС

ОСНОВНОЙ НАСОС

1Артикул: 401-00354A, PUMP;TRIPLE
2Артикул: -, CAP;END
3Артикул: -, PIN,DOWEL
Подробнее >
ЗАЛИВНАЯ ГОРЛОВИНА - ТРАНСМИССИЯ

ЗАЛИВНАЯ ГОРЛОВИНА - ТРАНСМИССИЯ

1Артикул: 1.180-00011, GASKET
2Артикул: 1.412-00031, PLATE;COVER
3Артикул: 1.120-00120, SCREW;HEX.
Подробнее >
УСТРОЙСТВО КОНТРОЛЯ - ТРАНСМИССИЯ

УСТРОЙСТВО КОНТРОЛЯ - ТРАНСМИССИЯ

1Артикул: 1.120-00166, PLUG
2Артикул: 1.180-00062, O-RING
3Артикул: 1.120-00164, PLUG
Подробнее >
СЦЕПЛЕНИЕ - K4 - ТРАНСМИССИЯ

СЦЕПЛЕНИЕ - K4 - ТРАНСМИССИЯ

1Артикул: 1.405-00017, SHAFT
2Артикул: 1.403-00002, GEAR
3Артикул: 1.115-00017, RING;RETAINING
Подробнее >
ТОРМОЗНОЙ КЛАПАН

ТОРМОЗНОЙ КЛАПАН

1Артикул: 420-00239B, VALVE;BRAKE PEDAL
2Артикул: -, BODY;LOWER
3Артикул: -, BODY;UPPER
Подробнее >
СЦЕПЛЕНИЕ - K2 - ТРАНСМИССИЯ

СЦЕПЛЕНИЕ - K2 - ТРАНСМИССИЯ

1Артикул: 1.405-00010, SHAFT
2Артикул: 1.120-00034, STUD
3Артикул: 100502-00004, CARRIER;DISC
Подробнее >
СОЕДИНЕНИЕ ДВИГАТЕЛЯ - ТРАНСМИССИЯ

СОЕДИНЕНИЕ ДВИГАТЕЛЯ - ТРАНСМИССИЯ

1Артикул: 210-00044C, TRANSMISSION
2Артикул: 2.125-00006, BELL;CONVERTER
3Артикул: 1.120-00117, SCREW
Подробнее >
КАРТЕР ОСИ - ПЕРЕДНЯЯ ОСЬ

КАРТЕР ОСИ - ПЕРЕДНЯЯ ОСЬ

1Артикул: 190113-00049, HOUSING,AXLE
2Артикул: 110947-00220, SHIM S=0.8
3Артикул: 110947-00221, SHIM S=0.9
Подробнее >
МАСЛЯННЫЙ НАСОС ДАВЛЕНИЯ-ТРАНСМИССИЯ

МАСЛЯННЫЙ НАСОС ДАВЛЕНИЯ-ТРАНСМИССИЯ

1Артикул: 400915-00003, PUMP;OIL
2Артикул: 1.180-00531, SEAL;SHAFT
3Артикул: 1.120-00064, SCREW ASS`Y
Подробнее >