ГИДРАВЛИЧЕСКИЕ ЗАПЧАСТИ в Алматы
ЦИЛИНДР ПОВОРОТА СТРЕЛЫ
1Артикул: K1025363A-N, CYLINDER;BOOM SWING
2Артикул: K9006334-N, TUBE ASS`Y
3Артикул: K1026053, BUSH
ПЕРЕДНЯЯ ОСЬ(3)
1Артикул: 2.125-00009, CASE;AXLE
2Артикул: 2.121-00233, NUT
3Артикул: 2.120-00716, BOLT;GRUB
ОСНОВНОЙ НАСОС - РЕГУЛИРУЮЩАЯ ПРУЖИНА
1Артикул: 2.427-00050, SEAT;SPRING
2Артикул: 2.427-00092, SEAT;SPRING
3Артикул: K9005701, COVER
ОСНОВНОЙ НАСОС - РОТОР
1Артикул: 2.409-00108, PISTON ASS`Y
2Артикул: K9006365, BLOCK;CYLINDER
3Артикул: K9006364, RETAINER
ПЕРЕДНЯЯ ОСЬ(4)
1Артикул: 2.409-00232, PISTON
2Артикул: 2.180-01120, O-RING
3Артикул: 2.115-00483, RING;BACK UP
ЗАДНЯЯ ОСЬ(1)
1Артикул: 220-00043A, AXLE;REAR
2Артикул: 2.180-01100, O-RING
3Артикул: 2.430-00419, COVER;INTERMEDIATE
4360 TRANSMISSION
1Артикул: K1025504, TRANSMISSION
2Артикул: K9006004, HOUSING
3Артикул: 2.123-00280, PIN
ЦИЛИНДР РУКОЯТИ
1Артикул: K1025202C-Y, CYLINDER;ARM
2Артикул: 400305-00012-Y, CYLINDER,ARM
3Артикул: K9006342A-Y, TUBE ASS`Y
4330 DOZER CYLINDER
1Артикул: K1024540C-N, CYLINDER;DOZER
2Артикул: K9006327-N, TUBE ASS`Y
3Артикул: K9006331, BUSH;STEEL
ХОДОВОЙ ГИДРОМОТОР
1Артикул: 401-00311A, MOTOR;TRAVEL
2Артикул: 2.409-00246, ROTARY GROUP
3Артикул: 2.409-00244, CONTROL
ОСНОВНОЙ НАСОС
1Артикул: 401-00358B, PUMP;MAIN
2Артикул: K9005713, SHAFT ASS`Y
3Артикул: 2.412-00279, HANGER ASS`Y
ПЕРЕДНЯЯ ОСЬ(2)
1Артикул: 2.120-00734, BOLT;HEX
2Артикул: 2.412-00335, PLATE;LOCKING
3Артикул: 2.120-00717, BOLT
ЗАДНЯЯ ОСЬ(3)
1Артикул: 2.125-00008, CASE;AXLE
2Артикул: 2.115-00469, RING
3Артикул: 2.115-00486, RING;CENTERING
4350 CENTER JOINT
1Артикул: K1024544-N, JOINT;CENTER
2Артикул: -, HUB
3Артикул: K9006391, SEAL;ROTARY
ГИДРОМОТОР ПОВОРОТА ПЛАТФОРМЫ
1Артикул: K1026305B, MOTOR;SWING
2Артикул: -, REDUCTION GEAR
3Артикул: -, . HOUSING
ОСНОВНОЙ НАСОС - ВАЛ
1Артикул: 2.405-00037, SHAFT
2Артикул: 2.423-00069, SEAL;CASE
3Артикул: 2.109-00076, BEARING
ОСНОВНОЙ НАСОС - ШЕСТЕРЕННЫЙ НАСОС(1)
1Артикул: 1.241-00014, PUMP;GEAR
2Артикул: K9006352, CASE;GEAR
3Артикул: K9005700, GEAR;DRIVE
ХОДОВОЙ ГИДРОМОТОР - РОТОР В СБОРЕ
1Артикул: 2.409-00246, ROTARY GROUP
2Артикул: 2.409-00247, CYLINDER BLOCK ASS`Y
3Артикул: 2.424-00353, . CYLINDER
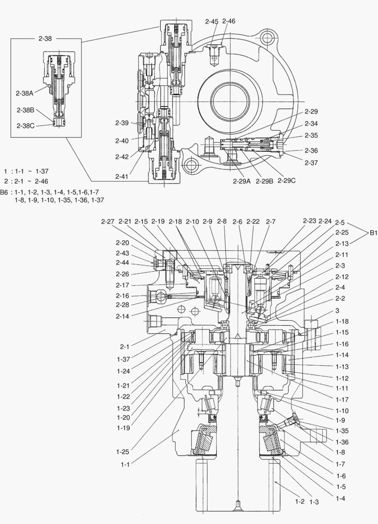
4240 CONTROL VALVE
1Артикул: K1036660B, CONTROL VALVE
2Артикул: K9005314, NUT
3Артикул: K9005658, TIE-ROD
ПОДАЮЩИЙ КЛАПАН ТОРМОЗА
1Артикул: K1028004, VALVE;BRAKE SUPPLY
2Артикул: -, BLOCK
3Артикул: 1.420-00128, VALVE;SEQUENCE
ХОДОВОЙ ГИДРОМОТОР - УРАВНОВЕШИВАЮЩИЙ КЛАПАН
1Артикул: 2.401-00050, VALVE;COUNTER BALANCE
2Артикул: 2.421-00362, VALVE;POPPET
3Артикул: 2.180-01202, . O-RING
ОСНОВНОЙ НАСОС - КРЫШКА
1Артикул: 2.430-00415, COVER
2Артикул: 2.412-00126, PLATE;CONTROL
3Артикул: S5700881, PIN;PARALLEL
ОСНОВНОЙ НАСОС - ШЕСТЕРЕННЫЙ НАСОС(2)
1Артикул: 2.604-00003, FRAME;CENTER
2Артикул: 2.402-00313, HOUSING
3Артикул: 2.403-00322, GEAR;DRIVE
ОСНОВНОЙ НАСОС - РАСПРЕДЕЛИТЕЛЬНЫЙ ПОРШЕНЬ
1Артикул: 2.525-00031, CYLINDER
2Артикул: K9006353, PISTON
3Артикул: 2.123-00167, PIN;PARALLEL
ОХЛАЖДАЮЩИЙ ЦИЛИНДР
1Артикул: K1024542-N, CYLINDER;CHOCKING
2Артикул: -, BODY
3Артикул: K9006333, ROD
ХОДОВОЙ ГИДРОМОТОР - ЗАПЧАСТИ УПРАВЛЕНИЯ
1Артикул: 2.409-00244, CONTROL
2Артикул: 2.421-00360, PART;CONTROL
3Артикул: 2.402-00339, . HOUSING;CONTROL
ЦИЛИНДР КОВША
1Артикул: K1025203C-Y, CYLINDER;BUCKET
2Артикул: 400310-00010-Y, CYLINDER,BUCKET
3Артикул: K9006338A-Y, TUBE ASS`Y
ПЕРЕДНЯЯ ОСЬ(5)
1Артикул: 2.428-00072, ROD;ARTICULATED
2Артикул: 2.525-00033, CYLINDER
3Артикул: K9006389, . SEAL KIT;STEERING CYL
ПОДАЮЩИЙ КЛАПАН СЕРВОУПРАВЛЕНИЯ
1Артикул: K1028003A, VALVE;PILOT SUPPLY
2Артикул: -, BLOCK
3Артикул: 1.420-00092, REDUCING VALVE
4260 JOYSTICK VALVE - DOZER
1Артикул: K1029454, DOZER REMOCON VALVE
2Артикул: -, BODY
3Артикул: 1.181-00055, PLUG
ЦИЛИНДР СТРЕЛЫ - ГИДРОЗАМОК
1Артикул: K1027523C-Y, CYLINDER;BOOM(LOCK VALVE)
2Артикул: 400309-00019-Y, CYLINDER,BOOM(LOCK VALVE)
3Артикул: K9006424A-Y, TUBE ASS`Y
КЛАПАН ДЖОЙСТИКА
1Артикул: K1027929, VALVE,JOYSTICK;LH
2Артикул: K1027928, VALVE,JOYSTICK(R.H)
3Артикул: -, CASE
ПЕРЕДНЯЯ ОСЬ(1)
1Артикул: 220-00044A, AXLE;FRONT
2Артикул: 2.180-01100, O-RING
3Артикул: 2.430-00418, COVER;INTERMEDIATE
ЗАДНЯЯ ОСЬ(2)
1Артикул: 2.120-00734, BOLT;HEX
2Артикул: 2.412-00335, PLATE;LOCKING
3Артикул: 2.120-00717, BOLT
ЗАДНЯЯ ОСЬ(4)
1Артикул: 2.180-01080, O-RING
2Артикул: 2.110-00021, BUSHING;REDUCTION
3Артикул: 2.180-01085, O-RING
ОСНОВНОЙ НАСОС - ПОДЪЕМНЫЙ КРОНШТЕЙН
1Артикул: 2.412-00280, HANGER
2Артикул: 2.412-00037, PLATE
3Артикул: 2.114-00762, SPACER