+7 (701) 588 50 05 Телефон для связи
RU

WhatsApp

Позвонить

ГИДРАВЛИЧЕСКИЕ ЗАПЧАСТИ в Алматы

4260 BOOM CYLINDER - R.H [5001~5800]

4260 BOOM CYLINDER - R.H [5001~5800]

1Артикул: K1049892, CYLINDER,BOOM(R.H)
2Артикул: 420406-00258, TUBE ASSY
3Артикул: K1010028, BUSH
Подробнее >
4261 BOOM CYLINDER - R.H [5801~5804]

4261 BOOM CYLINDER - R.H [5801~5804]

1Артикул: 400309-01077A, CYLINDER,BOOM;NON LOCK;RH
2Артикул: 420406-00258A-DG, TUBE ASSY
3Артикул: K1010028, BUSH
Подробнее >
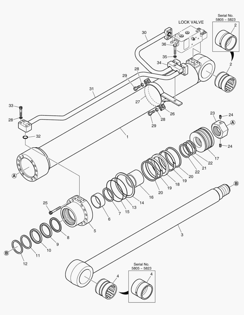
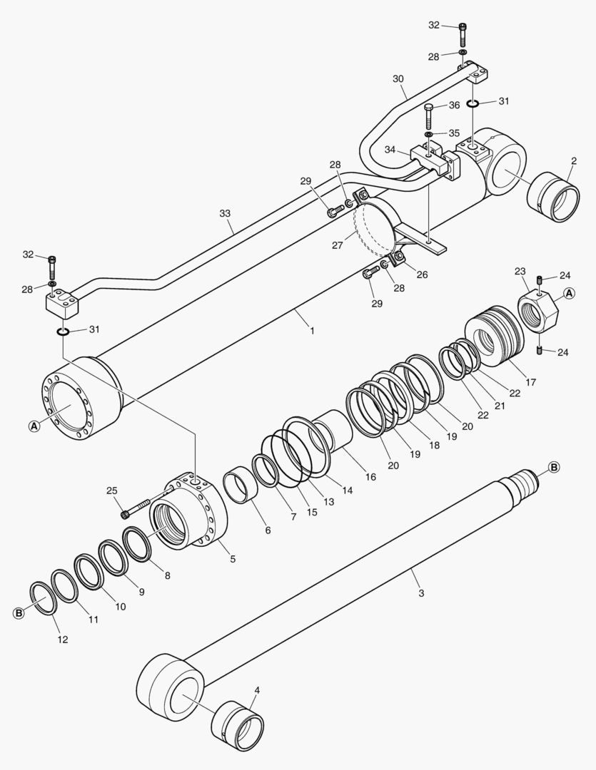
4312 BOOM CYLINDER - L.H (LOCK VALVE) [5805~]

4312 BOOM CYLINDER - L.H (LOCK VALVE) [5805~]

1Артикул: 400309-00482B, CYLINDER,BOOM;LOCK V/V LH
2Артикул: 400309-00482C, CYLINDER,BOOM(L.H)
3Артикул: 420402-00445-DG, TUBE,CYLINDER
Подробнее >
4322 BOOM CYLINDER - R.H (LOCK VALVE) [5805~]

4322 BOOM CYLINDER - R.H (LOCK VALVE) [5805~]

1Артикул: 400309-00483B, CYLINDER,BOOM;LOCK V/V RH
2Артикул: 400309-00483C, CYLINDER,BOOM(R.H)
3Артикул: 420402-00445-DG, TUBE,CYLINDER
Подробнее >
4330 ARM CYLINDER - LOCK VALVE [5001~5800]

4330 ARM CYLINDER - LOCK VALVE [5001~5800]

1Артикул: 400305-00024, CYLINDER,ARM;LOCK V/V
2Артикул: 400305-00024A, CYLINDER,ARM;LOCK V/V
3Артикул: 400305-00024B, CYLINDER,ARM;LOCK V/V
Подробнее >
4220 PEDAL VALVE

4220 PEDAL VALVE

1Артикул: 420-00467A, VALVE,PEDAL
2Артикул: -, BODY
3Артикул: 420-00112, PLUG
Подробнее >
4291 BUCKET CYLINDER - ARM 2.4m [5801~]

4291 BUCKET CYLINDER - ARM 2.4m [5801~]

1Артикул: 400310-00033E, CYLINDER,BUCKET;2.4M
2Артикул: 420402-00128A-DG, TUBE ASSY,CYLINDER
3Артикул: 131008-00067A, BUSH
Подробнее >
4271 ARM CYLINDER [5801~5804]

4271 ARM CYLINDER [5801~5804]

1Артикул: 400305-00022C, CYLINDER,ARM
2Артикул: 420406-00259B-DG, TUBE ASSY
3Артикул: 131008-00130, BUSH
Подробнее >
4320 BOOM CYLINDER - R.H (LOCK VALVE) [5001~5800]

4320 BOOM CYLINDER - R.H (LOCK VALVE) [5001~5800]

1Артикул: K1050119, CYLINDER,BOOM(R.H)LOCK V/V
2Артикул: 400309-01043, CYLINDER,BOOM(R.H)LOCK V/V
3Артикул: 420406-00258, TUBE ASSY
Подробнее >
4281 BUCKET CYLINDER - ARM 2.9m [5801~]

4281 BUCKET CYLINDER - ARM 2.9m [5801~]

1Артикул: 400310-00511A, CYLINDER,BUCKET
2Артикул: 420406-01074A-DG, TUBE ASSY
3Артикул: 131008-00169, BUSHING,SINTERING
Подробнее >
РЕГУЛИРУЮЩИЙ КЛАПАН(3)

РЕГУЛИРУЮЩИЙ КЛАПАН(3)

1Артикул: 410105-00111, VALVE ASSY,CONTROL
2Артикул: 410105-00111A, VALVE,MAIN CONTROL
3Артикул: 430-00038, CAP
Подробнее >
4280 BUCKET CYLINDER - ARM 2.9m [5001~5800]

4280 BUCKET CYLINDER - ARM 2.9m [5001~5800]

1Артикул: K1053781, CYLINDER,BUCKET
2Артикул: 400310-00232, CYLINDER,BUCKET
3Артикул: 400310-00232A, CYLINDER,BUCKET;2.9M
Подробнее >
4332 ARM CYLINDER - LOCK VALVE [5805~]

4332 ARM CYLINDER - LOCK VALVE [5805~]

1Артикул: 400305-00323A, CYLINDER,ARM(LOCK V/V)
2Артикул: 400305-00323B, CYLINDER,ARM(LOCK VALVE)
3Артикул: 420406-01601-DG, TUBE ASSY
Подробнее >
ПОНИЖАЮЩАЯ ПЕРЕДАЧА ХОДА

ПОНИЖАЮЩАЯ ПЕРЕДАЧА ХОДА

1Артикул: K9007404, REDUCTION GEAR
2Артикул: 170402-00028, REDUCTION GEAR
3Артикул: 170402-00028A, GEAR ASSY,REDUCTION,TRAVEL
Подробнее >
4230 SOLENOID VALVE

4230 SOLENOID VALVE

1Артикул: K1047557, VALVE;SOLENOID
2Артикул: 410135-01300, VALVE,SOLENOID
3Артикул: -, BLOCK
Подробнее >
4310 BOOM CYLINDER - L.H (LOCK VALVE) [5001~5800]

4310 BOOM CYLINDER - L.H (LOCK VALVE) [5001~5800]

1Артикул: K1050073, CYLINDER,BOOM(L.H)LOCK V/V
2Артикул: 400309-01042, CYLINDER,BOOM(L.H)LOCK V/V
3Артикул: 420406-00258, TUBE ASSY
Подробнее >
4270 ARM CYLINDER [5001~5800]

4270 ARM CYLINDER [5001~5800]

1Артикул: 400305-00022, CYLINDER,ARM
2Артикул: 400305-00022A, CYLINDER,ARM
3Артикул: 400305-00022B, CYLINDER,ARM
Подробнее >
4311 BOOM CYLINDER - L.H (LOCK VALVE) [5801~5804]

4311 BOOM CYLINDER - L.H (LOCK VALVE) [5801~5804]

1Артикул: 400309-01042B, CYLINDER,BOOM(L.H)LOCK V/V
2Артикул: 420406-00258A-DG, TUBE ASSY
3Артикул: K1010028, BUSH
Подробнее >
КЛАПАН ПЕДАЛЬНЫЙ - ОДНА ПЕДАЛЬ

КЛАПАН ПЕДАЛЬНЫЙ - ОДНА ПЕДАЛЬ

1Артикул: K1017382A, PEDAL VALVE
2Артикул: -, CASING
3Артикул: K9002934, COVER KIT
Подробнее >
ПОВОРОТНАЯ ПОНИЖАЮЩАЯ ПЕРЕДАЧА

ПОВОРОТНАЯ ПОНИЖАЮЩАЯ ПЕРЕДАЧА

1Артикул: 130426-00008, GEAR,SWING REDUCTION
2Артикул: 110913-00068, CASE
3Артикул: 130712-00234, SHAFT,PINION
Подробнее >
4331 ARM CYLINDER - LOCK VALVE [5801~5804]

4331 ARM CYLINDER - LOCK VALVE [5801~5804]

1Артикул: 400305-00024E, CYLINDER,ARM,LOCK VALVE
2Артикул: 420406-00259C-DG, TUBE ASSY
3Артикул: 131008-00130, BUSH
Подробнее >
ГИДРОМОТОР ПОВОРОТА ПЛАТФОРМЫ

ГИДРОМОТОР ПОВОРОТА ПЛАТФОРМЫ

1Артикул: 170303-00040, MOTOR,SWING
2Артикул: -, VALVE;CASING
3Артикул: 430221-00204, PLUG
Подробнее >
4240 SOLENOID VALVE

4240 SOLENOID VALVE

1Артикул: K1045023, VALVE,SOLENOID
2Артикул: -, BODY
3Артикул: K9001354, SPOOL,SOLENOID
Подробнее >
4251 BOOM CYLINDER - L.H [5801~5804]

4251 BOOM CYLINDER - L.H [5801~5804]

1Артикул: 400309-01076A, CYLINDER,BOOM;NON LOCK;LH
2Артикул: 420406-00258A-DG, TUBE ASSY
3Артикул: K1010028, BUSH
Подробнее >
4250 BOOM CYLINDER - L.H [5001~5800]

4250 BOOM CYLINDER - L.H [5001~5800]

1Артикул: K1049891, CYLINDER,BOOM(L.H)
2Артикул: 420406-00258, TUBE ASSY
3Артикул: K1010028, BUSH
Подробнее >
ОСНОВНОЙ НАСОС - УПРАВЛЕНИЕ

ОСНОВНОЙ НАСОС - УПРАВЛЕНИЕ

1Артикул: K9004221, CONTROL MODULE
2Артикул: K9004203, . CONTROL MODULE
3Артикул: -, .. HOUSING,CONTROL
Подробнее >
ХОДОВОЙ ГИДРОМОТОР

ХОДОВОЙ ГИДРОМОТОР

1Артикул: K9007410, CONTROL PART ASS`Y
2Артикул: 300609-00069, CONTROL PART ASSY
3Артикул: K9007408A, . FLANGE ASSY;REAR
Подробнее >
РЕГУЛИРУЮЩИЙ КЛАПАН(2)

РЕГУЛИРУЮЩИЙ КЛАПАН(2)

1Артикул: 410105-00111, VALVE ASSY,CONTROL
2Артикул: 410105-00111A, VALVE,MAIN CONTROL
3Артикул: 423-00096, HOUSING;VALVE
Подробнее >
РЕГУЛИРУЮЩИЙ КЛАПАН(1)

РЕГУЛИРУЮЩИЙ КЛАПАН(1)

1Артикул: 410105-00111, VALVE ASSY,CONTROL
2Артикул: 410105-00111A, VALVE,MAIN CONTROL
3Артикул: 426-00168, POPET
Подробнее >
ГИДРОЗАМОК - РУКОЯТЬ

ГИДРОЗАМОК - РУКОЯТЬ

1Артикул: 410114-00026, VALVE,LOCK(L.H)
2Артикул: 410114-00158, VALVE,LOCK;LH
3Артикул: 410207-00130, SPOOL ASSY;CHECK
Подробнее >
ГИДРОЗАМОК - СТРЕЛА

ГИДРОЗАМОК - СТРЕЛА

1Артикул: 410114-00022, VALVE,LOCK(L.H)
2Артикул: 410114-00023, VALVE,LOCK(R.H)
3Артикул: 410207-00130, SPOOL ASSY;CHECK
Подробнее >
4262 BOOM CYLINDER - R.H [5805~]

4262 BOOM CYLINDER - R.H [5805~]

1Артикул: 400309-00485B, CYLINDER,BOOM;(R.H)
2Артикул: 420402-00445-DG, TUBE,CYLINDER
3Артикул: 131008-00065A, BUSHING,SINTERING
Подробнее >
4290 BUCKET CYLINDER - ARM 2.4m [5001~5800]

4290 BUCKET CYLINDER - ARM 2.4m [5001~5800]

1Артикул: 400310-00033, CYLINDER,BUCKET
2Артикул: 400310-00033A, CYLINDER,BUCKET
3Артикул: 400310-00033B, CYLINDER,BUCKET;2.4M
Подробнее >
4272 ARM CYLINDER [5805~]

4272 ARM CYLINDER [5805~]

1Артикул: 400305-00322A, CYLINDER,ARM
2Артикул: 400305-00322B, CYLINDER,ARM
3Артикул: 420406-01601-DG, TUBE ASSY
Подробнее >
4252 BOOM CYLINDER - L.H [5805~]

4252 BOOM CYLINDER - L.H [5805~]

1Артикул: 400309-00484B, CYLINDER,BOOM;(L.H)
2Артикул: 420402-00445-DG, TUBE,CYLINDER
3Артикул: 131008-00065A, BUSHING,SINTERING
Подробнее >
ОСНОВНОЙ НАСОС

ОСНОВНОЙ НАСОС

1Артикул: 400914-00090, PUMP,MAIN
2Артикул: 400914-00090A, PUMP,MAIN
3Артикул: 400914-00090B, PUMP,MAIN
Подробнее >
ОСНОВНОЙ НАСОС - E.P.P.R КЛАПАН

ОСНОВНОЙ НАСОС - E.P.P.R КЛАПАН

1Артикул: 2.430-00205, COVER
2Артикул: 2.430-00206, . COVER
3Артикул: 2.180-01199, . O-RING
Подробнее >
ОСНОВНОЙ НАСОС - РОТОР В СБОРЕ

ОСНОВНОЙ НАСОС - РОТОР В СБОРЕ

1Артикул: 210204-00003, ROTARY GROUP
2Артикул: K9004208, . ROTARY GROUP. HYDR. SECTION
3Артикул: K9004210, .. CYLINDER
Подробнее >
КЛАПАН ДЖОЙСТИКА

КЛАПАН ДЖОЙСТИКА

1Артикул: K1007088E, VALVE;REMOCON(L.H)
2Артикул: 410113-00118A, VALVE,JOYSTICK;LH
3Артикул: K1007090E, VALVE;REMOCON(R.H)
Подробнее >
4321 BOOM CYLINDER - R.H (LOCK VALVE) [5801~5804]

4321 BOOM CYLINDER - R.H (LOCK VALVE) [5801~5804]

1Артикул: 400309-01043B, CYLINDER,BOOM(R.H)LOCK V/V
2Артикул: 420406-00258A-DG, TUBE ASSY
3Артикул: K1010028, BUSH
Подробнее >