+7 (701) 588 50 05 Телефон для связи
RU

WhatsApp

Позвонить

ГИДРАВЛИЧЕСКИЕ ЗАПЧАСТИ в Алматы

СИСТЕМА ПЕРЕКЛЮЧЕНИЯ ПЕРЕДАЧ(2) - ТРАНСМИССИЯ

СИСТЕМА ПЕРЕКЛЮЧЕНИЯ ПЕРЕДАЧ(2) - ТРАНСМИССИЯ

1Артикул: K9006652, BLOCK;VALVE
2Артикул: 1.415-00001, ORIFICE
3Артикул: 1.409-00006, PISTON
Подробнее >
ТОРМОЗ - ПЕРЕДНЯЯ ОСЬ

ТОРМОЗ - ПЕРЕДНЯЯ ОСЬ

1Артикул: K9000290, PISTON
2Артикул: K9000243, U-RING
3Артикул: K9000241, RING;SUPPORT
Подробнее >
ЗАЛИВНАЯ ГОРЛОВИНА - ТРАНСМИССИЯ

ЗАЛИВНАЯ ГОРЛОВИНА - ТРАНСМИССИЯ

1Артикул: 1.180-00011, GASKET
2Артикул: 1.120-00120, SCREW;HEX.
3Артикул: 1.412-00031, PLATE;COVER
Подробнее >
3550 REMOCON VALVE - FNR(P TYPE) [5001~5038]

3550 REMOCON VALVE - FNR(P TYPE) [5001~5038]

1Артикул: 426-00240, REMOCON VALVE-FNR
2Артикул: 2.301-00001, HANDLE
3Артикул: 2.301-00001SKT, . SWITCH KIT
Подробнее >
ПЛАНЕТАРНАЯ ПЕРЕДАЧА - ЗАДНЯЯ ОСЬ

ПЛАНЕТАРНАЯ ПЕРЕДАЧА - ЗАДНЯЯ ОСЬ

1Артикул: 110931-00006, HOUSING
2Артикул: K9000032, PLUG
3Артикул: K9000179, O-RING
Подробнее >
СЦЕПЛЕНИЕ - KR - ТРАНСМИССИЯ

СЦЕПЛЕНИЕ - KR - ТРАНСМИССИЯ

1Артикул: 1.405-00014, SHAFT
2Артикул: 1.120-00034, STUD
3Артикул: 1.180-00087, O-RING
Подробнее >
БЕЗОПАСНЫЙ КЛАПАН - LIS

БЕЗОПАСНЫЙ КЛАПАН - LIS

1Артикул: K1046124, VALVE;SHOCKLESS
2Артикул: K9006940, VALVE;CHECK
3Артикул: K9006941, VALVE;CHECK
Подробнее >
3580 LIFT CYLINDER

3580 LIFT CYLINDER

1Артикул: K1027678, CYLINDER;LIFT
2Артикул: 420402-00001, TUBE ASSY
3Артикул: 110-00094, BUSH
Подробнее >
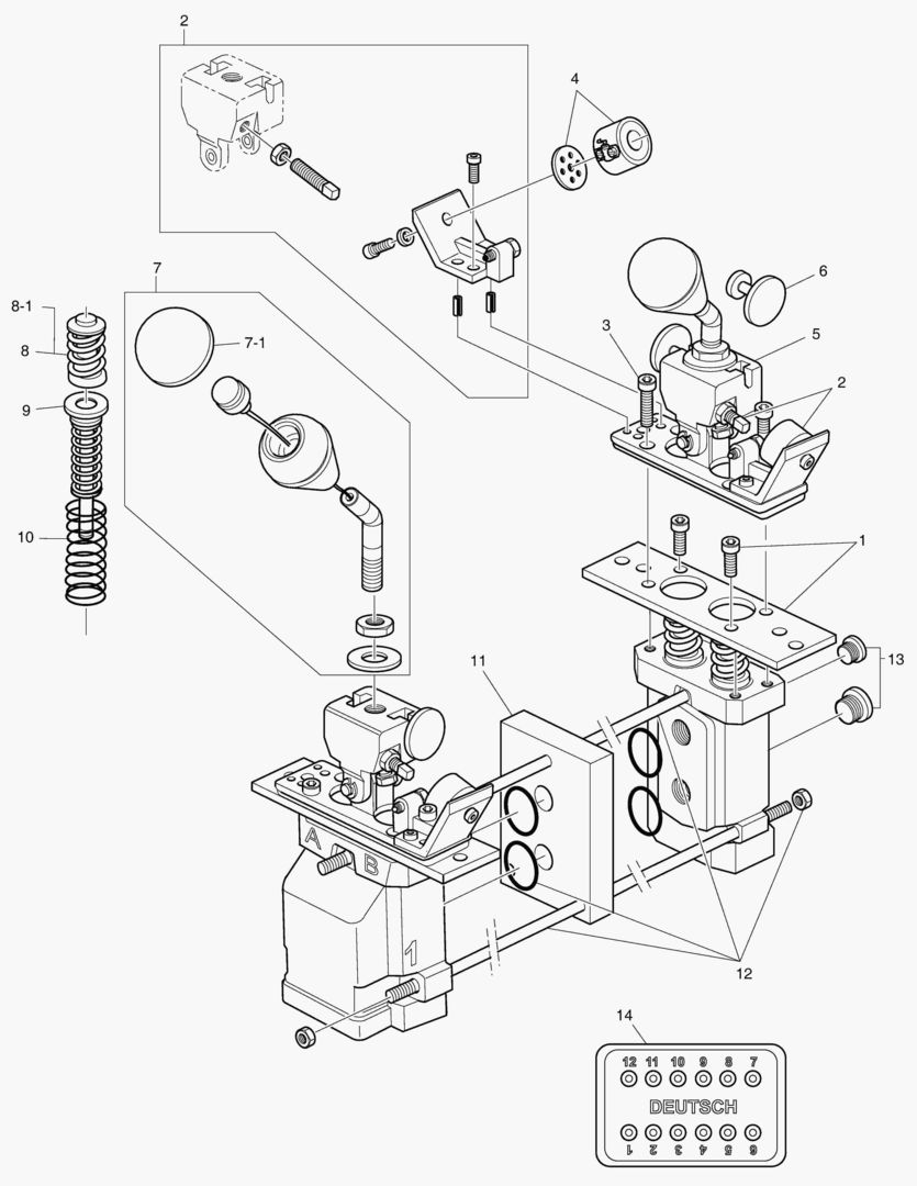
РЕМОНТНЫЙ КЛАПАН - 3 SP + 3 РЫЧАГА (K ТИП)

РЕМОНТНЫЙ КЛАПАН - 3 SP + 3 РЫЧАГА (K ТИП)

1Артикул: K1003380A, VALVE;JOYSTICK
2Артикул: K9002716, PLATE;MOUNTING
3Артикул: K9002717, BRACKET KIT;MAGENT
Подробнее >
МАСЛЯННЫЙ НАСОС ДАВЛЕНИЯ-ТРАНСМИССИЯ

МАСЛЯННЫЙ НАСОС ДАВЛЕНИЯ-ТРАНСМИССИЯ

1Артикул: 400915-00003, PUMP;OIL
2Артикул: 120705-00001, SCREW
3Артикул: 1.120-00088, SCREW
Подробнее >
3440 BRAKE & PILOT SUPPLY VALVE

3440 BRAKE & PILOT SUPPLY VALVE

1Артикул: K1010543, BRAKE & PILOT SUPPLY VALVE
2Артикул: -, BODY
3Артикул: 1.420-00127, SEQUENCE VALVE
Подробнее >
ДАТЧИК ТЕМПЕРАТУРЫ - ТРАНСМИССИЯ

ДАТЧИК ТЕМПЕРАТУРЫ - ТРАНСМИССИЯ

1Артикул: K9004019, SENSOR;TEMP.
2Артикул: 1.180-00063, O-RING
Подробнее >
ОСНОВНОЙ НАСОС

ОСНОВНОЙ НАСОС

1Артикул: K1029619, PUMP;TRIPLE VANE
2Артикул: -, CAP;END
3Артикул: -, PORT PLATE;PRESS.
Подробнее >
3201 PARKING BRAKE - TRANSMISSION [5044~]

3201 PARKING BRAKE - TRANSMISSION [5044~]

1Артикул: 130104-00036, BRAKE;PARKING
2Артикул: 401107-00465, . SEAL KIT
3Артикул: 101529-00017, . KIT;REPAIR
Подробнее >
КОРПУС КОРОБКИ ПЕРЕДАЧ - ТРАНСМИССИЯ

КОРПУС КОРОБКИ ПЕРЕДАЧ - ТРАНСМИССИЯ

1Артикул: 110931-00004, HOUSING;FRONT
2Артикул: 110931-00005, HOUSING;REAR
3Артикул: 1.123-00001, PIN
Подробнее >
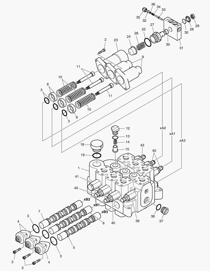
РЕГУЛИРУЮЩИЙ КЛАПАН - 3 КАТУШКИ (K ТИП)

РЕГУЛИРУЮЩИЙ КЛАПАН - 3 КАТУШКИ (K ТИП)

1Артикул: K1003041A, CONTROL VALVE-3 SPOOL
2Артикул: -, HOUSING
3Артикул: -, SPOOL
Подробнее >
СЦЕПЛЕНИЕ - K1 - ТРАНСМИССИЯ

СЦЕПЛЕНИЕ - K1 - ТРАНСМИССИЯ

1Артикул: 1.405-00016, SHAFT
2Артикул: 1.120-00034, STUD
3Артикул: 100502-00003, CARRIER;DISC
Подробнее >
3551 REMOTE CONTROL VALVE - FNR [5039~]

3551 REMOTE CONTROL VALVE - FNR [5039~]

1Артикул: 410113-00016, VALVE ASSY,JOYSTICK
2Артикул: 2.357-00047, LEVER KIT;2ND
3Артикул: 2.360-00001, SPOOL KIT
Подробнее >
СИСТЕМА ПЕРЕКЛЮЧЕНИЯ ПЕРЕДАЧ(1) - ТРАНСМИССИЯ

СИСТЕМА ПЕРЕКЛЮЧЕНИЯ ПЕРЕДАЧ(1) - ТРАНСМИССИЯ

1Артикул: 1.180-00022, GASKET
2Артикул: K9000608, PLATE;DUCT
3Артикул: K9006636, PLATE;SEALING
Подробнее >
ПЛАНЕТАРНАЯ ПЕРЕДАЧА - ПЕРЕДНЯЯ ОСЬ

ПЛАНЕТАРНАЯ ПЕРЕДАЧА - ПЕРЕДНЯЯ ОСЬ

1Артикул: 110931-00006, HOUSING
2Артикул: K9000032, PLUG
3Артикул: K9000179, O-RING
Подробнее >
ВХОД - ТРАНСМИССИЯ

ВХОД - ТРАНСМИССИЯ

1Артикул: 1.405-00072, SHAFT;INPUT
2Артикул: 1.403-00052, GEAR
3Артикул: 1.115-00027, RING;RETAINING
Подробнее >
ФИЛЬТР - ТРАНСМИССИЯ

ФИЛЬТР - ТРАНСМИССИЯ

1Артикул: K1029612, FILTER;T/M
2Артикул: 1.451-00170, HEAD;FILTER
3Артикул: K9004018, O-RING
Подробнее >
3200 PARKING BRAKE - TRANSMISSION [5001~5043]

3200 PARKING BRAKE - TRANSMISSION [5001~5043]

1Артикул: K9000590, PARKING BRAKE ASS`Y
2Артикул: K9000591, PISTON
3Артикул: K9000592, RING;PRESSURE
Подробнее >
ТОРМОЗНОЙ КЛАПАН

ТОРМОЗНОЙ КЛАПАН

1Артикул: 420-00239B, VALVE;BRAKE PEDAL
2Артикул: -, BODY;LOWER
3Артикул: -, BODY;UPPER
Подробнее >
РЕМОНТНЫЙ КЛАПАН - 2 SP + 2 РЫЧАГА (K ТИП)

РЕМОНТНЫЙ КЛАПАН - 2 SP + 2 РЫЧАГА (K ТИП)

1Артикул: K1003379, VALVE;JOYSTICK
2Артикул: K9002716, PLATE;MOUNTING
3Артикул: K9002717, BRACKET KIT;MAGENT
Подробнее >
ДИФФЕРЕНЦИАЛ - ЗАДНЯЯ ОСЬ

ДИФФЕРЕНЦИАЛ - ЗАДНЯЯ ОСЬ

1Артикул: K9005137, HOUSING;DIFF.
2Артикул: K9000612, FLANGE;BEARING
3Артикул: K9000613, SCREW;HEX.
Подробнее >
3421 EMERGENCY STEERING PUMP [5036~]

3421 EMERGENCY STEERING PUMP [5036~]

1Артикул: K1053898, PUMP ASSY,EMR STEERING
2Артикул: 300506-00035, MOTOR,DC
3Артикул: 400910-00061, PUMP,GEAR
Подробнее >
РЕГУЛИРУЮЩИЙ КЛАПАН - 2 КАТУШКИ (P ТИП)

РЕГУЛИРУЮЩИЙ КЛАПАН - 2 КАТУШКИ (P ТИП)

1Артикул: K1042754, VALVE;CONTROL;2-SPOOL
2Артикул: -, HOUSING
3Артикул: 110508-00205, COVER;PILOT B1
Подробнее >
3420 EMERGENCY STEERING PUMP [5001~5035]

3420 EMERGENCY STEERING PUMP [5001~5035]

1Артикул: 401-00127A, EMERGENCY DC MOTOR
2Артикул: 2.401-00013, MOTOR;D.C
3Артикул: 2.197-00047, MOUNTING KIT
Подробнее >
СОЕДИНЕНИЕ ДВИГАТЕЛЯ - ТРАНСМИССИЯ

СОЕДИНЕНИЕ ДВИГАТЕЛЯ - ТРАНСМИССИЯ

1Артикул: K1039694A, TRANSMISSION
2Артикул: K1039694B, TRANSMISSION
3Артикул: 2.125-00006, BELL;CONVERTER
Подробнее >
СЦЕПЛЕНИЕ - KV - ТРАНСМИССИЯ

СЦЕПЛЕНИЕ - KV - ТРАНСМИССИЯ

1Артикул: 1.405-00013, SHAFT
2Артикул: 1.120-00034, STUD
3Артикул: 1.180-00087, O-RING
Подробнее >
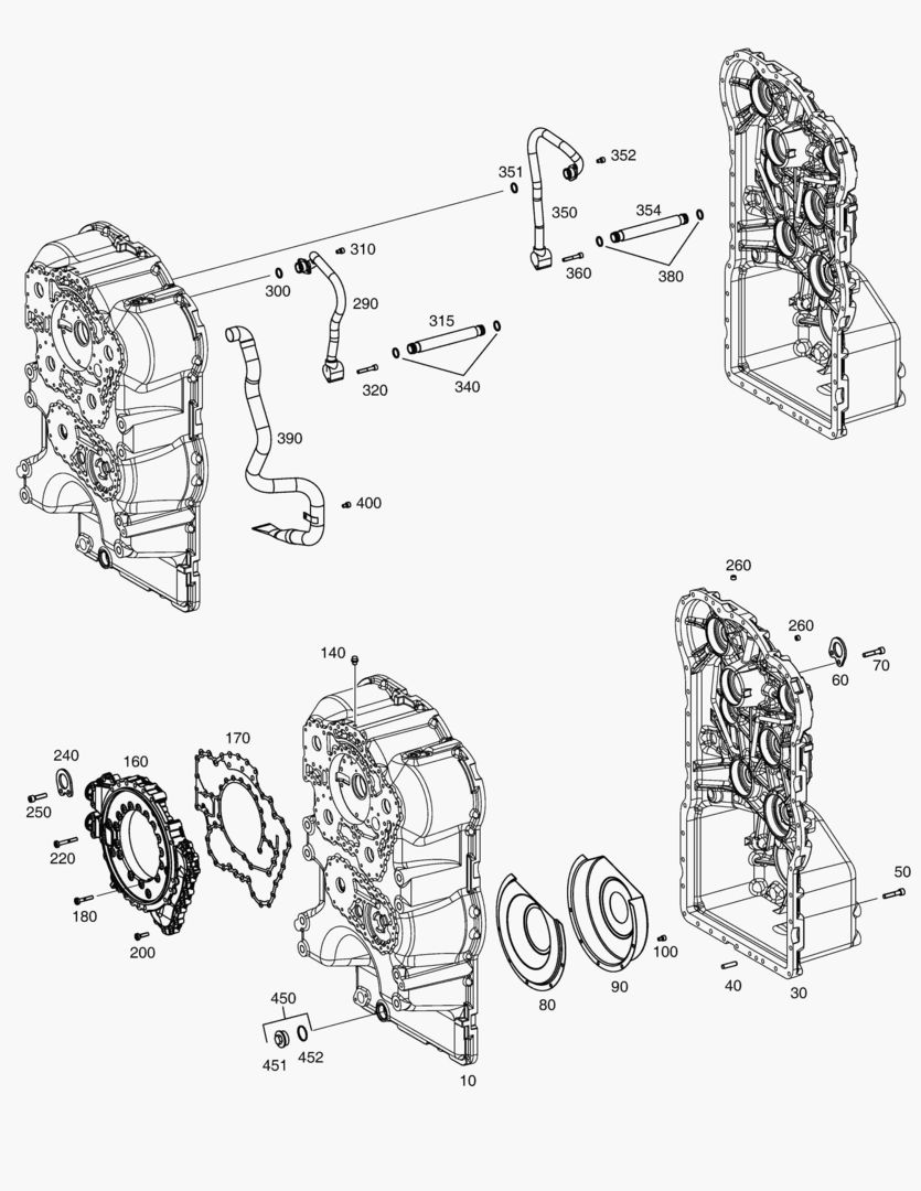
МЕХАНИЗМ ОТБОРА МОЩНОСТИ - ТРАНСМИССИЯ

МЕХАНИЗМ ОТБОРА МОЩНОСТИ - ТРАНСМИССИЯ

1Артикул: 1.405-00080, SHAFT;PUMP
2Артикул: 1.115-00021, RING;RETAINING
3Артикул: 1.115-00296, RING;PISTON
Подробнее >
3520 REMOCON VALVE - FNR (K TYPE) [5001~5038]

3520 REMOCON VALVE - FNR (K TYPE) [5001~5038]

1Артикул: 426-00254, JOYSTICK VALVE
2Артикул: 2.301-00001, HANDLE
3Артикул: 2.301-00001SKT, . SWITCH KIT
Подробнее >
3522 REMOTE CONTROL VALVE - FNR [10022~]

3522 REMOTE CONTROL VALVE - FNR [10022~]

1Артикул: 410113-00156, VALVE ASSY,JOYSTICK
2Артикул: 101101-00233, LEVER KIT;2ND
3Артикул: 410207-00402, SPOOL KIT
Подробнее >
УСТРОЙСТВО КОНТРОЛЯ - ТРАНСМИССИЯ

УСТРОЙСТВО КОНТРОЛЯ - ТРАНСМИССИЯ

1Артикул: 430221-00014, PLUG,SCREW
2Артикул: 1.120-00166, PLUG
3Артикул: 1.180-00062, O-RING
Подробнее >
РЕГУЛИРУЮЩИЙ КЛАПАН - 2 КАТУШКИ (K ТИП)

РЕГУЛИРУЮЩИЙ КЛАПАН - 2 КАТУШКИ (K ТИП)

1Артикул: K1003040A, CONTROL VALVE-2 SPOOL
2Артикул: -, HOUSING
3Артикул: -, SPOOL
Подробнее >
КАРТЕР ОСИ - ПЕРЕДНЯЯ ОСЬ

КАРТЕР ОСИ - ПЕРЕДНЯЯ ОСЬ

1Артикул: K9000666, SCREW;HEX.
2Артикул: K9000667, SCREW;HEX.
3Артикул: 1.120-00158, SCREW;LOCKING
Подробнее >
ВТОРИЧНЫЙ ВАЛ - ТРАНСМИССИЯ

ВТОРИЧНЫЙ ВАЛ - ТРАНСМИССИЯ

1Артикул: 130712-00007, SHAFT;OUTPUT
2Артикул: 1.109-00064, BEARING;ROLLER
3Артикул: 1.180-00533, SEAL;SHAFT
Подробнее >
РЕМОНТНЫЙ КЛАПАН - 3 SP + 3 РЫЧАГА (P ТИП)

РЕМОНТНЫЙ КЛАПАН - 3 SP + 3 РЫЧАГА (P ТИП)

1Артикул: K1003144A, VALVE;JOY STICK
2Артикул: K9002716, PLATE;MOUNTING
3Артикул: K9002717, BRACKET KIT;MAGENT
Подробнее >
АВАРИЙНЫЙ НАСОС РУЛЕВОГО УПРАВЛЕНИЯ - ТРАНСМИССИЯ

АВАРИЙНЫЙ НАСОС РУЛЕВОГО УПРАВЛЕНИЯ - ТРАНСМИССИЯ

1Артикул: 110508-00064, COVER
2Артикул: 1.180-00012, GASKET
3Артикул: 1.120-00120, SCREW;HEX.
Подробнее >
СЦЕПЛЕНИЕ - K2 - ТРАНСМИССИЯ

СЦЕПЛЕНИЕ - K2 - ТРАНСМИССИЯ

1Артикул: 1.405-00010, SHAFT
2Артикул: 1.120-00034, STUD
3Артикул: 1.180-00087, O-RING
Подробнее >
РЕГУЛИРУЮЩИЙ КЛАПАН - 3 КАТУШКИ (P ТИП)

РЕГУЛИРУЮЩИЙ КЛАПАН - 3 КАТУШКИ (P ТИП)

1Артикул: K1042756, VALVE;CONTROL;3-SPOOL
2Артикул: -, HOUSING
3Артикул: S0556053, BOLT M8X1.25X35
Подробнее >
ДИФФЕРЕНЦИАЛ - ПЕРЕДНЯЯ ОСЬ

ДИФФЕРЕНЦИАЛ - ПЕРЕДНЯЯ ОСЬ

1Артикул: K9000328, HOUSING;AXLE DR.
2Артикул: 140107-00006, BEARING,TAPER ROLLER
3Артикул: 140107-00008, BEARING,ROLLER
Подробнее >
ПЕРЕДАТЧИК ИНДИКАТОРА - ТРАНСМИССИЯ

ПЕРЕДАТЧИК ИНДИКАТОРА - ТРАНСМИССИЯ

1Артикул: 1.549-00011, TRANSMITTER;IND.
2Артикул: K9000086, O-RING
3Артикул: 1.549-00015, TRANSMITTER;SPEED
Подробнее >
БЛОК РУЛЕВОГО МЕХАНИЗМА

БЛОК РУЛЕВОГО МЕХАНИЗМА

1Артикул: 420-00418, STEERING UNIT
2Артикул: 2.115-00194, RING;DUST SEAL
3Артикул: -, HOUSING SPOOL & SLEEVE
Подробнее >
ТОРМОЗ - ЗАДНЯЯ ОСЬ

ТОРМОЗ - ЗАДНЯЯ ОСЬ

1Артикул: K9000290, PISTON
2Артикул: K9000243, U-RING
3Артикул: K9000241, RING;SUPPORT
Подробнее >
РЕГУЛЯТОР ДАВЛЕНИЯ - ТРАНСМИССИЯ

РЕГУЛЯТОР ДАВЛЕНИЯ - ТРАНСМИССИЯ

1Артикул: 1.420-00007, VALVE
2Артикул: 1.412-00078, PLATE;PRESSURE
3Артикул: 1.114-00487, WASHER;TAB
Подробнее >
ТОРМОЗНОЙ КЛАПАН

ТОРМОЗНОЙ КЛАПАН

1Артикул: 420-00172, VALVE;CUSHION
2Артикул: -, BODY
3Артикул: -, VALVE;SEAT
Подробнее >
ВЕНТИЛЯТОР ДВИГАТЕЛЯ - ЗАФИКСИРОВАННЫЙ RPM

ВЕНТИЛЯТОР ДВИГАТЕЛЯ - ЗАФИКСИРОВАННЫЙ RPM

1Артикул: K1009225, MOTOR;FAN(Bi-DIRECTION)
2Артикул: -, FRONT BEARING
3Артикул: -, SEAL
Подробнее >
РЕМОНТНЫЙ КЛАПАН - 2 SP + 2 РЫЧАГА(P ТИП)

РЕМОНТНЫЙ КЛАПАН - 2 SP + 2 РЫЧАГА(P ТИП)

1Артикул: K1003143, VALVE;JOYSTICK
2Артикул: K9002716, PLATE;MOUNTING
3Артикул: K9002717, BRACKET KIT;MAGENT
Подробнее >
РУЛЕВОЙ ЦИЛИНДР

РУЛЕВОЙ ЦИЛИНДР

1Артикул: K1041298, CYLINDER;STEERING
2Артикул: 420402-00003, TUBE ASSY
3Артикул: 1.110-00042, BUSH
Подробнее >
3521 REMOTE CONTROL VALVE - FNR [5039~10021]

3521 REMOTE CONTROL VALVE - FNR [5039~10021]

1Артикул: 410113-00017, VALVE ASSY,JOYSTICK
2Артикул: 2.357-00047, LEVER KIT;2ND
3Артикул: 2.360-00001, SPOOL KIT
Подробнее >
EHPS КЛАПАН

EHPS КЛАПАН

1Артикул: 420-00416B, EHPS VALVE
2Артикул: -, BLOCK,VALVE
3Артикул: K9000676A, SPOOL
Подробнее >
ВЕНТИЛЯТОР ДВИГАТЕЛЯ - ПРОПОРЦИОНАЛЬНЫЙ

ВЕНТИЛЯТОР ДВИГАТЕЛЯ - ПРОПОРЦИОНАЛЬНЫЙ

1Артикул: K1003081, MOTOR;FAN
2Артикул: -, FRONT BEARING
3Артикул: -, SEAL
Подробнее >
СЦЕПЛЕНИЕ - K3 - ТРАНСМИССИЯ

СЦЕПЛЕНИЕ - K3 - ТРАНСМИССИЯ

1Артикул: 130712-00008, SHAFT
2Артикул: 1.120-00034, STUD
3Артикул: 1.180-00087, O-RING
Подробнее >
ЦИЛИНДР КОВША

ЦИЛИНДР КОВША

1Артикул: K1027680A, CYLINDER;BUCKET
2Артикул: K1027680, CYLINDER,BUCKET
3Артикул: 400310-00149, CYLINDER,BUCKET
Подробнее >
СЦЕПЛЕНИЕ - K4 - ТРАНСМИССИЯ

СЦЕПЛЕНИЕ - K4 - ТРАНСМИССИЯ

1Артикул: 1.405-00017, SHAFT
2Артикул: 1.403-00002, GEAR
3Артикул: 1.115-00017, RING;RETAINING
Подробнее >
КАРТЕР ОСИ - ЗАДНЯЯ ОСЬ

КАРТЕР ОСИ - ЗАДНЯЯ ОСЬ

1Артикул: K9000666, SCREW;HEX.
2Артикул: K9000667, SCREW;HEX.
3Артикул: K9005138, PIN;SLOT
Подробнее >