+7 (701) 588 50 05 Телефон для связи
RU

WhatsApp

Позвонить

ГИДРАВЛИКА в Алматы

РАСПРЕДЕЛИТЕЛЬНОЕ УСТРОЙСТВО В СБОРЕ 367013501-13509 367312501-12505

РАСПРЕДЕЛИТЕЛЬНОЕ УСТРОЙСТВО В СБОРЕ 367013501-13509 367312501-12505

1Артикул: 6908552, VALVE, CONTROL See Illustration DISTRIBUTOR: INLET AND OUTLET/ V03055
2Артикул: 100370-18C, ELBOW PIECE
3Артикул: 10944-7, SCREW
Подробнее >
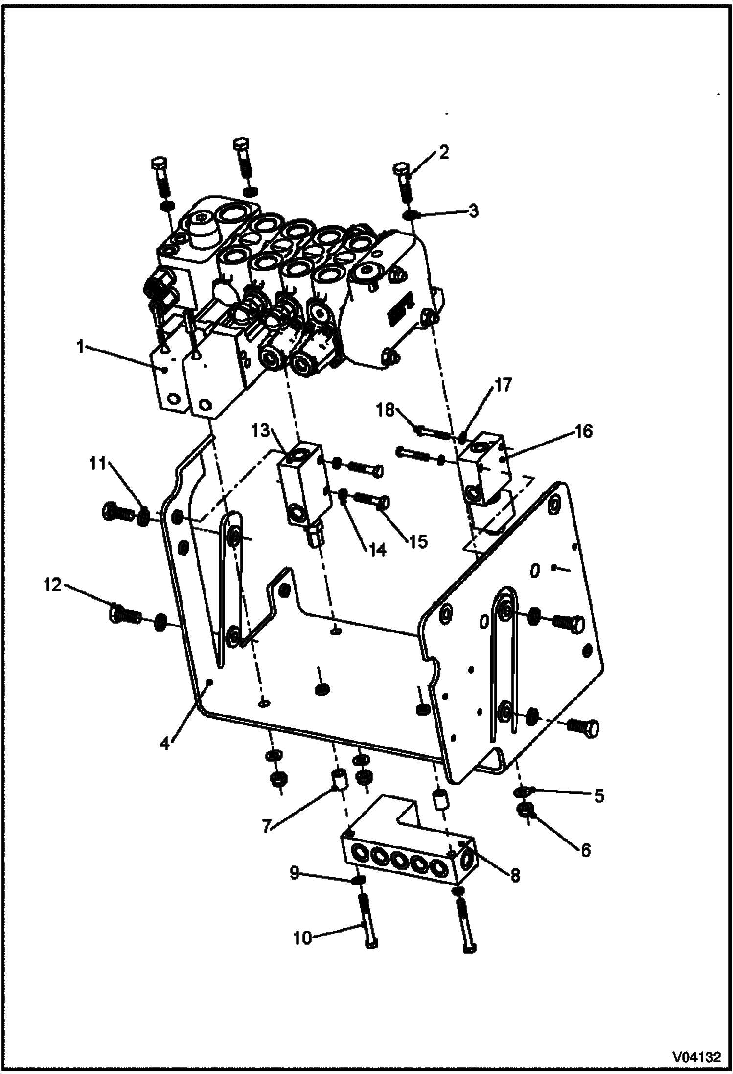
КРЕПЛЕНИЯ РАСПРЕДЕЛИТЕЛЬНОГО УСТРОЙСТВА 367611001 И ВЫШЕ 367711001 И ВЫШЕ

КРЕПЛЕНИЯ РАСПРЕДЕЛИТЕЛЬНОГО УСТРОЙСТВА 367611001 И ВЫШЕ 367711001 И ВЫШЕ

1Артикул: 6908552, VALVE, CONTROL See Illustration DISTRIBUTOR: INLET AND OUTLET/ V03055
2Артикул: 10944-7, SCREW
3Артикул: 89516-9, WASHER
Подробнее >
РЕГУЛИРУЮЩИЙ КЛАПАН: ЭЛЕМЕНТ НАКЛОНА 367011001 - 12001

РЕГУЛИРУЮЩИЙ КЛАПАН: ЭЛЕМЕНТ НАКЛОНА 367011001 - 12001

1Артикул: 95296-0, VALVE, CONTROL See Illustration CONTROL VALVE: LIFTING ELEMENT/ V01065 See Illustration CONTROL VALVE: TILTING ELEMENT/ V01066 See Illustration CONTROL VALVE: INLET AND OUTLET/ V01073 See Illustration CONTROL VALVE: ATTACHMENT ELEMENT/ V01068 See Illustration CONTROL VALVE: TELESCOPIC ELEMENT/ V01067
2Артикул: 96006-2, LINK, PROP Ref. 2 & 3
3Артикул: 95300-0, SEAL KIT
Подробнее >
РУКОЯТКА УПРАВЛЕНИЯ 367311001 И ВЫШЕ

РУКОЯТКА УПРАВЛЕНИЯ 367311001 И ВЫШЕ

1Артикул: 6915268, MANIPULATOR W/Ref. 2-5 - Was 6910314 - A
2Артикул: 6910728, LEVER ASSY Was 6910701 - A
3Артикул: 6910703, BELLOWS
Подробнее >
РАСПРЕДЕЛИТЕЛЬНОЕ УСТРОЙСТВО: ВПУСКНОЕ ОТВЕРСТИЕ И ВЫХОДНОЙ ПАТРУБОК 367012501 И ВЫШЕ 367311001 И ВЫШЕ

РАСПРЕДЕЛИТЕЛЬНОЕ УСТРОЙСТВО: ВПУСКНОЕ ОТВЕРСТИЕ И ВЫХОДНОЙ ПАТРУБОК 367012501 И ВЫШЕ 367311001 И ВЫШЕ

1Артикул: 6908552, VALVE, CONTROL
2Артикул: LIFTING, LIFTING ELEMENT See Illustration DISTRIBUTOR - LIFTING ELEMENT/ V03056
3Артикул: TILTING, TILTING ELEMENT See Illustration DISTRIBUTOR - TILTING ELEMENT/ V03057
Подробнее >
ГИДРОПРИВОДНОЙ НАСОС - ДЕТАЛИ 367013501 И ВЫШЕ 367312501 И ВЫШЕ

ГИДРОПРИВОДНОЙ НАСОС - ДЕТАЛИ 367013501 И ВЫШЕ 367312501 И ВЫШЕ

1Артикул: 6909807, PUMP w/Ref. 1 - 4
2Артикул: 6912522, VALVE W/Ref. 2
3Артикул: 6912523, SET OF SEALS
Подробнее >
ГИДРОПРИВОДНОЙ НАСОС 367013017-13029 367312019-12022

ГИДРОПРИВОДНОЙ НАСОС 367013017-13029 367312019-12022

1Артикул: 96561-6, PUMP
2Артикул: 97080-6, SEAL KIT, GEAR PUMP
3Артикул: 98643-0, VALVE
Подробнее >
РАСПРЕДЕЛИТЕЛЬНОЕ УСТРОЙСТВО - ДЕТАЛЬ ТЕЛЕСКОПИЧЕСКОГО УСТРОЙСТВА 367012501 И ВЫШЕ 367311001 И ВЫШЕ

РАСПРЕДЕЛИТЕЛЬНОЕ УСТРОЙСТВО - ДЕТАЛЬ ТЕЛЕСКОПИЧЕСКОГО УСТРОЙСТВА 367012501 И ВЫШЕ 367311001 И ВЫШЕ

1Артикул: 6908552, VALVE, CONTROL
2Артикул: 6910714, SPOOL RETURN
3Артикул: VALVE, VALVE
Подробнее >
РЕГУЛИРУЮЩИЙ КЛАПАН: ДЕТАЛЬ ТЕЛЕСКОПИЧЕСКОГО УСТРОЙСТВА 367011001 -12001

РЕГУЛИРУЮЩИЙ КЛАПАН: ДЕТАЛЬ ТЕЛЕСКОПИЧЕСКОГО УСТРОЙСТВА 367011001 -12001

1Артикул: 95296-0, VALVE, CONTROL See Illustration CONTROL VALVE: LIFTING ELEMENT/ V01065 See Illustration CONTROL VALVE: TILTING ELEMENT/ V01066 See Illustration CONTROL VALVE: INLET AND OUTLET/ V01073 See Illustration CONTROL VALVE: ATTACHMENT ELEMENT/ V01068 See Illustration CONTROL VALVE: TELESCOPIC ELEMENT/ V01067
2Артикул: 95283-8, VALVE, LINK PROPORTIONAL Ref. 2 & 3
3Артикул: 95300-0, SEAL KIT
Подробнее >
РАСПРЕДЕЛИТЕЛЬНОЕ УСТРОЙСТВО - ЭЛЕМЕНТ НАКЛОНА 367012501 И ВЫШЕ 367311001 И ВЫШЕ

РАСПРЕДЕЛИТЕЛЬНОЕ УСТРОЙСТВО - ЭЛЕМЕНТ НАКЛОНА 367012501 И ВЫШЕ 367311001 И ВЫШЕ

1Артикул: 6908552, VALVE, CONTROL
2Артикул: 6910712, HYDRAULIC OPERATION
3Артикул: VALVE, VALVE
Подробнее >
РАСПРЕДЕЛИТЕЛЬНОЕ УСТРОЙСТВО - ПОДЪЕМНЫЙ ЭЛЕМЕНТ 367012501 И ВЫШЕ 367311001 И ВЫШЕ

РАСПРЕДЕЛИТЕЛЬНОЕ УСТРОЙСТВО - ПОДЪЕМНЫЙ ЭЛЕМЕНТ 367012501 И ВЫШЕ 367311001 И ВЫШЕ

1Артикул: 6908552, VALVE, CONTROL
2Артикул: 6910712, HYDRAULIC OPERATION
3Артикул: VALVE, VALVE
Подробнее >
РАСПРЕДЕЛИТЕЛЬНОЕ УСТРОЙСТВО В СБОРЕ 367611001 И ВЫШЕ 367711001 И ВЫШЕ

РАСПРЕДЕЛИТЕЛЬНОЕ УСТРОЙСТВО В СБОРЕ 367611001 И ВЫШЕ 367711001 И ВЫШЕ

1Артикул: 6908552, VALVE, CONTROL See Illustration DISTRIBUTOR: INLET AND OUTLET/ V03055
2Артикул: 100370-18C, ELBOW PIECE
3Артикул: 022375-31Z, UNION
Подробнее >
РАСПРЕДЕЛИТЕЛЬНОЕ УСТРОЙСТВО: ЭЛЕМЕНТ ОБОРУДОВАНИЯ 367012501 И ВЫШЕ 367311001 И ВЫШЕ

РАСПРЕДЕЛИТЕЛЬНОЕ УСТРОЙСТВО: ЭЛЕМЕНТ ОБОРУДОВАНИЯ 367012501 И ВЫШЕ 367311001 И ВЫШЕ

1Артикул: 6908552, VALVE, CONTROL
2Артикул: 6910714, SPOOL RETURN
3Артикул: VALVE, VALVE
Подробнее >
РЕГУЛИРУЮЩИЙ КЛАПАН: ЭЛЕМЕНТ НАВЕСНОГО ОБОРУДОВАНИЯ 367011001 -12001

РЕГУЛИРУЮЩИЙ КЛАПАН: ЭЛЕМЕНТ НАВЕСНОГО ОБОРУДОВАНИЯ 367011001 -12001

1Артикул: 95296-0, VALVE, CONTROL See Illustration CONTROL VALVE: LIFTING ELEMENT/ V01065 See Illustration CONTROL VALVE: TILTING ELEMENT/ V01066 See Illustration CONTROL VALVE: INLET AND OUTLET/ V01073 See Illustration CONTROL VALVE: ATTACHMENT ELEMENT/ V01068 See Illustration CONTROL VALVE: TELESCOPIC ELEMENT/ V01067
2Артикул: 95283-8, VALVE, LINK PROPORTIONAL Ref. 2 & 3
3Артикул: 95300-0, SEAL KIT
Подробнее >
ГИДРОПРИВОДНОЙ НАСОС - ДЕТАЛИ 367013016 И НИЖЕ 367312018 И НИЖЕ

ГИДРОПРИВОДНОЙ НАСОС - ДЕТАЛИ 367013016 И НИЖЕ 367312018 И НИЖЕ

1Артикул: 97080-6, SEAL KIT, GEAR PUMP
2Артикул: 97177-0, VALVE
3Артикул: 97176-2, SET OF SEALS OF VALVE
Подробнее >
РУКОЯТКА УПРАВЛЕНИЯ 367011001 И ВЫШЕ

РУКОЯТКА УПРАВЛЕНИЯ 367011001 И ВЫШЕ

1Артикул: 92954-7, JOYSTICK Ref. 2-7
2Артикул: 97424-6, LEVER BASE W/Ref. 3
3Артикул: 97426-1, BELLOW
Подробнее >
ГИДРАВЛИЧЕСКИЙ ДВИГАТЕЛЬ 367013501 И ВЫШЕ 367312501 И ВЫШЕ

ГИДРАВЛИЧЕСКИЙ ДВИГАТЕЛЬ 367013501 И ВЫШЕ 367312501 И ВЫШЕ

1Артикул: 6910598, MOTOR
2Артикул: 6912538, SET OF SEALS
3Артикул: 6912539, VALVE
Подробнее >
РЕГУЛИРУЮЩИЙ КЛАПАН: ПОДЪЕМНЫЙ ЭЛЕМЕНТ 367011001 -12001

РЕГУЛИРУЮЩИЙ КЛАПАН: ПОДЪЕМНЫЙ ЭЛЕМЕНТ 367011001 -12001

1Артикул: 95296-0, VALVE, CONTROL See Illustration CONTROL VALVE: LIFTING ELEMENT/ V01065 See Illustration CONTROL VALVE: TILTING ELEMENT/ V01066 See Illustration CONTROL VALVE: INLET AND OUTLET/ V01073 See Illustration CONTROL VALVE: ATTACHMENT ELEMENT/ V01068 See Illustration CONTROL VALVE: TELESCOPIC ELEMENT/ V01067
2Артикул: 95283-8, VALVE, LINK PROPORTIONAL Ref. 2 & 3
3Артикул: 95300-0, SEAL KIT
Подробнее >
РЕГУЛИРУЮЩИЙ КЛАПАН: ВПУСКНОЕ ОТВЕРСТИЕ И ВЫХОДНОЙ ПАТРУБОК 367011001 -12001

РЕГУЛИРУЮЩИЙ КЛАПАН: ВПУСКНОЕ ОТВЕРСТИЕ И ВЫХОДНОЙ ПАТРУБОК 367011001 -12001

1Артикул: 95296-0, VALVE, CONTROL See Illustration CONTROL VALVE: LIFTING ELEMENT/ V01065 See Illustration CONTROL VALVE: TILTING ELEMENT/ V01066 See Illustration CONTROL VALVE: INLET AND OUTLET/ V01073 See Illustration CONTROL VALVE: ATTACHMENT ELEMENT/ V01068 See Illustration CONTROL VALVE: TELESCOPIC ELEMENT/ V01067
2Артикул: LIFTING, LIFTING ELEMENT See Illustration CONTROL VALVE: LIFTING ELEMENT/ V01065
3Артикул: TILTING, TILTING ELEMENT See Illustration CONTROL VALVE: TILTING ELEMENT/ V01066
Подробнее >