+7 (701) 588 50 05 Телефон для связи
RU

WhatsApp

Позвонить

ГИДРАВЛИКА в Алматы

ПОВОРОТНЫЙ ЭЛЕКТРОДВИГАТЕЛЬ

ПОВОРОТНЫЙ ЭЛЕКТРОДВИГАТЕЛЬ

1Артикул: NTS5-59000, SWING MOTOR assy - W/Ref. 2 & 3
2Артикул: AD0575B, PINION GEAR assy - Ref. 4-12
3Артикул: NTS5-59000, SWING MOTOR assy - Ref. 4-14 - Was AD1240B - A
Подробнее >
ЦИЛИНДР ПОВОРОТА

ЦИЛИНДР ПОВОРОТА

1Артикул: NTS5-54000, CYLINDER swing
2Артикул: 60622-14901, CASE
3Артикул: 60622-14902, ROD
Подробнее >
ЦИЛИНДР СТРЕЛЫ

ЦИЛИНДР СТРЕЛЫ

1Артикул: BOLT, BOLT NSS - M6x14
2Артикул: NTS5-51000-1, CYLINDER boom
3Артикул: 60642-21101, CASE
Подробнее >
ЦИЛИНДР БУЛЬДОЗЕРА

ЦИЛИНДР БУЛЬДОЗЕРА

1Артикул: NTS5-55000, CYLINDER dozer
2Артикул: 60622-15001, CASE
3Артикул: 60622-15002, ROD
Подробнее >
ПОВОРОТНОЕ СОЕДИНЕНИЕ

ПОВОРОТНОЕ СОЕДИНЕНИЕ

1Артикул: NTS1-70000, JOINT ASSY swivel - Ref. 2-13
2Артикул: NTS1-70001, ROTOR
3Артикул: NTS1-70002, BODY
Подробнее >
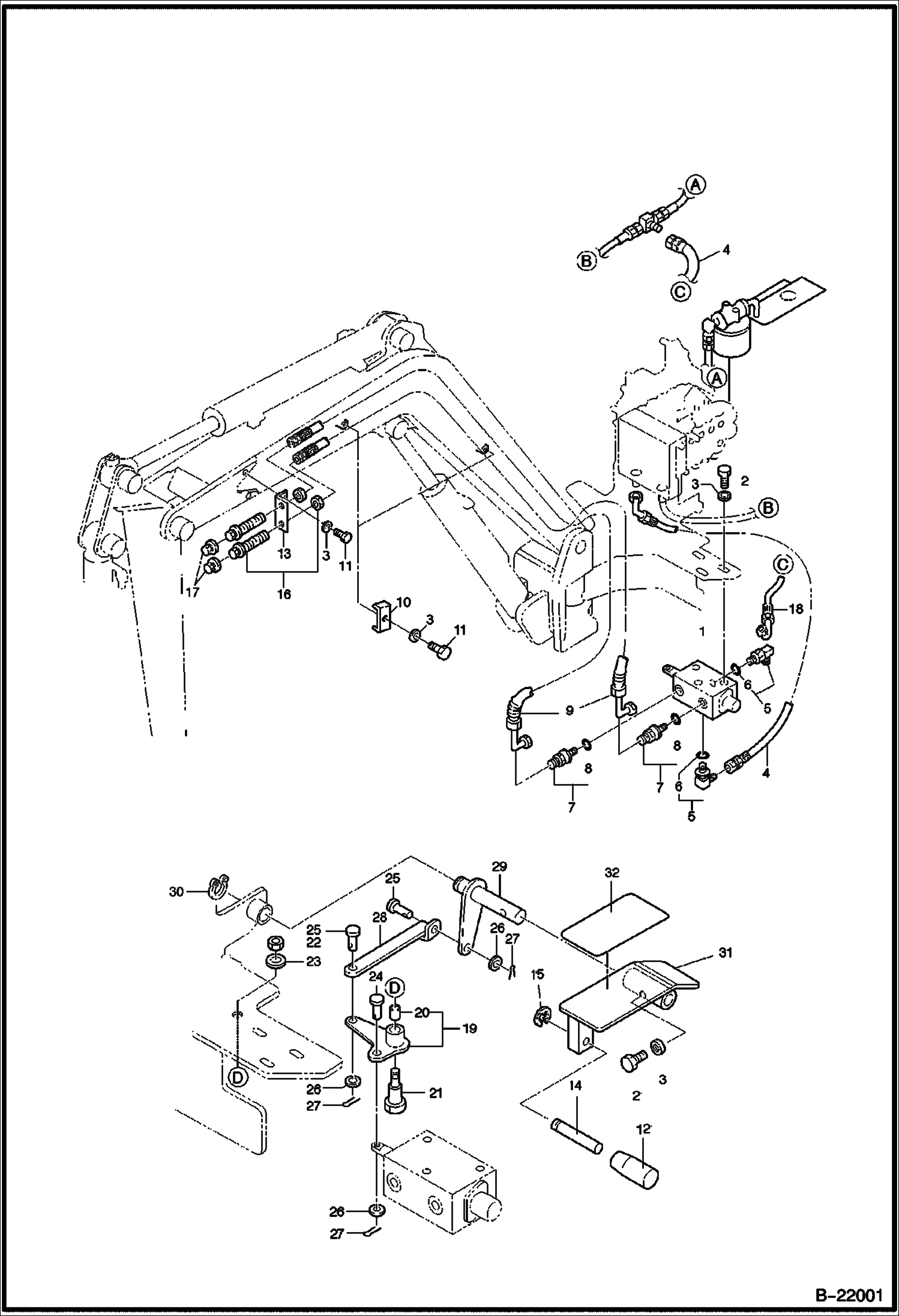
СХЕМА ГИДРАВЛИЧЕСКОЙ СИСТЕМЫ РАБОЧЕЕ ОБОРУДОВАНИЕ

СХЕМА ГИДРАВЛИЧЕСКОЙ СИСТЕМЫ РАБОЧЕЕ ОБОРУДОВАНИЕ

1Артикул: 0783-04060-K, HOSE Was 0783-04060-L - A
2Артикул: 0572-04004-O, CONNECTOR
3Артикул: 0778-04225-N, HOSE Was 0783-04225-N - A
Подробнее >
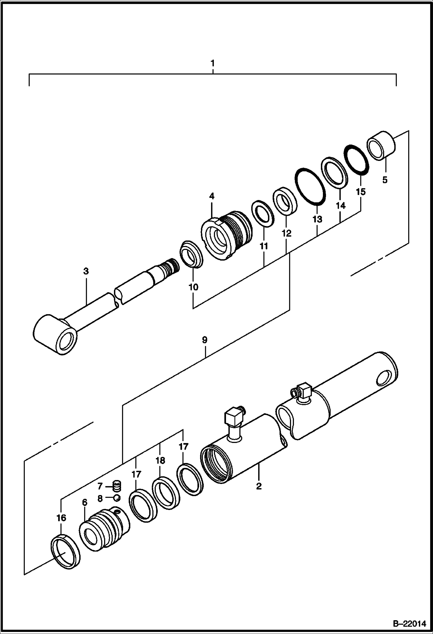
ЦИЛИНДР РУКОЯТИ

ЦИЛИНДР РУКОЯТИ

1Артикул: NTS5-52000, CYLINDER arm
2Артикул: 60622-14701, CASE
3Артикул: 60622-14702, ROD
Подробнее >
КЛАПАН ПЕРЕКЛЮЧЕНИЯ

КЛАПАН ПЕРЕКЛЮЧЕНИЯ

1Артикул: NTS5-60000, SELECTOR VALVE ASSY
2Артикул: S052-00132, WIPER
3Артикул: S052-00131, O-RING
Подробнее >
СХЕМА ГИДРОСТАТИЧЕСКОЙ СИСТЕМЫ ХОД

СХЕМА ГИДРОСТАТИЧЕСКОЙ СИСТЕМЫ ХОД

1Артикул: 0600-04004-X, CONNECTOR W/Ref. 2
2Артикул: 0490-00011-B, O-RING
3Артикул: 0602-04004-X, ELBOW W/Ref. 4
Подробнее >
НАСОС

НАСОС

1Артикул: SP21-00015, PUMP ASSY Ref. 2-21
2Артикул: 403-23228, SEAL KIT Ref. 3-6
3Артикул: 400-00380-02, SEAL oil
Подробнее >
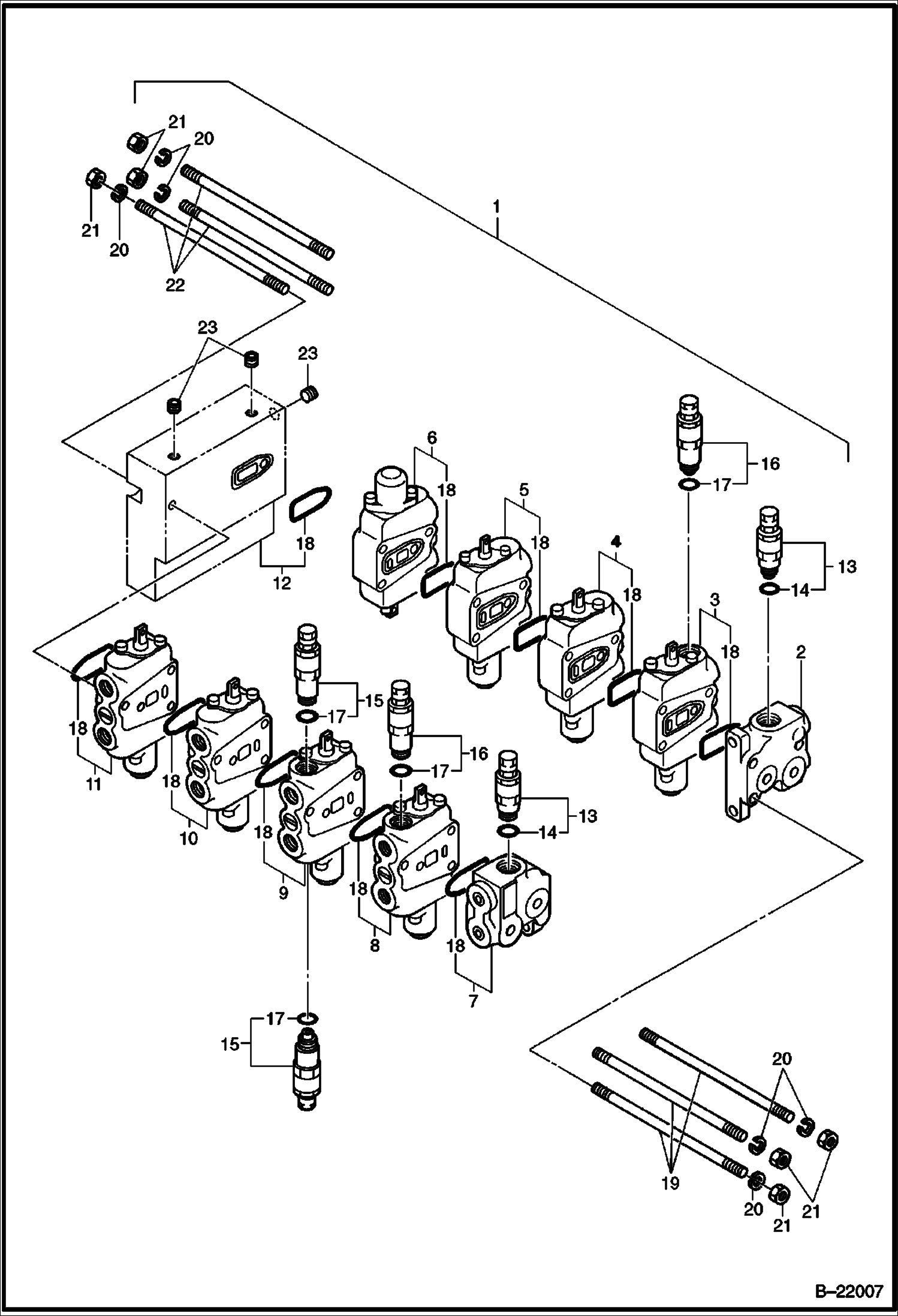
РЕГУЛИРУЮЩИЙ КЛАПАН ESA

РЕГУЛИРУЮЩИЙ КЛАПАН ESA

1Артикул: SP22-00050, CONTROL VALVE See Illustration CONTROL VALVE/ B22024 USA Only - A
2Артикул: NTS5-57000-1, CONTROL VALVE Europe Only
3Артикул: SV3-005IC208, SECTION ASSY inlet
Подробнее >
СХЕМА ГИДРОСТАТИЧЕСКОЙ СИСТЕМЫ ВЕРХНЯЯ РАМА

СХЕМА ГИДРОСТАТИЧЕСКОЙ СИСТЕМЫ ВЕРХНЯЯ РАМА

1Артикул: 0602-04004-X, ELBOW W/Ref. 2 - Was 0582-04004-X - A
2Артикул: 0490-00011-B, O-RING
3Артикул: 0600-04004-X, CONNECTOR W/Ref. 2
Подробнее >
РЕГУЛИРУЮЩИЙ КЛАПАН

РЕГУЛИРУЮЩИЙ КЛАПАН

1Артикул: STOPPER, STOPPER NSS
2Артикул: BACKUP, BACKUP RING NSS
3Артикул: O-RING, O-RING NSS
Подробнее >
ЦИЛИНДР КОВША

ЦИЛИНДР КОВША

1Артикул: NTS5-53000, CYLINDER bucket
2Артикул: 60622-96601, CASE
3Артикул: 60622-14802, ROD
Подробнее >
ХОДОВОЙ ГИДРОМОТОР

ХОДОВОЙ ГИДРОМОТОР

1Артикул: NTS5-58000, MOTOR ASSY travel - Ref. 2-63
2Артикул: AL0120B, MOTOR ASSY reduce - Ref. 3-26
3Артикул: CASING, CASING NSS
Подробнее >
ВЫДВИЖНОЙ ЦИЛИНДР

ВЫДВИЖНОЙ ЦИЛИНДР

1Артикул: NTS5-63000, CYLINDER extension
2Артикул: 60622-15101, CASE
3Артикул: 60622-15102, ROD
Подробнее >
СХЕМА ГИДРАВЛИЧЕСКОЙ СИСТЕМЫ ВСПОМОГАТЕЛЬНОЕ ОБОРУДОВАНИЕ

СХЕМА ГИДРАВЛИЧЕСКОЙ СИСТЕМЫ ВСПОМОГАТЕЛЬНОЕ ОБОРУДОВАНИЕ

1Артикул: NTS5-61000, CONTROL VALVE
2Артикул: 0102-08025-A, BOLT M8x25
3Артикул: 0389-08000-A, WASHER M8 - Was 0102-08000-A - A
Подробнее >