+7 (701) 588 50 05 Телефон для связи
RU

WhatsApp

Позвонить

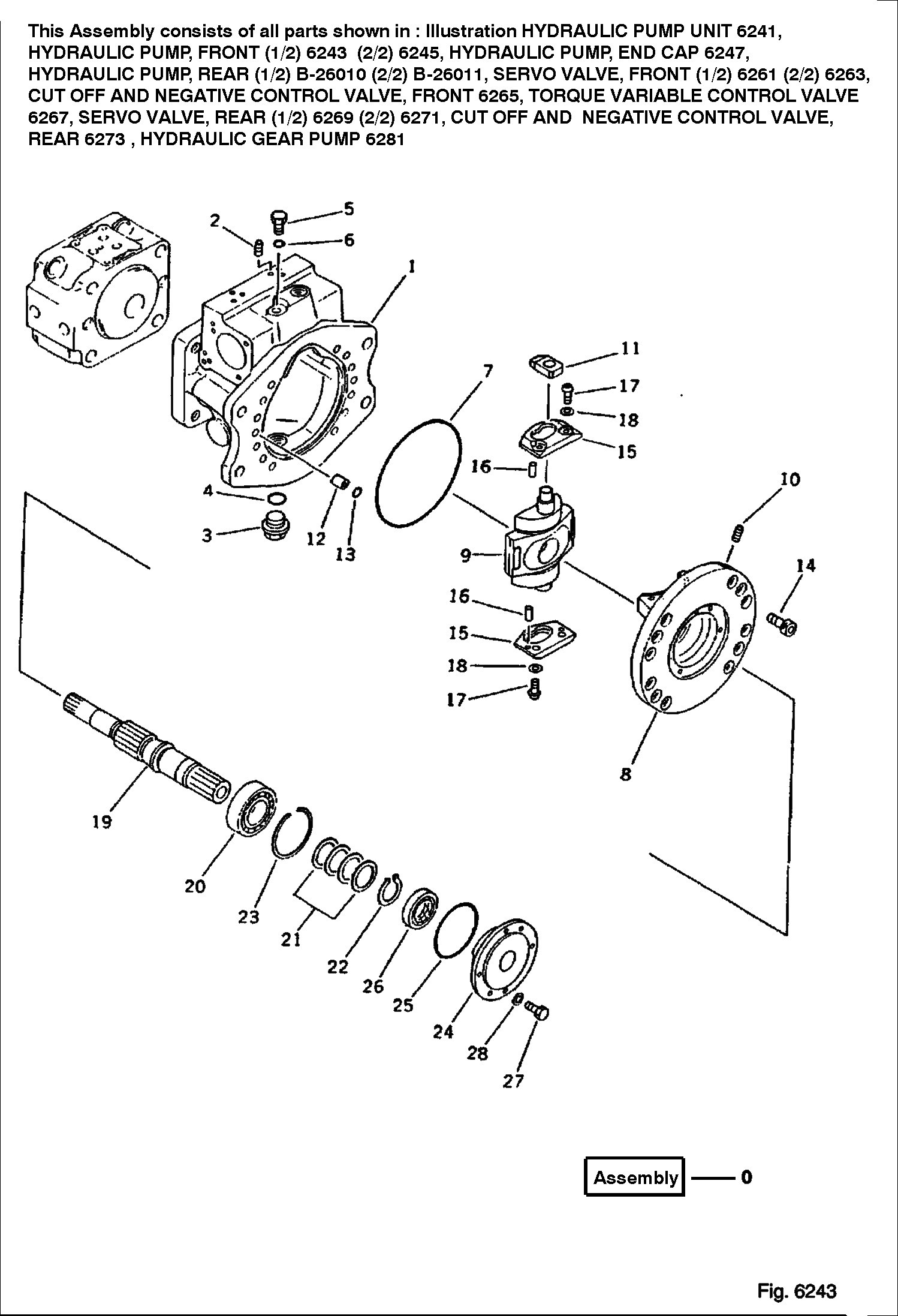
Продажа: ГИДРОПРИВОДНОЙ НАСОС ПЕРЕДНИЙ 1 в Алматы и Астане Цены официального дилера с доставкой по всему Казахстану

Официальный дилер Все запчасти в наличии Лизинг / Рассрочка Сервис и гарантия
Спецтехника 2 от Globus Machinery

2

1Артикул: 6651244, ...
2Артикул: PUMP, PUM...
3Артикул: PUMP, PUM...
Подробнее >